20.07.2010, 10:41
Hallo Labview Gemeinde,
will folgendes realisieren:
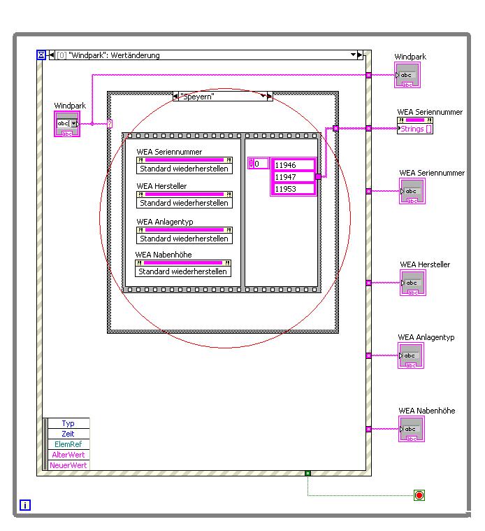
wenn ich ein Windpark wähle werden die Entsprechenden Werte (Seriennummer, WEA Hersteller, WEA Anlagentyp und WEA Nabenhöhe) weiter gegeben an die jeweiligen Combobox und Anzeigeelemente.
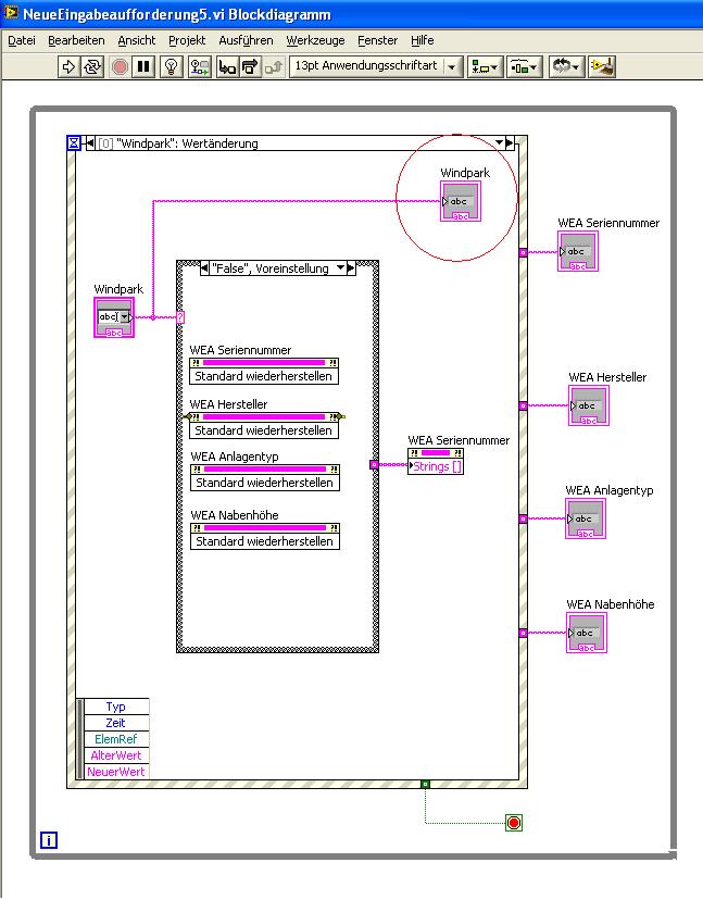
Will ich nun ein Park händisch Eingeben, (ich erzeuge ein False im obern Case) sollen vorab die Bedienfelder (Combobox) resettet werden. Diesbezüglich habe ich im ersten Case in False die Invoke Note(Standartwerte wiederherstellen) eingebaut.
Als nächstes wenn ich die Werte händisch eintrage einzeln hintereinander werden die Eingaben nach der Eingabe in den Bedienfeldern (Combobox) auch gelöscht. Nach der Eingabe greift er anscheint auf die Invoke Note(Standartwerte wiederherstellen), wie kann ich das verhindern.
Was ich grundsätzlich auch haben will, jedes Mal wenn ich ein neues Park wähle oder händisch eingeben will sollen die unteren Bedienfelder resettet sein. Quasi Leer für neue Eingaben bzw. Werte.
Kann sein dass ich mich teils wiederholt habe oder nicht ganz verständlich war mit meiner Anfrage. Bitte nicht erschlagen.
Ich wäre sehr dankbar für eine Hilfestellung. 
Mein Programm habe ich angehängt.

[attachment=27997]
LG M.W
will folgendes realisieren:
wenn ich ein Windpark wähle werden die Entsprechenden Werte (Seriennummer, WEA Hersteller, WEA Anlagentyp und WEA Nabenhöhe) weiter gegeben an die jeweiligen Combobox und Anzeigeelemente.
Will ich nun ein Park händisch Eingeben, (ich erzeuge ein False im obern Case) sollen vorab die Bedienfelder (Combobox) resettet werden. Diesbezüglich habe ich im ersten Case in False die Invoke Note(Standartwerte wiederherstellen) eingebaut.
Als nächstes wenn ich die Werte händisch eintrage einzeln hintereinander werden die Eingaben nach der Eingabe in den Bedienfeldern (Combobox) auch gelöscht. Nach der Eingabe greift er anscheint auf die Invoke Note(Standartwerte wiederherstellen), wie kann ich das verhindern.
Was ich grundsätzlich auch haben will, jedes Mal wenn ich ein neues Park wähle oder händisch eingeben will sollen die unteren Bedienfelder resettet sein. Quasi Leer für neue Eingaben bzw. Werte.
Kann sein dass ich mich teils wiederholt habe oder nicht ganz verständlich war mit meiner Anfrage. Bitte nicht erschlagen.


Mein Programm habe ich angehängt.

[attachment=27997]
LG M.W