[
attachment=27862]Hallo liebe LV-Gemeinde!
Ich hoffe ihr könnt mir weiterhelfen. Hier das Problem:
Ich habe ein Programm zur Klemmkraftmessung erstellt und speichere die gesammelten Daten in einer Spredsheet-Datei.
Diese wird dann mit Hilfe eines Makros, dass sich in einer bestimmten Excel-Datei befindet, eingelesen und die Daten werden
dort durch das Makro weiter verarbeitet. Das funktioniert auch wunderbar.
Das eigentliche Problem besteht nun darin, dass ich trotzdem nach einem Speichort für die geänderte Excel-Datei gefragt werde
(bzw. ob ich die Änderungen speichen will), obwohl ich ihm eigentlich einen Pfad für das neue Workbook angegeben habe.
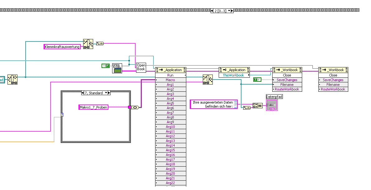
Im Anhang ist noch ein kleines Bild von der Problematik!
Ich arbeite zur Zeit mit LV 7.0
Ich hoffe ihr könnt mir weiterhelfen!!!
mfG Thomas
Auf dem Bild ist zweimal Close am Ende.. einmal mit SaveChanges=True angeschlossen... warum das Zweite?
Gruß SeBa
Hallo SeBa!
Zunächst wird ja die Excel-Datei Klemmkraftauswertung geöffnet, in der sich die Makros befinden. Durch diese wird dann eine neue Mappe geöffnet,
in die die Daten eingelesen und verarbeitet werden. Deswegen hab ich mir gedacht ich muss erst die geänderte Mappe speichern und schließen und anschließend die Mappe in der die Makros gespeichert sind.
Hab grad versucht die Datei hochzuladen, jedoch darf ich keine Spredsheet-Dateien hier reinstellen. Klingt komisch, is aber leider so

!
Vielen Dank für die Hilfe!
mfG Thomas
' schrieb:Hab grad versucht die Datei hochzuladen, jedoch darf ich keine Spredsheet-Dateien hier reinstellen. Klingt komisch, is aber leider so
!
Ist nicht komisch... ist so gewollt.
Du kannst aber die Datei einfach zippen oder ein .txt dranhängen. Dann klappt auch der Upload.
Meine Frage war Quatsch... hab nicht richtig hingeschaut und gedacht du schließt zweimal die selbe Referenz.
Was ich jetzt aus dem Bild noch sehe, ist folgendes:
Die Klemmkraftauwertung führt ein Makro aus und danach wird ThisWorkbook geschlossen... woher weißt du, dass ThisWorkbook auch die richtige Mappe ist?
Ich will darauf hinaus, dass eine per VBA innerhalb der Excelinstanz erstellte Mappe keine Referenz in LV erzeugt. Erstellt das Makro die neue Mappe oder erledigst du das von LV aus?
Gruß SeBa
Hallo SeBa!
Das Makro erstellt die neue Mappe.
Bin grad auf die gleiche Idee gekommen und hab die Excel-Datei und die Spredsheet-Datei mal gezipt.
Einfach einen Ordner Klemmkraftmessung auf C: erstellen und beide Dateien reinkopieren.
Dann das Makro Makro1_5_Proben ausführen!
[
attachment=27872]
mfG Thomas
Wie gesagt, wenn du innerhalb eines Excel-Makros eine neue Mappe anlegst, bekommt LV das nicht mit. Du musst die neue Mappe also auch durch Excel speichern lassen. An sich stellt das ja kein Problem dar.
Oder du bildest das Makro in LV ab. Dann hast du von dort auch Kontrolle über die neue Mappe...
Allerdings... bei der kunstvollen Programmierung deines Makros... naja, will ich mal drüber hinwegsehen, da wir hier ja in einem LV Forum sind.
Gruß SeBa
Moin!
Wie kann man denn das Makro in LV abbilden?
Die kunstvolle Programmierung des Makros hat Excel übernommen dank Makro-Aufzeichnung! Da hab ich nicht viel dazu beigetragen. Außer die Kommentierung einiger Zeilen die es nicht ausführteen wollte!
mfG Thomas
' schrieb:Die kunstvolle Programmierung des Makros hat Excel übernommen dank Makro-Aufzeichnung! Da hab ich nicht viel dazu beigetragen.
Das sieht man.
' schrieb:Wie kann man denn das Makro in LV abbilden?
Da du dich bereitwillig in die Hände der Makro-Aufzeichnen-Funktion begeben hast (und dort geblieben bist...) und der VBA-Code auch genauso aussieht... würde ich dir nicht empfehlen das Makro in LV abzubilden... einfach nur, weil es nicht gerade trivial ist, wenn man weiß was man tun muss... und du weißt es eigentlich nicht. Excel hat es ja für dich übernommen.
Generell kannst du mit den (von dir ja bereits verwendeten) ActiveX Knoten alle VBA-Funktionen von Excel in LV nachbilden.
Du kannst dabei ja ein (kurzes Teilstück deines) Makro aufzeichnen und dir anschauen. Das setzt du dan mit den ActiveX Knoten in LV um. Schritt für Schritt.
Würdest du jetzt versuchen dein jetziges Makro abzubilden, wird es schnell hässlich, kompliziert und unübersichtlich. Du müsstest erstmal den VBA-Code aufräumen und dann die schlanke Version nach LV portieren.
:unsure:Ich kann mich ja auch täuschen und du hast VBA Kenntnisse, warst aber nur zu faul das Makro aufzuräumen...
Gruß SeBa
Also deine Vermutung ist schon ganz richtig. Ich besitze nicht wirklich Kenntnisse in der VBA-Programmierung!
Allerdings ist es für mich auch zu schwierig bzw. zu umständlich, durch die fehlenden Kenntnisse,
die ganze Geschichte jetzt mit ActivX-Knoten umzusetzen.
Ich denke dann bleibe ich dabei, dass der Benutzer die Daten selbst sichert und die Sache nicht direkt über LV läuft!
Ich bedanke mich trotzdem für deine Hilfe und geopferte Zeit für einen LV-Einsteiger!
mfG Thomas
Hallo liebe LV-Gemeinde!
Nur zur Info, falls jemand ein ähnliches Problem haben sollte.
Ich hab jetzt ein neues Makro aufgezeichnet, das mir die Daten nur importiert (Daten>>Externe Daten importieren)
und nicht die Spredsheet-Datei öffnet.
So bleibe ich im gleichen Workbook in dem die Makros aufgezeichnet sind und kann mit dem ActivX-Knoten SaveAs
den neuen Speicherort/-Namen festlegen.
mfG Thomas