08.04.2011, 08:08 
Guten Morgen.
Habe einmal mehr wieder eine Frage an das Form
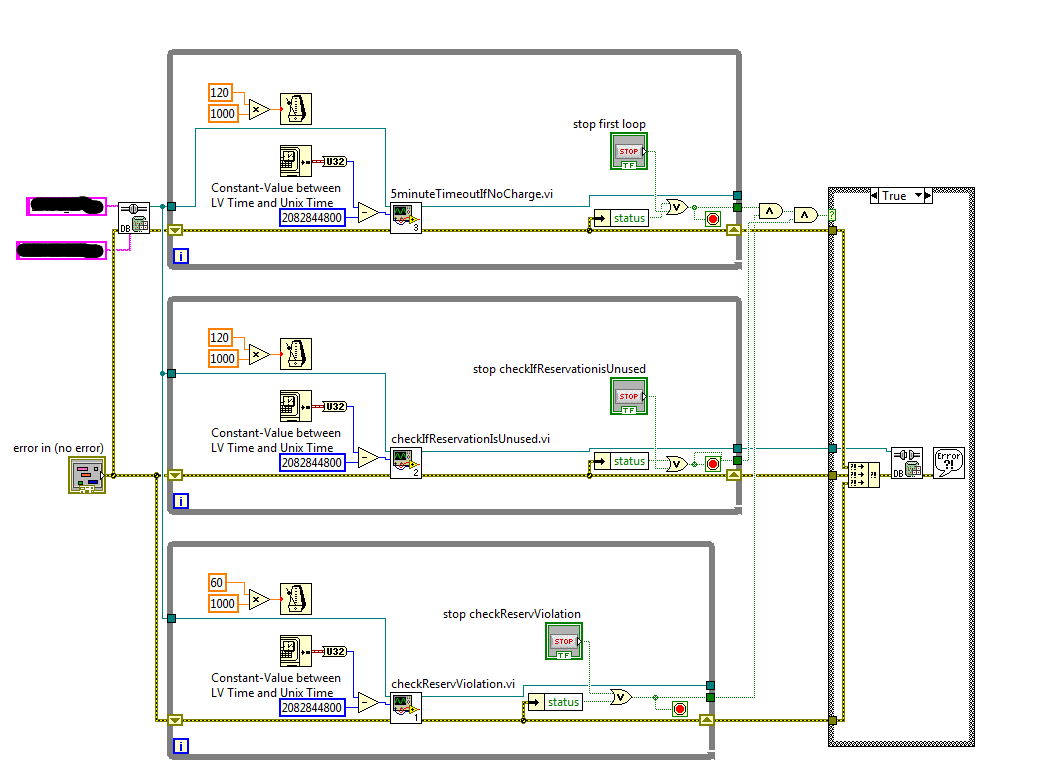
Und zwar versuche ich eine Parallälität bzw. Multithreating für ein paar zeitunkritischere Prozesse zu erstellen (damit diese den zeitkritischeren mehr Ressourcen lassen).
Dabei soll jedoch nur eine Datenbank Verbindung auf einmal aufgebaut werden, da man bei gewissen Datenbanksystem sonst mehr Lizenzgebühren entrichten darf
Ich habe hier schon einmal einen Versuch gewagt, wenn es rennt, dann rennt es.
[attachment=33177]
(Die UND-Gatter sind eigentlich redundant, aber finde es so übersichtlicher)
Gibts da Probleme mit meinem Design, bzw. gibt es eine sauberere Lösung?
Vielen Dank.
LG Cluster
Habe einmal mehr wieder eine Frage an das Form

Und zwar versuche ich eine Parallälität bzw. Multithreating für ein paar zeitunkritischere Prozesse zu erstellen (damit diese den zeitkritischeren mehr Ressourcen lassen).
Dabei soll jedoch nur eine Datenbank Verbindung auf einmal aufgebaut werden, da man bei gewissen Datenbanksystem sonst mehr Lizenzgebühren entrichten darf

Ich habe hier schon einmal einen Versuch gewagt, wenn es rennt, dann rennt es.
[attachment=33177]
(Die UND-Gatter sind eigentlich redundant, aber finde es so übersichtlicher)
Gibts da Probleme mit meinem Design, bzw. gibt es eine sauberere Lösung?
Vielen Dank.
LG Cluster