LabVIEWForum.de - Auslesen von aktiven Boolschen Werten

LabVIEWForum.de

Normale Version: Auslesen von aktiven Boolschen Werten
Du siehst gerade eine vereinfachte Darstellung unserer Inhalte. Normale Ansicht mit richtiger Formatierung.
Hallo,

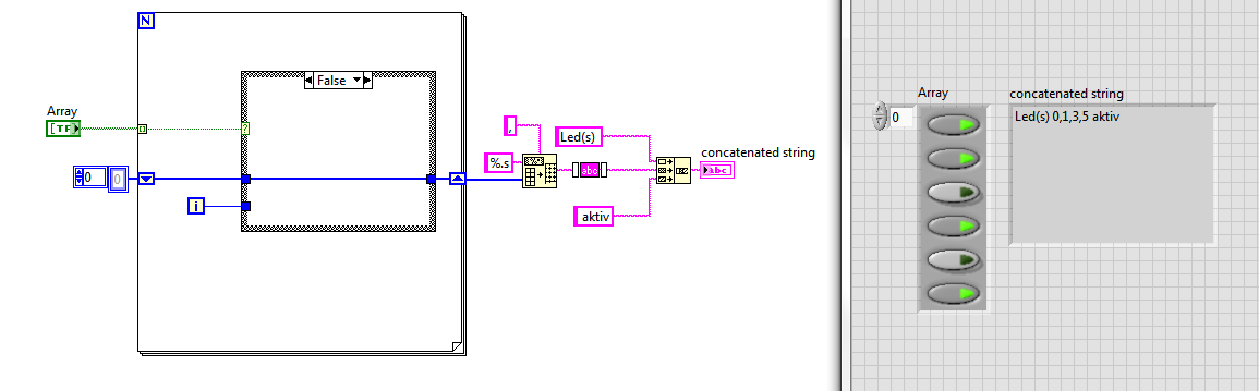
ich habe folgendes Problem und zwar habe ich eine 1D-LED Array Anzeige vorliegen und würde nun gerne aus diesem auslesen, welche LED aktiv bzw welcher Array Wert gerade auf 1 liegt. Beispiel: 1. und 3. LED meines Arrays leuchten und ich möchte gerne eine Textzeile definieren, die mir in der Benutzeroberfläche "LED 1,3 aktiv" anzeigt.

Vielen Dank
Hier mal ein Vorschlag:

[attachment=37930]

[attachment=37931]

Beste Grüße,
NWO
Hey,

kannst du vielleicht noch kurz posten, was in deiner True-Schleife steht, da ich auf 10. arbeite und deswegen die 11. nicht öffnen kann.

Ansonsten schonmal vielen Dank!
[attachment=37983]

Gruß Markus


(05.01.2012 16:21 )Topps schrieb: [ -> ]Hey,

kannst du vielleicht noch kurz posten, was in deiner True-Schleife steht, da ich auf 10. arbeite und deswegen die 11. nicht öffnen kann.

Ansonsten schonmal vielen Dank!
Vielen Dank, klappt super!
Referenz-URLs