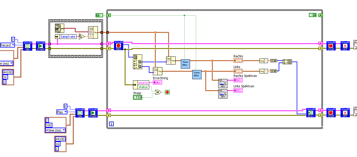
Ich hab' mal kurz weiter gemacht ... Filter und Ausgabe. Der Filter ist mir nicht gut gelungen. Wollte erst Punkt-für-Punkt aber da macht mein Rechner schlapp - Bufferoverflow...

[
attachment=27203]
[
attachment=27204]
Starter - Was hast du denn für Grenzfrequenzen angegeben? Ein Hz drüber und 1 Hz drunter??
Und hat einer 'ne Ahnung wie man die Ausgabe des Originaltons unterdrückt? Ich bekomm immer beides: Original und das (total verrauschte) gefilterte Signal.
Also, als ich das ganze mit der Audioaufnahme, über z.b. 20sec gemacht habe, habe ich grenzfrequenzen von 230 und 236 gewählt, allerdings mit viel steilerem Filter.
Woher kommt das extreme Rauschen, Bufferoverflow?
Den Bufferoverlow bekomm ich übrigens auch bei deinem Filter (ohne punkt zu punkt)
Ich mach das später mal ne Produce Consumer daraus ... dann können dualCores da schonmal besser mit arbeiten. Hab jetzt grad keine Zeit.
Auf der Arbeit gings ohne Overflow ... ganz normale Laptop ... 1Jahr alt.
Das sieht man an Deinem Beitrag.

Den hast Du bestimmt in Rekordgeschwindigkeit geschrieben.
Gruß Markus
' schrieb:Hab jetzt grad keine Zeit.
' schrieb:Und hat einer 'ne Ahnung wie man die Ausgabe des Originaltons unterdrückt? Ich bekomm immer beides: Original und das (total verrauschte) gefilterte Signal.
Ich kann bei meinem Laptop im Windowsmixer jede Soundkarte/Output einzeln regeln... will sagen, hab die onboard Speaker auf mute und das eingelesene & bearbeitete Signal auf den externen Boxen... funzt.
' schrieb:Woher kommt das extreme Rauschen, Bufferoverflow?
Ich benutzte aus Mangel eines LineIn ja den Mic Input... da war standardmäßig Nachhall- und Rauschunterdrückung aktiviert. Hat sich blechern und verrauscht angehört. Nach abschalten war der Ton (unbearbeitet) 1:1.
Übrigens erzeugen die beiden Unterdrückungen aus einer Monospur wieder eine Stereospur. Schaltet man die ab, ist der eine Kanal nur mit Rauschen belegt (welches ich nur sehen kann, nicht hören)
EDIT: Vergessen... 4*100ms Buffer funktionieren super bei mir, 3*100ms Buffer erzeugen die Overflows und das Signal wird abgehackt...
Gruß SeBa
Ich glaub' es klappt. Muss nur noch an den Grenzfrequenzen rumschrauben. Vielleicht hab ich's mir eingebildet, aber die Vuvuz waren eben fast ganz weg.
Kopfhörerausgang vom TV an Line-In vom Laptop ... Vista erzählen, dass das ein Audioeingang ist ... Programm laufen lassen ... Kopfhörerausgang vom Laptop an anständige Boxen. Nicht vergessen Nachzuschauen was die Soundkarte für ne Abtastrte hat. Rauscht nix. Hab auch keine Probleme mehr mit dem Overflow.
Bin weiterhin für Vorschläge zum Filtern offen.

[
attachment=27209]
[
attachment=27210]
[
attachment=27211]
Vuvu ... hört sich irgendwie unanständig an.
Servus.
Bist du sicher dass es die Version 8.5 ist?
Bei mir (LV 8.6) kommt der Ladefehler, meine Version wäre zu alt.
' schrieb:Servus.
Bist du sicher dass es die Version 8.5 ist?
Bei mir (LV 8.6) kommt der Ladefehler, meine Version wäre zu alt.
Ist

. Sorry hab's verpeilt gestern abend. Daheim hab ich 2009 Studi ...
Ich kann's jetzt nicht runterspeichern hab nur 8.5 auf der Arbeit und komme heute auch nicht so früh wieder heim aus gegebenen Anlass.
Nochmal zum Programm: Das "Build Array" und der "Typecast" ist natürlich total unsinnig; man kann direkt das 2D-Array (I32) in die Queue schicken. Vielleicht ändert das derjenige direkt beim runterspeichern.
He Leute!
mit den Programm wird doch die Soundkarte angezeigt oder? Wäre es irgendwie möglich einen schönen Sinus zu erzeugen?
lg