Hallo,
ich will meine Messwerte (y1, y2,y3 und y4 siehe Graph im Vi) in Excel in einem Linien Diagramm abbilden. Habe diesbezüglich auch ein Beispiel "XY Graph (Excel)_

" gefunden. Leider komme ich nicht weiter, der Graph wird nicht richtig zurück gegeben (bekomme Balken statt Linien) und ein fehler Meldung (siehe Screenshot) bekomme ich auch noch. Kann mir jemand helfen.
Die Messwerte, mein veränderte Vi und ein Screenschot vom Vi habe ich eingefügt.
Mit LabVIEW 2009
[
attachment=25483]
[
attachment=25486]
[
attachment=25485]
Grüße MW
Hallo Leute,
habe mein Problem mit Wiedergabe meiner Messwerte als Diagramm in Excel Anderweitig gelöst. Unswar mit der Hilfe des Beitrags von DominikK
"Messwerte in Excel schreiben und als Diagramm ausgeben".
Beitrag von DominikK
"Messwerte in Excel schreiben und als Diagramm ausgeben"
Vielen Dank an DominikK für seinen hilfreichen Beitrag.
Grüße MW
Hi LabVIEW Gemeinde,
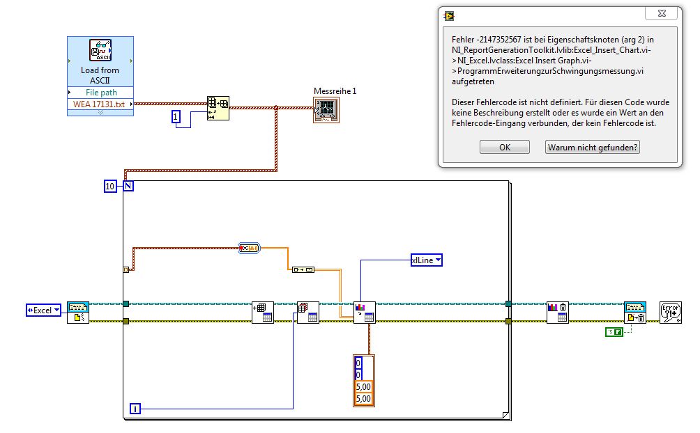
habe weiter Experimentiert mit Messwerte als Diagramm in Excel wiederzugeben. Ich habe zwei Programme. Beim ersten Programm
"Signalerfassung1" schaffe ich nicht alle y-Messwerte (spalten) als Liniendiagramm wiederzugeben, in den Excel Arbeitsmappe werden auch nur eine Spalte der y-Messwerte übernommen.
Hat da jemand eine Idee wie ich die beiden Programme anpassen bzw. ändern muss, dass alle y-Messwerte im Excel Diagramm abgebildet werden.
Dies bezüglich habe ich Versucht das erste Programm
"Signalerfassung1" mit dem Programm
"ImportCSVtoExcelVersion3" zu ergänzen leider auch ohne Erfolg. Habe Sie als
"Signalerfassung2" eingefügt. Und die Txt. File woraus die y-Messwerte gelesen werden soll.
Mein Ziel ist weiter alle y-Messwerte im Excel Diagramm abzubilden. Wäre sehr dankbar für jede Hilfe.
Im LabVIEW 2009
[
attachment=25519]
[
attachment=25520]
[
attachment=25521]
[
attachment=25522]
Grüße MW
' schrieb:Hat da jemand eine Idee wie ich die beiden Programme anpassen bzw. ändern muss, dass alle y-Messwerte im Excel Diagramm abgebildet werden.
Nicht direkt, und Fragen bitte ins Forum.
Allgemeine Info zur ActiveX Programmierung in LabVIEW:
Du machst das, dass du mit den ActiveX-Knoten in LabVIEW programmieren möchtest zuerst von Hand in Excel.
Vorher startest du in Excel "Makro Aufzeichnen". Nach der manuellen Aktion, wählst du "Makro stoppen".
Nun schaust du dir das Makro, den VBA-Code an und programmierst das in LV.
So machen wir das auch.
Lieber Moses,
zuerst das Negative:
per PM Fragen zu stellen, (mich) aufzufordern sich eines Themas zu zu wenden und sich auszuheulen, bringt alles nix.
Jetzt das Positive:
Wenn du eine Frage im Forum stellst, werde ich im Laufe des Tages bestimmt darüber stolpern, da ich (wie die Meisten) einfach auf den Button "Neue Beiträge" drücke.
Ich spreche allgemein, folgendes ist nicht direkt auf dich bezogen.
Es sind jetzt folgende Kriterien wichtig, damit du meine Aufmerksamkeit / Hilfe / Wissen / ect.pp. bekommst:
a) Du nutzt sinnvoll Punkt/Komma/Großbuchstaben.
b) Deine mit a) gebildeten Sätze machen irgendeinen Sinn.
c) Du präsentierst deine Frage so, dass ich mit wenig Aufwand (von meiner Zeit) das Problem (wenigstens) verstehe.
d) Du stellst eine Frage die mich selbst interessiert oder die ich beantworten kann.
e) Mir ist langweilig und ich beantworte einfach alle Fragen mehr oder weniger sinnvoll.
Jetzt zu deiner Frage, deren Beantwortung ungeachtet der obigen Punkte, heute in Reichweite des Feierabends, geschieht.
Wieder das Negative zu erst...
Da du das Report Generation Toolkit benutzt, kann ich dir leider nicht helfen.
Das Positive:
Wenn du konkrete Fragen bzgl. ActiveX und MS-Office hast, sieht das wieder anders aus.
Gruß SeBa
Hallo RoLe und SeBa,
erstmals vielen Dank für die Konstruktiven Anmerkungen. Ich glaube auch dass man mit richtigem Vorgehens- und Verhaltensweise in Forum schneller voran kommt. In der Zukunft werde ich mehr drauf achten.
Ich werde meine Fragen bezüglich das was ich Praktikum machen muss gleich im meinem Forum Beitrag neu Formulieren.
Ich wäre weiterhin sehr Dankbar wenn ihr mich bei meinem Praktikum Projekt weiter begleiten könntet. Mit Hilfestellungen, Tipps, usw. Da ich übers Ostern keine Eier suchen gehe werde ich mich mit AktiveX beschäftigen.
Grüße MW
Nur mal so in den Raum gefragt...
...musst du das Diagramm per Code erzeugen, oder reicht es die Daten in einem vorhandenen zu überschreiben?
Warum?
Weil es einfach ist eine 2D-Tabelle nach Excel zu schreiben (hab auch irgendwo mal ein VI dafür gehabt... schau mal bei NI).
In der Exceldatei kannst du ja ein Diagramm vorkonfigurieren, welches deinen Wünschen entspricht. Dann musst du nur die Daten austauschen.
(Diagramme kann man auch dynamische gestalten, sodass sie erkennen wieviele Daten angezeigt werden müssen.)
Gruß SeBa
Hallo LabVIEW Gemeinde,
ich wollte als erstes meine Aufgabe die ich in Rahmen meines Praxissemesters und damit gebundene Probleme ausführlicher schildern.
Meine Aufgabenstellung die ich in meinem Praktikum realisieren soll habe ich in Bild 1 dargestellt. Wir nehmen mit einem Schwingungsmessprogramm.vi an einem Turm (Windkraftanlage) das Schwingungsverhalten (Auslenkung) beim Bremsvorgang an 4 Messpunkten auf. Die Messwerte werden als
*.TXT gespeichert (siehe TXT Datei). Als nächstes werden die Messdaten per copy and Past in ein
Excel Tabelle (siehe Excel Datei AuslenkungsDatenExcelWEA 17131) rein kopiert. Anschließend werden zwei Diagramme in Excel mit ausgewählten Auslenkungspaaren (x-Mess3- und y-Mess3, Diagramm1) ( z-Mess2 und y-Mess2, Diagramm2) gebildet. Die Auslenkungspaare bilden die Auslenkung auf der y-Achse. Die Zeit (Uhrzeit) bildet die x-Achse. Nachdem die Diagramme erstellt wurden werden sie in einem
Word Bericht (siehe Dokument Word Bericht) an eine bestimmte Stelle und Seite per Copy and Past eingefügt.
Meine Aufgabe ist nach der Messung und Auswahl der Auslenkungspaare (z.B. z-Mess2 und y-Mess2) mit einem Botton, nennen wir Sie "Auswerten" die ich in meinem Schwingungsmessprogramm.vi einbauen würde, das ganze Verlauf von Punkt 1. bis 3. (siehe Bild 1) zu automatisieren, quasi beim Drücken des Buttons Auswertung wird ein Word Bericht Vorlage geöffnet und die zwei Diagramme in die Vorlage an bestimmte Stelle eingefügt.
Oder wenn es möglich ist, das Word automatisch die fertigen zwei Diagramme in der Vorlage Dynamisch ändert sobald neue Messwerte übergeben werden. So ungefähr wie
SeBa vorgeschlagen hat wenn ich ihm richtig verstanden habe.
Mein derzeitiger Stand:
Mit dem Programm
"Signalerfassung1" (Programm siehe unten) schaffe ich ein Teil der Messwerte ins Excel zu übertragen und daraus ein Diagramm zu bilden. Das wären die Punkte 1 bis 2 im Bild 1. Habe weiter experimentiert und das Programm
"Signalerfassung2" (Programm siehe unten) erstellt was nicht funktioniert.
Ich habe über Ostern versucht Einblicke in VBA Programmierung in bezug auf Excel und Word, zu bekommen. Viel habe ich leider nicht kapiert. Daher wäre ich für jede Hilfestellung und Tipps Dankbar.
Bild1 [
attachment=25577]
[
attachment=25579]
[
attachment=25580]
[
attachment=25581]
Mit LabVIEW 2009
[
attachment=25582]
[
attachment=25583]
[
attachment=25584]
LG MW
Hab jetzt noch nicht die Anhänge angeschaut, aber...
... benutzt du Excel nur um das Diagramm zu erzeugen? Du kannst doch auch in LV ein Diagramm erzeugen, davon ein Screencapture machen und dieses im Worddokument an gewünschter Stelle einfügen.
Wenn das zutrifft könntest du dir den Umweg über Excel sparen.
Und ein Beipiel, wie man von Textdateien zu Diagrammen kommt (inkl. Capture), wird sich auf meiner Platte bestimmt auch finden lassen.
Gruß SeBa
Hallo SeBa,
deine Idee mit LV ein Diagramm zu erzeugen und davon ein Screencapture in Word einzufügen habe ich schon mit einem vi. die ich in NI Palette gefunden habe schon mal ausprobiert. Das Diagramm sieht nicht so gut aus wie die in Excel erstellt.
Momentan verfolge ich
zwei Lösungsansätze.
Die
erste ist wie in meinem Programm
"Signalerfassung1" (oben eingefügt) die Daten in Excel zu speichern und dort ein Diagramm zu bilden. Das alles kann das Programm. Ich muss es nur erweitern damit das Programm das Diagramm aus Excel in Word in eine bestimmte Stelle und Seite einfügt. Quasi das Word Part fehlt, das mit Hilfe AktivX/VBA programmiert werden müsste. Ich habe mir schon einige Bücher bezüglich VBA --> Excel und Word besorgt, so ganz steige ich da nicht durch.
Mein
zweiter Lösungsansatz ist, ich habe ein Excel Datei (oben eingefügt) mit gespeicherten Messdaten und ein Diagramm. Das Diagramm ist in meinem Word Bericht (oben eingefügt) an einem bestimmten Stelle und Seite eingefügt und gespeichert. Es besteht eine Verknüpfung zwischen Excel und Word. Sobald ich die Werte in Excel mit neuem überschreibe bzw. ändere, ändert sich das Diagramm in Excel und in Word. So stelle ich es mir vor.
Leider ist da ein kleiner Hacken. Die Automatische Aktualisierung des Diagramms in Word klappt nicht so ganz. Wenn ich Word zu mache und die Werte in Excel ändere und Word wieder neu öffne wird der Diagramm in Word nicht Automatisch Aktualisiert, ich muss mit der rechten Maustaste unter "Verknüpfungen Aktualisieren" selber Aktualisieren. Laut Wort und Google sollen sich die Diagramme automatisch aktualisieren sobald die Werte in Excel sich ändern. So richtig funktioniert es aber nicht. Habe viele Vorschläge durchgeführt klappt trotzdem nicht. Eventuell müsste man in Word ein Marko schreiben, dass bei neu öffnen des Word Berichts alle Diagramme Automatisch aktualisiert.
Ich komme nicht mehr weiter. Kann mir jemand Helfen
