Hallo,
ich muss einen Sensor auslesen der mir Werte als Impuls liefert und muss ein Proportionalventil (4-20mA) ansteuern. Dazu benötige ich ein kleines DAQ-System.
Es soll nur dazu dienen, dass ich im Büro die Programmierung und die Funktion überprüfen kann bevor ich alles an unseren großen Prüfstand baue.
Welchen DAQ könnt ihr dafür empfehlen?
Prinzipiell wäre es mir am liebsten über USB 2.0 bin aber auch für andere Vorschläge offen!
Hallo Marco,
Zitat:ich muss einen Sensor auslesen der mir Werte als Impuls liefert und muss ein Proportionalventil (4-20mA) ansteuern. Dazu benötige ich ein kleines DAQ-System.
Wenn man diese Angaben direkt verwendet, dann benötigst du
- ein DIO-Modul, mit dem du direkt Pulse/PWM/Frequenzen auswerten kannst
- ein AO-Modul, mit dem du Ströme ausgeben kannst
Insbesondere der Stromausgang ist üblicherweise nicht direkt auf (den üblichen) PCI-Steckkarten verfügbar, hier arbeitet man eher mit Spannungssignalen. Ich würde spontan zu einem cDAQ mit 4 Steckplätzen und zwei passenden Modulen greifen…
Wenn du jetzt aber für diese Signale jeweils einen Signalwandler (
wie diesen) benutzen würdest, wie es ihn von vielen Herstellern gibt, dann könnte dein DAQ-System mit zwei einfachen Spannungssignalen (sowohl AI als auch AO) auskommen - und du könntest eine simple USB-600x verwenden…
Zusammenfassung:
Du musst deutlich mehr Spezifikationen zusammentragen, bevor du dich für eine spezielle Lösung entscheidest…
(17.07.2019 10:40 )GerdW schrieb: [ -> ]Hallo Marco,
Zitat:ich muss einen Sensor auslesen der mir Werte als Impuls liefert und muss ein Proportionalventil (4-20mA) ansteuern. Dazu benötige ich ein kleines DAQ-System.
Wenn man diese Angaben direkt verwendet, dann benötigst du
- ein DIO-Modul, mit dem du direkt Pulse/PWM/Frequenzen auswerten kannst
- ein AO-Modul, mit dem du Ströme ausgeben kannst
Insbesondere der Stromausgang ist üblicherweise nicht direkt auf (den üblichen) PCI-Steckkarten verfügbar, hier arbeitet man eher mit Spannungssignalen. Ich würde spontan zu einem cDAQ mit 4 Steckplätzen und zwei passenden Modulen greifen…
Wenn du jetzt aber für diese Signale jeweils einen Signalwandler (wie diesen) benutzen würdest, wie es ihn von vielen Herstellern gibt, dann könnte dein DAQ-System mit zwei einfachen Spannungssignalen (sowohl AI als auch AO) auskommen - und du könntest eine simple USB-600x verwenden…
Zusammenfassung:
Du musst deutlich mehr Spezifikationen zusammentragen, bevor du dich für eine spezielle Lösung entscheidest…
Hallo Gerd,
oh, dieser Frequenz-Messumformer ist ja praktisch! Wusste gar nicht das es sowas kompaktes dafür gibt.
Also würde ich mir jetzt beispielsweise folgende Sachen besorgen:
1x NI USB 6001
1x Phoenix Contact Frequenzumformer
Müsste ich mir dann noch einen Umformer holen um mein Proportionalventil anzusteuern oder würde das direkt über den NI 6001 AO gehen?
Edit: Datenblatt für das Prop.ventil findest du hier:
https://www.buerkert.de/de/type/2875
Datenblatt für den Durchflussmesser findest du hier:
https://www.buerkert.de/de/type/8071
Hallo MArco,
für dein Ventil benötigst du dann noch einen weiteren Umformer, von Spannungs-Normsignal zu Strom-Normsignal.
Gibt es auch bei PhoenixContact, aber auch von diversen anderen Anbietern…
Hallo Gerd,
danke für die hilfreichen Antworten. Ich habe mir ein NI USB 6001 und die Umrichter bestellt und bin mal gespannt wie das Ganze funktioniert wenn die Sachen ankommen

Hallo,
ich habe soweit alles bekommen aber noch ein kleines Umformungsproblem bzw. einen Denkfehler auf den ich einfach nicht komme. Das Proportionalventil kann auch mit 0-10V DC angesteuert werden. Über den Dreisatz habe ich mir ausgerechnet wie viel Spannung ich ihm für xx-Liter/Minute geben muss. Das funktioniert soweit auch ganz gut.
Mein Problem ist eher der Durchflussmesser der über den Phönix Frequenzumwandler läuft. Aus diesem bekomme ich keine vernünftige Spannung raus bzw. keine Spannung die ich nachvollziehen kann. Ich denke, ich habe da aber ein Problem mit der Einstellung der Frequenz des Frequenzumwandlers.
Ich habe das Datenblatt vom Durchflusssensor in den Anhang gepackt. Welche Frequenz würdet ihr beim Umwandler einstellen?
Hallo Marco,
- Welchen Typ verwendest du da genau? Es werden zwei unterschiedliche Messbereiche im Datenblatt genannt…
- Welchen Messbereich willst du abdecken? Wenn nicht der volle Messbereich (nach oben) benutzt wird, könnte man die obere Frequenz am Wandler ebenfalls abdecken absenken…
Rechenbeispiel (bzw. simple Mathematik Klasse 5-7):
K-Faktor 1000 Pulse/l mit Messbereich bis 100l/h ergibt
- 100l/h = 1.667l/min = 27.78ml/s
- 27.78ml/s * 1000Pulse/l = 27.78 Pulse/s = 27.78Hz
-> dein Frequenz-zu-Spannungwandler sollte also 0-30Hz nach 0-10V umsetzen…
Beachte: dein Sensor bietet einen OpenCollector-Ausgang (oder einen potentialfreien Reedkontakt). Der Wandler erwartet aber Spannungspulse und eine entsprechende Beschaltung - steht aber alles im Manual des Wandlers…
Hallo Gerd,
tatsächlich hat mein Durchflusssensor richtig funktioniert..
Ich habe jetzt einen autarken Durchflussmesser angeschlossen und er hat mir die selben Werte wie mein VI geliefert. Also liegt das Problem daran, dass das Proportionalventil nicht linear zur Spannung gesteuert wird. Ich werde mir jetzt mal ein VI bauen das im Endeffekt ein Regelkreis sein soll. Ich gebe also meinen gewünschten Durchfluss an und das VI soll dann so lange die Spannung senken oder auch erhöhen bis der gewünschte Durchfluss reicht.
Bin davon ausgegangen das der Fehler er an meinem Durchflusssensor liegt aber vielleicht sollte man lieber erstmal testen bevor man spekuliert

Hallo Marco,
Zitat:Bin davon ausgegangen das der Fehler er an meinem Durchflusssensor liegt aber vielleicht sollte man lieber erstmal testen bevor man spekuliert
Ja.
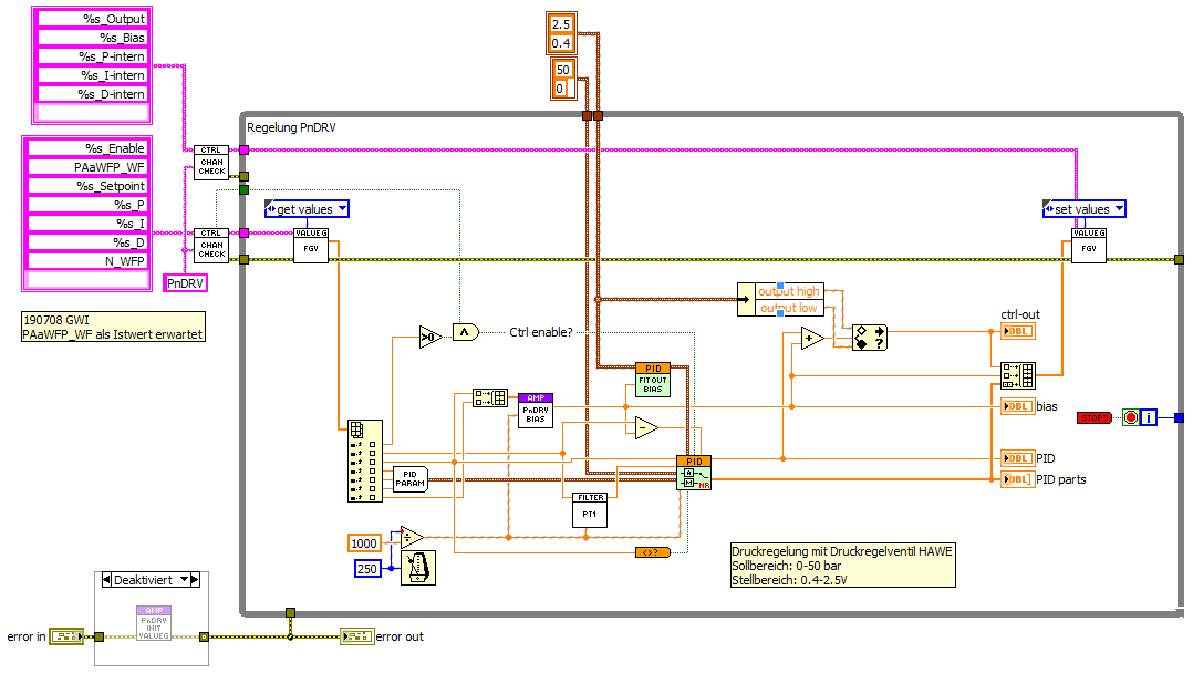
Zur Inspiration:
[
attachment=60259]
Ein Regelkreis für ein Druckregelventil: PID mit Vorsteuerung/Bias…
(Das Druckregelventil arbeitet an sich ganz nett, ist aber leider sensibel für Störgrößen wie Medium-Massenstrom. Deshalb reicht keine einfache Steuerung, sondern eben der PID mit Vorsteuerung.)
Hallo,
ich habe meinen Regelkreis relativ einfach aufgebaut.
Ich gebe meinen aktuellen Durchfluss und meine aktuelle Spannung an und sage das er die Spannung solange verringern soll bis der Durchfluss bei 0,3 Liter/Minute liegt. In der Theorie klappt das auch ganz gut.. Leider nur in der Theorie.
In der Praxis ist es so, dass mein Durchflussmesser in dem Bereich 0 - 1,6 l/min mit 1000 Pulsen misst und ab 1,7 l/min bis 8,3l/min mit 400 Pulsen misst (Daten aus dem Datenblatt). Jetzt habe ich das Problem das mein Regelkreis natürlich nicht funktioniert (Ich möchte auf 0,3lmin regeln), da mein VI durch die falsche Auflösung immer weiter runterregelt da er nie wirklich den richtigen Punkt trifft...
Edit: Frage vergessen
Jemand eine Idee wie ich das umgehen könnte? Ein Umstellen der Frequenz am Messumwandler ist leider keine Option