25.10.2024, 11:04
Hallo zusammen!
Ich bin neu hier im Forum, ein absoluter Laie in Labview und verzweifle leider oft an vermeintlich einfachen Problemen. Ich habe bereits viel im Forum nachgelesen aber finde selten Lösungen, die auf meine Probleme zutreffen oder ich bin einfach nur nicht in der Lage diese korrekt anzuwenden.. Würde mich auch nicht wundern wenn ein Teil meiner VI absoluter Käse ist.
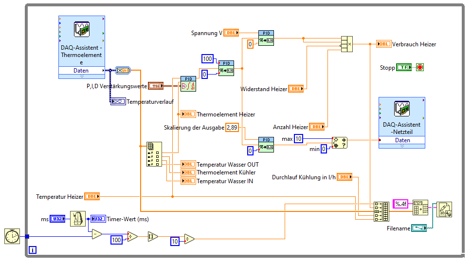
Folgendes benötige ich für meine Thesis: Ich möchte über Labview Temperaturen messen, sowie über einen PID-Regler ein Labornetzteil ansteuern, welches wiederum einen Heizer versorgt. Die Temperaturen und den Verbrauch der Heizer, sowie den Zeitpunkt der Erfassung als Zeitstempel von 00:00:00 aufsteigend usw. möchte ich in ein Excel-Dokument speichern.
Ich habe Folgende Fragen/Probleme:
1. Die Beschriftung und Daten der Temperaturmessung bekomme ich bereits in Excel übertragen. Bei den anderen Daten bekomme ich keine Überschrift in die erste Zeile. Wie kann ich hier eine Überschrift/Benennung einfügen?
2. Nach einer längeren Messung Fängt alles an sich zu verzögern was sich natürlich negativ auf die Regelung usw. auswirkt. Ich gehe stark davon aus, das dies mit dem Schreiben der Messwerte zusammenhängt und Falls sinnvoll und möglich würde ich gerne die kompletten Messdaten erst nach Ende der Messung oder nach X Messungen in Excel übertragen, um so ggf. Ressourcen zu sparen.
Ich arbeite derzeit mit Labview Version 18.0.1
Liebe Grüße
Bobble
Ich bin neu hier im Forum, ein absoluter Laie in Labview und verzweifle leider oft an vermeintlich einfachen Problemen. Ich habe bereits viel im Forum nachgelesen aber finde selten Lösungen, die auf meine Probleme zutreffen oder ich bin einfach nur nicht in der Lage diese korrekt anzuwenden.. Würde mich auch nicht wundern wenn ein Teil meiner VI absoluter Käse ist.

Folgendes benötige ich für meine Thesis: Ich möchte über Labview Temperaturen messen, sowie über einen PID-Regler ein Labornetzteil ansteuern, welches wiederum einen Heizer versorgt. Die Temperaturen und den Verbrauch der Heizer, sowie den Zeitpunkt der Erfassung als Zeitstempel von 00:00:00 aufsteigend usw. möchte ich in ein Excel-Dokument speichern.
Ich habe Folgende Fragen/Probleme:
1. Die Beschriftung und Daten der Temperaturmessung bekomme ich bereits in Excel übertragen. Bei den anderen Daten bekomme ich keine Überschrift in die erste Zeile. Wie kann ich hier eine Überschrift/Benennung einfügen?
2. Nach einer längeren Messung Fängt alles an sich zu verzögern was sich natürlich negativ auf die Regelung usw. auswirkt. Ich gehe stark davon aus, das dies mit dem Schreiben der Messwerte zusammenhängt und Falls sinnvoll und möglich würde ich gerne die kompletten Messdaten erst nach Ende der Messung oder nach X Messungen in Excel übertragen, um so ggf. Ressourcen zu sparen.
Ich arbeite derzeit mit Labview Version 18.0.1
Liebe Grüße
Bobble


