Hallo,
ich bin auf der Suche, nach einem Methoden oder Eigenschaftsknoten, mit welchem ich an den Inhalt einer Zelle eines Table Controls heran komme.
Die Zelle darf nicht editiert wrden, sondern muss selektiert werden.
Weiß das jemand? Danke für die Mühe
by tgr
Ich habe mal ein Einfaches VI angehängt, um mein Vorhaben zu verdeutlichen.
Ich möchte aus der Listbox z.b den Inhalt der Zelle in Spalte 2 und Zeile 2 in den String schreiben.
Dis soll geschehen, sobald ich die Zelle anklicke.
Bitte um Hilfe

Habe ausversehen in meinem vereinfachtem VI eine Listbox erwischt.
Ich möcht das selbe aber mit dem dogenanetn TableControl machen.
Bitte bitte helft mir ;-)
Ist in Version 8.0.1 geschrieben
tgr
Das ist ja einsame Spitze!
Vielen, vielen Dank
;-) tgr
[quote name='tgr' date='10.04.2008 , 13:22:55' post='48870']
Hallo, das auswählen des Inhaltes einer Zelle hat wunderbar funktionert.
Jetzt hätte ich gerne, dass die Zelle bei einem klick markeirt wird und erst durch dobbelklicken der String ausgelesen wird.
Meine Frage ist also , wie komme ich an die Information: "Diese Zelle wurde doppelgeklickt" ?
Gruß tgr
Guten Tag,
Weiß jemand, wie ich auf den Inhalt einer Zelle durch doppelklick zugreifen kann?
Durch eine anderen Beitrag wurde mir mitgeteilt, wie das durch einen einfachen klick geht.
http://www.LabVIEWforum.de/index.php?showt...art=#entry48905
Es soll jedoch bei einem Klick markiert werden und erst beim doppelklick der Zelleninhalt ausgelesen werden.
Hoffe auf Hilfe,
by tgr
:warnung1:Keine Doppelpostings!
---------
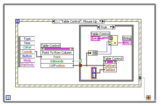
Schau dir mal in der Event-Struktur beim Event Mouse-Up die zusätzlichen Ausgänge des Events an. Einer heißt "Mods", das ist ein Cluster, der aus den Infos "Double Click" und "Menu Key" besteht.
[
attachment=11983]
Ausgang "Double Click" ist deine gesuchte Doppelklick-Anzeige.
MfG, Jens