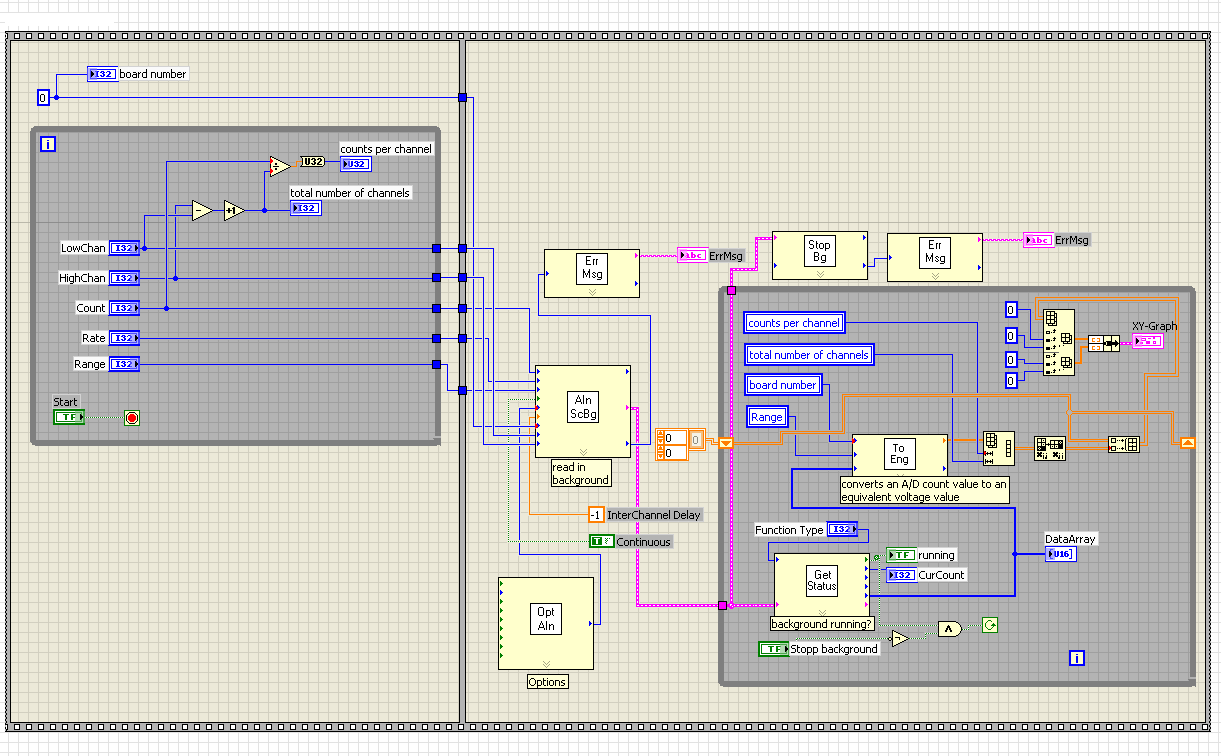
2 analoge Spannungen im XY-Graph |
Wenn dein Problem oder deine Frage geklärt worden ist, markiere den Beitrag als "Lösung",
indem du auf den "Lösung" Button rechts unter dem entsprechenden Beitrag klickst. Vielen Dank!
| 30
|
|
|
| Möglicherweise verwandte Themen... | |||||
| Themen | Verfasser | Antworten | Views | Letzter Beitrag | |
| 3 Spannungen im Graph anzeigen (Abtastrate 1ms) | Sebastian1980 | 2 | 6.565 |
29.07.2011 10:15 Letzter Beitrag: Sebastian1980 |
|
| 20 Spannungen darstellen | BRX | 5 | 6.803 |
20.02.2008 10:57 Letzter Beitrag: Achim |
|






