INFO: Dieses Forum nutzt Cookies...
Cookies sind für den Betrieb des Forums unverzichtbar. Mit der Nutzung des Forums erklärst Du dich damit einverstanden, dass wir Cookies verwenden.

Es wird in jedem Fall ein Cookie gesetzt um diesen Hinweis nicht mehr zu erhalten. Desweiteren setzen wir Google Adsense und Google Analytics ein.


Antwort schreiben 

AI beeinflussen sich gegenseitig



Wenn dein Problem oder deine Frage geklärt worden ist, markiere den Beitrag als "Lösung",
indem du auf den "Lösung" Button rechts unter dem entsprechenden Beitrag klickst. Vielen Dank!

11.09.2018, 15:30 (Dieser Beitrag wurde zuletzt bearbeitet: 11.09.2018 15:34 von Philipp841.)
Beitrag #1

Philipp841 Offline
LVF-Gelegenheitsschreiber
**


Beiträge: 74
Registriert seit: Mar 2018

LV 2015 SP1 32bit
2016
DE

28359
Deutschland
AI beeinflussen sich gegenseitig
Guten Tag,

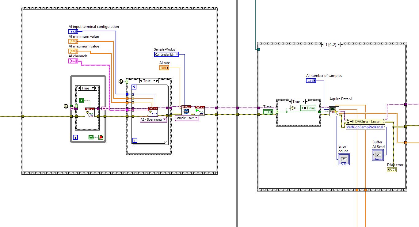
innerhalb einer AnwenDung lese ich nacheinander insgesamt fünf analoge Signale ein (DIFF, kontinuierlich, 10kHz, 200Samples, per NI-USB-6216, Blockschaltbild im Anhang). Genauer an
AI0/8
AI1/9
AI2/10
AI3/11
AI4/12

Bei genauem Anschauen der erfassten Signale im VI (!) habe ich festgestellt, dass das Signal an AI3/11 vom Signal an AI2/10 beeinflusst wird. (Genauer: Eine Spannungsänderung an AI2/10 von 3V bewirkt eine Spannungsänderung an AI3/11 um ca. 10mV.) Dies sagt mir zumindest die Sonde im VI.

Schließe ich physisch über AI3 und AI11 ein Multimeter an, steigt mit dem Anschließen des Multimeters die Spannung im VI um ca. 11mV an. Wird anschließend die Spannung an AI2/10 verändert so hat dies keine Auswirkungen auf AI2/10 mehr (weder im VI noch auf dem Multimeter)

Alle anderen AI scheinen sich nicht zu beeinflussen.

Nun zu meinen Fragen:
- Wieso geschieht so etwas?
- Was kann ich tun um diesen Effekt zu eliminieren?

(Mir ist klar, dass ich einfach einen anderen analogen Eingang nutzen könnte um das Problem zu umgehen, jedoch hadere ich noch mit weiteren Schwierigkeiten weshalb ich gerne verstehehn möchte was in der Karte abgeht.)

Vielen Dank!

Philipp

(Plus noch eine weitere Frage: Die einzulesenden Signale haben das gleich GND-Potenzial, daher habe ich GND durch entsprechende AI durchgeschliffen (z.B. AI10 & AI11). Wäre es sinnig, diese Eingänge mit dem GND-Potential der Karte, sprich AI GND zu verbinden ?)

Nochmal danke!


Angehängte Datei(en) Thumbnail(s)
   
Alle Beiträge dieses Benutzers finden
Diese Nachricht in einer Antwort zitieren to top
Anzeige
11.09.2018, 21:32
Beitrag #2

Lucki Offline
Tech.Exp.2.Klasse
LVF-Team

Beiträge: 7.699
Registriert seit: Mar 2006

LV 2016-18 prof.
1995
DE

01108
Deutschland
RE: AI beeinflussen sich gegenseitig
Was Du beobachtest, ist kapazitives Übersprechen, das Verdrahtung der GND-Leitungen durfte damit nichts zu tun haben
1. Der Innenwiderstand der Spannungsquellen (was Du messen willst) sollte idealerweise nicht mehr als einige hundert Ohm betragen.
2. Gegenseitige Abschirmung der Leitungen (Am besten mit einem Kabel von NI für 100 Euro)
3. Der Standard ist, daß die Mesunngen dicht hintereiender folgen (dT = Abtastzeit + 5 µs Beruhigungszeit). Besser ist es, den Abstand so groß wie möglich zubmachen, d.h bei 10 kHz Rate (dT = 100µs) und 5 kanälen alle 100µs/5 = 20 µs eine Messung. Ich weiß jetzt nicht, mit welchen Eigenschaftknoten man das einstellt, aber es geht.
Alle Beiträge dieses Benutzers finden
Diese Nachricht in einer Antwort zitieren to top
11.09.2018, 21:41
Beitrag #3

83Daniel Offline
LVF-Gelegenheitsschreiber
**


Beiträge: 54
Registriert seit: Oct 2017

2019
2010
DE_EN


Deutschland
RE: AI beeinflussen sich gegenseitig
Mir haben bei so einem Problem Impedanzwandler geholfen
Alle Beiträge dieses Benutzers finden
Diese Nachricht in einer Antwort zitieren to top
24.09.2018, 14:56
Beitrag #4

Philipp841 Offline
LVF-Gelegenheitsschreiber
**


Beiträge: 74
Registriert seit: Mar 2018

LV 2015 SP1 32bit
2016
DE

28359
Deutschland
RE: AI beeinflussen sich gegenseitig
Hy,
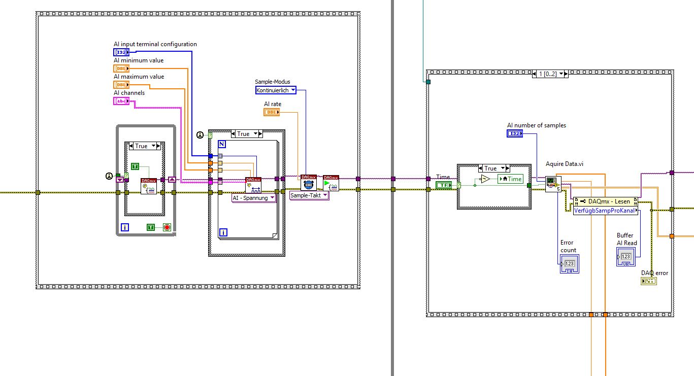
nochmal zu dieser gegenseitigen Beeinflussung: Erstmal danke für eure Antworten. Impedanzwandler sind an zwei von vier Sensoren bereits verbaut. An der Höhe dieser Wiederstände wird es demnach nicht liegen. Mittlerweile erfasse ich über alle acht analogen Eingänge Signale (10KHz, 200 Samples, kontinuierlich). Die Reihenfolge der zu erfassenden Signale habe ich bereits so ausgewählt, dass die zu messende Spannung sich möglichst nicht zu sehr von dem vorheigen Kanal unterscheidet bzw. stetig ansteigt.

Die Rechnung mit der Abtastzeit + Beruhigungszeit habe ich leider noch nicht so richtig verstanden. Dennoch habe ich nun eine Vorstellung wie dieses sog. kapazitive Übersprechen zustande kommt.

Welche Möglichkeiten gibt es diesen Effekt komplett oder zumindest weitestgehend zu eliminieren? Ist es möglich zwischen dem Abfragen von zwei Chanells ein Delay zu setzen (vermutlich wäre 1-2 msec völlig ausreichend?).

Danke für Eure Antworten.
Philipp


Angehängte Datei(en) Thumbnail(s)
   
Alle Beiträge dieses Benutzers finden
Diese Nachricht in einer Antwort zitieren to top
24.09.2018, 15:06
Beitrag #5

jg Offline
CLA & CLED
LVF-Team

Beiträge: 15.864
Registriert seit: Jun 2005

20xx / 8.x
1999
EN

Franken...
Deutschland
RE: AI beeinflussen sich gegenseitig
(24.09.2018 14:56 )Philipp841 schrieb:  ...
(10KHz, 200 Samples, kontinuierlich).

...
Welche Möglichkeiten gibt es diesen Effekt komplett oder zumindest weitestgehend zu eliminieren? Ist es möglich zwischen dem Abfragen von zwei Chanells ein Delay zu setzen (vermutlich wäre 1-2 msec völlig ausreichend?).

Hmm 10 kHz pro Channel bei 8 Channels (Aggreate also 80 kHz), aber 1 ms Wartezeit zwischen der Abfrage 2er Channels, das wird nicht funktionieren...

Gruß, Jens

Wer die erhabene Weisheit der Mathematik tadelt, nährt sich von Verwirrung. (Leonardo da Vinci)

!! BITTE !! stellt mir keine Fragen über PM, dafür ist das Forum da - andere haben vielleicht auch Interesse an der Antwort!

Einführende Links zu LabVIEW, s. GerdWs Signatur.
Alle Beiträge dieses Benutzers finden
Diese Nachricht in einer Antwort zitieren to top
24.09.2018, 15:26 (Dieser Beitrag wurde zuletzt bearbeitet: 24.09.2018 15:27 von Philipp841.)
Beitrag #6

Philipp841 Offline
LVF-Gelegenheitsschreiber
**


Beiträge: 74
Registriert seit: Mar 2018

LV 2015 SP1 32bit
2016
DE

28359
Deutschland
RE: AI beeinflussen sich gegenseitig
Hy Jens,

bisher bin ich davon ausgegangen, dass der A/D Wandler mit 10kHz arbeitet, und alle 200 Samples den Channel wechselt, sprich die Frequenz sich nicht mit der Anzahl der Channels multiplitziert. Ist dem nicht so?Blink

Die Idee ist, auf jedem Channel mit 10kHz 200 Werte abzufragen und daraus einen (sauberen) Mittelwert zu berechnen. Damit ein vorgelagerter Channel jedoch keine Auswirkungen hat, würde ich gern eine genügend lange Pause zwischen zwei Channels implementieren.

Wo liegt deiner Ansicht nach das Problem bzw. wie ließe sich dies umsetzen?

Danke,
Phil
Alle Beiträge dieses Benutzers finden
Diese Nachricht in einer Antwort zitieren to top
Anzeige
24.09.2018, 16:32
Beitrag #7

jg Offline
CLA & CLED
LVF-Team

Beiträge: 15.864
Registriert seit: Jun 2005

20xx / 8.x
1999
EN

Franken...
Deutschland
RE: AI beeinflussen sich gegenseitig
(24.09.2018 15:26 )Philipp841 schrieb:  bisher bin ich davon ausgegangen, dass der A/D Wandler mit 10kHz arbeitet, und alle 200 Samples den Channel wechselt, sprich die Frequenz sich nicht mit der Anzahl der Channels multiplitziert. Ist dem nicht so?Blink
Nein, dem ist nicht so.

Mit diesen Einstellungen arbeitet der A/D Wandler mit 80 kHz, schaltet auch mit 80 kHz zwischen deinen 8 Kanälen hin und her, und liefert dir ca. alle 20 ms jeweils 200 Messwerte von jedem deiner Kanäle.

Gruß, Jens

Wer die erhabene Weisheit der Mathematik tadelt, nährt sich von Verwirrung. (Leonardo da Vinci)

!! BITTE !! stellt mir keine Fragen über PM, dafür ist das Forum da - andere haben vielleicht auch Interesse an der Antwort!

Einführende Links zu LabVIEW, s. GerdWs Signatur.
Alle Beiträge dieses Benutzers finden
Diese Nachricht in einer Antwort zitieren to top
25.09.2018, 12:19
Beitrag #8

Philipp841 Offline
LVF-Gelegenheitsschreiber
**


Beiträge: 74
Registriert seit: Mar 2018

LV 2015 SP1 32bit
2016
DE

28359
Deutschland
RE: AI beeinflussen sich gegenseitig
Hy Jens,

danke!

Gibt es Richtwerte, mit welcher Frequenz ich den A/D Wandler maximal betreiben sollte um die Beschriebenen Effekte zu minimieren? Bzw. wie lange benötigt der A/D Wandler um einen Wert abzutasten? Und was wäre eine sinnvolle Zeitspanne für die Beruhigungszeit? Wovon hängt diese ab?

Könntest du einmal folgende Rechnung checken:

Abtastzeit von 2µs (Annahme / realistisch?)
Beruhigungszeit 8µs (genügt das, damit sich der AD Wandler sauber von z.B. 1,5V auf 9V einstellen kann?)

Ergibtalso 10µs pro Sample. > 100kHz für den A/D Wandler
Dividiert durch acht Kanäle > 12,5 kHz pro Kanal.

Demnach wäre ich mit 10KHz doch auf der sicheren Seite, oder habe ich einen Denkfehler?

Gruß,
Philipp
Alle Beiträge dieses Benutzers finden
Diese Nachricht in einer Antwort zitieren to top
25.09.2018, 15:44
Beitrag #9

Lucki Offline
Tech.Exp.2.Klasse
LVF-Team

Beiträge: 7.699
Registriert seit: Mar 2006

LV 2016-18 prof.
1995
DE

01108
Deutschland
RE: AI beeinflussen sich gegenseitig
Die Zeitdifferenz beim Abtasten der einzelnen Kanäle kann man übrigens leicht checken, ohne im Datenblatt nachschauen zu müssen: Beim Datenformat Waveform kann man im "t0" die Zeitunterschiede zwischen den Kanälen auf die µs genau sehen.
Wenn nur 2 Kanäle sich untereiander stören, dann kann man es doch einfach so machen, daß die nicht direkt hintereinander erfasst werden.( Also wenn 2 und 3 sich stören, dann nocht 12345, sondern 13245)
Falls es sich um einen sich wiederholenden Vorgang handelt, dann kann man, statt alle 20ms alle 5 Kanäle quasi-gleichzeitig zu messen, auch 5 mal hintereinder je 1 Kanal messen. (das sind dann 5 verschiedene Tasks, die hintereinander gestartet werden) Das ergibt dann immer noch eine Wiederholdauer von 100ms. Die Kurvendarstellung in den Graphen wird etwas komplzierter, man muss dann die 5 Kurven zwischenspeichern, und alle 20ms wird eine upgedatet.
Alle Beiträge dieses Benutzers finden
Diese Nachricht in einer Antwort zitieren to top
27.09.2018, 11:41
Beitrag #10

HVo Offline
Erbsenzähler
*


Beiträge: 42
Registriert seit: Oct 2008

>3.1 :)
1992
EN

38000
Deutschland
RE: AI beeinflussen sich gegenseitig
(25.09.2018 12:19 )Philipp841 schrieb:  Gibt es Richtwerte, mit welcher Frequenz ich den A/D Wandler maximal betreiben sollte um die Beschriebenen Effekte zu minimieren? Bzw. wie lange benötigt der A/D Wandler um einen Wert abzutasten? Und was wäre eine sinnvolle Zeitspanne für die Beruhigungszeit? Wovon hängt diese ab?

In der Spec der multiplex Karten ist eines der ersten Diagramme der 'Samplefehler' über die Abtastdauer (nicht Samplerate, da sind noch Zeiten für Umschalten und Setttletime zu berücksichtigen) mit Kurven für verschiedene Quellimpdanzen. Beide Achsen sind log-Skale!

Die eine Multiplexkarte, die wir haben, hat mich genug geärgert, wir nutzen nur noch Simultansamplingkarten, daher kann ich keinen Tip geben, wie man DAQmx am schlauesten konfiguriert um die von Dir (sinnvolle, wie ich meine) Abtastfolge zu realisieren. NI fragen?

Tschuess
Henrik

---
'The number you have dialed is imaginary, please turn your phone 90° and dial again....'
Alle Beiträge dieses Benutzers finden
Diese Nachricht in einer Antwort zitieren to top
30
Antwort schreiben 


Möglicherweise verwandte Themen...
Themen Verfasser Antworten Views Letzter Beitrag
  Können DOs AIs beeinflussen ? Philipp841 4 5.448 11.09.2018 15:05
Letzter Beitrag: Philipp841
  Analoge Signale beeinflussen sich Micha1895 6 7.575 10.04.2014 10:38
Letzter Beitrag: Micha1895

Gehe zu: