|
05.08.2009, 05:28
|
Erik
LVF-Grünschnabel

Beiträge: 14
Registriert seit: Jul 2009
8.6 Studentenversion
2008
de
13587
Deutschland
|
ActiveX - Daten für Excel aufbereiten
@ SeBa:
Hab mir grad Dein LV-File angeschaut, was Du mir geschickt hast. Sieht schon mal super aus. yourock.gif
Aber ein paar Fragen hätt ich da noch:
-> Hab grad mal die beiden Pfade in Deinem LV-Prog auf "para.asc" und "kurve.asc" angepasst, sprich auf meine Ordnerstruktur.
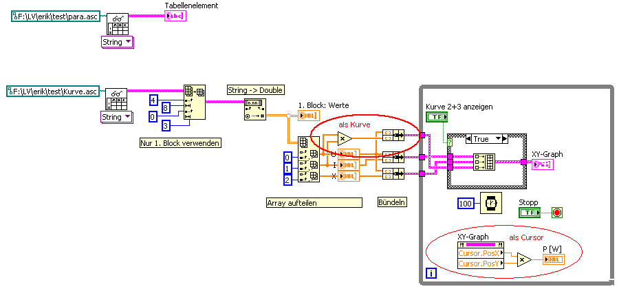
Mir ist aber aufgefallen,dass der Plot1 (rot gekennzeichnet) eine Gerade darstellt, was könnte hier falsch sein? Ich möchte gern einen Automatismus, der unabhängig davon wieviele Datenblöcke in "kurve.asc" enthalten sind,den ersten und den jeweils letzten Datenblock in dem speziellen File herauspickt und grafisch darstellt.
-> Die tabellarische Darstellung gefällt mir wirklich gut, so wollte ich diese haben. *spitze*
-> Wegen der graf.Auswertung hätte ich gern ein Diagramm, wo auf der X-Achse "V" in Volt dargestellt wird und auf der Y-Achse "I" in Ampere. Der Verlauf soll die Leistung "P" in Watt sein (P=U*I).
Über Deine Hilfestellung freu ich mich.
Viele Grüße - Erik
|
|
|
|
|
05.08.2009, 06:44
|
SeBa
LVF-Guru
    
Beiträge: 2.025
Registriert seit: Oct 2008
09SP1 & 10 FDS
2008
DE
65xxx
Deutschland
|
ActiveX - Daten für Excel aufbereiten
' schrieb:(...)
Mir ist aber aufgefallen,dass der Plot1 (rot gekennzeichnet) eine Gerade darstellt, was könnte hier falsch sein? -> Falsch ist das nicht. Hat einfach mit der Skalierung der X-Achse zu tun und den X_werten der roten Kurve (sind alle so um 0,55+/-0,05 wenn ihc mich richtig erinnere, X-Achse zeigt aber Werte von 0-5)
Ich möchte gern einen Automatismus, der unabhängig davon wieviele Datenblöcke in "kurve.asc" enthalten sind,den ersten und den jeweils letzten Datenblock in dem speziellen File herauspickt und grafisch darstellt. -> na den erste hast du jetzt ja, wie du an alle bzw. den letzten kommst hat ImExPorty ja in seinem Bsp. gezeigt.
-> Die tabellarische Darstellung gefällt mir wirklich gut, so wollte ich diese haben. *spitze* -> und dabei habe ich bloß das Kabel verbunden, sonst nix
-> Wegen der graf.Auswertung hätte ich gern ein Diagramm, wo auf der X-Achse "V" in Volt dargestellt wird und auf der Y-Achse "I" in Ampere. Der Verlauf soll die Leistung "P" in Watt sein (P=U*I). -> dann musst du die Kabel entsprechend vertauschen, so dass U = X-Achse und I = Y-Achse.
(...)
Gruß SeBa
Dieser Beitrag soll weder nützlich, informativ noch lesbar sein.
Er erhebt lediglich den Anspruch dort wo er ungenau ist, wenigstens eindeutig ungenau zu sein.
In Fällen größerer Abweichungen ist es immer der Leser, der sich geirrt hat.
Rette einen Baum!
Diesen Beitrag nur ausdrucken, wenn unbedingt nötig!
|
|
|
|
|
05.08.2009, 09:19
|
Erik
LVF-Grünschnabel

Beiträge: 14
Registriert seit: Jul 2009
8.6 Studentenversion
2008
de
13587
Deutschland
|
ActiveX - Daten für Excel aufbereiten
@ SeBa:
An welcher Stelle würdest Du das denn tauschen?
Viele Grüße - Eric
|
|
|
|
|
05.08.2009, 10:25
|
SeBa
LVF-Guru
    
Beiträge: 2.025
Registriert seit: Oct 2008
09SP1 & 10 FDS
2008
DE
65xxx
Deutschland
|
ActiveX - Daten für Excel aufbereiten
Wie hängen denn eigentlich die Werte in der Kurve.asc zusammen? Du sagst ja P = U * I...
In deiner Datei steht dann in der ersten Wertezeile:
U= 0,577 I= 0,523 P=476,165
aber 0,577 * 0,523 = 0,301771
Dieser Beitrag soll weder nützlich, informativ noch lesbar sein.
Er erhebt lediglich den Anspruch dort wo er ungenau ist, wenigstens eindeutig ungenau zu sein.
In Fällen größerer Abweichungen ist es immer der Leser, der sich geirrt hat.
Rette einen Baum!
Diesen Beitrag nur ausdrucken, wenn unbedingt nötig!
|
|
|
|
|
05.08.2009, 10:32
|
Erik
LVF-Grünschnabel

Beiträge: 14
Registriert seit: Jul 2009
8.6 Studentenversion
2008
de
13587
Deutschland
|
ActiveX - Daten für Excel aufbereiten
@Seba:
Danke, ich werd es mal testen.
hast Du noch eine Idee bzgl. der darstellung von P (P=U*I) im Diagramm, also dass I auf der Y-Achse und U auf der x-Achse ist?
Viele Grüße - Erik
|
|
|
|
|
05.08.2009, 10:43
|
Erik
LVF-Grünschnabel

Beiträge: 14
Registriert seit: Jul 2009
8.6 Studentenversion
2008
de
13587
Deutschland
|
ActiveX - Daten für Excel aufbereiten
@ SeBa:
Die "Kurve.asc" soll wie folgt dargestellt werden (PS.: das war nur ein Bsp., was ich erst geschickt hatte):
Kurve.asc setz sich eigentlich so zusammen:
01.01.2005 12:30:00
V I X
[V] [A] [W/m²]
0,115 0,133 22,172
0,308 0,133 22,460
0,616 0,134 22,460
0,385 0,133 22,172
0,808 0,133 22,172
0,770 0,133 22,172
0,808 0,134 22,172
-> X-Achse: hier soll die Spannung abgetragen sein
-> Y-Achse(links): hier soll die Strom abgetragen sein
-> Y-Achse(rechts): hier soll X abgetragen sein
im Diagramm soll nun der Verlauf von P = U*I dargestellt werden.
Kannst Du weiterhelfen
|
|
|
|
|
05.08.2009, 12:24
|
Erik
LVF-Grünschnabel

Beiträge: 14
Registriert seit: Jul 2009
8.6 Studentenversion
2008
de
13587
Deutschland
|
ActiveX - Daten für Excel aufbereiten
@ SeBa:
Danke Dir, das werd ich mir heut abend gleich mal anschauen!
Ich bin noch am Grübeln, wie ich die von "ExImPorty" dargestellte Implementierung der Blockauswahl machen soll (siehe sein Beitrag von gestern 22:14 Uhr)?
Weißt Du, ich möchte ja im Frontpanel meine Blöcke auswählen können (egal, wieviele dort enthalten sind),also z.B. den 1. oder den 34. oder wie auch immer..
01.06.2008 12:31:00
V I X
[V] [A] [W/m²]
0,577 0,523 476,165
1,540 0,524 476,740
1,847 0,523 476,452
2,463 0,523 476,740
2,733 0,522 476,165
3,579 0,523 476,452
4,080 0,522 475,877
4,657 0,522 476,165
01.06.2008 12:31:10
V I X
[V] [A] [W/m²]
0,187 0,523 426,165
1,290 0,524 436,740
1,367 0,523 466,452
2,463 0,523 496,740
2,533 0,522 486,165
3,679 0,523 416,452
4,780 0,522 445,877
4,857 0,522 466,165
Hast Du hier ne Idee??
Viele Grüße - Erik
|
|
|
|
| |