INFO: Dieses Forum nutzt Cookies...
Cookies sind für den Betrieb des Forums unverzichtbar. Mit der Nutzung des Forums erklärst Du dich damit einverstanden, dass wir Cookies verwenden.

Es wird in jedem Fall ein Cookie gesetzt um diesen Hinweis nicht mehr zu erhalten. Desweiteren setzen wir Google Adsense und Google Analytics ein.


Thema geschlossen 

Analog/Digital-Signale über NI USB-6259 in SignalExpress 3.0 erfassen



Wenn dein Problem oder deine Frage geklärt worden ist, markiere den Beitrag als "Lösung",
indem du auf den "Lösung" Button rechts unter dem entsprechenden Beitrag klickst. Vielen Dank!

14.10.2010, 15:26
Beitrag #1

blablubb1234 Offline
LVF-Grünschnabel
*


Beiträge: 19
Registriert seit: Oct 2010

2009
2010
de

12345
Deutschland
Analog/Digital-Signale über NI USB-6259 in SignalExpress 3.0 erfassen
Hallo allerseits,

ich bin rel. unerfahren im Umgang mit LABView (8.5). Ich muss in meinem HIWI-Job einen Multiplexer realisieren und benötige zum Ansprechen des Gleichen o.g. DAQ-Karte.
Ich bin jetzt schon ein paar Stunden am rumprobieren, wie ich ein Signal (es ist mir erstmal egal, welcher Art) mit SignalExpress auf einen Ausgang der DAQ-Karte geben kann.

Ich habe dazu erst ein Signal (digital) erstellt und dann über DAQmx erzeugt. Als Ausgangsleitung habe ich port0_line0 gewählt. Wenn ich das Signal jetzt versuche digital einzulesen, bekomme ich einen Fehler, dass eine externe Clock fehlen würde. Daher meinte mein Betreuer ich solle es erstmal analog einlesen. Das habe ich dann versucht und als Eingang ai0 gewählt.

So erhalte ich aber am Eingang leider nichts als Rauschen.

Jetzt habe ich einfach mal testweise ein analoges Signal erzeugt (Sinusschwingung) und versuche diese über einen analogen Eingang direkt wieder einzulesen. Aber auch hier ist das Ergebnis das gleiche:

Nichts als Rauschen.

Ich wäre Euch sehr dankbar, wenn Ihr mir einen Tipp geben könntet, was ich grundlegend falsch mache. Ich würde einfach gerne erstmal irgend ein Signal auf einen Ausgang geben (am besten wäre digital) und dieses dann direkt wieder einlesen. Das klappt leider momentan nicht. Sampelrate etc. sind mir erstmal egal.

Sollte irgendwas unklar sein, sagt bitte Bescheid, dann versuche ich, es klarer auszurdrücken. Ich habe wie gesagt leider noch nicht wirklich Ahnung von dem Programm und in der Tutorial-Sektion ist leider IMHO nichts zu dem Thema zu finden (wahrscheinlich zu trivial....).

Grüße
Alle Beiträge dieses Benutzers finden
to top
Anzeige
14.10.2010, 19:09
Beitrag #2

Y-P Offline
☻ᴥᴥᴥ☻ᴥᴥᴥ☻
LVF-Team

Beiträge: 12.612
Registriert seit: Feb 2006

Developer Suite Core -> LabVIEW 2015 Prof.
2006
EN

71083
Deutschland
Analog/Digital-Signale über NI USB-6259 in SignalExpress 3.0 erfassen
Mit Signal-Express kenne ich mich nicht aus. Ich verwende immer die DAQmx-Funktionen. Dazu gibt es auch zig Beispiele im Example-Finder. Hast Du das mit diesen Funktionen auch schon mal probiert? Oder hast Du mal probiert, direkt im MAX (Measurement & Automation Explorer) etwas an die Karte zu schicken? Vielleicht hast Du ja auch die Hardware nicht richtig aufgebaut? Unsure

Gruß Markus

--------------------------------------------------------------------------
Bitte stellt mir keine Fragen über PM, dafür ist das Forum da - andere haben vielleicht auch Interesse an der Antwort !!
--------------------------------------------------------------------------
Alle Beiträge dieses Benutzers finden
to top
14.10.2010, 19:51 (Dieser Beitrag wurde zuletzt bearbeitet: 14.10.2010 19:51 von jg.)
Beitrag #3

jg Offline
CLA & CLED
LVF-Team

Beiträge: 15.864
Registriert seit: Jun 2005

20xx / 8.x
1999
EN

Franken...
Deutschland
Analog/Digital-Signale über NI USB-6259 in SignalExpress 3.0 erfassen
' schrieb:Ich habe dazu erst ein Signal (digital) erstellt und dann über DAQmx erzeugt. Als Ausgangsleitung habe ich port0_line0 gewählt. Wenn ich das Signal jetzt versuche digital einzulesen, bekomme ich einen Fehler, dass eine externe Clock fehlen würde.
Jau, gut möglich. Ich meine, bei einer 6259 muss man den Basis-Takt für DIO selber erzeugen.
' schrieb:Daher meinte mein Betreuer ich solle es erstmal analog einlesen. Das habe ich dann versucht und als Eingang ai0 gewählt.

So erhalte ich aber am Eingang leider nichts als Rauschen.
Hast du da was anschlossen? Und wenn ja, an welchen Pins? Und wie hast du AI konfiguriert? Differentiell? Single Ended? Fragen über Fragen...
' schrieb:Jetzt habe ich einfach mal testweise ein analoges Signal erzeugt (Sinusschwingung) und versuche diese über einen analogen Eingang direkt wieder einzulesen. Aber auch hier ist das Ergebnis das gleiche:

Nichts als Rauschen.
Auch hier die Frage, was hast du physikalisch (als per Kabel, Draht, auf jeden Fall elektrisch leitend) miteinander verbunden?
' schrieb:Ich wäre Euch sehr dankbar, wenn Ihr mir einen Tipp geben könntet, was ich grundlegend falsch mache. Ich würde einfach gerne erstmal irgend ein Signal auf einen Ausgang geben (am besten wäre digital) und dieses dann direkt wieder einlesen. Das klappt leider momentan nicht. Sampelrate etc. sind mir erstmal egal.
Gruß, Jens

Wer die erhabene Weisheit der Mathematik tadelt, nährt sich von Verwirrung. (Leonardo da Vinci)

!! BITTE !! stellt mir keine Fragen über PM, dafür ist das Forum da - andere haben vielleicht auch Interesse an der Antwort!

Einführende Links zu LabVIEW, s. GerdWs Signatur.
Alle Beiträge dieses Benutzers finden
to top
15.10.2010, 15:05
Beitrag #4

blablubb1234 Offline
LVF-Grünschnabel
*


Beiträge: 19
Registriert seit: Oct 2010

2009
2010
de

12345
Deutschland
Analog/Digital-Signale über NI USB-6259 in SignalExpress 3.0 erfassen
Zitat:Hast du da was anschlossen? Und wenn ja, an welchen Pins? Und wie hast du AI konfiguriert? Differentiell? Single Ended? Fragen über Fragen...

Ich habe jetzt nochmal alles neu aufgebaut: Ich habe eine analoge Sinusschwingung mit 1V Amplitude und einer Frequenz von 1kHz erstellt. Die Sample-Rate beträgt 100kS/s und die Blockgröße (Samples) ist 1000. Phase und Offset sind jeweils 0. "Wiederholtes Signal" und "n Perioden" sind nicht ausgewählt.

Als nächstes habe ich mit DAQmx eine analoge Spannung erzeugt und den physikalischen Kanal ao0 am Ende des Scans hinzugefügt. An diesem Kanal ist das eine Ende meines BNC-Kabels angeschlossen. Im Reiter Konfiguration erscheint der Kanal auch mit folgenden Eigenschaften: [list]Signalerzeugungsmodus: N Samples; Checkbox daneben ist ausgewählt.
Signalausgangsbereich: -10V bis +10V
Schaltungsart: RSE
Eigene Skalierung: keine Skalierung<>
[st]Im Reiter Triggerung ist kein Trigger-Typ angegeben.

Im Reiger Erweitertes Timing sind die ersten Elemente ausgegraut und sonst findet sich folgendes: [list]Timeout (s): 10
Aktualisierungsmodus: Aktualisierung zulassen.<>
[st]Im Reiter Ausführungssteuerung ist die Checkbox Diesen Schritt starten nach abgewählt und auch die Pausen vor/nach Ausführung sind auf 0 gesetzt.

Jetzt habe ich über DAQmx die analoge Erfassung einer Spannung ausgewählt und den Kanal ai0 am Ende des Scans hinzugefügt. An diesem Kanal ist das andere Ende des BNC-Kabels angeschlossen. Der Kanal hat folgende Eigenschaften:

Im Reiter Konfiguration steht dies: [list]Erfassungsmodus: kontinuierlich
Zu lesende Samples: 100
Rate (Hz): 1k
Signalausgangsbereich: -10V bis +10V
Schaltungsart: differentiell
Eigene Skalierung: keine Skalierung<>
[st]Im Reiter Triggerung ist kein Trigger-Typ angegeben.

Im Reiger Erweitertes Timing findet sich folgendes: [list]Typ des Sample-Takts: Intern
Timeout (s): 10
Checkbox Relatives Timing verwenden nicht ausgewählt<>
[st]Im Reiter Ausführungssteuerung ist die Checkbox Diesen Schritt starten nach angewählt und auf Voriger Erzeugungsschritt gesetzt. Auch die Pausen vor/nach Ausführung sind wieder auf 0 gesetzt.

Wenn ich das Ganze jetzt ausführe sehe ich entweder nur Rauschen oder eine Art rect-Funktion. Ich habe das mal als Bild angehängt.

Was mache ich falsch? Ich nehme stark an, dass es an den Einstellungen wie Sample-Rate etc. liegt, aber ich kenne mich damit eben nicht wirklich aus und muss mich da etwas "rantasten".


Angehängte Datei(en) Thumbnail(s)
   
Alle Beiträge dieses Benutzers finden
to top
19.10.2010, 21:14
Beitrag #5

jg Offline
CLA & CLED
LVF-Team

Beiträge: 15.864
Registriert seit: Jun 2005

20xx / 8.x
1999
EN

Franken...
Deutschland
Analog/Digital-Signale über NI USB-6259 in SignalExpress 3.0 erfassen
So auf den ersten Blick sieht es so aus, als ob dein AO-Task und dein AI-Task nacheinander ablaufen. Soll heißen, erst wenn AO beendet ist, fängst du mit AI an, da ist dann nicht mehr viel zu messen.
Wie man das mit Signal-Express besser macht,KA. Wieso machst du überhaupt damit rum, wenn du eigentlich am Ende doch auf LabVIEW umschalten willst?

Zum Einstieg, ich habe mal 2 Beispiele aus dem NI-Examplefinder verheiratet:
Lv85_img
Sonstige .vi  TestAI_AO.vi (Größe: 68,6 KB / Downloads: 611)


Gruß, Jens

Wer die erhabene Weisheit der Mathematik tadelt, nährt sich von Verwirrung. (Leonardo da Vinci)

!! BITTE !! stellt mir keine Fragen über PM, dafür ist das Forum da - andere haben vielleicht auch Interesse an der Antwort!

Einführende Links zu LabVIEW, s. GerdWs Signatur.
Alle Beiträge dieses Benutzers finden
to top
20.10.2010, 15:09
Beitrag #6

blablubb1234 Offline
LVF-Grünschnabel
*


Beiträge: 19
Registriert seit: Oct 2010

2009
2010
de

12345
Deutschland
Analog/Digital-Signale über NI USB-6259 in SignalExpress 3.0 erfassen
' schrieb:So auf den ersten Blick sieht es so aus, als ob dein AO-Task und dein AI-Task nacheinander ablaufen. Soll heißen, erst wenn AO beendet ist, fängst du mit AI an, da ist dann nicht mehr viel zu messen.
Ich dachte, die würden parallel ablaufen, wenn man sie in die gleiche Schleife (also diese Art blauer "Rahmen") packt? Aber wenn Du sagst, dass die dann nacheinander ablaufen, glaube ich Dir das. Nur wie stelle ich das um? Ich kann ja nur Schritte nacheinander einfügen....

' schrieb:Wie man das mit Signal-Express besser macht,KA. Wieso machst du überhaupt damit rum, wenn du eigentlich am Ende doch auf LabVIEW umschalten willst?
Naja, ich wollte einfach mal kurz ein Signal messen und sehen, wie das so im Groben funktioniert, bevor ich mit einem "riesen" Programm anfange, das dann am Ende überhaupt nicht tut. Würdest Du mir denn eher raten, trotzdem direkt mit LabVIEW anzufangen, anstatt mit SignalExpress rumzueiern?

' schrieb:Zum Einstieg, ich habe mal 2 Beispiele aus dem NI-Examplefinder verheiratet:
Lv85_img[attachment=58997:TestAI_AO.vi]
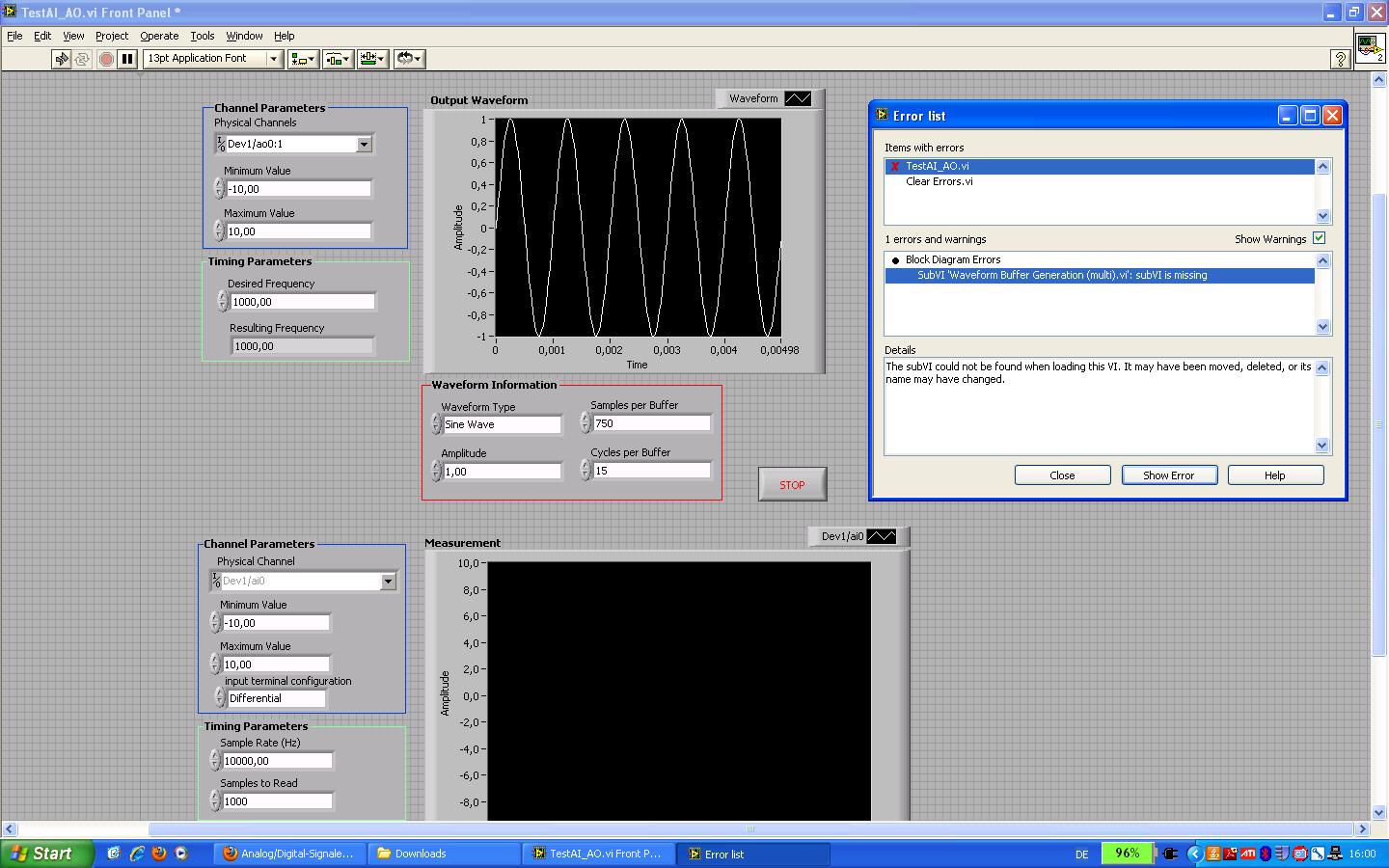
Ich habe versucht die Datei zu laden und es funktionierte auch am Anfang, allerdings wollte er dann eine SubVI namens 'Waveform Buffer Generation (multi).vi laden, die hier auf dem Rechner nicht zu existieren scheint. Beim Laden suchte er aber auch nach einem Verzeichnis von LV2010, kann es sein, dass Du die Datei damit erstellt hast und die Datei deswegen auf meinem LaVIEW 8.5 nicht zu finden ist? Ich habe die Fehlermeldung im Programm nochmal als Anhang mitgeschickt.

' schrieb:Gruß, Jens
Grüße und ein dickes Danke für Deine Mühe schonmal,

Moritz

   
   
Alle Beiträge dieses Benutzers finden
to top
Anzeige
20.10.2010, 16:22
Beitrag #7

blablubb1234 Offline
LVF-Grünschnabel
*


Beiträge: 19
Registriert seit: Oct 2010

2009
2010
de

12345
Deutschland
Analog/Digital-Signale über NI USB-6259 in SignalExpress 3.0 erfassen
Update:

Ich habe die Datei jetzt gefunden. Das Programm funktioniert jetzt soweit erstmal:)Ich sehe das Signal, das ich auf ao1 ausgebe am Eingang ai1. Vielen Dank schonmal!
Jetzt habe ich aber noch eine Frage. Meine Signale müssen im Endeffekt digital sein (das analoge war einfach erstmal ein Test). Sollte ich dafür von vorne anfangen oder kann ich teilweise auf diesem VI von Dir aufbauen?
Kannst Du ein Buch für LabVIEW empfehlen? Ich habe hier "Einführung in LabVIEW von Georgi und Metin rumfliegen, aber das ist eine ältere Auflage (ein hoch auf die Uni-Bibliotheken....) und beinhaltet wenig zum Thema DAQ-Karten. Ich leihe mir nachher noch eine neuere Auflage aus, aber wäre Dir trotzdem für jeden Buchtipp dankbar. Wichtig wäre eine ausführlicher Teil zum Thema Signal-Ein/Ausgabe und DAQ-Karten.

Grüße,

Moritz
Alle Beiträge dieses Benutzers finden
to top
20.10.2010, 16:58
Beitrag #8

blablubb1234 Offline
LVF-Grünschnabel
*


Beiträge: 19
Registriert seit: Oct 2010

2009
2010
de

12345
Deutschland
Analog/Digital-Signale über NI USB-6259 in SignalExpress 3.0 erfassen
' schrieb:Zum Einstieg, ich habe mal 2 Beispiele aus dem NI-Examplefinder verheiratet:
Noch eins: Könntest Du mir sagen, welche beiden Beispiele Du verwendet hast? Das wäre super. Danke nochmals.

Grüße
Alle Beiträge dieses Benutzers finden
to top
20.10.2010, 20:27
Beitrag #9

jg Offline
CLA & CLED
LVF-Team

Beiträge: 15.864
Registriert seit: Jun 2005

20xx / 8.x
1999
EN

Franken...
Deutschland
Analog/Digital-Signale über NI USB-6259 in SignalExpress 3.0 erfassen
Verwendete Bsps aus dem NI-Examplefinder:
Cont Gen Voltage Wfm-Int Clk.vi
und
Cont Acq&Graph Voltage-Int Clk.vi

Weitere Antworten: Ja, Bsp war mitlv10erstellt und fürlv85gespeichert.

Einstieg in DAQmx:
http://www.labviewforum.de/Getting-Started...Qmx-t12509.html

Gruß, Jens

Wer die erhabene Weisheit der Mathematik tadelt, nährt sich von Verwirrung. (Leonardo da Vinci)

!! BITTE !! stellt mir keine Fragen über PM, dafür ist das Forum da - andere haben vielleicht auch Interesse an der Antwort!

Einführende Links zu LabVIEW, s. GerdWs Signatur.
Alle Beiträge dieses Benutzers finden
to top
30
Thema geschlossen 


Möglicherweise verwandte Themen...
Themen Verfasser Antworten Views Letzter Beitrag
  Datendarstellung SignalExpress 2010 LSdismine 1 6.592 07.07.2012 06:43
Letzter Beitrag: Y-P
Question Skalierung im SignalExpress sebke 1 6.499 24.05.2012 10:17
Letzter Beitrag: sebke
  Mehrere Karten in SignalExpress loggen 777Stephan777 0 5.781 08.06.2011 16:55
Letzter Beitrag: 777Stephan777
  Sprachumstellung SignalExpress feini6 4 9.813 13.12.2010 13:52
Letzter Beitrag: GerdW
  Soundkarte im Signalexpress als Eingang Eisenhans 2 8.069 13.07.2010 22:46
Letzter Beitrag: Eisenhans
  Anleitung für SignalExpress zarlex 1 10.952 29.04.2010 10:49
Letzter Beitrag: RoLe

Gehe zu: