INFO: Dieses Forum nutzt Cookies...
Cookies sind für den Betrieb des Forums unverzichtbar. Mit der Nutzung des Forums erklärst Du dich damit einverstanden, dass wir Cookies verwenden.

Es wird in jedem Fall ein Cookie gesetzt um diesen Hinweis nicht mehr zu erhalten. Desweiteren setzen wir Google Adsense und Google Analytics ein.


Antwort schreiben 

Dieses Thema hat akzeptierte Lösungen:

BROOKS Instruments S Protokoll



Wenn dein Problem oder deine Frage geklärt worden ist, markiere den Beitrag als "Lösung",
indem du auf den "Lösung" Button rechts unter dem entsprechenden Beitrag klickst. Vielen Dank!

07.03.2019, 19:21 (Dieser Beitrag wurde zuletzt bearbeitet: 07.03.2019 19:38 von frehdie.)
Beitrag #1

frehdie Offline
LVF-Gelegenheitsschreiber
**


Beiträge: 59
Registriert seit: Jan 2007

12
1996
DE

12045
Deutschland
BROOKS Instruments S Protokoll
Hallo Leute,
im Institut wurden Massflowcontroler GF 40 der Firma BOOKS angeschafft mit der Zusicherung von BROOKS, dass man die passenden Treiber, um diese MFC's über LabVIEW anzusprechen, bei BROOKS Instruments herunter laden kann.Wurde gemacht. Leider gibt es keinerlei Anleitung, wie man diese "DLL" in einer LabVIEW Programmierumgebung einsetzten kann. Nur eine Auflistung von Beispiel VI's, die bestimmt Werte ansprechen. Es ist nur der Com-Port nachvollziehbar. Alles andere nicht. Ursprünglich wurden die VI's in LV6.1 programmiert und ich habe einige schon in LV 15.1 umgemünzt. Hat jemand schon mit dieseer DLL gearbeitet? Es wäre eine große Hilfe, wenn da schon jemand Erfahrung hat.
Ich danke Euch und kommt gut ins Wochenende.
Gruß, der frehdie


Angehängte Datei(en)
0.0 .dll  BrooksDLL.dll (Größe: 515 KB / Downloads: 476)

6.1 .vi  ReadFlow Example.vi (Größe: 71,29 KB / Downloads: 441)

6.1 .vi  WriteSetPoint Example.vi (Größe: 33,47 KB / Downloads: 456)

40.0 .doc  DLL 164J027 Instructions 2016-09-22.doc (Größe: 80 KB / Downloads: 669)
Alle Beiträge dieses Benutzers finden
Diese Nachricht in einer Antwort zitieren to top
Anzeige
08.03.2019, 10:37
Beitrag #2

MaxP Offline
LVF-Gelegenheitsschreiber
**


Beiträge: 88
Registriert seit: Oct 2016

LV Prof. SSP
-
DE_EN


Deutschland
RE: BROOKS Instruments S Protokoll
Hallo frehdie,

Ich habe leider keine Erfahrung mit dem Sensor.
Wen ich mir das so anschaue dann, würde ich selber einen Treiber für den Sensor schreiben.
Die Protokolle sind ja zum Glück offen zugänglich.

In der Zukunft einfach daraus lernen, das man sich den Treiber vor dem Kauf anschaut. Wenn man später die Arbeitszeit für einen Treiber dazu zählt, kann der teurere Sensor wieder günstiger sein.

Gruß Max
Alle Beiträge dieses Benutzers finden
Diese Nachricht in einer Antwort zitieren to top
09.03.2019, 12:38 (Dieser Beitrag wurde zuletzt bearbeitet: 09.03.2019 12:52 von frehdie.)
Beitrag #3

frehdie Offline
LVF-Gelegenheitsschreiber
**


Beiträge: 59
Registriert seit: Jan 2007

12
1996
DE

12045
Deutschland
RE: BROOKS Instruments S Protokoll
(07.03.2019 19:21 )frehdie schrieb:  Hallo Leute,
im Institut wurden Massflowcontroler GF 40 der Firma BOOKS angeschafft mit der Zusicherung von BROOKS, dass man die passenden Treiber, um diese MFC's über LabVIEW anzusprechen, bei BROOKS Instruments herunter laden kann.Wurde gemacht. Leider gibt es keinerlei Anleitung, wie man diese "DLL" in einer LabVIEW Programmierumgebung einsetzten kann. Nur eine Auflistung von Beispiel VI's, die bestimmt Werte ansprechen. Es ist nur der Com-Port nachvollziehbar. Alles andere nicht. Ursprünglich wurden die VI's in LV6.1 programmiert und ich habe einige schon in LV 15.1 umgemünzt. Hat jemand schon mit dieseer DLL gearbeitet? Es wäre eine große Hilfe, wenn da schon jemand Erfahrung hat.
Ich danke Euch und kommt gut ins Wochenende.
Gruß, der frehdie


(08.03.2019 10:37 )MaxP schrieb:  Hallo frehdie,

Ich habe leider keine Erfahrung mit dem Sensor.
Wen ich mir das so anschaue dann, würde ich selber einen Treiber für den Sensor schreiben.
Die Protokolle sind ja zum Glück offen zugänglich.

In der Zukunft einfach daraus lernen, das man sich den Treiber vor dem Kauf anschaut. Wenn man später die Arbeitszeit für einen Treiber dazu zählt, kann der teurere Sensor wieder günstiger sein.

Gruß Max

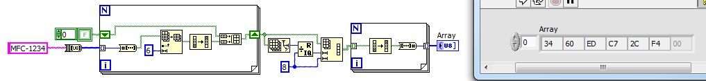
danke erst mal für die Reaktion, aber leider nicht wirklich hilfreich. Ich habe vor über 10 Jahren schon mal einen Treiber für eine Gerätegeneration von BROOKS geschrieben. Ledier ist er mit diesem Sensorentyp nicht kompartiebel. Der Programmieraufwand war langwierig und wirkich nicht spassig. Nun hat BROOKS das Kommunikationsprotokoll noch mehr kompliziert. Halt Staatenprodukt.
Kleines Beispiel: und das it nur ein 10-tel vom Befehlsstring

Representation
Tag Name MFC-1234
Characters M F C - 1 2 3 4
8- bit ASCII (hex) 4D 46 43 2D 31 32 33 34 (das ist schon nach vollziebar)
Bit 7 & 8 removed:
6 bit ASCII (hex) 0D 06 03 2D 31 32 33 34 (umständlicher gehts nicht)
6 bit ASCII (binary) 001101 000110 000011 101101 110001 110010 110011 110100
Packed (binary) 00110100 0110 0000 11101101 11000111 00101100 11110100
Packed (hex) 34 60 ED C7 2C F4
Figure 4-3 shows the request message for Command #11 sent by the
Master to the Brooks GF40/GF80 Series S-Protocol device whose Tag

Das ist schon in LabVIEW eine kleine Aufgabe. Daher würde ich schon gern jemanden kontaktieren, der schon mit der BROOKS DLL gearbeitet hat.
Danke und schönes Wochenende.
Der frehdie
Alle Beiträge dieses Benutzers finden
Diese Nachricht in einer Antwort zitieren to top
11.03.2019, 10:44 (Dieser Beitrag wurde zuletzt bearbeitet: 11.03.2019 10:47 von GerdW.)
Beitrag #4

GerdW Offline
______________
LVF-Team

Beiträge: 17.540
Registriert seit: May 2009

LV2019 (LV2021)
1995
DE_EN

10×××
Deutschland
RE: BROOKS Instruments S Protokoll
Hallo frehdie,

Zitat:Das ist schon in LabVIEW eine kleine Aufgabe.
Aber eben nur eine kleine:
   
Sowas macht man einmal und erstellt dann ein subVI daraus…

Alternativ:
   

Alle Beiträge dieses Benutzers finden
Diese Nachricht in einer Antwort zitieren to top
11.03.2019, 12:58
Beitrag #5

frehdie Offline
LVF-Gelegenheitsschreiber
**


Beiträge: 59
Registriert seit: Jan 2007

12
1996
DE

12045
Deutschland
RE: BROOKS Instruments S Protokoll
Danke für die schnelle Anleitung,
es ist jedoch in Richtung von dem String MFC-1234 zum Hex-string 34 60 ED C7 2C F4 zu kommen.
Somit müsste man den Vorgang umkehren. Wie auch immer. Danke.
Gruss, der frehdie
Alle Beiträge dieses Benutzers finden
Diese Nachricht in einer Antwort zitieren to top
11.03.2019, 14:15
Beitrag #6

GerdW Offline
______________
LVF-Team

Beiträge: 17.540
Registriert seit: May 2009

LV2019 (LV2021)
1995
DE_EN

10×××
Deutschland
RE: BROOKS Instruments S Protokoll

Akzeptierte Lösung

Hallo frehdie,

nach der Vorlage und deiner Beschreibung hättest du das jetzt aber auch allein hinkriegen können:
   

Alle Beiträge dieses Benutzers finden
Diese Nachricht in einer Antwort zitieren to top
Anzeige
12.03.2019, 14:40
Beitrag #7

frehdie Offline
LVF-Gelegenheitsschreiber
**


Beiträge: 59
Registriert seit: Jan 2007

12
1996
DE

12045
Deutschland
RE: BROOKS Instruments S Protokoll
Danke, Danke für die Hilfe, ich hatte es in der Zwischenzeit bereits gestemmt.
Meine Frage war ja eigentlich, ob jemand schon mit der BROOKS DLL gearbeitet hat.
Um mir das Schreiben eines neuen Treibers zu ersparen.
Leider hat sich dahingehend niemand gemeldet. Nichts desto konnte ich durch paarmaliges Probieren es selbst lösen, so dass ich die DLL nutzen kann.
Es sind 2 DLL. eine für analoge Geräte und eine für digitale via RS 485 Kommunikation.
Danke GerdW
Kommt gut durch die Woche.
Gruss, der frehdie
Alle Beiträge dieses Benutzers finden
Diese Nachricht in einer Antwort zitieren to top
30
Antwort schreiben 


Gehe zu: