INFO: Dieses Forum nutzt Cookies...
Cookies sind für den Betrieb des Forums unverzichtbar. Mit der Nutzung des Forums erklärst Du dich damit einverstanden, dass wir Cookies verwenden.

Es wird in jedem Fall ein Cookie gesetzt um diesen Hinweis nicht mehr zu erhalten. Desweiteren setzen wir Google Adsense und Google Analytics ein.


Antwort schreiben 

Berechnungsprobleme von LabVIEW



Wenn dein Problem oder deine Frage geklärt worden ist, markiere den Beitrag als "Lösung",
indem du auf den "Lösung" Button rechts unter dem entsprechenden Beitrag klickst. Vielen Dank!

15.03.2007, 07:53
Beitrag #1

Streifenkarl Offline
LVF-Neueinsteiger


Beiträge: 9
Registriert seit: Dec 2006

7.0 7.1 8.0 8.2 8.5
2006
kA

09126
Deutschland
Berechnungsprobleme von LabVIEW
Guten Morgen allerseits,

ich habe ein an sich simples Programm geschrieben ( BeinpresseExt. ) indem ich 7 Analoge und 1 Digitalen ( Flankenzählung ) Kanäle/Kanal Aufzeichne und Auswerte. Nur passt das File was entsteht nicht ganz zu dem Programm was ich geschrieben habe Dry.

Sorgen bereitet mir Hauptsächlich die Flankenmessung, da die Berechneten Werte Teilweise so gar nicht mit den Rohdaten und meinem Programm in Verbindung stehen, anscheinend kommt LabVIEW nicht mit dem Berechnen hinterher, was mir anhand der Einfachheit eben dieser ein absolutes Rätsel ist ...

Vieleicht könnt ihr euch das Programm im Zusammenhang mit dem File mal anschauen und mir hoffentlich weiterhelfen.

mfg

Marc


Angehängte Datei(en)
Sonstige .vi  BeinpresseExt.vi (Größe: 205,13 KB / Downloads: 301)

Sonstige .txt  Versuch.txt (Größe: 1,11 MB / Downloads: 312)
Alle Beiträge dieses Benutzers finden
Diese Nachricht in einer Antwort zitieren to top
Anzeige
15.03.2007, 12:58 (Dieser Beitrag wurde zuletzt bearbeitet: 15.03.2007 13:00 von Mr.T.)
Beitrag #2

Mr.T Offline
LVF-SeniorMod


Beiträge: 1.007
Registriert seit: Jun 2005

2009
2005
kA

88400
Deutschland
Berechnungsprobleme von LabVIEW
Also, bevor wir ein Phänomen weiterjagen:

Es dürfen nicht mehr als genau ein DAQ-Assistent je Applikation verwendet werden (man kann im Assi zusätzliche Kanäle einfügen - oben mitte).
Ändere das mal, dann sehen wir weiter.

   

Das kann große Probleme machen bezüglich der Zeitstempel etc., da DU ja auch den dyn. datentyp verwendest (leider)...
Gruß

Mit einem freundlichen Wort und etwas Gewalt erreicht man viel mehr als nur mit einem freundlichen Wort. [...Marcus zu Lennier, B5]
Alle Beiträge dieses Benutzers finden
Diese Nachricht in einer Antwort zitieren to top
15.03.2007, 15:55
Beitrag #3

Streifenkarl Offline
LVF-Neueinsteiger


Beiträge: 9
Registriert seit: Dec 2006

7.0 7.1 8.0 8.2 8.5
2006
kA

09126
Deutschland
Berechnungsprobleme von LabVIEW
Naja man kann in einem DAQ-Assi nich Analog und Digital aufnehmen deswegen braucht man schon mal 2 davon. Das Timing Problem zwischen den beiden löst man mit Hilfe der Error Verbindung und dem veränderten Timeout des Assi ( den heißen Tipp hab ich vom NI-Support )

Übrigens das du mir sagst wo ich Kanäle hinzufügen kann, beleidigt mich fast Wink

Wir benutzen Teilweise 3 DAQ-Assi´s in einem Programm ... es kommt lediglich darauf an wie man diese Einstellt und ins Programm einbindet, dann funktioniert alles einwandfrei.

Das Problem an dem Programm ist, das es Teilweise gut Funktioniert wenn der 3 GHz Rechner nich grad mal minus rechnen muss...


mfg
Alle Beiträge dieses Benutzers finden
Diese Nachricht in einer Antwort zitieren to top
15.03.2007, 17:57
Beitrag #4

IchSelbst Offline
LVF-Guru
*****


Beiträge: 3.708
Registriert seit: Feb 2005

11, 14, 15, 17, 18
-
DE

97437
Deutschland
Berechnungsprobleme von LabVIEW
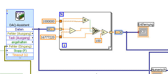
Kann es sein, dass du sowas - siehe Bild - machen willst?

Ich hab' dein Problem nicht nachvollzogen. Ich kann mir aber gar nicht vorstellen, dass das Element Auswählen am Selekt-Eingang ein boolsches Array akzepziert.

Überleg' dir folgendes: Ein Datensatz besteht zur Hälfte aus guten Werten, also solchen, von denen nichts abgezogen werden soll, und zur anderen Hälfte aus schlechten Werten, hiervon soll dann 16Mio abgezogen werden. Wenn das Element Auswählen nur einen Wert am Vergleichseingang haben kann, dann wird auch nur ein Eingang und der komplett durchgereicht. Es wird also der ohne 16Mio-Abzug durchgereicht oder der mit Abzug. Das hieße aber, vom halben Datensatz ist richtigerweise 16Mio abgezogen worden, vor Rest aber falscherweise - und so sieht deine Textdatei auch aus.


Angehängte Datei(en) Thumbnail(s)
   

Jeder, der zur wahren Erkenntnis hindurchdringen will, muss den Berg Schwierigkeit alleine erklimmen (Helen Keller).
Alle Beiträge dieses Benutzers finden
Diese Nachricht in einer Antwort zitieren to top
19.03.2007, 09:37
Beitrag #5

Streifenkarl Offline
LVF-Neueinsteiger


Beiträge: 9
Registriert seit: Dec 2006

7.0 7.1 8.0 8.2 8.5
2006
kA

09126
Deutschland
Berechnungsprobleme von LabVIEW
Danke dir, die Berechnung Funktioniert - hattest recht mit dem Booleschen Array. Nur meine Zeit-Achse ist dadurch etwas in Mitleidenschaft gezogen worden aber das soll erst mal meine Sorge sein

mfg
Alle Beiträge dieses Benutzers finden
Diese Nachricht in einer Antwort zitieren to top
19.03.2007, 11:43
Beitrag #6

Lucki Offline
Tech.Exp.2.Klasse
LVF-Team

Beiträge: 7.699
Registriert seit: Mar 2006

LV 2016-18 prof.
1995
DE

01108
Deutschland
Berechnungsprobleme von LabVIEW
Falsche Flankenzählung kann auch daran liegen, daß das ankommende Signal nicht sauber ist, d-h. die Flanken sind verrauscht, so daß manchmal mehrere Flanken pro Durchgang gezählt werden. Wenn die Flanken von einem Winkelencoder oder so etwas ähnlichem entstammen, würde ich dringend empfehlen, beide Kanäle zu verwenden und eine wasserdichte Vor-Rückwärtszählung zu machen, auch wenn immer nur in einer Richtung gezählt wird (Dabei könnte ich Dir evtl. helfen).
Ansonsten würde ich, um dem Problem beizukommen, ein spezielles Test-VI machen, welches nur die Flankenzählung enthält, und damit experimentieren. Wenn das postest, wäre es auch leichter Dir zu helfen, denn so ist das jetzt viel zu redundant.
Gruß Ludwig
Alle Beiträge dieses Benutzers finden
Diese Nachricht in einer Antwort zitieren to top
Anzeige
19.03.2007, 13:31
Beitrag #7

Streifenkarl Offline
LVF-Neueinsteiger


Beiträge: 9
Registriert seit: Dec 2006

7.0 7.1 8.0 8.2 8.5
2006
kA

09126
Deutschland
Berechnungsprobleme von LabVIEW
danke erst mal Ludwig

Die Flanken kommen wunderbar rein, hab ich schon im Oszi angeschaut. Die Flankenzählung an sich funktioniert ja auch wunderbar, nur mit dem Gleichzeitigen Aufnehmen und Auswerten der Daten hat sich LabVIEW ziemlich schwer, das ist mir schon ein paar mal untergekommen. Ich werd es jetzt so machen das Ich die Rohdaten mit eine VI aufnehme und ein anderes VI zum Auswerten benutze, nich grad meine Traumvortsellung aber es FuntioniertSmile

thx


mfg


Marc
Alle Beiträge dieses Benutzers finden
Diese Nachricht in einer Antwort zitieren to top
Antwort schreiben 


Gehe zu: