INFO: Dieses Forum nutzt Cookies...
Cookies sind für den Betrieb des Forums unverzichtbar. Mit der Nutzung des Forums erklärst Du dich damit einverstanden, dass wir Cookies verwenden.

Es wird in jedem Fall ein Cookie gesetzt um diesen Hinweis nicht mehr zu erhalten. Desweiteren setzen wir Google Adsense und Google Analytics ein.


Antwort schreiben 

Bitte um Optimierungen



Wenn dein Problem oder deine Frage geklärt worden ist, markiere den Beitrag als "Lösung",
indem du auf den "Lösung" Button rechts unter dem entsprechenden Beitrag klickst. Vielen Dank!

09.03.2009, 16:41 (Dieser Beitrag wurde zuletzt bearbeitet: 09.03.2009 17:40 von TSC.)
Beitrag #1

TSC Offline
LVF-Team
LVF-Team

Beiträge: 1.882
Registriert seit: Sep 2008

LV 2018 SP1
2008
EN

52379
Deutschland
Bitte um Optimierungen
Hallo zusammen,

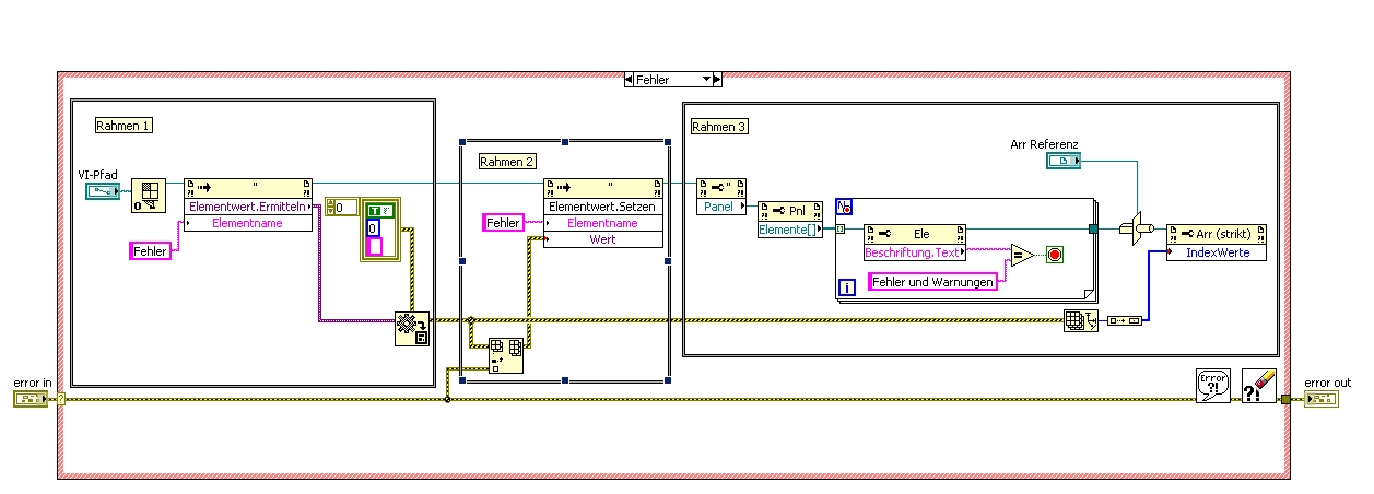
ich habe mal wieder was programmiert. Es geht um eine Fehlerbehandlung. Die eigentliche Fehlerbehandlung habe ich hier mal minimiert (Ausgabe des Fehlers durch einen einfachen ErrorHandler und Fehler löschen). Das ganze ist ein SubVI, welches in meiner Hauptapplikation mehrmals aufgerufen wird. In dem aufrufenden VI soll ein Array mit allen auftretenden Fehlern gefüttert werden. Der Fehler muss also vor dem Löschen in meinem SubVI noch in das Array des HauptVIs eingefügt werden. Die Arrayanzeige soll dabei immer den zuletzt aufgetretenen Fehler anzeigen (vgl. "Array-Anzeige soll letztes Element anzeigen").

Zum besseren Verständnis habe ich mein SubVI in drei Bereiche eingeteilt.

Rahmen 1 dient dazu, das FehlerArray aus dem HauptVI einzulesen.

In Rahmen 2 wird der neue Fehler diesem FehlerArray hinzugefügt.

Rahmen 3 setzt den Index des AnzeigeElementes vom FehlerArray auf den letzten Wert.

   
Lv86_img
Sonstige .vi  FehlerHandler.vi (Größe: 17,1 KB / Downloads: 273)


Das ganze Funktioniert bisher zuverlässig. Allerdings vermute ich noch optimierungspotential, besonders in Rahmen 3. Evtl gibt es eine geschicktere Möglcihkeit, das Array zu referenzieren?

Lieben Dank an alle die sich hiermit auseinander setzen.
Torsten

"Über Fragen, die ich nicht beantworten kann, zerbreche ich mir nicht den Kopf!" (Konrad Zuse)
Alle Beiträge dieses Benutzers finden
Diese Nachricht in einer Antwort zitieren to top
Anzeige
09.03.2009, 17:29
Beitrag #2

Y-P Offline
☻ᴥᴥᴥ☻ᴥᴥᴥ☻
LVF-Team

Beiträge: 12.612
Registriert seit: Feb 2006

Developer Suite Core -> LabVIEW 2015 Prof.
2006
EN

71083
Deutschland
Bitte um Optimierungen
:bahn:Hab' LabVIEW auf Englisch und kann das nicht mal nachbauen. Kannst Du mal das VI hochladen?
Bei mir gibt's überhaupt keine Methode oder Property "Element".... O

Gruß Markus

--------------------------------------------------------------------------
Bitte stellt mir keine Fragen über PM, dafür ist das Forum da - andere haben vielleicht auch Interesse an der Antwort !!
--------------------------------------------------------------------------
Alle Beiträge dieses Benutzers finden
Diese Nachricht in einer Antwort zitieren to top
09.03.2009, 17:42
Beitrag #3

TSC Offline
LVF-Team
LVF-Team

Beiträge: 1.882
Registriert seit: Sep 2008

LV 2018 SP1
2008
EN

52379
Deutschland
Bitte um Optimierungen
' schrieb::bahn:Hab' LabVIEW auf Englisch und kann das nicht mal nachbauen. Kannst Du mal das VI hochladen?
Bei mir gibt's überhaupt keine Methode oder Property "Element".... O

Gruß Markus

Habs oben im Beitrag #1 ergänzt. Dachte ein VI-Upload Bringt nichts, weil das Main-VI ja eh nicht dabei ist. Soll ich das auch noch zusammenbasteln? Oder geht es so?

"Über Fragen, die ich nicht beantworten kann, zerbreche ich mir nicht den Kopf!" (Konrad Zuse)
Alle Beiträge dieses Benutzers finden
Diese Nachricht in einer Antwort zitieren to top
09.03.2009, 17:46
Beitrag #4

Y-P Offline
☻ᴥᴥᴥ☻ᴥᴥᴥ☻
LVF-Team

Beiträge: 12.612
Registriert seit: Feb 2006

Developer Suite Core -> LabVIEW 2015 Prof.
2006
EN

71083
Deutschland
Bitte um Optimierungen
Ich blick' irgendwie nicht ganz, was Du da machst. Blush Kannst Du mal kurz erklären, was Du da in den einzelnen Rahmen so machst? Huh

Gruß Markus

--------------------------------------------------------------------------
Bitte stellt mir keine Fragen über PM, dafür ist das Forum da - andere haben vielleicht auch Interesse an der Antwort !!
--------------------------------------------------------------------------
Alle Beiträge dieses Benutzers finden
Diese Nachricht in einer Antwort zitieren to top
09.03.2009, 17:53 (Dieser Beitrag wurde zuletzt bearbeitet: 09.03.2009 17:54 von Y-P.)
Beitrag #5

Y-P Offline
☻ᴥᴥᴥ☻ᴥᴥᴥ☻
LVF-Team

Beiträge: 12.612
Registriert seit: Feb 2006

Developer Suite Core -> LabVIEW 2015 Prof.
2006
EN

71083
Deutschland
Bitte um Optimierungen
Wenn ich ein paar Elemente (Controls) einfüge und im Error-Control einen Fehler erzwinge, bekomme ich Fehler1.....
(vgl. Bsp.)

Sonstige .vi  FehlerHandler.vi (Größe: 27,84 KB / Downloads: 262)

Lv80_img

Gruß Markus

EDIT: Beim VI-Pfad nehme ich übrigens ein Current VI's path (hat's bei der Konvertierung nach 8.0 weggehauen...)

' schrieb:Ich blick' irgendwie nicht ganz, was Du da machst. Blush Kannst Du mal kurz erklären, was Du da in den einzelnen Rahmen so machst? Huh

Gruß Markus

--------------------------------------------------------------------------
Bitte stellt mir keine Fragen über PM, dafür ist das Forum da - andere haben vielleicht auch Interesse an der Antwort !!
--------------------------------------------------------------------------
Alle Beiträge dieses Benutzers finden
Diese Nachricht in einer Antwort zitieren to top
09.03.2009, 17:57
Beitrag #6

jg Offline
CLA & CLED
LVF-Team

Beiträge: 15.864
Registriert seit: Jun 2005

20xx / 8.x
1999
EN

Franken...
Deutschland
Bitte um Optimierungen
Mal zurück zum Hauptthema, ohne dass ich mir das jetzt im Detail angeschaut habe:

Wäre das nicht möglicherweise über Queues wesentlich einfacher und übersichtlicher zu lösen?

Gruß, Jens

Wer die erhabene Weisheit der Mathematik tadelt, nährt sich von Verwirrung. (Leonardo da Vinci)

!! BITTE !! stellt mir keine Fragen über PM, dafür ist das Forum da - andere haben vielleicht auch Interesse an der Antwort!

Einführende Links zu LabVIEW, s. GerdWs Signatur.
Alle Beiträge dieses Benutzers finden
Diese Nachricht in einer Antwort zitieren to top
Anzeige
09.03.2009, 18:01
Beitrag #7

TSC Offline
LVF-Team
LVF-Team

Beiträge: 1.882
Registriert seit: Sep 2008

LV 2018 SP1
2008
EN

52379
Deutschland
Bitte um Optimierungen
' schrieb:Ich blick' irgendwie nicht ganz, was Du da machst. Blush Kannst Du mal kurz erklären, was Du da in den einzelnen Rahmen so machst? Huh

Gruß Markus


Okay also im Ersten Rahmen erstelle ich zunächst eine Referenz auf das HauptVI (Der Pfad dazu ist gegeben). Im HauptVI gibt es ein Element mit dem Namen "Fehler" und vom Typ "Array von FehlerClustern". Der Eigenschaftsknoten Elementwert.Ermitteln liefert mir ein Variant mit den Daten die in diesem Array "Fehler" sind. Dieses Variant wandel ich in den richtigen Datentyp um.

Rahmen 2 fügt zu diesem Array von FehlerClustern noch ein weiteres Element hinzu (den aktuellen Fehler). Das erweiterte Array wird dann wieder mittels Eigenshcaftsknoten in das Element im HauptVI geschrieben. Diesesmal verwende ich den Knoten "Elementwert.Setzen". Der Name des Elementes ist nach wie vor "Fehler".

Im dritten Rahmen verscuhe ich zunächst, eine Referenz auf das Array "Fehler" zu bekommen. Dazu erstelle ich eine Referenz auf das Panel des MainVIs, daraus ermittel ich dann ein Array mit allen Anzeige und Bedienelementen. Dieses Array durchsuche ich in der Forschleife. Da ist dann ein kleiner Fehler in der Grafik. Ich verglecihe den Beschriftungstext jedes Elements mit dem String "Fehler" (nicht "Fehler und Warnungen"). Wenn ich das Element gefunden habe, beende ich die Forschleife und gebe die Referenz auf das Element raus. Diese Referenz wandel ich dann in eine ArrayReferenz um. Mit dieser Referenz auf das Array "Fehler" kann ich nun den angezeigten Index einstellen. Dazu verwende ich wiederum einen Eigenschaftsknoten.

"Über Fragen, die ich nicht beantworten kann, zerbreche ich mir nicht den Kopf!" (Konrad Zuse)
Alle Beiträge dieses Benutzers finden
Diese Nachricht in einer Antwort zitieren to top
09.03.2009, 18:04
Beitrag #8

TSC Offline
LVF-Team
LVF-Team

Beiträge: 1.882
Registriert seit: Sep 2008

LV 2018 SP1
2008
EN

52379
Deutschland
Bitte um Optimierungen
' schrieb:Mal zurück zum Hauptthema, ohne dass ich mir das jetzt im Detail angeschaut habe:

Wäre das nicht möglicherweise über Queues wesentlich einfacher und übersichtlicher zu lösen?

Gruß, Jens

Das wäre schon mal ein stichwort, was ich mir ansehen könnte. Da kenne ich mich noch nicht mit aus.

"Über Fragen, die ich nicht beantworten kann, zerbreche ich mir nicht den Kopf!" (Konrad Zuse)
Alle Beiträge dieses Benutzers finden
Diese Nachricht in einer Antwort zitieren to top
09.03.2009, 18:10
Beitrag #9

TSC Offline
LVF-Team
LVF-Team

Beiträge: 1.882
Registriert seit: Sep 2008

LV 2018 SP1
2008
EN

52379
Deutschland
Bitte um Optimierungen
ich hab mal Main und Sub zusammen gebastelt.

Lv86_img
Sonstige .vi  MainVI.vi (Größe: 9,63 KB / Downloads: 251)

Lv86_img
Sonstige .vi  FehlerHandler.vi (Größe: 16,24 KB / Downloads: 265)

"Über Fragen, die ich nicht beantworten kann, zerbreche ich mir nicht den Kopf!" (Konrad Zuse)
Alle Beiträge dieses Benutzers finden
Diese Nachricht in einer Antwort zitieren to top
09.03.2009, 18:18
Beitrag #10

Y-P Offline
☻ᴥᴥᴥ☻ᴥᴥᴥ☻
LVF-Team

Beiträge: 12.612
Registriert seit: Feb 2006

Developer Suite Core -> LabVIEW 2015 Prof.
2006
EN

71083
Deutschland
Bitte um Optimierungen
Ich steh' voll auf dem Schlauch.... Ich verstehe den Sinn immer noch nicht. Blush

Gruß Markus

--------------------------------------------------------------------------
Bitte stellt mir keine Fragen über PM, dafür ist das Forum da - andere haben vielleicht auch Interesse an der Antwort !!
--------------------------------------------------------------------------
Alle Beiträge dieses Benutzers finden
Diese Nachricht in einer Antwort zitieren to top
30
Antwort schreiben 


Möglicherweise verwandte Themen...
Themen Verfasser Antworten Views Letzter Beitrag
  Bitte um Konvertierung LV2011 auf 8.6 HH99 4 5.916 01.04.2014 12:11
Letzter Beitrag: HH99
  eine kleine Bitte Julia500 3 4.721 14.02.2013 17:52
Letzter Beitrag: jg
  Bitte um Hilfe Sami82 6 5.871 24.05.2011 04:41
Letzter Beitrag: Sami82
  was ist bitte ein Nullfenster gottfried 8 12.923 10.09.2010 06:40
Letzter Beitrag: robtech1978
  Bitte in LV 8.5 umwandeln abrissbirne 5 6.589 28.05.2009 09:30
Letzter Beitrag: jg
  Bitte auf 6.1 runterspeichern aRaven 2 4.360 28.04.2008 13:20
Letzter Beitrag: aRaven

Gehe zu: