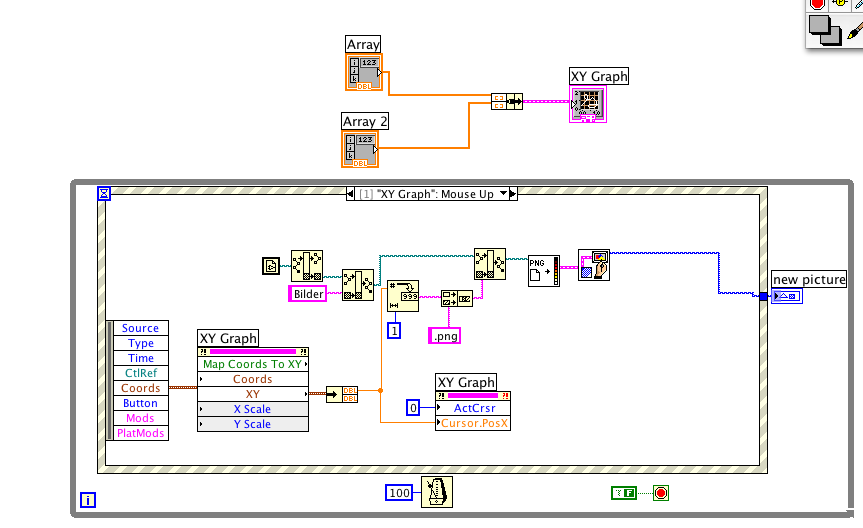
Cursor fängt bei 0 an/Cursorposition durch Mausklick verändern |
Wenn dein Problem oder deine Frage geklärt worden ist, markiere den Beitrag als "Lösung",
indem du auf den "Lösung" Button rechts unter dem entsprechenden Beitrag klickst. Vielen Dank!
|
|
|
| Möglicherweise verwandte Themen... | |||||
| Themen | Verfasser | Antworten | Views | Letzter Beitrag | |
| Mausklick im dreidimensionalen Raum | LabViewPete | 3 | 7.072 |
21.08.2015 08:50 Letzter Beitrag: LabViewPete |
|
| Aussehen von Labels verändern | LabFool | 3 | 6.615 |
23.07.2012 07:59 Letzter Beitrag: LabFool |
|
| (Vektor-)Grafik: Elemente bewegen/verändern | derflo | 2 | 6.475 |
12.07.2011 08:27 Letzter Beitrag: derflo |
|
| Baumstruktur, Mausklick, Elementname ermitteln | HaDa | 6 | 8.277 |
02.03.2011 16:04 Letzter Beitrag: HaDa |
|
| Lautstärke verändern | Kairos | 3 | 6.656 |
29.01.2011 12:09 Letzter Beitrag: Flobias |
|
| Zeile per Mausklick in der Tabelle positionieren | Diplomand | 2 | 5.238 |
16.09.2010 16:50 Letzter Beitrag: Diplomand |
|








. Aber mit dem Event Mouse Up funktioniert jetzt der Mausklick und das Ziehen des Cursors mit der Maus und loslassen an der gewünschten Stelle. 