INFO: Dieses Forum nutzt Cookies...
Cookies sind für den Betrieb des Forums unverzichtbar. Mit der Nutzung des Forums erklärst Du dich damit einverstanden, dass wir Cookies verwenden.

Es wird in jedem Fall ein Cookie gesetzt um diesen Hinweis nicht mehr zu erhalten. Desweiteren setzen wir Google Adsense und Google Analytics ein.


Antwort schreiben 

DAQ USB-6008:Fehlende Punkte in Kurve



Wenn dein Problem oder deine Frage geklärt worden ist, markiere den Beitrag als "Lösung",
indem du auf den "Lösung" Button rechts unter dem entsprechenden Beitrag klickst. Vielen Dank!

26.11.2013, 14:54
Beitrag #1

raeuberfisch Offline
LVF-Gelegenheitsschreiber
**


Beiträge: 74
Registriert seit: Mar 2009

2013
2009
DE

01099
Deutschland
DAQ USB-6008:Fehlende Punkte in Kurve
Hallo zusammen,

ich nehme Schraubkurven mit USB-6008 auf.
Dabei warte ich am Countereingang auf eine Änderung und nehme zu dem Counterwert(Angle) einen Analogwert(Torque) auf.
Und das so lange das RecordingBit gesetzt ist. Die Flanken am Countereingang haben etwa eine Frequenz von 60 Hz.
Siehe auch BD.png.

Manche Kurven sind aber nicht komplett aufgezeichnet. siehe FP.png
Für mich sieht es aus, als ob mein DAQ program einfach einige Counteränderungen nicht erkennt oder aber die Analogmessung zu lange dauert.
-> timeoutDAQ = 0,001.

Hat jemand eine Idee wie ich die Messung geschickter verwirkliche?

Danke und freundliche Grüße, Marco.


Angehängte Datei(en) Thumbnail(s)
       

MfG, Marco
Alle Beiträge dieses Benutzers finden
Diese Nachricht in einer Antwort zitieren to top
Anzeige
26.11.2013, 15:25 (Dieser Beitrag wurde zuletzt bearbeitet: 26.11.2013 15:26 von GerdW.)
Beitrag #2

GerdW Offline
______________
LVF-Team

Beiträge: 17.534
Registriert seit: May 2009

LV2019 (LV2021)
1995
DE_EN

10×××
Deutschland
RE: DAQ USB-6008:Fehlende Punkte in Kurve
Hallo Marco,

Zitat:Für mich sieht es aus, als ob mein DAQ program einfach einige Counteränderungen nicht erkennt oder aber die Analogmessung zu lange dauert. -> timeoutDAQ = 0,001.
Ein TimeOut von 1ms? Das ist bei der USB6008 aber ziemlich sportlich (eher "zu optimistisch") gedacht...

- Die USB6008 erlaubt einen digitalen Trigger. Diesen solltest du für solche Anwendungen auch nutzen...
- Du verwendest zu viele lokale Variablen: TimeOut könnte man überall durch einen Draht ersetzen...
- Du verwendest zu viele lokale Variablen: ErrorOut ist eine einzige Racecondition...
- Deine Schleife läuft "so schnell wie möglich" ohne weiteres (erkennbares) Timing. Drei DAQmx-Tasks auf der kleinen USB6008 über einen USB-Port mit Einzelwertabfrage ist einfach keine gute Architektur...
- Was ist ein "RecordingBit"?

Alle Beiträge dieses Benutzers finden
Diese Nachricht in einer Antwort zitieren to top
26.11.2013, 18:36
Beitrag #3

jg Offline
CLA & CLED
LVF-Team

Beiträge: 15.864
Registriert seit: Jun 2005

20xx / 8.x
1999
EN

Franken...
Deutschland
RE: DAQ USB-6008:Fehlende Punkte in Kurve
(26.11.2013 14:54 )raeuberfisch schrieb:  Hat jemand eine Idee wie ich die Messung geschickter verwirkliche?
Andere Messhardware verwenden. Wenn du eine DAQ-Karte nimmst, die eine "externe Clock" erlaubt, dann bist du mit einem einzigen getakteten DAQmx-Read fertig.

Gruß, Jens

Wer die erhabene Weisheit der Mathematik tadelt, nährt sich von Verwirrung. (Leonardo da Vinci)

!! BITTE !! stellt mir keine Fragen über PM, dafür ist das Forum da - andere haben vielleicht auch Interesse an der Antwort!

Einführende Links zu LabVIEW, s. GerdWs Signatur.
Alle Beiträge dieses Benutzers finden
Diese Nachricht in einer Antwort zitieren to top
27.11.2013, 13:05
Beitrag #4

raeuberfisch Offline
LVF-Gelegenheitsschreiber
**


Beiträge: 74
Registriert seit: Mar 2009

2013
2009
DE

01099
Deutschland
RE: DAQ USB-6008:Fehlende Punkte in Kurve
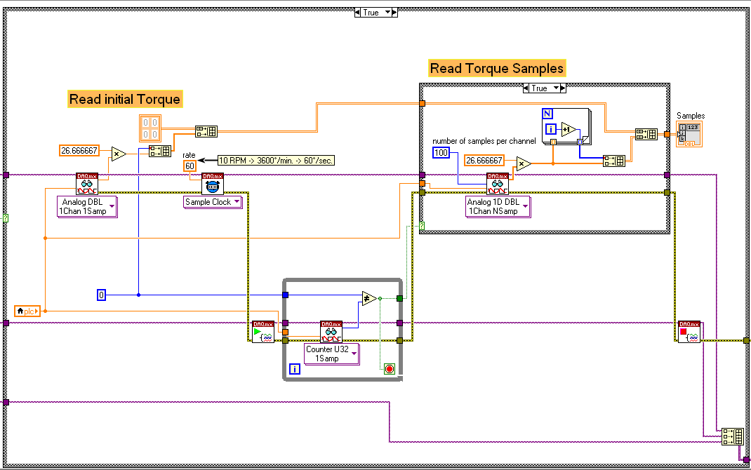
Das RecordingBit signalisiert, dass der Schraubvorgang Beginnt und endet.
Die lokalen Variablen habe ich entfernt.

Was haltet ihr von der überarbeiteten Architektur? siehe Bild.
Hier sollen sobald das erste Grad geschraubt wurde alle Messwerte aufgenommen werden und im Nachhinein den entsprechenden Winkeln zugeordnet werden.
Dabei ist die Messung so getaktet, dass zu jedem vollen Winkel ein Messwertgenommen wird.


Angehängte Datei(en) Thumbnail(s)
   

MfG, Marco
Alle Beiträge dieses Benutzers finden
Diese Nachricht in einer Antwort zitieren to top
Antwort schreiben 


Möglicherweise verwandte Themen...
Themen Verfasser Antworten Views Letzter Beitrag
  Kurve mit PWM abfahren (cDAQ) Johann82 1 3.702 02.06.2014 12:29
Letzter Beitrag: Y-P
  Fehlende VIs für Analog Input saibot 4 6.303 07.09.2012 11:46
Letzter Beitrag: saibot
  Flächenberechnung einer Kurve zingl 4 7.306 23.04.2010 18:13
Letzter Beitrag: Lucki

Gehe zu: