INFO: Dieses Forum nutzt Cookies...
Cookies sind für den Betrieb des Forums unverzichtbar. Mit der Nutzung des Forums erklärst Du dich damit einverstanden, dass wir Cookies verwenden.

Es wird in jedem Fall ein Cookie gesetzt um diesen Hinweis nicht mehr zu erhalten. Desweiteren setzen wir Google Adsense und Google Analytics ein.


Antwort schreiben 

Daten speichern mit LabVIew 8.2



Wenn dein Problem oder deine Frage geklärt worden ist, markiere den Beitrag als "Lösung",
indem du auf den "Lösung" Button rechts unter dem entsprechenden Beitrag klickst. Vielen Dank!

20.07.2009, 08:30
Beitrag #1

kaischneider Offline
LVF-Grünschnabel
*


Beiträge: 27
Registriert seit: May 2009

2009
2008
de

31555
Deutschland
Daten speichern mit LabVIew 8.2
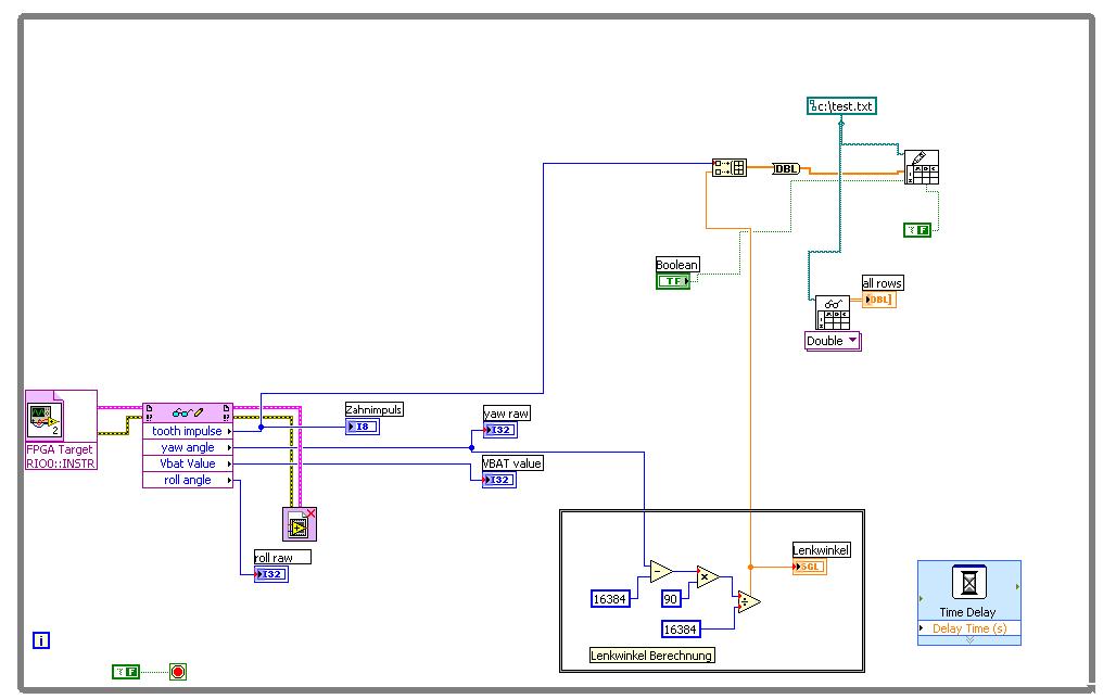
Hallo, kann uns vielleicht einer von euch helfen?
Wir wollen Daten speichern, aber mit dem fpga ding klappt es nicht. wir sind übrigens noobs.
danke im voraus


Angehängte Datei(en) Thumbnail(s)
   
Alle Beiträge dieses Benutzers finden
Diese Nachricht in einer Antwort zitieren to top
Anzeige
20.07.2009, 10:06 (Dieser Beitrag wurde zuletzt bearbeitet: 20.07.2009 10:06 von A.Berndsen.)
Beitrag #2

A.Berndsen Offline
LVF-Team
LVF-Team

Beiträge: 2.437
Registriert seit: Feb 2005

8.2.1 - 2011
2004
DE

724xx
Deutschland
Daten speichern mit LabVIew 8.2
Hallo Euch!

Was klappt denn nicht? Etwas genauer solltet Ihr das Problem schon beschreiben.
Bekommt Ihr keine Daten vom FPGA, wird keine Datei erzeugt oder werden die gelesenen Daten nicht angezeigt?

Die Schreiboperation würde so funktionieren. Lesen theoretisch auch. Praktisch gibt es noch ein kleines Problem, was zu welcher Zeit gelesen wird.

Also, wo drückt der Schuh genau?

Grüße
Andreas

Geht nicht, gibts nicht!
Alle Beiträge dieses Benutzers finden
Diese Nachricht in einer Antwort zitieren to top
20.07.2009, 10:19
Beitrag #3

kaischneider Offline
LVF-Grünschnabel
*


Beiträge: 27
Registriert seit: May 2009

2009
2008
de

31555
Deutschland
Daten speichern mit LabVIew 8.2
hallo a.berndsen,
die datei wird ausgelesen, aber die daten werden nicht gespeichert. vom fpga kommen die richtigen daten an. datei wird nicht erstellt. deshalb haben wir sie selbst erstellt, aber LabVIEW schreibt nichts rein.
danke schon mal für die antwort
Alle Beiträge dieses Benutzers finden
Diese Nachricht in einer Antwort zitieren to top
20.07.2009, 10:34
Beitrag #4

A.Berndsen Offline
LVF-Team
LVF-Team

Beiträge: 2.437
Registriert seit: Feb 2005

8.2.1 - 2011
2004
DE

724xx
Deutschland
Daten speichern mit LabVIew 8.2
Seltsam, das kann ich nicht nachvollziehen.
Probier mal das beigefügte VI! (Pfad anpassen nicht vergessen!)

Grüße
Andreas

Lv82_img
Sonstige .vi  Daten_speichern.vi (Größe: 12,71 KB / Downloads: 328)

Geht nicht, gibts nicht!
Alle Beiträge dieses Benutzers finden
Diese Nachricht in einer Antwort zitieren to top
20.07.2009, 10:39
Beitrag #5

kaischneider Offline
LVF-Grünschnabel
*


Beiträge: 27
Registriert seit: May 2009

2009
2008
de

31555
Deutschland
Daten speichern mit LabVIew 8.2
hallo andreas,
danke schon mal für die mühe. so ein probeprogramm haben wir auch schon mal versucht gehabt und da läuft es auch. aber sobald dieser fpga baustein drin ist, klappts nicht mehr. *verzweifel*
lieben gruß
Alle Beiträge dieses Benutzers finden
Diese Nachricht in einer Antwort zitieren to top
20.07.2009, 10:44
Beitrag #6

TSC Offline
LVF-Team
LVF-Team

Beiträge: 1.882
Registriert seit: Sep 2008

LV 2018 SP1
2008
EN

52379
Deutschland
Daten speichern mit LabVIew 8.2
hast du dir mal den fehleroutput anzeigen lassen? evtl stehen da sinnvolle dinge drin die weiter helfen?

LG
Torsten

"Über Fragen, die ich nicht beantworten kann, zerbreche ich mir nicht den Kopf!" (Konrad Zuse)
Alle Beiträge dieses Benutzers finden
Diese Nachricht in einer Antwort zitieren to top
Anzeige
20.07.2009, 10:47
Beitrag #7

kaischneider Offline
LVF-Grünschnabel
*


Beiträge: 27
Registriert seit: May 2009

2009
2008
de

31555
Deutschland
Daten speichern mit LabVIew 8.2
wie kann man den fehleroutput anzeigen lassen?
auch dir schon mal vielen dank
Alle Beiträge dieses Benutzers finden
Diese Nachricht in einer Antwort zitieren to top
20.07.2009, 19:11
Beitrag #8

jg Offline
CLA & CLED
LVF-Team

Beiträge: 15.864
Registriert seit: Jun 2005

20xx / 8.x
1999
EN

Franken...
Deutschland
Daten speichern mit LabVIew 8.2
z.B. Rechtsklick auf den Fehlerausgang -> Create -> Indicator, und schon hast du ein Anzeigeelement auf dem FP.

Gruß, Jens

Wer die erhabene Weisheit der Mathematik tadelt, nährt sich von Verwirrung. (Leonardo da Vinci)

!! BITTE !! stellt mir keine Fragen über PM, dafür ist das Forum da - andere haben vielleicht auch Interesse an der Antwort!

Einführende Links zu LabVIEW, s. GerdWs Signatur.
Alle Beiträge dieses Benutzers finden
Diese Nachricht in einer Antwort zitieren to top
Antwort schreiben 


Möglicherweise verwandte Themen...
Themen Verfasser Antworten Views Letzter Beitrag
  Daten Speichern und Laden Dany83 3 8.954 26.09.2015 21:41
Letzter Beitrag: Dany83
  Daten speichern und einzeln aufrufen fischer 4 7.181 21.11.2014 08:29
Letzter Beitrag: GerdW
  Daten speichern baggio2008 19 19.365 12.09.2013 07:39
Letzter Beitrag: baggio2008
  LabVIEW vi für vorige Version speichern... Predator 3 5.346 03.04.2013 19:24
Letzter Beitrag: GerdW
  Daten speichern Stimpy 7 13.572 06.05.2012 15:11
Letzter Beitrag: jg
  Erfasste CAN-Daten in LabVIEW einbinden und visualisieren JD2011 3 6.644 03.05.2012 12:53
Letzter Beitrag: jg

Gehe zu: