INFO: Dieses Forum nutzt Cookies...
Cookies sind für den Betrieb des Forums unverzichtbar. Mit der Nutzung des Forums erklärst Du dich damit einverstanden, dass wir Cookies verwenden.

Es wird in jedem Fall ein Cookie gesetzt um diesen Hinweis nicht mehr zu erhalten. Desweiteren setzen wir Google Adsense und Google Analytics ein.


Antwort schreiben 

Dieses Thema hat akzeptierte Lösungen:

Datenerfassung



Wenn dein Problem oder deine Frage geklärt worden ist, markiere den Beitrag als "Lösung",
indem du auf den "Lösung" Button rechts unter dem entsprechenden Beitrag klickst. Vielen Dank!

23.08.2011, 17:24
Beitrag #1

Brushfire Offline
LVF-Grünschnabel
*


Beiträge: 15
Registriert seit: Aug 2011

8.6 und 10
2011
DE



Datenerfassung
Hallo,

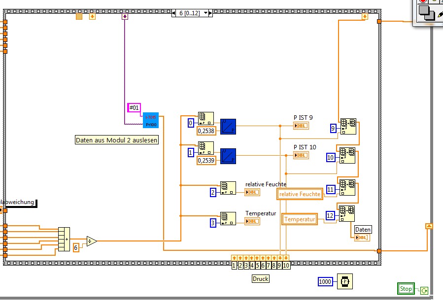
die unten angehängte LV ist ein Teil meines Programmes und dient wie der Name schon sagt zur Datenerfassung.
Das Programm läuft soweit ohne Fehler, dass Problem ist nur, dass er keine Daten in die *.txt Datei speichert, sondern nur einen Zeitstempel. Im Anhang befinden sich auch zwei Bilder vom der Haupt-LV, wie die Daten entstehen.

Kann mir jemand sagen was ich falsch gemacht habe und was ich machen muss um es richtig zu machen?

Vorab schon mal vielen Dank.

Chris


Angehängte Datei(en) Thumbnail(s)
       

8.6 .vi  Datenerfassung.vi (Größe: 12,07 KB / Downloads: 205)
Alle Beiträge dieses Benutzers finden
Diese Nachricht in einer Antwort zitieren to top
23.08.2011, 18:22
Beitrag #2

jg Offline
CLA & CLED
LVF-Team

Beiträge: 15.864
Registriert seit: Jun 2005

20xx / 8.x
1999
EN

Franken...
Deutschland
RE: Datenerfassung

Akzeptierte Lösung

In LabVIEW fangen Array-Indices bei 0 an, nicht bei 1.
Selbst wenn deine Array-Konstante aus Screenshot 1 wirklich 12 Elemente enthalten sollte, so kannst du nicht, wie in Screenshot gemacht, das Element mit Index 12 ersetzen, da es das nicht gibt.
Und damit sind wir warhrscheinlich schon ganz nah an deinem Fehler. Wie viele Element enthält diese Array-Konstante in Screenshot 1?
Du hast zwar zum Index 12 hochgescrollt, aber kein Element eingetragen (das sieht man an dem augegrauten Status). Gilt das auch für Elemente 0-11?
Verwende besser gleich die "Initialize Array" Funktion.
   

Gruß, Jens

Wer die erhabene Weisheit der Mathematik tadelt, nährt sich von Verwirrung. (Leonardo da Vinci)

!! BITTE !! stellt mir keine Fragen über PM, dafür ist das Forum da - andere haben vielleicht auch Interesse an der Antwort!

Einführende Links zu LabVIEW, s. GerdWs Signatur.
Alle Beiträge dieses Benutzers finden
Diese Nachricht in einer Antwort zitieren to top
23.08.2011, 20:22
Beitrag #3

Brushfire Offline
LVF-Grünschnabel
*


Beiträge: 15
Registriert seit: Aug 2011

8.6 und 10
2011
DE



RE: Datenerfassung
Hallo Jens,

danke für deine Hilfe! Es funktioniert erstmal soweit, dass er mir jetzt 12 Werte speichert. Bei allen Elementen von 0-11 war der Statur gegraut. Habe den jetzt durch eine Null ersetzt, weil nur ein Wert hineinfließt.
WEnn ich jetzt das "Initialize Array" benutze, ersetze ich da einfach die "Teil-Array-Ersetzen"?


Gruß, Chris
Alle Beiträge dieses Benutzers finden
Diese Nachricht in einer Antwort zitieren to top
23.08.2011, 22:42
Beitrag #4

jg Offline
CLA & CLED
LVF-Team

Beiträge: 15.864
Registriert seit: Jun 2005

20xx / 8.x
1999
EN

Franken...
Deutschland
RE: Datenerfassung
"Teil-Array ersetzen" kannst du bei Verwendung von "Initialize" lassen. Hierdurch hast du schließlich ein Array, in dem du Elemente ersetzen kannst. In einem leeren Array ging das nicht.
Aber du solltest anfangen, bei Index 0 zu ersetzen, nicht bei Index 1 (das ist das 2. Element des Arrays!!!).
Und dann lösche die lokalen Variablen "Temperatur" und "Feuchte" in deinem 2. Screeenshot. Führe direkt den Draht weiter!

Gruß, Jens

Wer die erhabene Weisheit der Mathematik tadelt, nährt sich von Verwirrung. (Leonardo da Vinci)

!! BITTE !! stellt mir keine Fragen über PM, dafür ist das Forum da - andere haben vielleicht auch Interesse an der Antwort!

Einführende Links zu LabVIEW, s. GerdWs Signatur.
Alle Beiträge dieses Benutzers finden
Diese Nachricht in einer Antwort zitieren to top
24.08.2011, 07:31
Beitrag #5

Brushfire Offline
LVF-Grünschnabel
*


Beiträge: 15
Registriert seit: Aug 2011

8.6 und 10
2011
DE



RE: Datenerfassung
Guten Morgen Jens,

ich werde deine Sachen nachher alle umsetzen! Danke für deine Erklärung und Hilfestellung.

Hab noch eine kleine frage bei der LV zur Datenerfassung, da ist das Unterprogramm "Open_Creat_Replace File" im Hauptprogramm. Dem habe ich ein Standard-Namen (Datei) vorgegeben und der wird in meinen Fall erstellt oder ersetzt. Ich habe versucht über "Muster" an dem Unterprogramm eine Musterdatei als Konstante zu hängen, die sollte ein paar sachen vorgeben (Überschriften usw.). Wenn ich das Programm jetzt durchlaufen lassen passiert leider nichts, in der *.txt ist weiter nur der Zeitstempel und die Daten drin ohne Überschriften.

Kann man dass überhaupt mit der Funktion bewerkstelligen oder was muss ich machen, damit er es macht?

Vielen Dank.

Mit den besten Grüßen
Chris
Alle Beiträge dieses Benutzers finden
Diese Nachricht in einer Antwort zitieren to top
24.08.2011, 08:03
Beitrag #6

GerdW Offline
______________
LVF-Team

Beiträge: 17.538
Registriert seit: May 2009

LV2019 (LV2021)
1995
DE_EN

10×××
Deutschland
RE: Datenerfassung
Hallo Chris,

redest du von der "Open/Create/Replace File"-Funktion? Die hat keinen "Muster"-Eingang...

Üblicherweise bezeichnet "Muster" bei Dateioperationen nur die Vorgabe für den Dateinamen, z.B. kann man mit dem Muster "*.txt" alle "TXT"-Dateien auswählen...

Alle Beiträge dieses Benutzers finden
Diese Nachricht in einer Antwort zitieren to top
24.08.2011, 08:18 (Dieser Beitrag wurde zuletzt bearbeitet: 24.08.2011 08:21 von Brushfire.)
Beitrag #7

Brushfire Offline
LVF-Grünschnabel
*


Beiträge: 15
Registriert seit: Aug 2011

8.6 und 10
2011
DE



RE: Datenerfassung
Hallo,

ja, ich meine die Funktion. Ach so, dann habe ich das Wort "Muster" falsch interpretiert Blush

Wie kann ich es dann bewerkstelligen, dass ich dem Programm eine Datei mit vorgegeben Inhalt erzeugen lasse, wo er dann die Daten speichert?

Grüße
Chris
Hupps,

ich hab gerad gesehen, dass es doch nicht die File ist. Ich habe das mal als Bild angehängt.

Grüße
Chris


Angehängte Datei(en) Thumbnail(s)
   
Alle Beiträge dieses Benutzers finden
Diese Nachricht in einer Antwort zitieren to top
24.08.2011, 08:51
Beitrag #8

GerdW Offline
______________
LVF-Team

Beiträge: 17.538
Registriert seit: May 2009

LV2019 (LV2021)
1995
DE_EN

10×××
Deutschland
RE: Datenerfassung

Akzeptierte Lösung

Hallo Chris,

wie man in deinem Bildchen sieht, lautet die Bezeichnung des String "default name" - und genau das macht die Vorgabe für diese (ältere, aber annähernd gleichwertige) Funktion...

Zitat:eine Datei mit vorgegeben Inhalt erzeugen lasse
Ganz einfach: Schreibe den vorgegebenen Inhalt in die Datei. Entweder explizit in deinem Programm oder implizit durch Kopieren (!) einer anderen, mit dem Programm mitinstallierten "Muster"-Datei...

Alle Beiträge dieses Benutzers finden
Diese Nachricht in einer Antwort zitieren to top
24.08.2011, 13:52
Beitrag #9

Brushfire Offline
LVF-Grünschnabel
*


Beiträge: 15
Registriert seit: Aug 2011

8.6 und 10
2011
DE



RE: Datenerfassung
Hallo GerdW,

es hat funktioniert.

Vielen vielen Dank für die Lehrstunde.

Mit den besten Grüßen

Chris
Alle Beiträge dieses Benutzers finden
Diese Nachricht in einer Antwort zitieren to top
Antwort schreiben 


Gehe zu: