INFO: Dieses Forum nutzt Cookies...
Cookies sind für den Betrieb des Forums unverzichtbar. Mit der Nutzung des Forums erklärst Du dich damit einverstanden, dass wir Cookies verwenden.

Es wird in jedem Fall ein Cookie gesetzt um diesen Hinweis nicht mehr zu erhalten. Desweiteren setzen wir Google Adsense und Google Analytics ein.


Antwort schreiben 

DialogBox



Wenn dein Problem oder deine Frage geklärt worden ist, markiere den Beitrag als "Lösung",
indem du auf den "Lösung" Button rechts unter dem entsprechenden Beitrag klickst. Vielen Dank!

07.03.2006, 11:37
Beitrag #1

Kathrin Offline
LVF-Grünschnabel
*


Beiträge: 16
Registriert seit: Sep 2004

7.00
-
kA


Deutschland
DialogBox
Hi

wie kann ich während eines Ablaufs auf dem Front Panel ein Fenster erscheinen lassen, das dem Benutzer sagt, dass er warten soll.
Zum Beispiel "Please wait..."
Das Fenster soll dann, nachdem der Vorgang abgelaufen ist, wieder von alleine verschwinden.

Wie kann ich das machen?

tschüssi
Kathrin
P.S.: Habe leider nur LabVIEW 7.0 :-( Falls ihr Beispiele habt, hängt sie bitte als Bild ran oder als 7.0
Alle Beiträge dieses Benutzers finden
Diese Nachricht in einer Antwort zitieren to top
07.03.2006, 11:47
Beitrag #2

cb Offline
LVF-SeniorMod


Beiträge: 1.734
Registriert seit: Feb 2006

2018SP1
2001
EN

40xxx
Deutschland
DialogBox
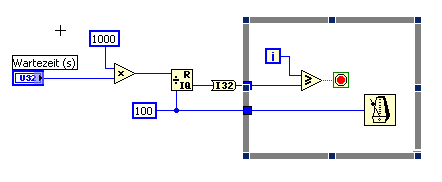
siehe bild:

Stelle das SubVI so ein, dass es aufpoppt, wenn es aufgerufen wird. Über die Anzahl der Schleifendurchläufe kannst du die Wartezeit steuern.


Angehängte Datei(en) Thumbnail(s)
   

https://www.rotabench.com - Prüftechnik für Elektromotoren
Webseite des Benutzers besuchen Alle Beiträge dieses Benutzers finden
Diese Nachricht in einer Antwort zitieren to top
07.03.2006, 17:03
Beitrag #3

Svenni Offline
LVF-Gelegenheitsschreiber
**


Beiträge: 227
Registriert seit: Mar 2005

7.1, 8.0, 8.2, 8.21, 8.5, 8.6, 2009, 2010, 2011, 2012, 2013, 2014
2000
DE

23843
Deutschland
DialogBox
Hallo Kathrin,

ich setze folgende Möglichkeit ein.
Ich habe mir ein SubVI gebastelt, dass einen Laufbalken anzeigt und darüber einen Text, den ich an das SubVI übergeben kann.
Im Hauptprogramm lege ich einen Melder an. Dieser wird auch ans SubVI übergeben. Wir nun der Melder erzeugt, so öffnet sich auch das SubVI. Mein HauptVI läuft aber unabhängig weiter. Ist die Aktion im HauptVI abgeschlossen, so schicke ich ein True über den Melder ans SubVI und dieses beendet sich.

Habe mal ein paar Screenshot gemacht:

Als erstes das Blockdiagramm vom SubVI, dann das Frontpanel vom SubVI und als letztes das Blockdiagramm vom HauptVI.

Viel Spaß
sven


Angehängte Datei(en) Thumbnail(s)
           
Alle Beiträge dieses Benutzers finden
Diese Nachricht in einer Antwort zitieren to top
08.03.2006, 10:54
Beitrag #4

Kathrin Offline
LVF-Grünschnabel
*


Beiträge: 16
Registriert seit: Sep 2004

7.00
-
kA


Deutschland
DialogBox
Hi

vielen Dank für die beiden Antworten!
Ich habe jetzt ein kleines Programm geschrieben, in dem eigentlich beim Ablauf das Warten-subVI als Pop Up Fenster geöffnet werden sollte.
Wenn ich es selbst schon vorher öffne und das Hauptprogramm dann ablaufen lasse, sieht alles gut aus. Aber wenn es eben nicht geöffnet ist, dann springt das Pop-Up Fenster nciht auf. Was hab ich denn falsch gemacht?

tschüssi
Kathrin


Angehängte Datei(en)
Sonstige .vi  wait.vi (Größe: 8,03 KB / Downloads: 325)

Sonstige .vi  problem.vi (Größe: 15,18 KB / Downloads: 299)
Alle Beiträge dieses Benutzers finden
Diese Nachricht in einer Antwort zitieren to top
08.03.2006, 11:46
Beitrag #5

cb Offline
LVF-SeniorMod


Beiträge: 1.734
Registriert seit: Feb 2006

2018SP1
2001
EN

40xxx
Deutschland
DialogBox
rechtsklick auf das SubVI

-> haken setzen bei "bei Aufruf öffnen"
--> haken setzen bei "schließen, wenn vorher geschlossen" ...

alternativ: in den VI-Einstellungen die "Window Appearance" (sorry, hab die englische Version ...) auf "Dialog" stellen. VORSICHT: wenn das VI auf Dialog steht und geöffnet ist, wenn du das Haupt-VI öffnest, dann kommt dieses VI in den Vordergrund und ist modal. d.h. du kannst nichts mehr machen, ausser LabVIEW über den Task-Manager abschiessen.

also immer fleissig Strg+S vor dem Strg+R drücken ;-)

https://www.rotabench.com - Prüftechnik für Elektromotoren
Webseite des Benutzers besuchen Alle Beiträge dieses Benutzers finden
Diese Nachricht in einer Antwort zitieren to top
08.03.2006, 11:48
Beitrag #6

Svenni Offline
LVF-Gelegenheitsschreiber
**


Beiträge: 227
Registriert seit: Mar 2005

7.1, 8.0, 8.2, 8.21, 8.5, 8.6, 2009, 2010, 2011, 2012, 2013, 2014
2000
DE

23843
Deutschland
DialogBox
Hallo,

du musst dem SubVI sagen, dass es aufgehen soll.
Dazu musst du das Sub-VI im Hauptprogramm mit der rechten Maustaste anklicken und dann im Menü auf "SubVI-Einstellungen" gehen. Dann öffnet sich ein Fenster, in dem du anklicken musst, dass das Frontpanel beim Aufruf geöffnet werden soll. Außerdem solltest du auch noch anklicken, dass das Fenster auch wieder geschlossen wird.
Dies funktioniert aber nur, wenn das SubVI nicht vorher geöffnet war.

Viel Spaß
sven

P.S.
Habe noch einmal ein Sreenshot von den Einstellungen gemacht.


Angehängte Datei(en) Thumbnail(s)
   
Alle Beiträge dieses Benutzers finden
Diese Nachricht in einer Antwort zitieren to top
Anzeige
08.03.2006, 13:21
Beitrag #7

Kathrin Offline
LVF-Grünschnabel
*


Beiträge: 16
Registriert seit: Sep 2004

7.00
-
kA


Deutschland
DialogBox
Okay, jetzt funktioniert alles.
Vielen Dank für eure Hilfe!!

tschüssi
Kathrin
Alle Beiträge dieses Benutzers finden
Diese Nachricht in einer Antwort zitieren to top
30
Antwort schreiben 


Möglicherweise verwandte Themen...
Themen Verfasser Antworten Views Letzter Beitrag
  Dialogbox Startwert editieren Götz 2 4.939 16.11.2011 12:01
Letzter Beitrag: Götz
  zeitlich gesteuerte Dialogbox Hubert 3 5.216 07.03.2008 10:13
Letzter Beitrag: Achim
  Zeitzähler in Dialogbox Stefan22 6 8.750 20.12.2007 15:32
Letzter Beitrag: eg
  Dialogbox "nur" einmal anzeigen. woodhome 3 4.842 05.05.2006 10:58
Letzter Beitrag: A.Berndsen
  DialogBox mit farbigem Text... multi 1 3.892 06.03.2006 15:27
Letzter Beitrag: Svenni

Gehe zu: