INFO: Dieses Forum nutzt Cookies...
Cookies sind für den Betrieb des Forums unverzichtbar. Mit der Nutzung des Forums erklärst Du dich damit einverstanden, dass wir Cookies verwenden.

Es wird in jedem Fall ein Cookie gesetzt um diesen Hinweis nicht mehr zu erhalten. Desweiteren setzen wir Google Adsense und Google Analytics ein.


Antwort schreiben 

Die Kommunikation mit dem VI funktioniert nicht



Wenn dein Problem oder deine Frage geklärt worden ist, markiere den Beitrag als "Lösung",
indem du auf den "Lösung" Button rechts unter dem entsprechenden Beitrag klickst. Vielen Dank!

12.10.2021, 19:53
Beitrag #1

Benutzer02 Offline
LVF-Neueinsteiger


Beiträge: 4
Registriert seit: Oct 2021

2019/2009
2019
kA



Die Kommunikation mit dem VI funktioniert nicht
Hallo,

Für mein Projekt muss ich die Bedienoberfläche eines Stromrichtergerätes mit Labview entwerfen. Dafür habe ich ein Programm von meinem Professor erhalten und die EXE Datei davon. Das Programm wurde von anderen Studenten entwickelt. Beide Dateien sollten nach ihm funktioniert, ohne dass ich Änderungen vornehmen musste. Die EXE-Datei kommuziert gut mit dem Treiber, das VI aber nicht. Also das VI in der Entwicklungsumgebung kommuziert nicht mit dem Treiber, wohingegen die EXE Datei funtioniert. Ich muss mit dem VI in der Entwicklungsumgebung arbeiten und weiß nicht warum das VI funktioniert nicht.

Das Programm selbst zu überarbeiten, ist keine Möglichkeit, weil es sehr lang ist und ich nicht genug Erfahrung mit Labview habe und es ist nicht die Arbeit, die mir gegeben wurde.

Weiß jemand, warum das VI ein Problem hat, wenn die EXE-Datei einwandfrei funktioniert und wie ich das Problem beheben kann?

Danke im Voraus

Mit freundlichen Grüßen
Alle Beiträge dieses Benutzers finden
Diese Nachricht in einer Antwort zitieren to top
Anzeige
13.10.2021, 05:39
Beitrag #2

MicroScoop Offline
Medium-Avanciert
**


Beiträge: 52
Registriert seit: Jun 2019

15.0.1f10(32bit)
2015
DE

07629
Deutschland
RE: Die Kommunikation mit dem VI funktioniert nicht
Hallo Benutzer02,

ja ich hab den Fehler gefunden. Hier! Siehst du? Das musst du ändern, das wird so nichts.
Alle Beiträge dieses Benutzers finden
Diese Nachricht in einer Antwort zitieren to top
13.10.2021, 07:09
Beitrag #3

GerdW Offline
______________
LVF-Team

Beiträge: 17.536
Registriert seit: May 2009

LV2019 (LV2021)
1995
DE_EN

10×××
Deutschland
RE: Die Kommunikation mit dem VI funktioniert nicht
Hallo Benutzer02,

herzlich willkommen im LabVIEW-Forum!

Wenn du hier mit dem Nachtragen benötigter Informationen beschäftigt bist, kannst du gern auch einen Link auf deinen Thread im NI-Forum hinzufügen.
Niemand macht gern Arbeit, wenn diese evtl. schon woanders erledigt wurde!

Alle Beiträge dieses Benutzers finden
Diese Nachricht in einer Antwort zitieren to top
13.10.2021, 09:05
Beitrag #4

Benutzer02 Offline
LVF-Neueinsteiger


Beiträge: 4
Registriert seit: Oct 2021

2019/2009
2019
kA



RE: Die Kommunikation mit dem VI funktioniert nicht
(13.10.2021 07:09 )GerdW schrieb:  Hallo Benutzer02,

herzlich willkommen im LabVIEW-Forum!

Wenn du hier mit dem Nachtragen benötigter Informationen beschäftigt bist, kannst du gern auch einen Link auf deinen Thread im NI-Forum hinzufügen.
Niemand macht gern Arbeit, wenn diese evtl. schon woanders erledigt wurde!

Hier ist das VI


Angehängte Datei(en)
19.0 .vi  Aufgabe B6.vi (Größe: 104,02 KB / Downloads: 264)
Alle Beiträge dieses Benutzers finden
Diese Nachricht in einer Antwort zitieren to top
13.10.2021, 18:37 (Dieser Beitrag wurde zuletzt bearbeitet: 13.10.2021 18:42 von GerdW.)
Beitrag #5

GerdW Offline
______________
LVF-Team

Beiträge: 17.536
Registriert seit: May 2009

LV2019 (LV2021)
1995
DE_EN

10×××
Deutschland
RE: Die Kommunikation mit dem VI funktioniert nicht
Hallo Benutzer02,

leider hast du (oder jemand anderes) deinen Thread im NI-Forum zum genau gleichen Thema löschen lassen…

Schön, dass du jetzt auch dein VI hier angehangen hast. Dummerweise hast du noch keinen der Vorschläge, die du im NI-Forum erhalten hattest, umgesetzt!

Also:
- lokale Variablen vermeiden und durch Drähte ersetzen!
- BytesAtPort vermeiden, wenn man ein TermChar benutzt! (Du hattest auch schon den Link auf diesen Vortrag erhalten!)
- unbedingt sinnvolle und eineindeutige Labels für Controls/Indicators verwenden!!! Warum gibt es ein Control "Stromregelung" und einen Indicator "Stromregelung"??? Warum gibt es zwei Indicators "Übertragung abgeschlossen" und "Übertragung abgeschlossen " (ja, die Anführungszeichen sind korrekt gesetzt)???
- die komplette Auswertung des empfangenen Strings bitte unbedingt aufräumen und vereinfachen! Was man mit dupliziertem Code erledigt, kann man auch mit einer Schleife erledigen!!!
- vernünftige Datenverwaltung betrieben! Warum so viele Einzelwerte, die man eigentlich auch in einem Cluster verwalten könnte?
- usw. usf.

Bitte dein VI nach all diesen Überarbeitungen nochmal bereitstellen…

Wie schon gesagt: das hatten wir alles schon im NI-Forum besprochen!!! (Ich hasse es finde es wirklich nicht schön, wenn ich mich wiederholen muss…)

Alle Beiträge dieses Benutzers finden
Diese Nachricht in einer Antwort zitieren to top
13.10.2021, 19:09
Beitrag #6

jg Offline
CLA & CLED
LVF-Team

Beiträge: 15.864
Registriert seit: Jun 2005

20xx / 8.x
1999
EN

Franken...
Deutschland
RE: Die Kommunikation mit dem VI funktioniert nicht
Hallo Benutzer,

wusste ich doch, dass ich das schon kenne. Wir fangen also wieder von vorne an? Dafür habe ich dich nicht an LVF verwiesen.

Ein paar weitere Ideen:
- Mglw. hast du nicht das VI, aus dem deine Exe erstellt wurde?
- Mit welcher LabVIEW-Version wurde die Exe erstellt?

Gruß, Jens

Wer die erhabene Weisheit der Mathematik tadelt, nährt sich von Verwirrung. (Leonardo da Vinci)

!! BITTE !! stellt mir keine Fragen über PM, dafür ist das Forum da - andere haben vielleicht auch Interesse an der Antwort!

Einführende Links zu LabVIEW, s. GerdWs Signatur.
Alle Beiträge dieses Benutzers finden
Diese Nachricht in einer Antwort zitieren to top
Anzeige
13.10.2021, 22:44
Beitrag #7

Benutzer02 Offline
LVF-Neueinsteiger


Beiträge: 4
Registriert seit: Oct 2021

2019/2009
2019
kA



RE: Die Kommunikation mit dem VI funktioniert nicht
Hallo,

Also wie gesagt ich habe das Programm nicht selber gemacht und kenne nicht die Studenten, die das gemacht haben. Ich muss nur das Programm für meine Aufgabe benutzen. Das Programm neu zu gestalten ist keine Möglichkeit. Ich habe das schon als Alternativ an dem Professor vorgeschlagen. Laut ihm funktioniert das Programm. Ich muss nur herausfinden, was fehlt.

- Ich denke auch, dass dieses VI vielleicht nicht das richtige ist aber der Professor sagt, er ist das VI, aus dem die EXE erstellt wurde. Also weiss ich nicht mehr, was ich denken soll.

- Die EXE wurde mit der Labview-Version 2009 erstellt.
Alle Beiträge dieses Benutzers finden
Diese Nachricht in einer Antwort zitieren to top
14.10.2021, 06:50
Beitrag #8

GerdW Offline
______________
LVF-Team

Beiträge: 17.536
Registriert seit: May 2009

LV2019 (LV2021)
1995
DE_EN

10×××
Deutschland
RE: Die Kommunikation mit dem VI funktioniert nicht
Hallo Benutzer02,

Zitat:Die EXE wurde mit der Labview-Version 2009 erstellt.
Und du bist jetzt mit LV2019 unterwegs: da hat sich der Compiler mindestens 2× erheblich geändert. Und zusammen mit den ganzen Kritikpunkten, die du jetzt schon zweimal eingesammelt hast, kann das durchaus dazu führen, dass sich das VI in der IDE jetzt eben anders verhält als die Version, die vor 10+ Jahren daraus kompiliert wurde!

Also nochmal: das VI auf eine vernünftige Architektur umstellen und dann testen/debuggen/dokumentieren!

Alle Beiträge dieses Benutzers finden
Diese Nachricht in einer Antwort zitieren to top
14.10.2021, 07:40
Beitrag #9

Martin.Henz Offline
LVF-Team
LVF-Team

Beiträge: 451
Registriert seit: Jan 2005

2.5.1 bis 20
1992
kA

74363
Deutschland
RE: Die Kommunikation mit dem VI funktioniert nicht
Hallo zusammen,

interessant, dass das Programm bestehend aus diesem einen VI funktionieren soll. Ja, vielleicht ein bisschen :-)

Wenn es gestartet wird, dann wird sofort die serielle Schnittstelle COM1 geöffnet. Es wird also nicht an einem anderen COM Port funktionieren.

Es wird das meist falsch verwendete "Bytes at Port" auch hier falsch verwendet. Direkt nach dem schreiben des Befehls wird "Bytes at Port" abgefragt und genau diese Anzahl Bytes wird anschließend auch gelesen, es sei denn es wird doch vorher noch ein LineFeed empfangen. Mal angenommen das "Bytes at Port" liefert 1 Byte dann wird ein Byte gelesen. Beispielsweise ein "g". Anschließend wird das ausgewertet und das Programm geht davon aus, dass nach dem "g" noch eine Zahl kommt, welche als "alpha [Grad]" angezeigt wird. Da aber nur ein Byte, also das "g" empfangen wurde, passiert - ja was? - ""alpha [Grad]" wird mit "0" angezeigt. Sorry, aber das ist blödsinn.

Ich könnte das jetzt fortsetzen - in dem VI wimmelt es nur so vor fragwürdigen Dingen.

Das Programm mag auf manchen Rechnern zufällig gelegentlich noch halbwegs funktionieren - mehr aber auch nicht.

Beschäftige dich doch erst einmal mit dem Stromrichter und dessen Protokoll - etwas anderes wird dir kaum übrig bleiben.

Martin Henz
Webseite des Benutzers besuchen Alle Beiträge dieses Benutzers finden
Diese Nachricht in einer Antwort zitieren to top
14.10.2021, 19:47 (Dieser Beitrag wurde zuletzt bearbeitet: 14.10.2021 19:49 von GerdW.)
Beitrag #10

GerdW Offline
______________
LVF-Team

Beiträge: 17.536
Registriert seit: May 2009

LV2019 (LV2021)
1995
DE_EN

10×××
Deutschland
RE: Die Kommunikation mit dem VI funktioniert nicht
Hallo Benutzer,

hier mal ein "Friedensangebot":
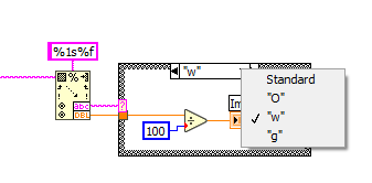
Zitat:- die komplette Auswertung des empfangenen Strings bitte unbedingt aufräumen und vereinfachen! Was man mit dupliziertem Code erledigt, kann man auch mit einer Schleife erledigen!!!
Zu diesem Thema mal ein Bild:
   
Es zeigt, wie 3 deiner Auswertungen zu einem ScanFromString und einer Case-Struktur kombiniert wurden.
Die Fleißarbeit, die ganzen anderen Auswertung hinzuzufügen, bleibt dir überlassen!

Die RS232-Abfrage sollte eher so aussehen:
   
Das VISAClose sollte natürlich rechts nach der Schleife liegen…

Und das hier:
   
sollte eigentlich von einer Eventstruktur erledigt werden! (Und wenn du die Case-Struktur in diesem Bild entfernst, brauchst du nicht einmal eine lokale Variable von "Leertaste" im FALSE-Case. Sowas nennt man Rube-Goldberg!)
Außerdem ist sehr ungünstig, ständig ein Gerät/Port/Referenz zu öffnen, aber nie zu schließen. Ebenso ist es ungünstig, ein Gerät/Port/Referenz innerhalb einer Schleife zu öffnen und gleich wieder zu schließen…

Alle Beiträge dieses Benutzers finden
Diese Nachricht in einer Antwort zitieren to top
30
Antwort schreiben 


Möglicherweise verwandte Themen...
Themen Verfasser Antworten Views Letzter Beitrag
  Email mit Anhang versenden funktioniert plötzlich nicht mehr jan91 1 3.240 05.03.2025 13:51
Letzter Beitrag: rolfk
Sad VI funktioniert und EXE nicht Mostro2502 21 14.648 17.06.2020 09:55
Letzter Beitrag: Mostro2502
  Inhalt einer Baumstruktur über Methodenknoten speichern funktioniert nicht... enone 2 5.031 10.05.2019 10:19
Letzter Beitrag: enone
  Schrittmotor Nema 17 per LabVIEW funktioniert nicht! TTT 5 8.106 27.04.2018 08:20
Letzter Beitrag: Freddy
  Formelknoten "funktioniert nicht" Peppiiii 8 7.644 18.04.2017 17:42
Letzter Beitrag: GerdW
  Code funktioniert als SubVI nicht mehr!?! Labview Newbie 4 7.487 14.05.2016 11:26
Letzter Beitrag: IchSelbst

Gehe zu: