INFO: Dieses Forum nutzt Cookies...
Cookies sind für den Betrieb des Forums unverzichtbar. Mit der Nutzung des Forums erklärst Du dich damit einverstanden, dass wir Cookies verwenden.

Es wird in jedem Fall ein Cookie gesetzt um diesen Hinweis nicht mehr zu erhalten. Desweiteren setzen wir Google Adsense und Google Analytics ein.


Antwort schreiben 

Digitale Datenerfassung über USB



Wenn dein Problem oder deine Frage geklärt worden ist, markiere den Beitrag als "Lösung",
indem du auf den "Lösung" Button rechts unter dem entsprechenden Beitrag klickst. Vielen Dank!

18.10.2005, 14:02
Beitrag #1

rs485 Offline
LVF-Neueinsteiger


Beiträge: 3
Registriert seit: Oct 2005



kA



Digitale Datenerfassung über USB
Hi,

ich möchte ein Gerät, welches eine RS-485 Schnittstelle besitzt, über einen Konverter (RS-232 zu USB) an den USB-Port des PCs anschließen. Wie muß LabVIEW konfiguriert werden, bzw. welche Module muss ich verwenden, um den USB-Port anzusprechen und die Daten zu erfassen? Treiber vom Konverter ist vorhanden und Gerät wird als virtueller COM3 erkannt.
Danke für eure Hilfe
Alle Beiträge dieses Benutzers finden
Diese Nachricht in einer Antwort zitieren to top
Anzeige
18.10.2005, 16:19
Beitrag #2

thomas.sandrisser Offline
LVF-SeniorMod


Beiträge: 1.298
Registriert seit: Sep 2005

xxxx
2005
EN

78759
United States
Digitale Datenerfassung über USB
VISA Treiber
Webseite des Benutzers besuchen Alle Beiträge dieses Benutzers finden
Diese Nachricht in einer Antwort zitieren to top
20.10.2005, 09:06
Beitrag #3

rs485 Offline
LVF-Neueinsteiger


Beiträge: 3
Registriert seit: Oct 2005



kA



Digitale Datenerfassung über USB
Dankeschön, aber mit dieser Antwort kann ich leider nicht viel anfangen. Das man über VISA das USB gerät einbinden muss ist mir bekannt, jedoch war meine Frage ja, wie kann ich das Gerät ansprechen /steuern ?
Prinzieller VI-Aufbau?
Alle Beiträge dieses Benutzers finden
Diese Nachricht in einer Antwort zitieren to top
20.10.2005, 10:04
Beitrag #4

A.Berndsen Offline
LVF-Team
LVF-Team

Beiträge: 2.437
Registriert seit: Feb 2005

8.2.1 - 2011
2004
DE

724xx
Deutschland
Digitale Datenerfassung über USB
[quote=rs485]Dankeschön, aber mit dieser Antwort kann ich leider nicht viel anfangen. Das man über VISA das USB gerät einbinden muss ist mir bekannt, jedoch war meine Frage ja, wie kann ich das Gerät ansprechen /steuern


Angehängte Datei(en)
Sonstige .vi  Sensor_serial.vi (Größe: 47,99 KB / Downloads: 375)
Alle Beiträge dieses Benutzers finden
Diese Nachricht in einer Antwort zitieren to top
04.08.2011, 19:29
Beitrag #5

Brushfire Offline
LVF-Grünschnabel
*


Beiträge: 15
Registriert seit: Aug 2011

8.6 und 10
2011
DE



RE: Digitale Datenerfassung über USB
Hallo Alle zusammen,

die Frage hier ist schonmal aufgekommen und daher hab ich gedacht ich schreib Sie gleich mal in den passenden Thema rein. Ich will eine Datenerfassung über USB bewerkstelligen.
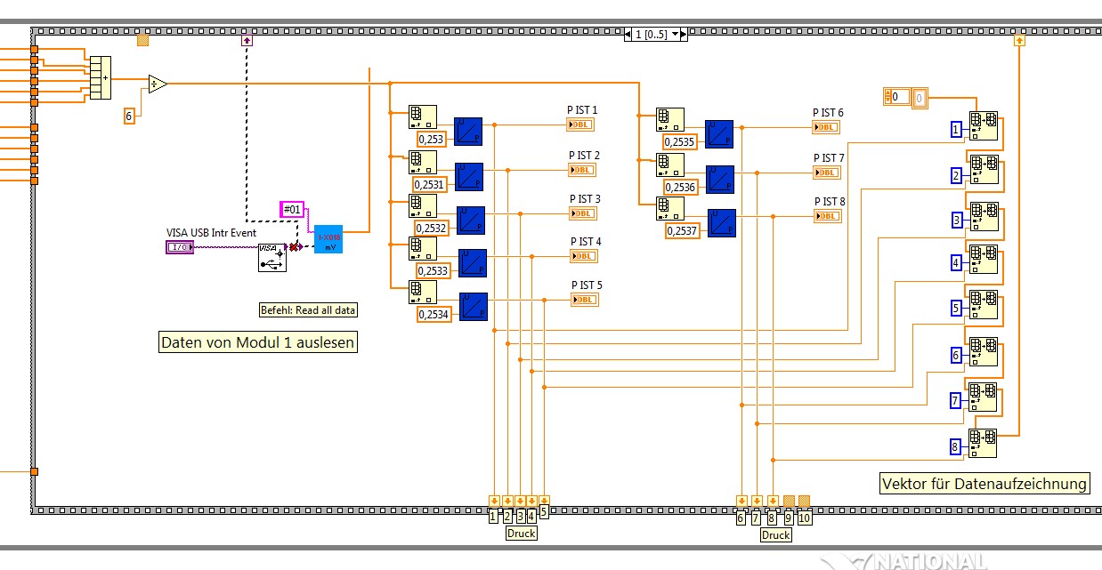
Meine Messstation besitzt nur ein paar Analoge-Eingangs-Module, die jetzt mittels eines Wandlers (von rs-485 zu USB) am Lappi ausgelesen werden sollen. Der Treiber des Wandlers ist bekannt und installiert.
Ich habe mal ein Ausschnitt vom Blockdiagramm angehängt, der zeigt wie ich die Daten mit VISA SERIAL ausgelesen hab.
Wie muss ich jetzt VISA USB einbinden damit die Daten jetzt ausgelesen werden können?
Wenn ich VISA SERIAL durch VISA USB ersetze (Ausschnitt1), dann wird die Verbindung unterbrochen.

Ich bin noch nicht ganz so vertraut mit LabView, daher bitte ich um Nachsicht, wenn das Problem vllt. gar kein Problem darstellt.

Vorab schon einmal vielen Dank für die Antworten.

Mit den besten Grüßen

Brushfire


Angehängte Datei(en) Thumbnail(s)
       
Alle Beiträge dieses Benutzers finden
Diese Nachricht in einer Antwort zitieren to top
04.08.2011, 21:06
Beitrag #6

jg Offline
CLA & CLED
LVF-Team

Beiträge: 15.864
Registriert seit: Jun 2005

20xx / 8.x
1999
EN

Franken...
Deutschland
RE: Digitale Datenerfassung über USB
Wieso VISA-USB? Wenn du einen RS-485 zu USB Wandler hast, dann sollte sich im Betriebssystem eine virtuelle COM-Schnittstelle installieren. Die wählst du aus und gut ist.

Gruß, Jens

Wer die erhabene Weisheit der Mathematik tadelt, nährt sich von Verwirrung. (Leonardo da Vinci)

!! BITTE !! stellt mir keine Fragen über PM, dafür ist das Forum da - andere haben vielleicht auch Interesse an der Antwort!

Einführende Links zu LabVIEW, s. GerdWs Signatur.
Alle Beiträge dieses Benutzers finden
Diese Nachricht in einer Antwort zitieren to top
Anzeige
04.08.2011, 22:34
Beitrag #7

Brushfire Offline
LVF-Grünschnabel
*


Beiträge: 15
Registriert seit: Aug 2011

8.6 und 10
2011
DE



RE: Digitale Datenerfassung über USB
Oki doki,

dann werde ich das Programm so lassen und morgen gleich mal ausprobieren.

Danke Dir und schönen Abend dir noch.

Grüße
Alle Beiträge dieses Benutzers finden
Diese Nachricht in einer Antwort zitieren to top
30
Antwort schreiben 


Möglicherweise verwandte Themen...
Themen Verfasser Antworten Views Letzter Beitrag
  Datenerfassung über USB-Schnittstelle Goermi 2 5.806 06.01.2009 19:01
Letzter Beitrag: kpa

Gehe zu: