INFO: Dieses Forum nutzt Cookies...
Cookies sind für den Betrieb des Forums unverzichtbar. Mit der Nutzung des Forums erklärst Du dich damit einverstanden, dass wir Cookies verwenden.

Es wird in jedem Fall ein Cookie gesetzt um diesen Hinweis nicht mehr zu erhalten. Desweiteren setzen wir Google Adsense und Google Analytics ein.


Antwort schreiben 

Farbe finden und verfolgen



Wenn dein Problem oder deine Frage geklärt worden ist, markiere den Beitrag als "Lösung",
indem du auf den "Lösung" Button rechts unter dem entsprechenden Beitrag klickst. Vielen Dank!

23.05.2011, 09:09
Beitrag #1

snuz Offline
LV-Eumel
**


Beiträge: 245
Registriert seit: Mar 2009

2011
2008
EN


Deutschland
Farbe finden und verfolgen
Hi Leute,

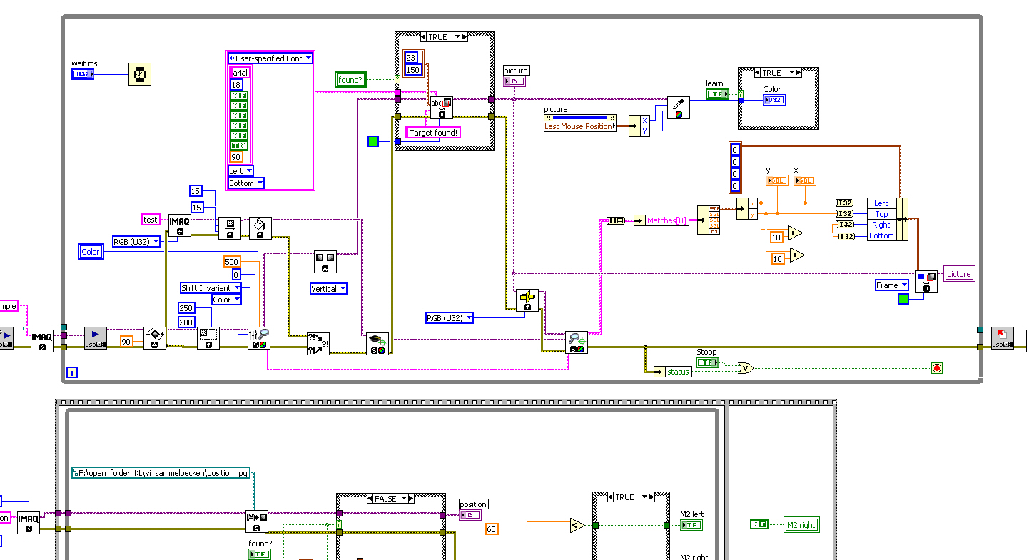
wenn man eine alte USB Kamera hat und noch ein altes CD Laufwerk ist es schnell realisiert ein Ziel mit einer Kamera zu verfolgen - und das alles automatisch. Über den LPT Port werden 2 Motoren (die aus dem CD Laufwerk) angesteuert. Hier bei muss man noch eine Verstärkerschaltung erstellen, da die LPT Outputs nur 1mA liefern können. Motor 1 wird für rechts und links drehen genutzt, Motor 2 für hoch und runter. Die Kamera liefert das Bild und die Logik übernimmt wie üblich LabView. Im Beispiel VI kann man eine Farbe aus dem aktuellen Bild über "lernen" auswählen (hier muss danach sofort die rechte Maustaste gedrückt werden, da sonst eine neue Farbe gewählt wird) und "lernen" wieder beenden. Danach sieht man bereits, dass LabView bereits das Ziel auswählt. Mit "On/Off" erteilt man LabView den Zugriff auf den LPT Port. Auf den LPT Port schreibt man Werte z.B. "1" Daten Pin 0 wird geschaltet, "3" Daten Pin 0 und 1 werden gleichzeitig geschaltet.
Zur automatischen Ansteuerung der Motoren wird ein Rahmen gewählt, in dem das Ziel sich befinden kann, ohne das die Verfolgung aktiv ist. Verlässt das Ziel diesen Rahmen, werden die Motoren aktiv geschaltet (bzw. einzeln oder gleichzeitig). Es ergibt sich von selbst, wenn das Ziel links aus dem Rahmen ist, dass der Motor 1 nach links schwenkt und umgekehrt, zudem wird die Bedingung gesetzt, dass wenn das Ziel das Bild komplett verlässt die "Verfolgung" deaktiviert wird. Man hat also ab diesen Punkt ein kleines System, welches aktiv Dinge verfolgen kann. Auf den Bildern ist noch eine kleine Platine mit einer LED zusehen, dies ist ein USB2LPT Konverter, da mein EEE PC keine LPT Schnittstelle besitzt.

Viel Spaß beim Testen und vielleicht beim Nachbau.

Gruß snuz


Angehängte Datei(en) Thumbnail(s)
               

8.6 .vi  usb_cam.vi (Größe: 83,54 KB / Downloads: 450)

Es gibt 10 Arten von Menschen... Die die Binärrechnung beherrschen und die die es nicht tun.

http://www.techniker2013.eu
http://www.plapilab.de
Webseite des Benutzers besuchen Alle Beiträge dieses Benutzers finden
Diese Nachricht in einer Antwort zitieren to top
Anzeige
25.05.2011, 07:00
Beitrag #2

unicorn Offline
LVF-Freak
****


Beiträge: 680
Registriert seit: Jul 2009

8.6.1, 2010 - 2012
1994
EN

10xxx
Deutschland
RE: Farbe finden und verfolgen
Aus einem alten CD-Laufwerk und einer leeren CD/DVD-Spindel kann man auch einen schicken Kaugummi-Automaten bauen...

Jetzt stellt sich die Frage wovon hat mehr Nutzen?

P.S.: Eine alte Festplatte kann man auch zu einem sehr schnellen mechanischen Laserstrahl-Shutter umbauen.
Alle Beiträge dieses Benutzers finden
Diese Nachricht in einer Antwort zitieren to top
25.05.2011, 07:09
Beitrag #3

snuz Offline
LV-Eumel
**


Beiträge: 245
Registriert seit: Mar 2009

2011
2008
EN


Deutschland
RE: Farbe finden und verfolgen
Hey unicorn,

da hast Du natürlich recht, einen Nutzen hat das natürlich nicht wirklich. Aber ich brauchte ein Vorführobjekt für eine Präsentation und die Leute waren erstaunt. Evtl. könnte ich mir vorstellen, dass man so was z.B. bei einem Fußballspiel einsetzen könnte und eine automatische Kameraführung hat (natürlich nicht mit den Mitteln die hier verwendet wurden), die sich auf den Ball konzentriert. Und das mit der Festplatte schaue ich mir jetzt mal an.

Gruß snuz

Es gibt 10 Arten von Menschen... Die die Binärrechnung beherrschen und die die es nicht tun.

http://www.techniker2013.eu
http://www.plapilab.de
Webseite des Benutzers besuchen Alle Beiträge dieses Benutzers finden
Diese Nachricht in einer Antwort zitieren to top
25.05.2011, 07:27
Beitrag #4

unicorn Offline
LVF-Freak
****


Beiträge: 680
Registriert seit: Jul 2009

8.6.1, 2010 - 2012
1994
EN

10xxx
Deutschland
RE: Farbe finden und verfolgen
Nichts gegen Dein Projekt.

Zum Lasershutter gibt es wissenschaftliche Veröffentlichungen:
Review of Scientific Instruments, Vol 75, p. 3077, 2004
"High performance laser shutter using a hard disk drive voice-coil actuator" von Maguire et al. sowie eine Erratum

und

R. E. Scholten, Enhanced laser shutter using a hard disk drive rotary voice-coil actuator, Rev. Sci. Intr. Vol 78, 026101, 2007
Alle Beiträge dieses Benutzers finden
Diese Nachricht in einer Antwort zitieren to top
Antwort schreiben 


Möglicherweise verwandte Themen...
Themen Verfasser Antworten Views Letzter Beitrag
  Primzahlen finden BNT 39 53.096 20.01.2012 11:37
Letzter Beitrag: Lucki

Gehe zu: