(16.03.2011 12:36 )IchSelbst schrieb: (16.03.2011 10:45 )1johleh schrieb: Diese bringt mir dann aber nach dem schließen den Fehler: siehe Anhang.
Dieser Fehler ist einer, den ich immer ignoriere. 
Zitat:Woran könnte das liegen?
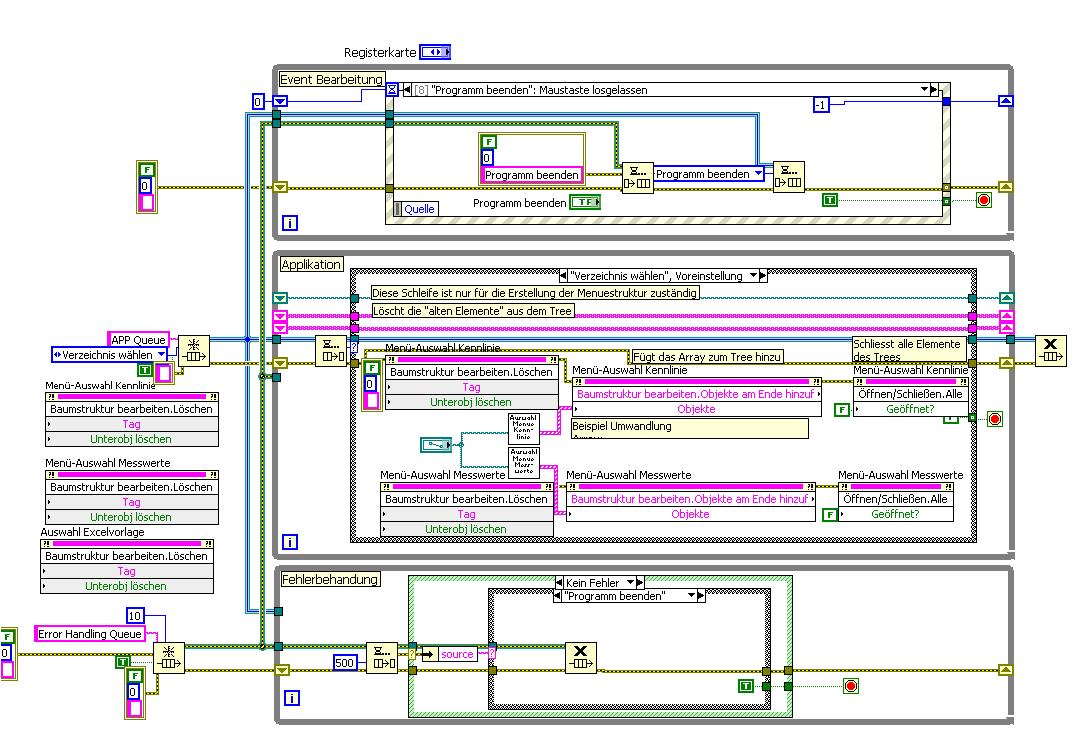
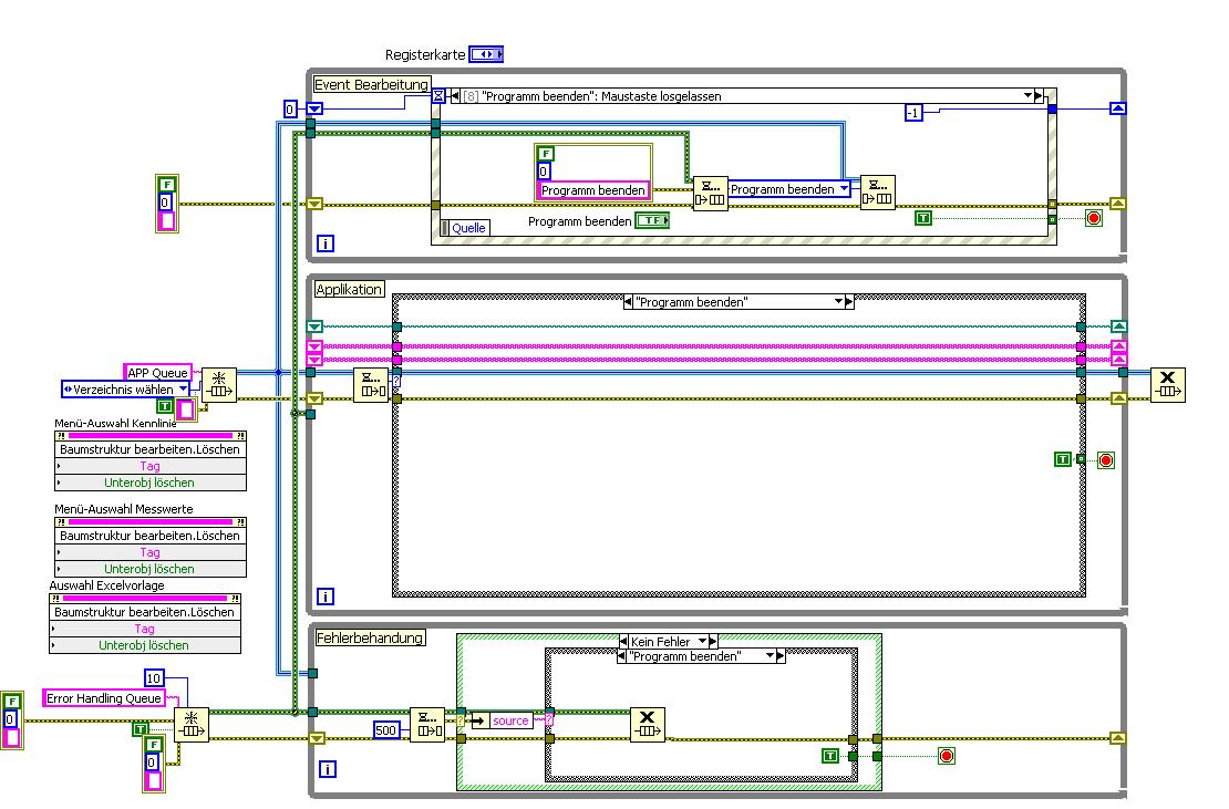
In manchen meinen Programmen tritt dieser Fehler nur sporadisch auf. Er hängt wohl damit zusammen, dass noch irgendwo ein Handle offen ist. Handle entstehen beim Öffnen von Textfiles, Excel und Queues. Hast du zu jeder Open/Create-Funktion auch immer eine Close/Destroy-Funktion?
Solches Verhalten kenne ich nur von Programmen wo Call Library Nodes drin sind die noch Bugs haben. Das kann ein zu kleiner Datenbuffer für einen Parameter sein, oder ein falsch konfigurierter Parameter, oder aber ein Bug in der aufgerufenen DLL.
Der Grund warum solche Fehler dann nur sporadisch auftreten ist weil der Bug zwar immer irgendwo verkehrten Speicher anspricht, aber dies nicht immer gleich fatale Folgen haben muss. Manchmal tritt es erst auf beim Abschliessen von LabVIEW, wenn LabVIEW durch alle angelegten Resourcen geht um diese alsnoch sauber zu deallozieren, statt sich auf das Betriebssystem zu verlassen, dass es schon alle noch offenen Resourcen sauber schliesst.
Manchmal tritt auch gar kein sichtbarer Fehler auf aber nicht sichtbar heisst nicht nicht vorhanden.