INFO: Dieses Forum nutzt Cookies...
Cookies sind für den Betrieb des Forums unverzichtbar. Mit der Nutzung des Forums erklärst Du dich damit einverstanden, dass wir Cookies verwenden.

Es wird in jedem Fall ein Cookie gesetzt um diesen Hinweis nicht mehr zu erhalten. Desweiteren setzen wir Google Adsense und Google Analytics ein.


Antwort schreiben 

Fehlercluster via Queue



Wenn dein Problem oder deine Frage geklärt worden ist, markiere den Beitrag als "Lösung",
indem du auf den "Lösung" Button rechts unter dem entsprechenden Beitrag klickst. Vielen Dank!

07.08.2015, 13:53
Beitrag #21

hansi9990 Offline
LVF-Gelegenheitsschreiber
**


Beiträge: 180
Registriert seit: Mar 2015

2019
2014
DE

96xxx
Deutschland
RE: Fehlercluster via Queue
Ok, war von mir falsch ausgedrückt.
Ich meinte nur das man einen Standard Case ja auch definieren kann, nur fage ich mich soll oder muss ich das dann auch oder lasse ich einfach die Definition weg. z.B. die beiden Bilder unten Zeigen einmal einen Case mit String Selektor in dem einmal nichts definiert wurde und einmal ein "" Leer String, vermutlich würde das in beiden Fällen das gleich ergeben oder?
Also könnte man doch sagen das man auf der sicheren Seite ist wenn man unabhängig von Datentyp (abgesehen von Boolschen) am Selektor einen leeren Case erstellet und diesen ohne weitere Definition zum Standard mach?


Angehängte Datei(en) Thumbnail(s)
       
Alle Beiträge dieses Benutzers finden
Diese Nachricht in einer Antwort zitieren to top
Anzeige
07.08.2015, 13:57 (Dieser Beitrag wurde zuletzt bearbeitet: 07.08.2015 13:59 von GerdW.)
Beitrag #22

GerdW Offline
______________
LVF-Team

Beiträge: 17.533
Registriert seit: May 2009

LV2019 (LV2021)
1995
DE_EN

10×××
Deutschland
RE: Fehlercluster via Queue
Hallo Hansi,

Zitat:Zeigen einmal einen Case mit String Selektor in dem einmal nichts definiert wurde und einmal ein "" Leer String, vermutlich würde das in beiden Fällen das gleich ergeben oder?
Nein, das ist nicht gleich!
Einmal hast du einen Standard-Case, der alles ausführt, was nicht in anderen Cases definiert wurde.
Im anderen Fall hast du einen Case, der alles ausführt, was nicht woanders definiert wurde UND zusätzlich auf leere Strings reagiert!

Zitat:Also könnte man doch sagen das man auf der sicheren Seite ist wenn man unabhängig von Datentyp … am Selektor einen leeren Case erstellet und diesen ohne weitere Definition zum Standard mach?
Das kann man nicht pauschal beanworten, da es davon abhängt, was deine Case-Struktur machen soll…

Alle Beiträge dieses Benutzers finden
Diese Nachricht in einer Antwort zitieren to top
07.08.2015, 14:01
Beitrag #23

jg Offline
CLA & CLED
LVF-Team

Beiträge: 15.864
Registriert seit: Jun 2005

20xx / 8.x
1999
EN

Franken...
Deutschland
RE: Fehlercluster via Queue
Ich möchte Gerd (in Grenzen) widersprechen.

Das Endresultat wird im zweiten Fall identisch sein, solange du nicht in einem der anderen Cases ebenfalls einen "leeren String" definiert hast. Aber in diesem Fall wird dir LabVIEW eine Fehlermeldung ausspucken und du kannst den Fehler beheben.

Gruß, Jens

Wer die erhabene Weisheit der Mathematik tadelt, nährt sich von Verwirrung. (Leonardo da Vinci)

!! BITTE !! stellt mir keine Fragen über PM, dafür ist das Forum da - andere haben vielleicht auch Interesse an der Antwort!

Einführende Links zu LabVIEW, s. GerdWs Signatur.
Alle Beiträge dieses Benutzers finden
Diese Nachricht in einer Antwort zitieren to top
07.08.2015, 14:11 (Dieser Beitrag wurde zuletzt bearbeitet: 07.08.2015 15:56 von hansi9990.)
Beitrag #24

hansi9990 Offline
LVF-Gelegenheitsschreiber
**


Beiträge: 180
Registriert seit: Mar 2015

2019
2014
DE

96xxx
Deutschland
RE: Fehlercluster via Queue
Ok, habe verstanden. Smile

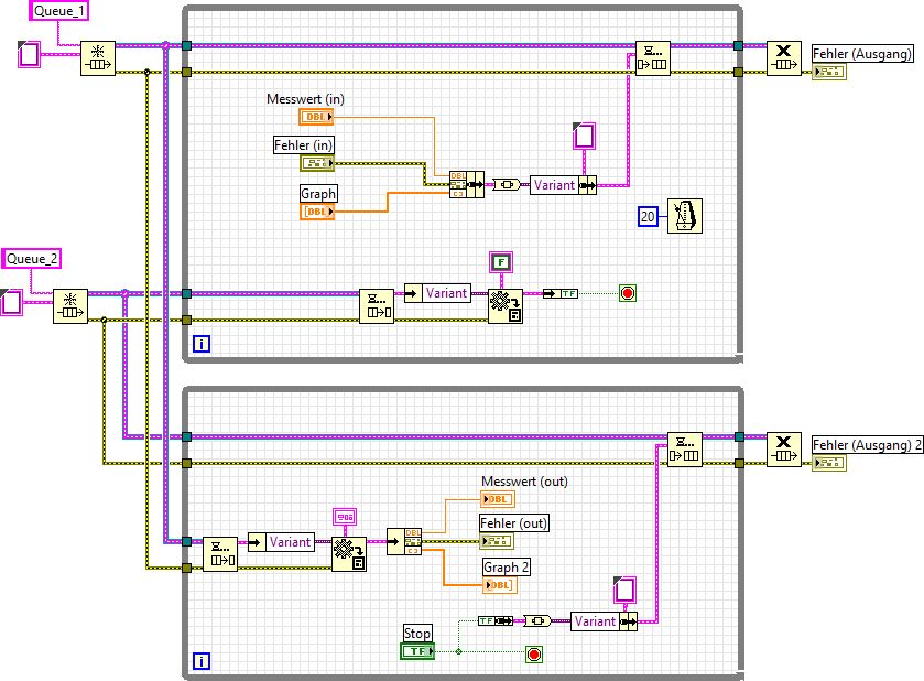
Mir ist aber noch aufgefallen das in meinen Aufbau zuerst die Sendeschleife über einen Knopf beendet wird und dann wenn in der Empfangsschleife keine Daten ankommen wird diese auch beendet. Leider benötige ich es umgedreht, ich komme über das Frontpanel nur an die Empfangsschleife und müsste somit dies zuerst beenden, wie bekomme ich das Stopsignal in die Sendeschleife?


Wäre das der richtige Ansatz?


Angehängte Datei(en) Thumbnail(s)
   
Alle Beiträge dieses Benutzers finden
Diese Nachricht in einer Antwort zitieren to top
Antwort schreiben 


Möglicherweise verwandte Themen...
Themen Verfasser Antworten Views Letzter Beitrag
  Wie auf abgearbeitete Queue warten mez15 11 10.231 28.09.2017 13:02
Letzter Beitrag: TR61
  Datum Uhrzeit Queue DeleteAll 8 7.149 24.03.2017 15:47
Letzter Beitrag: GerdW
  LabView Fehlercluster Handhabung hansi9990 5 5.472 12.10.2016 00:37
Letzter Beitrag: rolfk
  TDMS in Queue laden gifo 8 6.809 07.01.2016 16:41
Letzter Beitrag: GerdW
  Queue und (kein) Dataflow NoWay 9 8.974 01.06.2015 11:56
Letzter Beitrag: Kiesch
  Notifier und Queue Nattdis 3 7.512 27.11.2014 14:51
Letzter Beitrag: Lucki

Gehe zu: