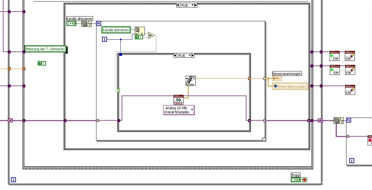
Ich würde vom Prinzip her alle AI in einen Task packen, der läuft dann dauernd durch, und an den entsprechenden Stellen pickst du dir dann den gewünschten Kanal raus.
Momentan startest du wahrscheinlich durch deine DAQmx-Reads immer wieder implizit neue Tasks, ohne dass die sauber aus dem Speicher gelöscht werden. Deshalb deine Fehlermeldung...
Alternativ, wenn du meinst, dass du jeden AI doch weiterhin einzeln nacheinander messen willst, dann vielleicht für jeden Task ein eigenes SubVI schreiben, schön brav mit der Reihenfolge Init - Start- Read - Stopp - Clear.
Gruß, Jens

@Markus: Wieso bringst du dauernd AO-Beispiele? Geht doch nur um AI.