|
15.04.2009, 14:33
Beitrag #1
|
vogster
LVF-Gelegenheitsschreiber
 
Beiträge: 80
Registriert seit: Feb 2007
8.2.1, 8.6.1, 9.0, 2011
2006
DE
80807
Deutschland
|
Frontpanel einblenden bzw. ausblenden
Hallo Forum,
ich habe da mal wieder ein kleines Problem:
Aus meinem StartVI heraus starte ich zwei Programme. Über zwei Schaltflächen auf dem Frontpanel des Start VI´s möchte ich die Frontpanel der beiden
Programme ein bzw. ausblenden. In der Entwicklungsumgebung funktioniert dieses bei beiden Programme einwandfrei.
Sobald ich eine EXE erstelle funktioniert das Ein- und Ausblenden nur noch bei dem unteren Programm (AnalogEingaengeServer.vi). Bei dem oberen Programm tut sich nichts.
Die VI - Einstellungen (FP: Datei -> VI - Einstellungen) sind bei beiden Programmen identisch. Auch die Einstellungen sowie die SUB - VI - Einstellungen (rechte Maustaste auf das Programm) sind gleich.
Hier der Code:
1. Im False - Case soll der Frontpanel geschlossen werden:
2. Im True - Case soll der Frontpanel geöffnet werden:
Ich habe hier schon einige Beiträge gelesen, in denen dieses Problem etwas mit dem Pfad und der entsprechenden Referenz zu tun hat.
Daran scheint es hier aber nicht zu liegen. Bei einem der beiden Programme funktioniert es ja schließlich.
Hat jemand eine Idee?
Vielen Dank vorab für die Unterstützung.
Vogster
|
|
|
|
|
15.04.2009, 15:04
Beitrag #2
|
RoLe
LVF-Guru
    
Beiträge: 1.236
Registriert seit: Jul 2007
-
1997
en
0
Schweiz
|
Frontpanel einblenden bzw. ausblenden
' schrieb:Ich habe hier schon einige Beiträge gelesen, in denen dieses Problem etwas mit dem Pfad und der entsprechenden Referenz zu tun hat.
Daran scheint es hier aber nicht zu liegen. Bei einem der beiden Programme funktioniert es ja schließlich.
Kommt darauf an, wie du das machst.
Die 2 VI liegen so auf der HD oder sind diese în der EXE.
Wenn diese in der EXE sind, dann stimmt der Pfad nicht, ansonsten vermutlich schon.
Warum aber eines geht und das andere nicht, sehe ich jetzt auch nicht.
.·´¯)--> Leben ist das, was dir passiert, wenn du eifrig dabei bist andere Pläne zu machen <--(¯`·.
|
|
|
|
|
15.04.2009, 15:19
Beitrag #3
|
IchSelbst
LVF-Guru
    
Beiträge: 3.708
Registriert seit: Feb 2005
11, 14, 15, 17, 18
-
DE
97437
Deutschland
|
Frontpanel einblenden bzw. ausblenden
' schrieb:Warum aber eines geht und das andere nicht, sehe ich jetzt auch nicht.
Zumal beide VIs ja laufen, da im BD.
Ich tippe mal darauf, dass das zu öffnende SubVI-FP hinter dem MainVI-FP verschwindet. Mit ALT-Tab könnte es hervor kommen. Den Effekt kenn ich nämlich auch. Warum aber manchmal das SubVI-FP hinter dem MainVI-FP verschwindet, konnte ich noch nicht ausfindig machen.
Jeder, der zur wahren Erkenntnis hindurchdringen will, muss den Berg Schwierigkeit alleine erklimmen (Helen Keller).
|
|
|
|
|
17.04.2009, 08:02
Beitrag #6
|
|
|
|
|
|
27.04.2009, 18:27
Beitrag #7
|
vogster
LVF-Gelegenheitsschreiber
 
Beiträge: 80
Registriert seit: Feb 2007
8.2.1, 8.6.1, 9.0, 2011
2006
DE
80807
Deutschland
|
Frontpanel einblenden bzw. ausblenden
Hallo,
leider hatte ich in der letzten Woche viel Stress, daher melde ich mich erste heute wieder.
Da ich die Geschichte mit den Pfaden unschön fand, habe ich folgendes probiert:
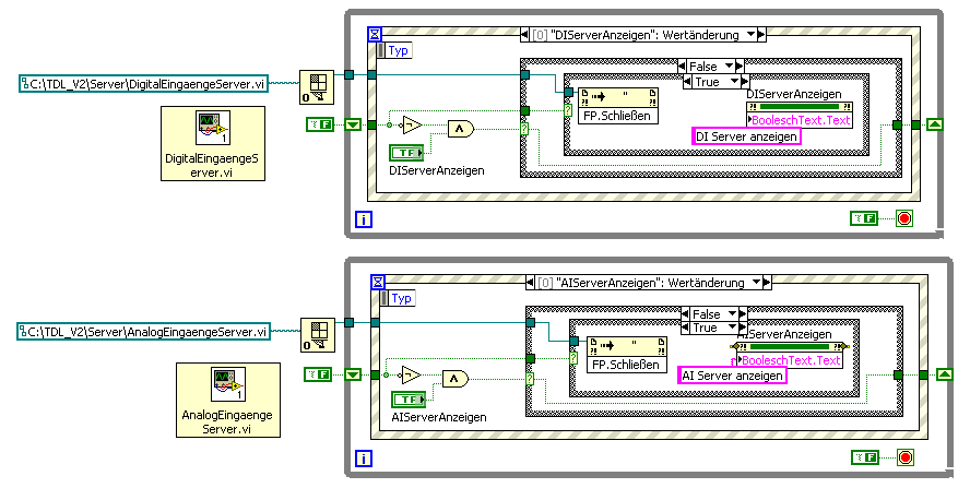
Ich habe in jedem VI (mittlerweile 6) dessen FP ich ein- bzw. ausblenden möchte folgendes hinzugefügt:
Über den True - Case wird der jeweilige Frontpanel geöffnet, das Programm wird direkt im Start-VI gestartet, wie schon im ersten Beitrag beschrieben.
Eine Anforderung zum Anzeigen/Schließen des FP´s wird per Melder übertragen.
Über den False-Case wird der jeweilige Frontpanel geschlossen.
Der Code im Startprogramm hat sich nur unwesentlich geändert, statt der Eigenschaftskonten werden nun die Melder gesetzt.
Nach wie vor habe ich folgende Situation:
In der Entwicklungsumgebung funktioniert alles einwandfrei.
Solabd ich eine EXE erstelle lassen sich nur die Hälfte der Programme ordentlich bedienen.
(Beim ersten Eintrag war es 1 von 2 Programmen, nun sind es 3 von 6)
Ich kann mir nur noch vorstellen, dass mein Problem irgendwie mit den UnterVI´s zusammenhängt.
Die Grundeinstellungen sind aber bei allen 6 VI´s gleich.
Das Fenstererscheinungsbild steht auf voreinstellungen, das VI wird beim Start nicht angezeigt.
Hat noch jemand einen Tipp?
|
|
|
|
|
27.04.2009, 19:57
Beitrag #8
|
jg
CLA & CLED
Beiträge: 15.864
Registriert seit: Jun 2005
20xx / 8.x
1999
EN
Franken...
Deutschland
|
Frontpanel einblenden bzw. ausblenden
Arbeite doch mal nur mit den Methoden FP.Open und FP.Close. Laut Hilfe rät NI von der Verwendung der PropertyNode FP.Open ab. Vielleicht bringt es auch was, die RefNums nach Verwendung zu schließen. (Schaden kann es nicht).
Gruß, Jens
Wer die erhabene Weisheit der Mathematik tadelt, nährt sich von Verwirrung. (Leonardo da Vinci)
!! BITTE !! stellt mir keine Fragen über PM, dafür ist das Forum da - andere haben vielleicht auch Interesse an der Antwort!
Einführende Links zu LabVIEW, s. GerdWs Signatur.
|
|
|
|
|
28.04.2009, 12:09
Beitrag #9
|
vogster
LVF-Gelegenheitsschreiber
 
Beiträge: 80
Registriert seit: Feb 2007
8.2.1, 8.6.1, 9.0, 2011
2006
DE
80807
Deutschland
|
Frontpanel einblenden bzw. ausblenden
Hallo Jens,
habe ich gerade mal umgestellt, bringt auch nichts.
Im VI klappt alles wunderbar, in allen versuchten Varianten, nur in der EXE funktioniert es nicht.
Gibt es sonst noch irgendwelche Eigenschaften für ein VI, die nicht über Date -> VI-Eigenschaften zu finden sind, die derartige Auswirkungen haben könnten?
Danke für die Hilfe,
Vogster
|
|
|
|
| |