INFO: Dieses Forum nutzt Cookies...
Cookies sind für den Betrieb des Forums unverzichtbar. Mit der Nutzung des Forums erklärst Du dich damit einverstanden, dass wir Cookies verwenden.

Es wird in jedem Fall ein Cookie gesetzt um diesen Hinweis nicht mehr zu erhalten. Desweiteren setzen wir Google Adsense und Google Analytics ein.


Antwort schreiben 

Graphenausgabe aus einer Tabelle



Wenn dein Problem oder deine Frage geklärt worden ist, markiere den Beitrag als "Lösung",
indem du auf den "Lösung" Button rechts unter dem entsprechenden Beitrag klickst. Vielen Dank!

21.01.2010, 16:47 (Dieser Beitrag wurde zuletzt bearbeitet: 21.01.2010 18:11 von Y-P.)
Beitrag #1

onkelmalle Offline
LVF-Neueinsteiger


Beiträge: 6
Registriert seit: Jan 2010

8.2.1
2009
de

39112
Deutschland
Graphenausgabe aus einer Tabelle
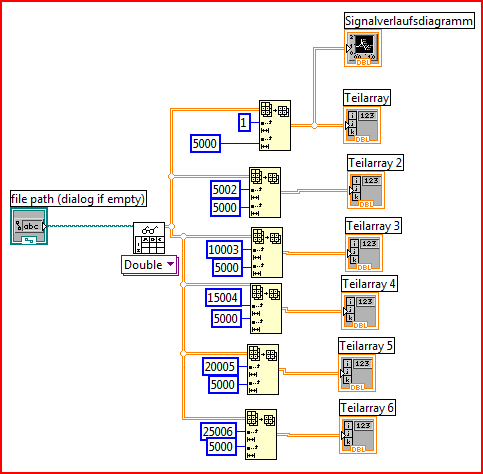
Hallo zusammen, ich bin ein LAbview Anfänger und möchte ein Programm schreiben was aus einer Tabelle (2 Spalten und 30 000 Zeilen) 6 Teilarrays bildet, zu je 5000 Zeilen der Ausgangstabelle(1. Array= Wert 1-5000 ; 2. Array= Wert 5000-10000 usw.). Diese Werte der Teilarrays möchte ich dann jeweils in einem Graph darstellen.
Ich bin jetzt so weit, dass er die Werte in ein Array speichert und nun will ich aus diesem Array 6 Teilarrays erstellen. Und da liegt das Problem das ich nicht genau weiss wie ich das realisieren kann das er aus einem grossen Array immer 5000 Werte ausliest und diese in ein Teilarray abspeichert.
Benötige dringend Hilfe diesbezüglich. Zum besseren Verständniss hab ich einfach mal mein Blockdiagramm als pdf mit angehängt. [EDIT von Y-P: doppelte PDF-Anhänge wurden gelöscht und als JPG angehängt]
Vielen Dank für eure Hilfe!!!

   
Alle Beiträge dieses Benutzers finden
Diese Nachricht in einer Antwort zitieren to top
Anzeige
21.01.2010, 18:22
Beitrag #2

Y-P Offline
☻ᴥᴥᴥ☻ᴥᴥᴥ☻
LVF-Team

Beiträge: 12.612
Registriert seit: Feb 2006

Developer Suite Core -> LabVIEW 2015 Prof.
2006
EN

71083
Deutschland
Graphenausgabe aus einer Tabelle
Bitte keine PDF's für Screenshots verwenden. Danke.

Hier ein Bsp. nach der Luckischen Methode. Er hat da zur Zeit Gefallen daran gefunden. Big Grin


Sonstige .vi  Array.vi (Größe: 16,8 KB / Downloads: 302)

Lv82_img

Gruß Markus

--------------------------------------------------------------------------
Bitte stellt mir keine Fragen über PM, dafür ist das Forum da - andere haben vielleicht auch Interesse an der Antwort !!
--------------------------------------------------------------------------
Alle Beiträge dieses Benutzers finden
Diese Nachricht in einer Antwort zitieren to top
25.01.2010, 16:46
Beitrag #3

onkelmalle Offline
LVF-Neueinsteiger


Beiträge: 6
Registriert seit: Jan 2010

8.2.1
2009
de

39112
Deutschland
Graphenausgabe aus einer Tabelle
Hallo zusammen, ich bin ein LAbview Anfänger und möchte ein Programm schreiben was aus einer Tabelle (2 Spalten und 30 000 Zeilen) 6 Teilarrays bildet, zu je 5000 Zeilen der Ausgangstabelle(1. Array= Wert 1-5000 ; 2. Array= Wert 5000-10000 usw.). Diese Werte der Teilarrays möchte ich dann jeweils in einem Graph darstellen.
Ich bin jetzt so weit, dass er die Werte in ein Array speichert und nun will ich aus diesem Array 6 Teilarrays erstellen. Und da liegt das Problem das ich nicht genau weiss wie ich das realisieren kann das er aus einem grossen Array immer 5000 Werte ausliest und diese in ein Teilarray abspeichert.
Benötige dringend Hilfe diesbezüglich. Vielen Dank für eure Hilfe!!!
Alle Beiträge dieses Benutzers finden
Diese Nachricht in einer Antwort zitieren to top
25.01.2010, 17:08
Beitrag #4

jg Offline
CLA & CLED
LVF-Team

Beiträge: 15.864
Registriert seit: Jun 2005

20xx / 8.x
1999
EN

Franken...
Deutschland
Graphenausgabe aus einer Tabelle
Offtopic
LVF-Regeln lesen und beachten!
Kein Doppelposting derselben Frage!

Gruß, Jens

Wer die erhabene Weisheit der Mathematik tadelt, nährt sich von Verwirrung. (Leonardo da Vinci)

!! BITTE !! stellt mir keine Fragen über PM, dafür ist das Forum da - andere haben vielleicht auch Interesse an der Antwort!

Einführende Links zu LabVIEW, s. GerdWs Signatur.
Alle Beiträge dieses Benutzers finden
Diese Nachricht in einer Antwort zitieren to top
25.01.2010, 17:15
Beitrag #5

BsaiboT Offline
LVF-Stammgast
***


Beiträge: 449
Registriert seit: Nov 2009

2010
2007
kA

22459
Deutschland
Graphenausgabe aus einer Tabelle
So gehts auch (prinzipiell):

Sonstige .vi  subarray.vi (Größe: 10,83 KB / Downloads: 285)
(LV2009)

.....aber das "luckische" Beispiel von Z-P gepostet, finde ich persönlich toller... :-)
Alle Beiträge dieses Benutzers finden
Diese Nachricht in einer Antwort zitieren to top
25.01.2010, 19:06
Beitrag #6

onkelmalle Offline
LVF-Neueinsteiger


Beiträge: 6
Registriert seit: Jan 2010

8.2.1
2009
de

39112
Deutschland
Graphenausgabe aus einer Tabelle
Danke erstmal für die Beiträge, habe es jetzt etwas einfacher ohne Schleife gemacht. Ist zwar nicht die übersichtlichste Art aber es führte mich erstmal zum Ergebniss. Nun möchte ich die sechs Kurvenverläufe sowie deren jeweilige Nummerierung (Auszug 1-36) untereinander in einzelnen Graphen anzeigen (x-Achse: Zeit; y-Achse: Klickerwerte) . Über einen Scroll-Button soll eine Auswahl zwischen sechs Kurvengruppenverläufen möglich (Auszüge 1-6; 7-12; 13-18; 19-24; 25-30; 31-36)sein. Hatte das über einen Signalverlauf probiert dies führte mich leider noch nicht zum gewünschten Ergebniss. Was meint ihr was könnte man noch verwenden um dies zu realisieren, die LabVIEW hilfe bietet da ja nicht soviele alternativen Dry.

aso @ EIS-Tobias leider konnte ich dein Programm nicht öffnen da ich LabVIEW 8.2 habe

gruß malle


Angehängte Datei(en)
Sonstige .vi  projekt2.vi (Größe: 27,23 KB / Downloads: 240)
Alle Beiträge dieses Benutzers finden
Diese Nachricht in einer Antwort zitieren to top
Anzeige
25.01.2010, 19:11
Beitrag #7

onkelmalle Offline
LVF-Neueinsteiger


Beiträge: 6
Registriert seit: Jan 2010

8.2.1
2009
de

39112
Deutschland
Graphenausgabe aus einer Tabelle
Aso vielleicht wundern sich jetzt einige über die Zahlen die an den Arrays stehe die habe ich so gewählt das es mit dem Schuss klappt. Ich hänge einfach mal die eine tabelle an.
Alle Beiträge dieses Benutzers finden
Diese Nachricht in einer Antwort zitieren to top
25.01.2010, 19:29
Beitrag #8

BsaiboT Offline
LVF-Stammgast
***


Beiträge: 449
Registriert seit: Nov 2009

2010
2007
kA

22459
Deutschland
Graphenausgabe aus einer Tabelle
Hallo Malle,

tut mir Leid, hab mich in deinem Profil verguckt und "LV Erfahrung seit: 2009" nur als LV 2009 gesehen. Werde es morgen nochmal als LV8.2 hochladen....

:-)
Alle Beiträge dieses Benutzers finden
Diese Nachricht in einer Antwort zitieren to top
25.01.2010, 21:39
Beitrag #9

SeBa Offline
LVF-Guru
*****


Beiträge: 2.025
Registriert seit: Oct 2008

09SP1 & 10 FDS
2008
DE

65xxx
Deutschland
Graphenausgabe aus einer Tabelle
Arrays starten mit dem Index 0...

...du verlierst den ersten Wert, wenn du am Index eine 1 anschließst.

   


Gruß SeBa

Dieser Beitrag soll weder nützlich, informativ noch lesbar sein.

Er erhebt lediglich den Anspruch dort wo er ungenau ist, wenigstens eindeutig ungenau zu sein.
In Fällen größerer Abweichungen ist es immer der Leser, der sich geirrt hat.

Rette einen Baum!
Diesen Beitrag nur ausdrucken, wenn unbedingt nötig!
Alle Beiträge dieses Benutzers finden
Diese Nachricht in einer Antwort zitieren to top
26.01.2010, 10:02
Beitrag #10

onkelmalle Offline
LVF-Neueinsteiger


Beiträge: 6
Registriert seit: Jan 2010

8.2.1
2009
de

39112
Deutschland
Graphenausgabe aus einer Tabelle
Hey Seba,
das passt schon da in der Oten Zeile keine Werte nur eine Überschrift steht. Leider kann ich die Tabelle nicht hochladen:(sonst würde dies deutlich werden. So wie ich die Indexe gesetzt habe passt es aber genau bei mir, das problem das ich nun habe ist das der Graphenausgabe.
Alle Beiträge dieses Benutzers finden
Diese Nachricht in einer Antwort zitieren to top
Antwort schreiben 


Möglicherweise verwandte Themen...
Themen Verfasser Antworten Views Letzter Beitrag
  Bildlaufleiste/Scrollbalken (einer Tabelle) verbreitern Horst 6 8.130 15.06.2020 09:34
Letzter Beitrag: Horst
  Farben verschwinden beim Speichern einer Tabelle dulfried 4 6.837 14.09.2017 14:45
Letzter Beitrag: dulfried
  Anzahl beschriebener Zeilen einer Tabelle jan_1 17 13.023 15.03.2017 12:54
Letzter Beitrag: GerdW
  Zeilen einer Tabelle ausblenden chrissy 6 7.355 19.07.2016 07:38
Letzter Beitrag: Freddy
  Dropdown für Zellen in einer Tabelle Tobi Wan Kenobi 3 6.590 15.07.2016 05:49
Letzter Beitrag: Tobi Wan Kenobi
  Zeilen einer Tabelle durchnummerieren chrissy 3 5.815 27.06.2016 14:40
Letzter Beitrag: chrissy

Gehe zu: