INFO: Dieses Forum nutzt Cookies...
Cookies sind für den Betrieb des Forums unverzichtbar. Mit der Nutzung des Forums erklärst Du dich damit einverstanden, dass wir Cookies verwenden.

Es wird in jedem Fall ein Cookie gesetzt um diesen Hinweis nicht mehr zu erhalten. Desweiteren setzen wir Google Adsense und Google Analytics ein.


Antwort schreiben 

Grundzustand USB-6009



Wenn dein Problem oder deine Frage geklärt worden ist, markiere den Beitrag als "Lösung",
indem du auf den "Lösung" Button rechts unter dem entsprechenden Beitrag klickst. Vielen Dank!

27.01.2014, 08:39
Beitrag #1

Hachiko Offline
LVF-Gelegenheitsschreiber
**


Beiträge: 87
Registriert seit: Sep 2010

LV 2019
2010
kA


Deutschland
Grundzustand USB-6009
Hallo,

wenn mich mein USB-6009 mit USB verbinde, sind alle Ports automatisch auf log. "1!, d.h. ich messe 5V gegen GND.
Das ist dahingehend schlecht, da beim Rechner hochfahren bereits Relais anziehen, was zu Aktionen in der Schaltung führt.
Erst nach einer Initialsierung über LV, werden die Port log "0".

Ich hoffe, dass sich das ändern lässt, weiß jemand wie? Mein Wunsch wäre, das alle Ports initial auf log. "0" sind.

Gruß

Hachiko

lv12_img
Alle Beiträge dieses Benutzers finden
Diese Nachricht in einer Antwort zitieren to top
Anzeige
27.01.2014, 09:01
Beitrag #2

jg Offline
CLA & CLED
LVF-Team

Beiträge: 15.864
Registriert seit: Jun 2005

20xx / 8.x
1999
EN

Franken...
Deutschland
RE: Grundzustand USB-6009
Aus der 6009-Doku:

Zitat:Power-On States
At system startup and reset, the hardware sets all DIO lines to high-impedance inputs. The DAQ device
does not drive the signal high or low. Each line has a weak pull-up resistor connected to it

Bei einer 6009 kannst du das nicht ändern.

Gruß, Jens

Wer die erhabene Weisheit der Mathematik tadelt, nährt sich von Verwirrung. (Leonardo da Vinci)

!! BITTE !! stellt mir keine Fragen über PM, dafür ist das Forum da - andere haben vielleicht auch Interesse an der Antwort!

Einführende Links zu LabVIEW, s. GerdWs Signatur.
Alle Beiträge dieses Benutzers finden
Diese Nachricht in einer Antwort zitieren to top
27.01.2014, 09:11 (Dieser Beitrag wurde zuletzt bearbeitet: 27.01.2014 09:12 von Y-P.)
Beitrag #3

Y-P Offline
☻ᴥᴥᴥ☻ᴥᴥᴥ☻
LVF-Team

Beiträge: 12.612
Registriert seit: Feb 2006

Developer Suite Core -> LabVIEW 2015 Prof.
2006
EN

71083
Deutschland
RE: Grundzustand USB-6009
Da musst Du, wenn möglich, Deine Schaltung "invertieren", bzw. einen kleinen Zwischenadapter bauen, der die Relais erst nach der Initialisierung auf Deine Schaltung loslässt.

Gruß Markus

--------------------------------------------------------------------------
Bitte stellt mir keine Fragen über PM, dafür ist das Forum da - andere haben vielleicht auch Interesse an der Antwort !!
--------------------------------------------------------------------------
Alle Beiträge dieses Benutzers finden
Diese Nachricht in einer Antwort zitieren to top
27.01.2014, 09:13
Beitrag #4

Hachiko Offline
LVF-Gelegenheitsschreiber
**


Beiträge: 87
Registriert seit: Sep 2010

LV 2019
2010
kA


Deutschland
RE: Grundzustand USB-6009
Hi,

alles klar, dann nehme ich den Öffnerkontakt, damit ist die Logik gedreht.
Kennt jemand den Grund warum das bei diesem Modul initial alles auf High liegt?

Danke.

Gruß

Hachiko
Alle Beiträge dieses Benutzers finden
Diese Nachricht in einer Antwort zitieren to top
27.01.2014, 09:21 (Dieser Beitrag wurde zuletzt bearbeitet: 27.01.2014 09:22 von Y-P.)
Beitrag #5

Y-P Offline
☻ᴥᴥᴥ☻ᴥᴥᴥ☻
LVF-Team

Beiträge: 12.612
Registriert seit: Feb 2006

Developer Suite Core -> LabVIEW 2015 Prof.
2006
EN

71083
Deutschland
RE: Grundzustand USB-6009
http://forums.ni.com/t5/Multifunction-DA...d-p/657622

Zitat:The USB-6008/6009 has an internal pull-up resistor that has a 4.7 kOhm resistance. This causes the digital outputs on the device to have a logic high start-up state. Attaching a pull-down resistor is not the answer to achieve a logic low start up state on the USB-6008/6009. A pull-down resistor can be used with 653x series of DIO cards, but it is not recommended for the USB-6008/6009. Since the 600x board already have an internal pull-up resistor, attaching a pull down resistor to the USB-6008/6009 will essentially create a voltage divider and will cause the device to not work properly.

Gruß Markus

--------------------------------------------------------------------------
Bitte stellt mir keine Fragen über PM, dafür ist das Forum da - andere haben vielleicht auch Interesse an der Antwort !!
--------------------------------------------------------------------------
Alle Beiträge dieses Benutzers finden
Diese Nachricht in einer Antwort zitieren to top
27.01.2014, 09:28
Beitrag #6

GerdW Offline
______________
LVF-Team

Beiträge: 17.534
Registriert seit: May 2009

LV2019 (LV2021)
1995
DE_EN

10×××
Deutschland
RE: Grundzustand USB-6009
Hallo Hachiko,

Zitat:alles klar, dann nehme ich den Öffnerkontakt, damit ist die Logik gedreht.
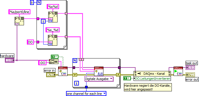
Nachdem die Grundlagen durch Manual-Lesen geklärt sind, hier noch ein Tipp: auch mit invertierendem Ausgangstreiber (wie z.B. der Öffnerkontakt deines Relais) kann man bequem umgehen, da DAQmx die Möglichkeit bietet, mit invertierender Logik zu arbeiten: Man nutze die DAQmx-Property "DO.LeitungInvertieren" wie im Bild:
   
Dann kann man im Programm mit "normaler" Logik arbeiten und die Hardware wird trotzdem richtig herum angesteuert…

Alle Beiträge dieses Benutzers finden
Diese Nachricht in einer Antwort zitieren to top
Anzeige
30
Antwort schreiben 


Gehe zu: