18.05.2020, 11:26
(Dieser Beitrag wurde zuletzt bearbeitet: 18.05.2020 11:31 von MicroScoop.)
Beitrag #1
|
|
|
|
|
|
18.05.2020, 11:38
Beitrag #2
|
GerdW
______________
Beiträge: 17.540
Registriert seit: May 2009
LV2019 (LV2021)
1995
DE_EN
10×××
Deutschland
|
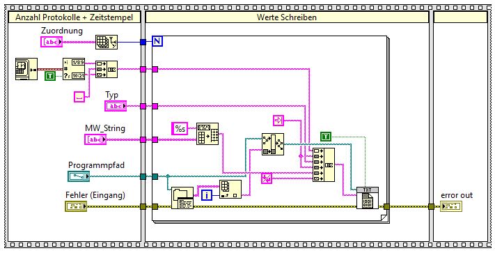
RE: In Textdatei schreiben
Hallo Scoop,
Zitat:- Programm läuft weiter, ohne Fehlermeldung
- es wird nur nichts mehr in die .txt geschrieben
Jemand nen Tip oder ne Idee?
Wenn es wirklich keine Fehlermeldung gibt: was hat das Debugging ergeben?
Wird das gezeigte subVI überhaupt noch aufgerufen?
Warum muss man die Datei ständig öffnen/schließen?
Ist jemand parallel damit beschäftigt, diese Datei zu öffnen/bearbeiten? (Was allerdings Fehler in deinem subVI provozieren sollte…)
|
|
|
|
18.05.2020, 12:12
(Dieser Beitrag wurde zuletzt bearbeitet: 18.05.2020 12:27 von MicroScoop.)
Beitrag #3
|
MicroScoop
Medium-Avanciert
 
Beiträge: 52
Registriert seit: Jun 2019
15.0.1f10(32bit)
2015
DE
07629
Deutschland
|
RE: In Textdatei schreiben
Zitat:Wenn es wirklich keine Fehlermeldung gibt: was hat das Debugging ergeben?
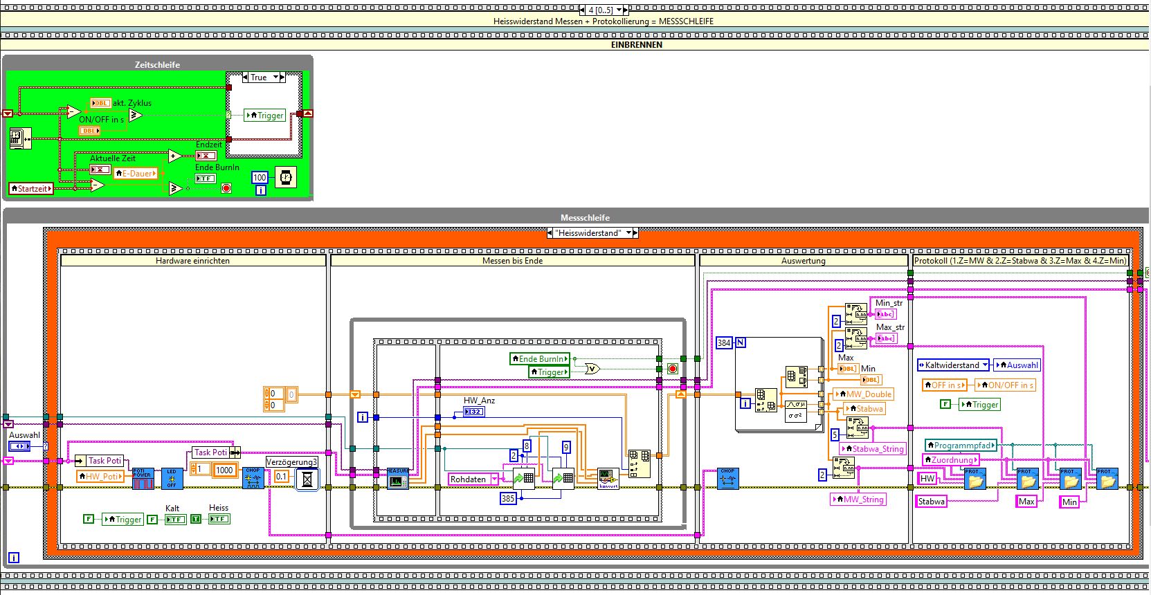
- aktuell läuft auf dem System nur eine .exe, wo sich die Fehlersuche schwierig gestaltet, ist leider ein Programm von einem früheren Mitarbeiter
- Das Programm versuch ich gerade zu analysieren. die erste halbe stunde läuft es "tadellos". ABer wie gesagt der Fehler tritt immer zur selben Zeit auf und der PC hängt auch nicht im Intranet.
- 17.2MB
- oder 8206 Zeilen
- oder nach 545h Programmlaufzeit
Zitat:Wird das gezeigte subVI überhaupt noch aufgerufen?
- ja muss es. das läuft alles in ner while schleife: messen-speichern
Zitat:Warum muss man die Datei ständig öffnen/schließen?
Ist jemand parallel damit beschäftigt, diese Datei zu öffnen/bearbeiten? (Was allerdings Fehler in deinem subVI provozieren sollte…)
- ja da wird zwischen drin immer mal ins Protokoll gekuckt, wie du siehst, das läuft alles mit sehr großen Zeitintervallen
|
|
|
|
|
18.05.2020, 12:22
Beitrag #4
|
jg
CLA & CLED
Beiträge: 15.864
Registriert seit: Jun 2005
20xx / 8.x
1999
EN
Franken...
Deutschland
|
RE: In Textdatei schreiben
Bei meiner Firma haben wir mit ähnlich gelagerten Konstrukten früher schon gesamte Festplatten vollgeschrieben, das waren am Ende zig GByte große Textdateien, die sich mit keinem Text-Editor mehr öffnen ließen. An deinem Programm-Ausschnitt dürfte das Problem also eher nicht liegen.
Wenn ihr diese *.txt Datei auch nur mit einem Text-Editor öffnet, dann sollten auch keine Zugriffsprobleme auftreten. Aus meiner Erfahrung erzeugen Programme wie Notepad++ oder der Windows-Texteditor keine Zugriffssperre auf eine Textdatei, so wie es z.B. Excel oder Word machen würden.
Da muss IMHO eine andere Ursache in deinem Programm versteckt sein...
Gruß, Jens
Wer die erhabene Weisheit der Mathematik tadelt, nährt sich von Verwirrung. (Leonardo da Vinci)
!! BITTE !! stellt mir keine Fragen über PM, dafür ist das Forum da - andere haben vielleicht auch Interesse an der Antwort!
Einführende Links zu LabVIEW, s. GerdWs Signatur.
|
|
|
|
|
18.05.2020, 12:28
Beitrag #5
|
|
|
|
|
18.05.2020, 12:32
(Dieser Beitrag wurde zuletzt bearbeitet: 18.05.2020 12:35 von MicroScoop.)
Beitrag #6
|
MicroScoop
Medium-Avanciert
 
Beiträge: 52
Registriert seit: Jun 2019
15.0.1f10(32bit)
2015
DE
07629
Deutschland
|
RE: In Textdatei schreiben
Danke Jens
Danke Freddy
Das Programm umschreiben, wird nix, das ist alt, schlecht programmiert und sieht aus wie die typischen "so-nicht"-Beispielbilder, die Zeit hab ich leider nicht... Dachte die Fehlersuche gestaltet sich leichter.
Naja vielleicht stoß ich ja noch auf DEN "bug" oder jemand hat noch nen Einfall.
Aber vielen Dank allen Beteiligten
(18.05.2020 12:28 )Freddy schrieb: Das mit dem Zeitintervall ist so eine Sache.
Wenn ich es richtig verstanden habe werden alle 10 Minuten große Mengen an Daten inner halb von Sekunden in eine Textdatei geschrieben.
Textdateien sind dafür als Datenspeicherung nicht geeignet.
Aber wenn es doch sein muss, dann solltest Du in Deinem Programm dafür sorgen, dass keine Datenüberschwemmung stattfindet.
Ich würde die Speicherung in ein eigenes Queue legen um immer die Zeit für die Speicherung zu haben.
So macht es auch nichts, wenn zuviel auf einmal kommt.
Mehr kann man nur sagen, wenn man das gesamte VI sieht.
Gruß
Freddy
Achso, das Zeitintervall ist sehr flexibel, je nach Auftrags-Parametern. Das Programm springt von messen jedoch in Speichern und läuft erst weiter wenn der Befehl abgearbeitet ist. Das ist zwar schlecht programmiert, aber in dem Fall heißt das es gibt keinen Stau, da das Programm ja normal weiter läuft auch nach Wochen noch.
|
|
|
|
18.05.2020, 12:44
(Dieser Beitrag wurde zuletzt bearbeitet: 18.05.2020 12:46 von GerdW.)
Beitrag #7
|
GerdW
______________
Beiträge: 17.540
Registriert seit: May 2009
LV2019 (LV2021)
1995
DE_EN
10×××
Deutschland
|
RE: In Textdatei schreiben
Hallo Scoop,
Zitat: ABer wie gesagt der Fehler tritt immer zur selben Zeit auf und der PC hängt auch nicht im Intranet.
- 17.2MB
- oder 8206 Zeilen
- oder nach 545h Programmlaufzeit
Das gibt folgende Möglichkeiten:
Festplatte o.ä. kaputt und die Datei wird deshalb nicht größer als 17.2MB: sehr unwahrscheinlich…
Festplatte o.ä. kaputt und die Datei wird deshalb nicht größer als 8206 Zeilen: sehr unwahrscheinlich…
Ein Programmierfehler, der an einer Zeiterfassung nach 545h Laufzeit scheitert: möglich, aber mangels VI nicht weiter spezifizierbar…
Zitat: ja da wird zwischen drin immer mal ins Protokoll gekuckt, wie du siehst, das läuft alles mit sehr großen Zeitintervallen
Was passiert, wenn man diesen Punkt mal verhindert?
Womit wird in das Protokoll geguckt?
Zitat:Wenn ich es richtig verstanden habe werden alle 10 Minuten große Mengen an Daten inner halb von Sekunden in eine Textdatei geschrieben.
Das halte ich für weniger relevant: es werden ja wohl nur 5 Zeilen mit zusammen weniger als 10kB geschrieben. "Große Menge" ist was anderes…
|
|
|
|
|
18.05.2020, 12:45
Beitrag #8
|
|
|
|
|
18.05.2020, 12:48
(Dieser Beitrag wurde zuletzt bearbeitet: 18.05.2020 12:48 von GerdW.)
Beitrag #9
|
GerdW
______________
Beiträge: 17.540
Registriert seit: May 2009
LV2019 (LV2021)
1995
DE_EN
10×××
Deutschland
|
RE: In Textdatei schreiben
Hallo Scoop,
woher weißt du, dass kein Fehler auftritt, wenn es in der Protokollschleife keine sinnvolle Fehlerbehandlung gibt?
Ansonsten: viel zu viele lokale Variablen, viel zu viele Sequenzrahmen. Ja, das ist schlechter Programmierstil…
|
|
|
|
18.05.2020, 12:49
(Dieser Beitrag wurde zuletzt bearbeitet: 18.05.2020 12:51 von MicroScoop.)
|
MicroScoop
Medium-Avanciert
 
Beiträge: 52
Registriert seit: Jun 2019
15.0.1f10(32bit)
2015
DE
07629
Deutschland
|
RE: In Textdatei schreiben
Zitat:Was passiert, wenn man diesen Punkt mal verhindert?
- genau das selbe. das Programm lief jetzt einen Monat ohne jeglichen Zugriff, leider fehlen nun die Daten
Zitat:Womit wird in das Protokoll geguckt?
- Notepad++
Zitat:Wenn ich es richtig verstanden habe werden alle 10 Minuten große Mengen an Daten inner halb von Sekunden in eine Textdatei geschrieben.
Das halte ich für weniger relevant: es werden ja wohl nur 5 Zeilen mit zusammen weniger als 10kB geschrieben. "Große Menge" ist was anderes…
- seh ich genauso
Zitat:woher weißt du, dass kein Fehler auftritt, wenn es in der Protokollschleife keine sinnvolle Fehlerbehandlung gibt?
- weil beim Programm beenden, der Fehlerstrang ausgegeben wird
Zitat:Ansonsten: viel zu viele lokale Variablen, viel zu viele Sequenzrahmen. Ja, das ist schlechter Programmierstil…
- sag ich ja
|
|
|
|
| |