INFO: Dieses Forum nutzt Cookies...
Cookies sind für den Betrieb des Forums unverzichtbar. Mit der Nutzung des Forums erklärst Du dich damit einverstanden, dass wir Cookies verwenden.

Es wird in jedem Fall ein Cookie gesetzt um diesen Hinweis nicht mehr zu erhalten. Desweiteren setzen wir Google Adsense und Google Analytics ein.


Antwort schreiben 

Integrieren



Wenn dein Problem oder deine Frage geklärt worden ist, markiere den Beitrag als "Lösung",
indem du auf den "Lösung" Button rechts unter dem entsprechenden Beitrag klickst. Vielen Dank!

25.04.2008, 10:50
Beitrag #1

Benjamin84 Offline
LVF-Gelegenheitsschreiber
**


Beiträge: 56
Registriert seit: Apr 2008

8.5
-
de

13467
Deutschland
Integrieren
Hallo,
Ich habe mal eine Frage zur Integralfunktion.
Wenn ich einen Eingangssignal von 5V habe und es 10s anliegt dann müßte mir das Integral den Wert von 50 (Vs) anzeigen. Leider zeigt es bei mir ca. 500 000 an. Nun habe ich mir gedacht das die Einheit der Zeit bei der Integralfunktion vielleicht ms sind. Das kommt aber auch nicht hin, da das Ergebnis dann 500 wäre also noch eine Zehnerpotenz zu hoch. Welche Zeitmaßstab liegt der Integration zu Grunde ??? Oder habe ich da einen Denkfehler ?
Gruß Benjamin

   
Alle Beiträge dieses Benutzers finden
Diese Nachricht in einer Antwort zitieren to top
Anzeige
25.04.2008, 14:04
Beitrag #2

ImExPorty Offline
LVF-Freak
****


Beiträge: 572
Registriert seit: Jan 2008

8.6
2001
kA

65934
Deutschland
Integrieren
Zitat:... Eingangssignal von 5V habe und es 10s anliegt dann müßte mir das Integral den Wert von 50 (Vs)...

wie man sieht stimmt's Lehrer

   

wenn direkt dynamische Signale verwendet werden => alles Ok

   

ein Anhaltspunkt könnte die verwendete Abtastrate sein Flirt

Lv80_img
Sonstige .vi  Integration_dynamischer_Signale.vi (Größe: 137,17 KB / Downloads: 310)

1 Postingempfehlungen, 2 Motivation
Fragen und Anpassungswünsche per PM werden, gegen Rechnungsstellung gerne beantwortet und realisiert ....wenn's dann doch kostenlos sein soll... bitte hier im LVF unter Berücksichtigung der voranstehenden Links posten.
Webseite des Benutzers besuchen Alle Beiträge dieses Benutzers finden
Diese Nachricht in einer Antwort zitieren to top
25.04.2008, 14:41
Beitrag #3

Benjamin84 Offline
LVF-Gelegenheitsschreiber
**


Beiträge: 56
Registriert seit: Apr 2008

8.5
-
de

13467
Deutschland
Integrieren
Hi,
Danke für deine Antwort. Es liegt dann wohl an der Abtastfreqeuz, da ich auch mit 10kHz abtaste. Aber ich verstehe nicht ganz warum dieser Fehler auftritt ??? Sollte ich zur Lösung des Problems den Wert einfach durch die Abtastfrequenz teilen oder gibt es da einen anderen Trick ?
Vielen Dank
Gruß Benjamin

   
Alle Beiträge dieses Benutzers finden
Diese Nachricht in einer Antwort zitieren to top
25.04.2008, 16:22
Beitrag #4

ImExPorty Offline
LVF-Freak
****


Beiträge: 572
Registriert seit: Jan 2008

8.6
2001
kA

65934
Deutschland
Integrieren
Die Idee hinter einer "guten" Signalanalyse ist, möglichst sensornahe Aufbereitung

=> :wald:Trick: sobald die Informationen vorliegen, sollten diese in das Signal eingekoppelt werden...

   

Dann ist die Analyse immer (in diesem Fall frequenzunabhängig) richtig:

   

Lv80_img
Sonstige .vi  Integration_dynamische_Signale_mit_variabler_Frequenz_LV80.vi (Größe: 128,85 KB / Downloads: 287)


weiterhinTop1

1 Postingempfehlungen, 2 Motivation
Fragen und Anpassungswünsche per PM werden, gegen Rechnungsstellung gerne beantwortet und realisiert ....wenn's dann doch kostenlos sein soll... bitte hier im LVF unter Berücksichtigung der voranstehenden Links posten.
Webseite des Benutzers besuchen Alle Beiträge dieses Benutzers finden
Diese Nachricht in einer Antwort zitieren to top
25.04.2008, 16:37 (Dieser Beitrag wurde zuletzt bearbeitet: 25.04.2008 16:38 von dc6xs.)
Beitrag #5

dc6xs Offline
registered alien
****


Beiträge: 762
Registriert seit: Aug 2006

6.1,7.00
2006
kA

79106
Sonstige
Integrieren
' schrieb:Hi,
Danke für deine Antwort. Es liegt dann wohl an der Abtastfreqeuz, da ich auch mit 10kHz abtaste. Aber ich verstehe nicht ganz warum dieser Fehler auftritt ??? Sollte ich zur Lösung des Problems den Wert einfach durch die Abtastfrequenz teilen oder gibt es da einen anderen Trick ?
Vielen Dank
Gruß Benjamin

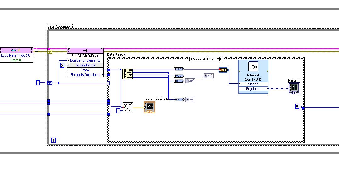
[attachment=39425:RT_system_6.jpg]


Ja es gibt eine bessere Methode:

Finger weg von Express-VIs und entweder mal die Mathe-VIs anschauen oder sich fix mit ner Schleife und bissl Nachdenken selber die Integration baun.. Schleife daher, da ich mal da von ausgehe, das die Messdaten sowieso in nem Array vorliegen.. (Stichwort autoindexing)

Schönes WE,
Gruß, Robert

Bitte Beachten:
Die obenstehenden Texteile können unter Umständen Sarkasmus und Ironie enthalten, für nicht erkannten Sarkasmus oder nicht erkannte Ironie wird keine Haftung übernommen.

N.B.:
"Multiple exclamation marks, " he went on, shaking his head, "are a sure sign of a deseased mind." - Terry Pratchett
Webseite des Benutzers besuchen Alle Beiträge dieses Benutzers finden
Diese Nachricht in einer Antwort zitieren to top
30
Antwort schreiben 


Gehe zu: