INFO: Dieses Forum nutzt Cookies...
Cookies sind für den Betrieb des Forums unverzichtbar. Mit der Nutzung des Forums erklärst Du dich damit einverstanden, dass wir Cookies verwenden.

Es wird in jedem Fall ein Cookie gesetzt um diesen Hinweis nicht mehr zu erhalten. Desweiteren setzen wir Google Adsense und Google Analytics ein.


Antwort schreiben 

LabVIEW bleibt in der Ausführung stehen



Wenn dein Problem oder deine Frage geklärt worden ist, markiere den Beitrag als "Lösung",
indem du auf den "Lösung" Button rechts unter dem entsprechenden Beitrag klickst. Vielen Dank!

24.09.2007, 17:51 (Dieser Beitrag wurde zuletzt bearbeitet: 24.09.2007 20:29 von joeb78.)
Beitrag #1

joeb78 Offline
LVF-Grünschnabel
*


Beiträge: 15
Registriert seit: Jul 2007

7.1
2007
kA


Deutschland
LabVIEW bleibt in der Ausführung stehen
Hallo Allerseits

Ich habe eine Anlagensteuerung programmiert und die läuft und funktioniert soweit ganz gut.
Ich habe nur ein großes Problem. In unregelmäßigen Abständen bleibt das Programm einfach stehen.
Das passiert meist dann, wenn keiner am PC ist oder wenn man in ein anderes Programm wechselt.
Aber sobald ich mir mein Programm wieder anschaue (d.h. mal auf das Fenster klicke) läuft es weiter, als ob nichts gewesen wäre. Ich verwende mehrere While-Schleifen (5) nebeneinander, die über lokale Variablen miteinander verbunden sind. In 2 Schleifen erfolgen Hardwarezugriffe über AktiveX und RS232. Das Programm kann über Stunden stabil laufen und dann im nächsten Moment bleibt es stehen. Es scheinen alle Schleifen stehen zu bleiben.

Weiß vielleicht jemand woran das hängen könnte? Ähnliche Erfahrungen?
Ich verwende LabVIEW 7.1
Alle Beiträge dieses Benutzers finden
Diese Nachricht in einer Antwort zitieren to top
Anzeige
25.09.2007, 08:53
Beitrag #2

eg Offline
LVF-SeniorMod


Beiträge: 3.868
Registriert seit: Nov 2005

2016
2003
kA

66111
Deutschland
LabVIEW bleibt in der Ausführung stehen
Als erstes beobachte die CPU Auslastung (mit Windows Task Manager). 5 parallele While-Schleifen und lokale Variablen passt irgendwie nicht zusammen, aber na ja, jeder hat seinen eigenen Programmierstil.
Dein Problem kann viele Quellen haben. Du musst das Programm halt debuggen und besonders die Race-Conditions überprüfen.

eg

Webseite des Benutzers besuchen Alle Beiträge dieses Benutzers finden
Diese Nachricht in einer Antwort zitieren to top
25.09.2007, 13:18 (Dieser Beitrag wurde zuletzt bearbeitet: 22.12.2007 18:33 von jg.)
Beitrag #3

joeb78 Offline
LVF-Grünschnabel
*


Beiträge: 15
Registriert seit: Jul 2007

7.1
2007
kA


Deutschland
LabVIEW bleibt in der Ausführung stehen
In meiner Steuerung habe ich 2 Prozesse, die mit unterschiedlicher Geschwindigkeit ablaufen (2 Schleifen).

Eine Schleife habe ich, um ein Versuchsprogramm einzulesen und zu bearbeiten, um die Daten dann in die 2 Schleifen oben über lokale Variablen zuzuweisen.

2 Schleifen habe ich zum Abspeichern der Istwerte (unterschiedliche Taktung).

Die extra Schleifen habe ich gemacht, dass die 2 Hauptschleifen durch Dateidialoge und manuelle Eingaben in ihrem Fluss nicht unterbrochen werden.

Die CPU-Auslastung liegt im Normalfall bei maximal 65% wobei LabVIEW nur 5% (im RAM 46MB) in Anspruch nimmt (der Rest sind ander Programme) . Das Debugen ist etwas schwierig, weil der Fehler immer dann auftritt, wenn ich nicht im Programm selber bin, wenn das Programm wieder den Fokus bekommt läuft es normal weiter.

Ich habe mal das Programm angehängt. Ihr werdet mich schlagen, aber ich habe es nicht abgespeckt, weil ich ja nicht weiß wo der Fehler liegen könnte. Schaut euch bitte mal die Struktur an, ob die ok ist.
Ich programmiere auf LabVIEW erst seit etwa 3 Monaten, habe aber lange Erfahrung mit anderen Programmiersprachen.
Ich habe momentan eine Version am Laufen, in der ich nochmal eine vollkommen unabhängige Schleife eingebaut habe, die mir die aktuelle Systemzeit in eine Datei schreibt. soweit ich weiß, müsste die ja dann unabhängig von den anderen Schleifen laufen, aber selbst die bleibt stehen.

(VIs LV 7.1)


Angehängte Datei(en)
Sonstige .zip  Anlagensteuerung.zip (Größe: 994,75 KB / Downloads: 504)
Alle Beiträge dieses Benutzers finden
Diese Nachricht in einer Antwort zitieren to top
25.09.2007, 13:26
Beitrag #4

eg Offline
LVF-SeniorMod


Beiträge: 3.868
Registriert seit: Nov 2005

2016
2003
kA

66111
Deutschland
LabVIEW bleibt in der Ausführung stehen
Uff, ich habe etwas schlimmeres erwartet, es sieht aber ok aus. Nur sehe ich deine Schleifen nicht. Ich habe Versuchsprogramm.vi geöffnet.

eg

Webseite des Benutzers besuchen Alle Beiträge dieses Benutzers finden
Diese Nachricht in einer Antwort zitieren to top
25.09.2007, 13:52 (Dieser Beitrag wurde zuletzt bearbeitet: 25.09.2007 14:00 von joeb78.)
Beitrag #5

joeb78 Offline
LVF-Grünschnabel
*


Beiträge: 15
Registriert seit: Jul 2007

7.1
2007
kA


Deutschland
LabVIEW bleibt in der Ausführung stehen
Oh, sorry

Das Schlimmere befindet sich unter Hauptpanel.

Ich hatte vorhin wieder ein Stillstand. War 30 min in der Mittagspause, das LabVIEW lief dann noch etwa 4 min und ist dann stehen geblieben. CPU-Auslastung von LabVIEW 0%. Die anderen Programme und der Taskmanager (war im Vordergrund) sind ohne Probleme weitergelaufen. Dann die Maus angeschuppst und LabVIEW lief wieder. Die Energiesparfunktionen sind ausgeschaltet.
Alle Beiträge dieses Benutzers finden
Diese Nachricht in einer Antwort zitieren to top
25.09.2007, 14:12
Beitrag #6

IchSelbst Offline
LVF-Guru
*****


Beiträge: 3.708
Registriert seit: Feb 2005

11, 14, 15, 17, 18
-
DE

97437
Deutschland
LabVIEW bleibt in der Ausführung stehen
' schrieb:Ich hatte vorhin wieder ein Stillstand. War 30 min in der Mittagspause, das LabVIEW lief dann noch etwa 4 min und ist dann stehen geblieben. CPU-Auslastung von LabVIEW 0%.
Ich hab mir's noch nicht angekuckt, wage aber trotzdem einen Versuch: In den While-Schleifen der Blockdiagramme fehlt eine Wartezeit oder ist zu klein - daraufhin wird das Frontpanel nicht mehr refreshed.

Jeder, der zur wahren Erkenntnis hindurchdringen will, muss den Berg Schwierigkeit alleine erklimmen (Helen Keller).
Alle Beiträge dieses Benutzers finden
Diese Nachricht in einer Antwort zitieren to top
Anzeige
25.09.2007, 14:46 (Dieser Beitrag wurde zuletzt bearbeitet: 25.09.2007 18:50 von joeb78.)
Beitrag #7

joeb78 Offline
LVF-Grünschnabel
*


Beiträge: 15
Registriert seit: Jul 2007

7.1
2007
kA


Deutschland
LabVIEW bleibt in der Ausführung stehen
' schrieb:Ich hab mir's noch nicht angekuckt, wage aber trotzdem einen Versuch: In den While-Schleifen der Blockdiagramme fehlt eine Wartezeit oder ist zu klein - daraufhin wird das Frontpanel nicht mehr refreshed.

Ich hatte das ganze vorher mit Zeitgesteuerten Schleifen programmiert. Da lief es auch nicht. Hatte früher mal, dass die Ausführung zu lange gedauert hatte (lag an der Kommunikationsgeschwindigkeit mit der Hardware), da hat er die Zyklenzeit von 5 auf 10 Sek. verdoppelt und dann lief es weiter. Ich bau nochmal das ganze in Zeitgesteuerte Schleifen und überprüfe nochmal die Ausführungsdauer.

Hab ich gemacht...
Bei einer äußeren Schleife von 5000ms braucht der innere Code in der großen Schleife etwa 4200ms. Wenn der Code länger braucht (zb durch zusätzliche Wartezeit) verlängert er um die nächste Schleifenzeit. D.h. damit es zum Stillstand kommt, muss der Programmfluss irgendwo fest stecken bleiben, was aber wiederum seltsam wäre, wenn die Blockade durch Mausbewegung wieder gelöst werden würde....
Alle Beiträge dieses Benutzers finden
Diese Nachricht in einer Antwort zitieren to top
25.09.2007, 20:19
Beitrag #8

jg Offline
CLA & CLED
LVF-Team

Beiträge: 15.864
Registriert seit: Jun 2005

20xx / 8.x
1999
EN

Franken...
Deutschland
LabVIEW bleibt in der Ausführung stehen
Mal ein paar generelle Punkte (die dir sicher auch schon klar sind):

1. Räum dein BD mal auf: zu groß, zu viele nicht gerade gezogene Linien, zu unübersichtlich.
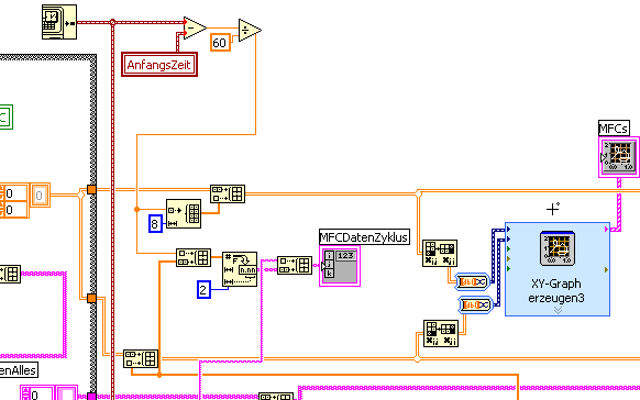
2. Du macht sehr starken Gebrauch von Build-Array-Aufrufen, teilweise vollkommen unnötig. z.B. hier:
   
Hier kann ich einfach nicht nachvollziehen, wieso du deine Zeiten in einem 2D-Array speicherst?:hmmBig Grinu stapelst hier völlig unnötig Informationen auf.
3. Express-VI's sind langsam!!! Wieso 2D-Arrays erst transponieren, dann an dieses "Convert to Dynamic Data"-Express VI übergeben (indem du gleich Spalten anstatt Reihen auswählen könntest) und dann an Express-XY übergeben? So als Anregung, geht auch so:
   
Das obere 1D-Array ist dabei ein nun nur noch 1-dimensionales Zeitarray.
4. Nochmal zurück zu Build-Array: Wie groß werden denn so deine Arrays? Bei wirklich sehr vielen Aufrufen wird der Speicher immer mehr zerlegt, da jeder Build-Array-Aufruf zu einer neuen Speicher-Allozierung führt.

So, mehr Lust habe ich nicht, mich durch dein Haupt-VI zu wühlen.

MfG, Jens

Wer die erhabene Weisheit der Mathematik tadelt, nährt sich von Verwirrung. (Leonardo da Vinci)

!! BITTE !! stellt mir keine Fragen über PM, dafür ist das Forum da - andere haben vielleicht auch Interesse an der Antwort!

Einführende Links zu LabVIEW, s. GerdWs Signatur.
Alle Beiträge dieses Benutzers finden
Diese Nachricht in einer Antwort zitieren to top
25.09.2007, 20:47
Beitrag #9

thomas.sandrisser Offline
LVF-SeniorMod


Beiträge: 1.298
Registriert seit: Sep 2005

xxxx
2005
EN

78759
United States
LabVIEW bleibt in der Ausführung stehen
Die FP Updates sind unabhaengig von der Schleifeniterationszeit und der Prioritaet des VIs unter Windows, somit ist das sicherlich unabhaengig von den Aussetzern.
Ein Speicherproblem ist es auch nicht, weil LabVIEW nach 2GB kontinuierlich allokiertem Speicher mit der Fehlermeldung "Memory Full" aussteigt.

Was machst du mit dem ActiveX Zeugs?
Wenn du mit der Maus klickst -> klickst du in eine LabVIEW Oberflaeche oder klickst du außerhalb (das macht einen Unterschied)
Wenn in der obere Frage mit "LabVIEW" beantwortet werden kann, dann versuche folgendes:
Nachdem du "vorbildlich" den ErrorCluster nicht konsequent durchgezogen hast, koenntest du die Initialisierung von ActiveX gegen eine DummyRef austauschen, sodass die Funktionen mit ActiveX mit Sicherheit nicht ausgefuehrt werden. Wenn LabVIEW nach X Stunden noch immer laeuft, ist mit Sicherheit die ActiveX Ref das Problem

Wenn die Frage mit dem Mausklick mit "Windows" beantwortet wird, dann liegt es wohl an der ActiveX Klasse, dass diese net klar kommt wenn der User pennt. Die einfachste Abhilfe waere mittels der WindowsDLL Library alle X Minuten einen Mouse Event auszuloesen...
Webseite des Benutzers besuchen Alle Beiträge dieses Benutzers finden
Diese Nachricht in einer Antwort zitieren to top
25.09.2007, 21:20
Beitrag #10

IchSelbst Offline
LVF-Guru
*****


Beiträge: 3.708
Registriert seit: Feb 2005

11, 14, 15, 17, 18
-
DE

97437
Deutschland
LabVIEW bleibt in der Ausführung stehen
Ja, jetzt hab ich mir's auch angekuckt.

Ich selbst bin ja nun nicht gerade ein Kind von Traurigkeit - was die Blockdiagrammgröße betrifft. Auch bei der Anzahl lokaler Variablen, While-Schleifen und was es sonst noch alles Gutes und Schönes gibt (sprich: was man nicht machen soll: DF ignorieren), bin ich eher großzügig. :PAber was ich hier gesehen habe, ist selbst mir zu viel. Wink

Ich würde hier die Ratschläge von Jens G. beherzigen. Bezüglich der "Aussetzer" hat wohl freedive mit den ActiveX recht (eigentlich kenne ich mich da allerdings überhaupt nicht aus).

Jeder, der zur wahren Erkenntnis hindurchdringen will, muss den Berg Schwierigkeit alleine erklimmen (Helen Keller).
Alle Beiträge dieses Benutzers finden
Diese Nachricht in einer Antwort zitieren to top
30
Antwort schreiben 


Möglicherweise verwandte Themen...
Themen Verfasser Antworten Views Letzter Beitrag
  Case Ausführung - automatisch und einzeln ar7ur8 4 5.692 16.07.2021 15:46
Letzter Beitrag: ar7ur8
  parallele Ausführung von for-loops stsc 5 6.175 24.07.2019 15:12
Letzter Beitrag: stsc
  CPU-Auslastung bleibt bei 50% (Sub-Vi) Niko1912 4 5.381 15.10.2018 11:02
Letzter Beitrag: Niko1912
  Beendet die Methode FP schließen auch die Ausführung? hansi9990 3 5.548 23.10.2017 07:41
Letzter Beitrag: GerdW
  Korrekte Ausführung eines VIs 83DM 5 6.497 01.02.2016 17:53
Letzter Beitrag: 83DM
  Parallele Ausführung mehrerer Sub-Vis Anna1988 21 17.573 20.07.2015 11:51
Letzter Beitrag: Anna1988

Gehe zu: