INFO: Dieses Forum nutzt Cookies...
Cookies sind für den Betrieb des Forums unverzichtbar. Mit der Nutzung des Forums erklärst Du dich damit einverstanden, dass wir Cookies verwenden.

Es wird in jedem Fall ein Cookie gesetzt um diesen Hinweis nicht mehr zu erhalten. Desweiteren setzen wir Google Adsense und Google Analytics ein.


Antwort schreiben 

LabVIEW stoppt nicht



Wenn dein Problem oder deine Frage geklärt worden ist, markiere den Beitrag als "Lösung",
indem du auf den "Lösung" Button rechts unter dem entsprechenden Beitrag klickst. Vielen Dank!

31.07.2013, 15:12 (Dieser Beitrag wurde zuletzt bearbeitet: 31.07.2013 15:20 von feinm.)
Beitrag #1

feinm Offline
LVF-Neueinsteiger


Beiträge: 1
Registriert seit: Jul 2013

12.0
2013
DE



LabVIEW stoppt nicht
Hallo zusammen,

ich habe folgendes Problem:
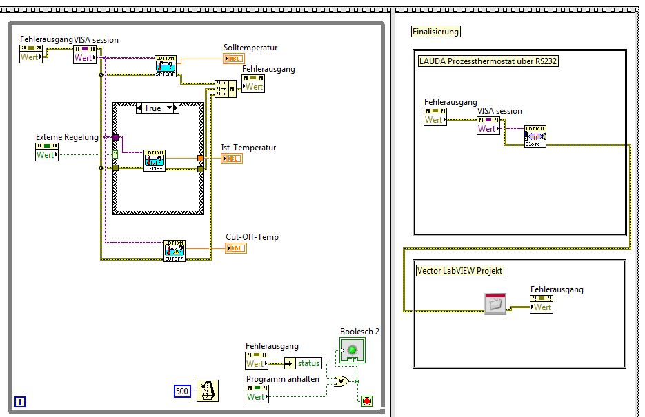
Ich habe ein VI geschrieben (LV 2012), dass aus einer flachen Sequenz mit 3 Rahmen besteht.
Innerhalb des 2. Rahmens sind mehrere while-Schleifen mit "Bei TRUE stoppen" enthalten, sonst nichts.
Obwohl jede der Schleifen gestoppt wird (alle Bedingungen sind durch einen Fehler auf TRUE) verbleibt die Ausführung im 2. Rahmen.

   
   

Erst wenn ich ein Bedienelement auf dem Frontpanel anklicke, springt die Ausführung weiter.
Hat jemand von Euch eine Idee, warum die Ausführung nicht nach dem Stoppen aller Schleifen in den 3. Rahmen wechselt?
(Es ist ja sonst nichts mehr zur Ausführung im 2. Rahmen vorhanden...)

Vielen Dank für Eure Hilfe!

Schöne Grüße
Franz
Alle Beiträge dieses Benutzers finden
Diese Nachricht in einer Antwort zitieren to top
Anzeige
31.07.2013, 15:23 (Dieser Beitrag wurde zuletzt bearbeitet: 31.07.2013 15:24 von GerdW.)
Beitrag #2

GerdW Offline
______________
LVF-Team

Beiträge: 17.529
Registriert seit: May 2009

LV2019 (LV2021)
1995
DE_EN

10×××
Deutschland
RE: LabVIEW stoppt nicht
Hallo Franz,

uh-oh: "heavy overuse of local variables"

Bitte so gut wie alle "Wert"-PNs durch Drähte ersetzen!!! (Das "Bitte" steht da nur der Höflichkeit wegen...)

Ansonsten:
Zitat:Erst wenn ich ein Bedienelement auf dem Frontpanel anklicke, springt die Ausführung weiter.
Irgendwo noch eine versteckte Eventstruktur oder ein "Wait for FP activity"?

Zitat:Innerhalb des 2. Rahmens sind mehrere while-Schleifen mit "Bei TRUE stoppen" enthalten, sonst nichts.
Im Bild ist nur eine Schleife zu sehen...

Alle Beiträge dieses Benutzers finden
Diese Nachricht in einer Antwort zitieren to top
31.07.2013, 16:39
Beitrag #3

Y-P Offline
☻ᴥᴥᴥ☻ᴥᴥᴥ☻
LVF-Team

Beiträge: 12.612
Registriert seit: Feb 2006

Developer Suite Core -> LabVIEW 2015 Prof.
2006
EN

71083
Deutschland
RE: LabVIEW stoppt nicht
Noch schlimmer. Das sind Property-Nodes. Blink

Gruß Markus

(31.07.2013 15:23 )GerdW schrieb:  uh-oh: "heavy overuse of local variables"

--------------------------------------------------------------------------
Bitte stellt mir keine Fragen über PM, dafür ist das Forum da - andere haben vielleicht auch Interesse an der Antwort !!
--------------------------------------------------------------------------
Alle Beiträge dieses Benutzers finden
Diese Nachricht in einer Antwort zitieren to top
31.07.2013, 20:43
Beitrag #4

jg Offline
CLA & CLED
LVF-Team

Beiträge: 15.864
Registriert seit: Jun 2005

20xx / 8.x
1999
EN

Franken...
Deutschland
RE: LabVIEW stoppt nicht
(31.07.2013 15:23 )GerdW schrieb:  Irgendwo noch eine versteckte Eventstruktur oder ein "Wait for FP activity"?
Oder anders gesagt: Was ist denn noch so für Sourcecode im zweiten Sequenzrahmen, den du uns bisher nicht zeigst?

Gruß, Jens

Wer die erhabene Weisheit der Mathematik tadelt, nährt sich von Verwirrung. (Leonardo da Vinci)

!! BITTE !! stellt mir keine Fragen über PM, dafür ist das Forum da - andere haben vielleicht auch Interesse an der Antwort!

Einführende Links zu LabVIEW, s. GerdWs Signatur.
Alle Beiträge dieses Benutzers finden
Diese Nachricht in einer Antwort zitieren to top
30
Antwort schreiben 


Möglicherweise verwandte Themen...
Themen Verfasser Antworten Views Letzter Beitrag
  Programm stoppt nicht Alighieri 5 6.012 09.10.2016 17:10
Letzter Beitrag: GerdW
  Vi stoppt nicht b.s 2 4.390 10.01.2015 17:00
Letzter Beitrag: GerdW
  Stop-Button stoppt nicht zwei While-Schleifen wiktor 2 9.592 07.07.2011 19:29
Letzter Beitrag: Lucki
  Dialog stoppt Schleife ?! CarstenH 4 5.338 07.07.2011 12:22
Letzter Beitrag: Lucki
  VI stoppt nicht bei Breakpoint gottfried 1 4.048 20.05.2011 16:30
Letzter Beitrag: Mingo
  Sequenz stoppt ohne Grund FHM 8 8.116 23.03.2011 10:40
Letzter Beitrag: FHM

Gehe zu: