INFO: Dieses Forum nutzt Cookies...
Cookies sind für den Betrieb des Forums unverzichtbar. Mit der Nutzung des Forums erklärst Du dich damit einverstanden, dass wir Cookies verwenden.

Es wird in jedem Fall ein Cookie gesetzt um diesen Hinweis nicht mehr zu erhalten. Desweiteren setzen wir Google Adsense und Google Analytics ein.


Antwort schreiben 

Labview und DB



Wenn dein Problem oder deine Frage geklärt worden ist, markiere den Beitrag als "Lösung",
indem du auf den "Lösung" Button rechts unter dem entsprechenden Beitrag klickst. Vielen Dank!

13.06.2014, 12:53
Beitrag #1

Lars_Tragl Offline
LVF-Grünschnabel
*


Beiträge: 13
Registriert seit: Apr 2014

2012
2014
DE



Labview und DB
        Hey,

ich bin relativ neu in der LabVIEW-Materie und hoffe hier ein wenig Hilfe zu bekommen.

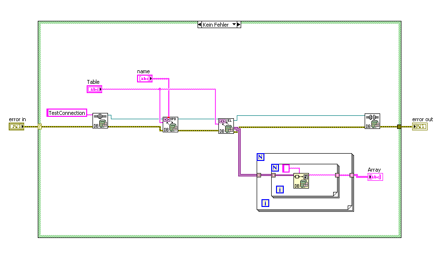
Ich habe mit MySQL eine Datenbank erstellt. Zum Test erst einmal nur mit 2 Tabellen. Die 1. Tabelle hat die Attribute ID (Primärschlüssel) und Name.
Die 2. hat ID (Fremdschlüssel auf die andre ID) und ebenfalls den Namen.

Jetzt will ich Werte einlesen. Die Frage ist, wie prüfe ich in LabVIEW, ob die beiden IDs dann gleich sind? bzw wie regle ich es, dass die Felder die not null sein sollen oder Schlüssel sind auch in LabVIEW nicht leer sind?

in einem Array kann man die Felder eingeben. In einem Textring die Tabelle auswählen.


habe unten mal meine Bilder angehängt (auch wenn es bisher nicht viel ist)
Alle Beiträge dieses Benutzers finden
Diese Nachricht in einer Antwort zitieren to top
Anzeige
13.06.2014, 13:35 (Dieser Beitrag wurde zuletzt bearbeitet: 13.06.2014 13:36 von Andora.)
Beitrag #2

Andora Offline
LVF-Gelegenheitsschreiber
**


Beiträge: 124
Registriert seit: Jul 2008

2009
2001
de

81539
Deutschland
RE: Labview und DB
Hallo,

benutzt du den Operator = und dann wirst du False oder True haben.

Wie hast den Code kopiert? Ich vergesse immer wieder wie das funktioniert. Danke!

Gruß,
Daniel
Alle Beiträge dieses Benutzers finden
Diese Nachricht in einer Antwort zitieren to top
13.06.2014, 13:39
Beitrag #3

Lars_Tragl Offline
LVF-Grünschnabel
*


Beiträge: 13
Registriert seit: Apr 2014

2012
2014
DE



RE: Labview und DB
Hey,

danke für deine Antwort.

Wo benutzt du den = Operator?

Hab das Bild mit Snipping Tool ausgeschnitten
Alle Beiträge dieses Benutzers finden
Diese Nachricht in einer Antwort zitieren to top
13.06.2014, 13:42 (Dieser Beitrag wurde zuletzt bearbeitet: 13.06.2014 13:45 von Andora.)
Beitrag #4

Andora Offline
LVF-Gelegenheitsschreiber
**


Beiträge: 124
Registriert seit: Jul 2008

2009
2001
de

81539
Deutschland
RE: Labview und DB
= zwischen dem String mit ID1 und dem mit ID2

wo finde ich Snipping Tool?


ich habe den Tool gefunden
[attachment=50025]

Gruß,
Daniel
Alle Beiträge dieses Benutzers finden
Diese Nachricht in einer Antwort zitieren to top
13.06.2014, 13:44
Beitrag #5

Lars_Tragl Offline
LVF-Grünschnabel
*


Beiträge: 13
Registriert seit: Apr 2014

2012
2014
DE



RE: Labview und DB
start -> bei der suche gib einfach snipping tool ein
Alle Beiträge dieses Benutzers finden
Diese Nachricht in einer Antwort zitieren to top
13.06.2014, 13:46
Beitrag #6

jg Offline
CLA & CLED
LVF-Team

Beiträge: 15.864
Registriert seit: Jun 2005

20xx / 8.x
1999
EN

Franken...
Deutschland
RE: Labview und DB
Offtopic2
Die Screenshots von Lars sind nur Screenshots (wahrscheinlich erstellt mit dem Snipping Tool von Windows 7) - erkennt man an der fehlenden Snippet-Umrahmung.

Nicht zu verwechseln mit LabVIEW Snippets, ein Feature seit Version 2009.
Source-Code im BD markieren -> Edit -> Create VI Snippet...

Gruß, Jens

Wer die erhabene Weisheit der Mathematik tadelt, nährt sich von Verwirrung. (Leonardo da Vinci)

!! BITTE !! stellt mir keine Fragen über PM, dafür ist das Forum da - andere haben vielleicht auch Interesse an der Antwort!

Einführende Links zu LabVIEW, s. GerdWs Signatur.
Alle Beiträge dieses Benutzers finden
Diese Nachricht in einer Antwort zitieren to top
Anzeige
13.06.2014, 13:48 (Dieser Beitrag wurde zuletzt bearbeitet: 13.06.2014 13:53 von Andora.)
Beitrag #7

Andora Offline
LVF-Gelegenheitsschreiber
**


Beiträge: 124
Registriert seit: Jul 2008

2009
2001
de

81539
Deutschland
RE: Labview und DB
eigentlich habe den Tool mit einem anderen verwechselt, einer der den Code im Blockdiagramm kopiert und funktionierfähig macht.
Genau, LabView Snippet habe gemeint, danke!

[attachment=50025]


Angehängte Datei(en) Thumbnail(s)
   

Gruß,
Daniel
Alle Beiträge dieses Benutzers finden
Diese Nachricht in einer Antwort zitieren to top
30
Antwort schreiben 


Gehe zu: