INFO: Dieses Forum nutzt Cookies...
Cookies sind für den Betrieb des Forums unverzichtbar. Mit der Nutzung des Forums erklärst Du dich damit einverstanden, dass wir Cookies verwenden.

Es wird in jedem Fall ein Cookie gesetzt um diesen Hinweis nicht mehr zu erhalten. Desweiteren setzen wir Google Adsense und Google Analytics ein.


Antwort schreiben 

M-Bus über RS-232



Wenn dein Problem oder deine Frage geklärt worden ist, markiere den Beitrag als "Lösung",
indem du auf den "Lösung" Button rechts unter dem entsprechenden Beitrag klickst. Vielen Dank!

18.08.2008, 08:44
Beitrag #1

Student_OS Offline
LVF-Grünschnabel
*


Beiträge: 10
Registriert seit: Aug 2008

8.5.1 - Studentenversion
2008
kA

48531
Deutschland
M-Bus über RS-232
Hallo Leute.
Habe noch ein weiteres Problem.
Kennt sich jemand mit dem M-Bus-Protokoll aus?
Ich muss damit einen Wärmezähler der Firma Aquametro auslesen.
Die Auslesebefehle habe ich nur es taucht dann ein Fehler auf dass mehr Bytes am Port anstehen als abgefragt wurden.
Wenn ich dann die Anzahl der abzufragenden Bytes ändere, dann kommt eine Laufzeit-Fehlermeldung.

Es handelt sich um das Gerät Calec MB der Firma Aquametro.

Der neueste Visa und Instrument I/O-Treiber ist installiert.

Als Anhang mal der Entwurf für die Auslesung in Version 8.5.1
Gruß
Michael


Sonstige .vi  Calec_Abfrage.vi (Größe: 30,85 KB / Downloads: 771)
Alle Beiträge dieses Benutzers finden
Diese Nachricht in einer Antwort zitieren to top
Anzeige
18.08.2008, 10:14
Beitrag #2

Y-P Offline
☻ᴥᴥᴥ☻ᴥᴥᴥ☻
LVF-Team

Beiträge: 12.612
Registriert seit: Feb 2006

Developer Suite Core -> LabVIEW 2015 Prof.
2006
EN

71083
Deutschland
M-Bus über RS-232
Mach' mal nach Deinem letzten VISA-Write auch 'ne Zeitverzögerung.

Gruß Markus

--------------------------------------------------------------------------
Bitte stellt mir keine Fragen über PM, dafür ist das Forum da - andere haben vielleicht auch Interesse an der Antwort !!
--------------------------------------------------------------------------
Alle Beiträge dieses Benutzers finden
Diese Nachricht in einer Antwort zitieren to top
18.08.2008, 10:45
Beitrag #3

Student_OS Offline
LVF-Grünschnabel
*


Beiträge: 10
Registriert seit: Aug 2008

8.5.1 - Studentenversion
2008
kA

48531
Deutschland
M-Bus über RS-232
Hallo Markus.

Das hat leider nicht funktioniert.
Mit Hilfe eines anderen Programms kann ich den Zähler erreichen und die Werte auslesen.
Wollte nur sehr sehr ungern die Daten von nem anderen Programm speichern lassen und die dann mit LV wieder auslesen, darstellen und dann in eine neue Datei mit anderen Werten speichern lassen, da ich vermute dass das sehr aufwändig ist.

Ist LV überhaupt in der Lage das M-Bus Protokoll zu schreiben?

Gruß
Michael
Alle Beiträge dieses Benutzers finden
Diese Nachricht in einer Antwort zitieren to top
18.08.2008, 10:58
Beitrag #4

IchSelbst Offline
LVF-Guru
*****


Beiträge: 3.708
Registriert seit: Feb 2005

11, 14, 15, 17, 18
-
DE

97437
Deutschland
M-Bus über RS-232
' schrieb:Ist LV überhaupt in der Lage das M-Bus Protokoll zu schreiben?
Da bin ich er festen Überzeugung von. Wink


Kannst du das VI auch als LV 85, also nicht LV 851 und nicht LV 86 posten? Da ist die Wahrscheinlichkeit sehr hoch, dass das noch mehr lesen können.

Jeder, der zur wahren Erkenntnis hindurchdringen will, muss den Berg Schwierigkeit alleine erklimmen (Helen Keller).
Alle Beiträge dieses Benutzers finden
Diese Nachricht in einer Antwort zitieren to top
18.08.2008, 11:18
Beitrag #5

Student_OS Offline
LVF-Grünschnabel
*


Beiträge: 10
Registriert seit: Aug 2008

8.5.1 - Studentenversion
2008
kA

48531
Deutschland
M-Bus über RS-232
' schrieb:Da bin ich er festen Überzeugung von. Wink
Kannst du das VI auch als LV 85, also nicht LV 851 und nicht LV 86 posten? Da ist die Wahrscheinlichkeit sehr hoch, dass das noch mehr lesen können.
Hier als Version 8.2 und 8.5. Wusste erst nicht wie ich da hinbekomme - bin ja nun mal Neuling bei LV Dry

Gruß

Version 8.2:
Sonstige .vi  Calec_Abfrage.vi (Größe: 31,61 KB / Downloads: 522)

Version 8.5:
Sonstige .vi  Calec_Abfrage_8.5.vi (Größe: 31,81 KB / Downloads: 561)
Alle Beiträge dieses Benutzers finden
Diese Nachricht in einer Antwort zitieren to top
18.08.2008, 11:22
Beitrag #6

jg Offline
CLA & CLED
LVF-Team

Beiträge: 15.864
Registriert seit: Jun 2005

20xx / 8.x
1999
EN

Franken...
Deutschland
M-Bus über RS-232
' schrieb:Da bin ich er festen Überzeugung von. Wink
Kannst du das VI auch als LV 85, also nicht LV 851 und nicht LV 86 posten? Da ist die Wahrscheinlichkeit sehr hoch, dass das noch mehr lesen können.
Ob das VI Version 8.5.1 oder 8.5 ist, ist egal, es ist auf jeden Fall mit LV Version >=8.5 zu öffnen. (Selbst intern wird da im VI kein Unterschied bei der Versionsnummer gemacht).

MfG, Jens

Wer die erhabene Weisheit der Mathematik tadelt, nährt sich von Verwirrung. (Leonardo da Vinci)

!! BITTE !! stellt mir keine Fragen über PM, dafür ist das Forum da - andere haben vielleicht auch Interesse an der Antwort!

Einführende Links zu LabVIEW, s. GerdWs Signatur.
Alle Beiträge dieses Benutzers finden
Diese Nachricht in einer Antwort zitieren to top
Anzeige
18.08.2008, 16:32
Beitrag #7

A.Berndsen Offline
LVF-Team
LVF-Team

Beiträge: 2.437
Registriert seit: Feb 2005

8.2.1 - 2011
2004
DE

724xx
Deutschland
M-Bus über RS-232
Hab ne Kleinigkeit bei NI gefunden, vielleicht hilft Dir das weiter!

http://forums.ni.com/ni/board/message?boar...uireLogin=False

Geht nicht, gibts nicht!
Alle Beiträge dieses Benutzers finden
Diese Nachricht in einer Antwort zitieren to top
19.08.2008, 06:47
Beitrag #8

Student_OS Offline
LVF-Grünschnabel
*


Beiträge: 10
Registriert seit: Aug 2008

8.5.1 - Studentenversion
2008
kA

48531
Deutschland
M-Bus über RS-232
Hi.
Das habe ich probiert, hat allerdings nicht geholfen.
Es taucht beim Lesen der Empfangsbestätigung immer noch die Fehlermeldung 1073676294 auf dass mehr Bytes am Port anstehen als empfangen wurden.
Ändere ich das in eine Konstante ab bekomme ich eine Laufzeit-Fehlermeldung.

Das Auslesen mit der herstellerspezifischen Software klappt wunderbar.
Alle Beiträge dieses Benutzers finden
Diese Nachricht in einer Antwort zitieren to top
19.08.2008, 08:40
Beitrag #9

A.Berndsen Offline
LVF-Team
LVF-Team

Beiträge: 2.437
Registriert seit: Feb 2005

8.2.1 - 2011
2004
DE

724xx
Deutschland
M-Bus über RS-232
Hi Student,

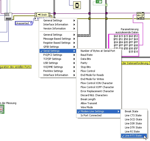
ich hab nochmal bei NI nachgesehen und ein Überblick zur Seriellen Kommunikation gefunden. Vielleicht hilft das noch etwas weiter.
Bin leider überhaupt kein Experte was die serielle Übertragung anbelangt. Ich hab aber schon beinem DMM gesehen, daß man eine Kommunikation nur aufbauen konnte, wenn man die "Modem Lines" richtig eingestellt hatte.
Den Eigenschaftsknoten findest Du bei "VISA: Fortgeschritten".

Wenn es mit der Herstellersoftware klappt, dann muß es auch mit LabVIEW funktionieren.
Hast Du eine Dokumentation zu der Schnittstelle?

Grüße
Andreas

Eigenschaftsknoten
   
Line Settings
   

Geht nicht, gibts nicht!
Alle Beiträge dieses Benutzers finden
Diese Nachricht in einer Antwort zitieren to top
19.08.2008, 11:12
Beitrag #10

Student_OS Offline
LVF-Grünschnabel
*


Beiträge: 10
Registriert seit: Aug 2008

8.5.1 - Studentenversion
2008
kA

48531
Deutschland
M-Bus über RS-232
Hi Andreas.

Die notwendige Doku zum M-Bus habe ich.Wink
Die Befehle die ich mit LV senden will werden in dem Hersteller-Programm ja auch verschickt, also kann ich die gut nachvollziehen. Das mit der Anzeige der zu sendenden Befehle in hexadezimal hat nur nichts gebracht. Jetzt sieht es so aus alsob Kästchen und ähnlicher "Mist" an den Port gesendet werden.

Der Eigenschaftsknoten hat leider auch nicht geholfen, egal bei welcher Einstellung. Dry
Kommt trotzdem zur Fehlermeldung mehr Bytes verfügbar als abgerufen

Gruß
Michael
Alle Beiträge dieses Benutzers finden
Diese Nachricht in einer Antwort zitieren to top
30
Antwort schreiben 


Gehe zu: