INFO: Dieses Forum nutzt Cookies...
Cookies sind für den Betrieb des Forums unverzichtbar. Mit der Nutzung des Forums erklärst Du dich damit einverstanden, dass wir Cookies verwenden.

Es wird in jedem Fall ein Cookie gesetzt um diesen Hinweis nicht mehr zu erhalten. Desweiteren setzen wir Google Adsense und Google Analytics ein.


Antwort schreiben 

Maximale Anzahl offener TCP Verbindungen



Wenn dein Problem oder deine Frage geklärt worden ist, markiere den Beitrag als "Lösung",
indem du auf den "Lösung" Button rechts unter dem entsprechenden Beitrag klickst. Vielen Dank!

28.12.2020, 13:10
Beitrag #1

Hubert R. Offline
LVF-Gelegenheitsschreiber
**


Beiträge: 198
Registriert seit: Jul 2011

2019 64bit
2011
DE


Deutschland
Maximale Anzahl offener TCP Verbindungen
Hallo zusammen,
vielleicht kann mir wer sagen wie viele TCP Verbindungen man maximal öffnen kann.

Im Augenblick öffne ich in einer Schleife die TCP Verbindung sende ein Kommando an den Client und warte auf die Antwort und schließe die Verbindung wieder.
Das dauert mir aber zu lang.
Deshalb möchte ich gern das öffnen und das schließen außerhalb der Schleife machen.
Dann hätte ich aber unter umständen rund bis zu 250 Verbindungen zu den Clients offen. Geht sowas?


Zudem hätte ich noch eine zweite Frage.

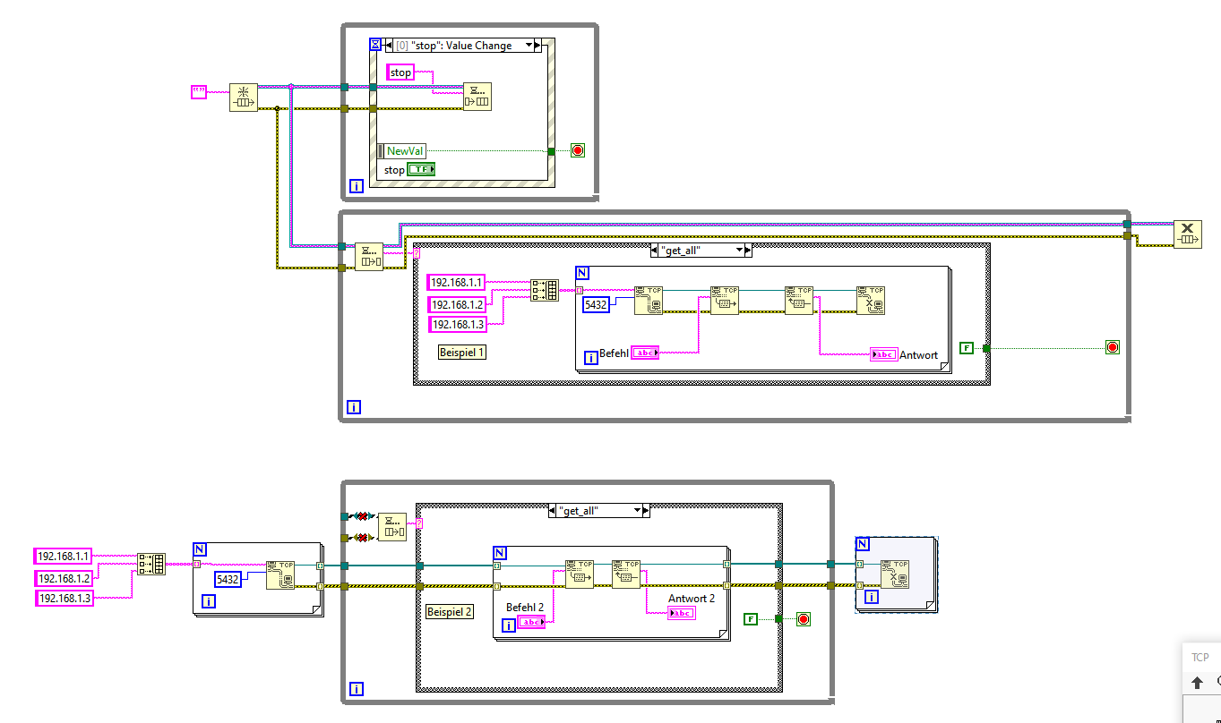
Bild_1 zeigt den Vorschlag von Ni hier wird zuerst die String länge geschrieben und dann der Datensatz. Es werden also 2 schreib Befehle ausgelöst.

Bild_2 so habe ich das realisiert in den ich nur ein schreib Befehl auslöse. Ich habe das getestet und 1 Mio. Zeichen gesendet über mehrere Stunden was Problemlos geklappt hat.

Was würdet Ihr empfehlen?

Gruß Hubert

   
   
Alle Beiträge dieses Benutzers finden
Diese Nachricht in einer Antwort zitieren to top
Anzeige
29.12.2020, 14:20 (Dieser Beitrag wurde zuletzt bearbeitet: 29.12.2020 17:40 von jg.)
Beitrag #2

Martin.Henz Offline
LVF-Team
LVF-Team

Beiträge: 448
Registriert seit: Jan 2005

2.5.1 bis 20
1992
kA

74363
Deutschland
RE: Maximale Anzahl offener TCP Verbindungen
Hallo Hubert,

der Nagle-Algorithmus (https://de.wikipedia.org/wiki/Nagle-Algorithmus ) ist erst einmal aktiv, außer du schaltest in ganz bewusst ab. In diesem Fall würde ich, so ganz spontan gefragt, die erste Variante vorziehen. Wenn du den Nagle-Algorithmus deaktiviert hast, die zweite Variante.

Martin Henz
Webseite des Benutzers besuchen Alle Beiträge dieses Benutzers finden
Diese Nachricht in einer Antwort zitieren to top
29.12.2020, 19:03
Beitrag #3

GerdW Offline
______________
LVF-Team

Beiträge: 17.529
Registriert seit: May 2009

LV2019 (LV2021)
1995
DE_EN

10×××
Deutschland
RE: Maximale Anzahl offener TCP Verbindungen
Hallo Hubert,

Zitat:Deshalb möchte ich gern das öffnen und das schließen außerhalb der Schleife machen.
Dann hätte ich aber unter umständen rund bis zu 250 Verbindungen zu den Clients offen.
Wieso hast du 250 Verbindungen offen, wenn du nur noch einmal vor/nach der Schleife die TCP-Verbindung öffnest/schließt?

Alle Beiträge dieses Benutzers finden
Diese Nachricht in einer Antwort zitieren to top
02.01.2021, 09:01
Beitrag #4

Hubert R. Offline
LVF-Gelegenheitsschreiber
**


Beiträge: 198
Registriert seit: Jul 2011

2019 64bit
2011
DE


Deutschland
RE: Maximale Anzahl offener TCP Verbindungen
Hallo Martin,
danke für die Information. Werde mit der Variante 1 starten.

Hallo Gerd,
Die Angaben waren vielleicht etwas missverständlich.
Habe leider im Augenblick nur LV19x64 zur Verfügung.
Laut deinem Profil hast du das nicht, deshalb auch der Screenshot.

Gruß Hubert

P.S. Ich wünschen euch allen ein gesundes neues Jahr.


Angehängte Datei(en) Thumbnail(s)
   

19.0 .vi  Beispiel.vi (Größe: 12,6 KB / Downloads: 281)
Alle Beiträge dieses Benutzers finden
Diese Nachricht in einer Antwort zitieren to top
04.01.2021, 08:38
Beitrag #5

Freddy Offline
Oldtimer
****


Beiträge: 729
Registriert seit: Aug 2008

2019, 2020, 2021
1996
DE

76275
Deutschland
RE: Maximale Anzahl offener TCP Verbindungen
Hallo Hubert,
bei dem Vergleich der beiden Übertragungsarten ist mir aufgefallen, dass bei Deiner du auf der Empfangsseite die Länge kennen musst, sonst kannst Du den Stringteil nicht von der Stringlänge trennen.
Oder du bestehst darauf, dass das erste Zeichen keine Zahl sein darf.
Bei der LabView Version ist das allgemeingültig.

Gruß
Freddy

Einführende Links zu LabVIEW, s. GerdWs Signatur.
Webseite des Benutzers besuchen Alle Beiträge dieses Benutzers finden
Diese Nachricht in einer Antwort zitieren to top
Antwort schreiben 


Möglicherweise verwandte Themen...
Themen Verfasser Antworten Views Letzter Beitrag
  DataSocket - alle Verbindungen anzeigen Marius89 2 4.070 10.03.2023 14:09
Letzter Beitrag: Marius89
  TCP Server mit mehreren Verbindungen Chopper 6 8.656 05.03.2010 13:53
Letzter Beitrag: Chopper

Gehe zu: