INFO: Dieses Forum nutzt Cookies...
Cookies sind für den Betrieb des Forums unverzichtbar. Mit der Nutzung des Forums erklärst Du dich damit einverstanden, dass wir Cookies verwenden.

Es wird in jedem Fall ein Cookie gesetzt um diesen Hinweis nicht mehr zu erhalten. Desweiteren setzen wir Google Adsense und Google Analytics ein.


Antwort schreiben 

Mewwertaussetzter nach ca. 10 Bahnen



Wenn dein Problem oder deine Frage geklärt worden ist, markiere den Beitrag als "Lösung",
indem du auf den "Lösung" Button rechts unter dem entsprechenden Beitrag klickst. Vielen Dank!

10.07.2007, 12:33
Beitrag #1

ChiefJack Offline
LVF-Neueinsteiger


Beiträge: 5
Registriert seit: Apr 2007

7.1
2004
kA


Deutschland
Mewwertaussetzter nach ca. 10 Bahnen
Hi @ all,
alo erstmals muss ich sagen, dass mir das Forum schon sehr geholfen hat. Ich konnte schon einige Dinge nachlesen.
Nun habe ich aber ein Problem, da komme ich nicht weiter.

Nun ich machen eine Vermessungs eines Bereiches (2 dimensional). Dieser Bereich ist in einzelne Bahnen aufgeteilt, und ich habe dafür einen Roboter, der diese Bahnen abfährt. Also zum Beispiel von 200 bis 0 fährt und dies alle 5cm bis das Feld abgefahren ist.

So nun während der Fahrt in richtung Null frage ich ständig die aktuelle y-Position im Roboter ab und parallel dazu hole ich mir Messdaten über die ActiveX Schnittstelle.
Das funktioniert alles wunderbar, aber nach ca. 8 - 10 Bahnen bekomme ich aussetzter. Ich habe es nun soweit analiesert, dass ich sagen kann die Daten des Roboters sind da, nur hat irgendwie das Windows da glaub ich einen Speicher oder Pufferaussetzter. kann dies sein?
Kann ich da irgendwo den Puffer einstellen?

Ich benutze LV 7.1, mit einem Windows XP Pro.

Wäre über hilfe sehr dankbar.
Hab schon alles ausprobiert.

Gruss
Alle Beiträge dieses Benutzers finden
Diese Nachricht in einer Antwort zitieren to top
Anzeige
10.07.2007, 12:45
Beitrag #2

Achim Offline
*****
*****


Beiträge: 4.226
Registriert seit: Nov 2005

20xx
2000
EN

978xx
Deutschland
Mewwertaussetzter nach ca. 10 Bahnen
Jo...poste doch mal dein VI...vermutlich liest du zu langsam...

"Is there some mightier sage, of whom we have yet to learn?"

"Opportunity is missed by most people because it is dressed in overalls and looks like work." (Thomas Edison)
Alle Beiträge dieses Benutzers finden
Diese Nachricht in einer Antwort zitieren to top
10.07.2007, 13:00
Beitrag #3

ChiefJack Offline
LVF-Neueinsteiger


Beiträge: 5
Registriert seit: Apr 2007

7.1
2004
kA


Deutschland
Mewwertaussetzter nach ca. 10 Bahnen
Hmm also zu langsam kann ich mir nicht vorstellen.
Ich lese eigentlich lauter Variablen über ActiveX aus.
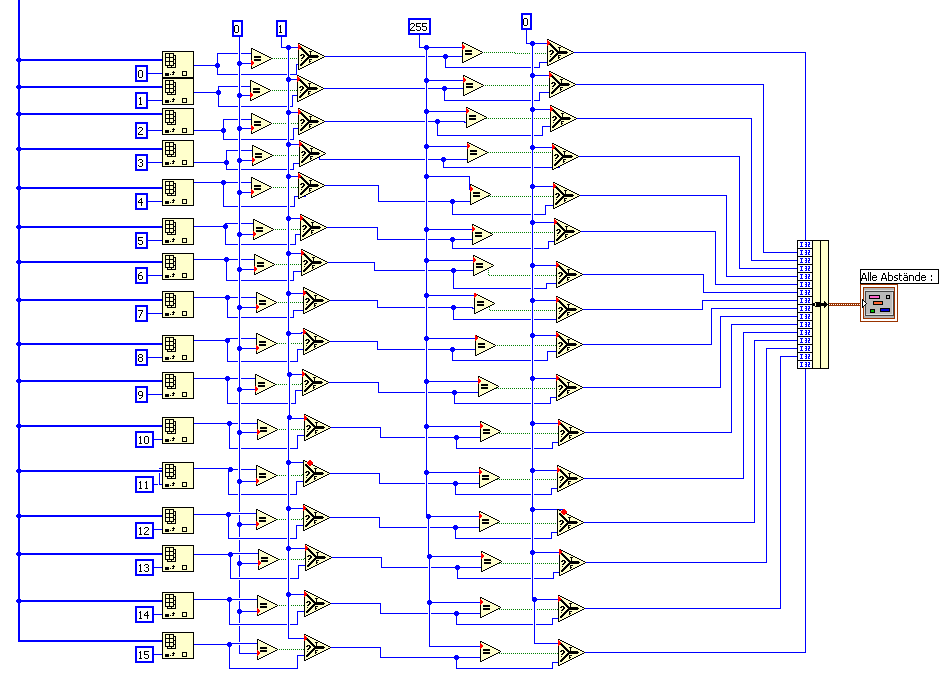
Ich hänge mal mein Vi an.


Angehängte Datei(en)
Sonstige .vi  alle_abstaende.vi (Größe: 217,1 KB / Downloads: 284)
Alle Beiträge dieses Benutzers finden
Diese Nachricht in einer Antwort zitieren to top
10.07.2007, 13:23
Beitrag #4

Achim Offline
*****
*****


Beiträge: 4.226
Registriert seit: Nov 2005

20xx
2000
EN

978xx
Deutschland
Mewwertaussetzter nach ca. 10 Bahnen
Wie oft wird dieses VI aufgerufen?



Ein paar Tips im Bild:

   

Gruss
Achim

"Is there some mightier sage, of whom we have yet to learn?"

"Opportunity is missed by most people because it is dressed in overalls and looks like work." (Thomas Edison)
Alle Beiträge dieses Benutzers finden
Diese Nachricht in einer Antwort zitieren to top
10.07.2007, 13:34 (Dieser Beitrag wurde zuletzt bearbeitet: 10.07.2007 13:38 von Lucki.)
Beitrag #5

Lucki Offline
Tech.Exp.2.Klasse
LVF-Team

Beiträge: 7.699
Registriert seit: Mar 2006

LV 2016-18 prof.
1995
DE

01108
Deutschland
Mewwertaussetzter nach ca. 10 Bahnen
' schrieb:Ich hänge mal mein Vi an.
Zur Frage kann ich Dir nichts sagen, aber wenn ich solche Strukturen sehe:

   

die man einfach so realisieren könnte:

   

dann kann ich nicht ruhig zusehen.
Alle Beiträge dieses Benutzers finden
Diese Nachricht in einer Antwort zitieren to top
10.07.2007, 13:41
Beitrag #6

ChiefJack Offline
LVF-Neueinsteiger


Beiträge: 5
Registriert seit: Apr 2007

7.1
2004
kA


Deutschland
Mewwertaussetzter nach ca. 10 Bahnen
Danke erstmals für die super schnelle Antwort,
also dieses VI wird so ca bei einer strecke von 2m ungefähr 50 mal aufgerufen.
Das mit der For schliefe und dem Indexing hatte ich am Anfang so, dann hab ich aber gelsen, dass Schleifen die über das N gehen weniger Speicherintensiv sind.
Die anderen Vorschläge habe ich gerade getestet, also wenn ich das Öffnen der Applikation vor die For schleife setze, dann geht es nicht mehr. Und das mit dem SubVI habe ich gemacht geht , aber war nicht das Problem.
Leider.
Kann es sein, dass die Abfrage über Active X das Problem ist, denn es geht alles einwandfrei, dann kommt ein paar Sekunden der Aussetzter dann geht es wieder einige Bahnen und dann wieder ein Aussetzter, wie wenn ein Puffer geleert werden müsste.

Gruss
Alle Beiträge dieses Benutzers finden
Diese Nachricht in einer Antwort zitieren to top
Anzeige
10.07.2007, 14:52 (Dieser Beitrag wurde zuletzt bearbeitet: 10.07.2007 14:54 von VDB.)
Beitrag #7

VDB Offline
LVF-Stammgast
***


Beiträge: 426
Registriert seit: Oct 2005

2010-2011
1997
kA

52134
Deutschland
Mewwertaussetzter nach ca. 10 Bahnen
' schrieb:Das mit der For schliefe und dem Indexing hatte ich am Anfang so, dann hab ich aber gelsen, dass Schleifen die über das N gehen weniger Speicherintensiv sind.
Gruss

Wer hat dir den dieses Märchen aufgeschwätzt?

Verbinde doch mal die Fehlerein- und Ausgänge der ActiveX-nodes und zeige einen evt. Fehler über ein Anzeigeelement/Dialog an. Kommt da noch was bei raus?
Übrigens solltes du Refnums die du aufmachst auch immer schön wieder schließen...

VDB
Alle Beiträge dieses Benutzers finden
Diese Nachricht in einer Antwort zitieren to top
Antwort schreiben 


Gehe zu: