INFO: Dieses Forum nutzt Cookies...
Cookies sind für den Betrieb des Forums unverzichtbar. Mit der Nutzung des Forums erklärst Du dich damit einverstanden, dass wir Cookies verwenden.

Es wird in jedem Fall ein Cookie gesetzt um diesen Hinweis nicht mehr zu erhalten. Desweiteren setzen wir Google Adsense und Google Analytics ein.


Antwort schreiben 

NI USB 6210 - DigitalOut als Relais



Wenn dein Problem oder deine Frage geklärt worden ist, markiere den Beitrag als "Lösung",
indem du auf den "Lösung" Button rechts unter dem entsprechenden Beitrag klickst. Vielen Dank!

21.08.2007, 13:14
Beitrag #1

Phil Offline
LVF-Neueinsteiger


Beiträge: 4
Registriert seit: Aug 2007

8.21
2006
kA

69120
Deutschland
NI USB 6210 - DigitalOut als Relais
Hi!

Ich möchte mit den Digital-Ausgängen eines NI USB-6210 Ventile steuern. Die Ventile haben folgende Spezifikation:
24-Volt Option
Current: .16 amps
Power: 4.0 watts
Resistance: 144 ohms
Holding Voltage: 12-Volts

Könnt ihr mir sagen, ob ich das direkt über die Hardware steuern kann, oder ob ich noch Relais brauche? Wenn ja: Was wären hier günstige Relais, die den Zweck erfüllen?


Vielen Dank für euere Hilfe

Gruß
Phil
Alle Beiträge dieses Benutzers finden
Diese Nachricht in einer Antwort zitieren to top
Anzeige
21.08.2007, 13:58 (Dieser Beitrag wurde zuletzt bearbeitet: 21.08.2007 14:01 von jg.)
Beitrag #2

jg Offline
CLA & CLED
LVF-Team

Beiträge: 15.864
Registriert seit: Jun 2005

20xx / 8.x
1999
EN

Franken...
Deutschland
NI USB 6210 - DigitalOut als Relais
[:ahrg1:Meckermode on, nicht zu persönlich nehmen]
Sagt mal, kann hier keiner mehr Handbücher und technische Informationen lesen, die es in diesem Bsp. leicht zum Download bei NI gibt?
[/Meckermode off]

Die 6210 hat digitale TTL I/O's (also max. 5V) und keine analogen Ausgänge (die aber bei den meisten Karten eh nur bis 10V gehen).

Also direkt ansteuern kannst du vergessen. Überleg dir was anderes.

MfG, Jens

Wer die erhabene Weisheit der Mathematik tadelt, nährt sich von Verwirrung. (Leonardo da Vinci)

!! BITTE !! stellt mir keine Fragen über PM, dafür ist das Forum da - andere haben vielleicht auch Interesse an der Antwort!

Einführende Links zu LabVIEW, s. GerdWs Signatur.
Alle Beiträge dieses Benutzers finden
Diese Nachricht in einer Antwort zitieren to top
21.08.2007, 14:09
Beitrag #3

Phil Offline
LVF-Neueinsteiger


Beiträge: 4
Registriert seit: Aug 2007

8.21
2006
kA

69120
Deutschland
NI USB 6210 - DigitalOut als Relais
Hi!

Ich weiß, dass der 6210 keine AOs hat...

Leider kenne ich mich mit Elektronik kaum aus und hatte auf nen Tipp gehofft, wie ich denn die Ventile über den DigitalOut steuern kann.

Ich bin so weit, dass ein Optokoppler und ein Relais, oder auch Relais+Transistor oder Transistor nötig ist.

Reichen denn die 16mA vom USB6210, um ein Relais zu schalten?

Könnt ihr mir eventuell konkrete Bauteile nennen, mit denen die Schaltung funktionieren könnte?


Vielen Dank

Gruß
Phil
Alle Beiträge dieses Benutzers finden
Diese Nachricht in einer Antwort zitieren to top
27.08.2007, 20:01
Beitrag #4

mobadig Offline
LVF-Gelegenheitsschreiber
**


Beiträge: 55
Registriert seit: Jan 2005

8,2
2005
de


Deutschland
NI USB 6210 - DigitalOut als Relais
Hallo,

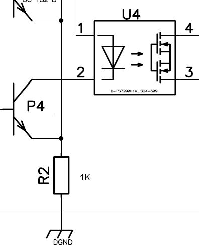
ich bin kein Freund von Relais. Daher die Variante mit einem Optokopler mit MOSFET ausgang.

Die Basis des Transistors (P4) kann direkt an den Digital Ausgang deines Moduls. Der Anschluß 1 des Bausteines AQY geht an 5V. Solltest Du mehr als die 5V verwenden muß R2 größer gewählt werden.
Bei 12V sollten so 10K hinkommen. Anschluß 3 geht an Deine zu Schaltende Spannung und die 4 an Deinen Verbraucher. Der zweite Anschluß Deines Verbrauchers wiederum an Masse.

Der AQY274 sollte in den meisten Fällen ausreichen. Damit kannst Du bis 400V und 350mA schalten. Kurze Stromspitzen von 1A sind auch kein Problem.

Ich baue meine Schaltungen alle damit auf und habe sehr gute Erfahrungen damit gemacht. Vor allem ist das ganze Verschleißfrei.

Viel Vergnügen damit.

   
Alle Beiträge dieses Benutzers finden
Diese Nachricht in einer Antwort zitieren to top
27.08.2007, 21:25
Beitrag #5

cb Offline
LVF-SeniorMod


Beiträge: 1.734
Registriert seit: Feb 2006

2018SP1
2001
EN

40xxx
Deutschland
NI USB 6210 - DigitalOut als Relais
' schrieb:Hi!

Ich möchte mit den Digital-Ausgängen eines NI USB-6210 Ventile steuern. Die Ventile haben folgende Spezifikation:
24-Volt Option
Current: .16 amps
Power: 4.0 watts
Resistance: 144 ohms
Holding Voltage: 12-Volts

Könnt ihr mir sagen, ob ich das direkt über die Hardware steuern kann, oder ob ich noch Relais brauche? Wenn ja: Was wären hier günstige Relais, die den Zweck erfüllen?
Vielen Dank für euere Hilfe

Gruß
Phil


entweder baust du dir selber eine Platine auf wie von mobadig beschrieben, oder du kaufst dir bei BMCM eine R8 / OR8 ... kostet 60/100 Euronen ...

https://www.rotabench.com - Prüftechnik für Elektromotoren
Webseite des Benutzers besuchen Alle Beiträge dieses Benutzers finden
Diese Nachricht in einer Antwort zitieren to top
Antwort schreiben 


Möglicherweise verwandte Themen...
Themen Verfasser Antworten Views Letzter Beitrag
  PCI-6225 mit SCB-68 zum Schalten von PhotoMOS Relais Pitt 9 9.993 03.04.2013 21:22
Letzter Beitrag: Lucki

Gehe zu: