INFO: Dieses Forum nutzt Cookies...
Cookies sind für den Betrieb des Forums unverzichtbar. Mit der Nutzung des Forums erklärst Du dich damit einverstanden, dass wir Cookies verwenden.

Es wird in jedem Fall ein Cookie gesetzt um diesen Hinweis nicht mehr zu erhalten. Desweiteren setzen wir Google Adsense und Google Analytics ein.


Antwort schreiben 

Paralleles Ausführen von SubVIs



Wenn dein Problem oder deine Frage geklärt worden ist, markiere den Beitrag als "Lösung",
indem du auf den "Lösung" Button rechts unter dem entsprechenden Beitrag klickst. Vielen Dank!

05.04.2011, 10:48
Beitrag #11

MatthiasHellberg Offline
LVF-Neueinsteiger


Beiträge: 7
Registriert seit: Jan 2011

2009
2010
de


Deutschland
RE: Paralleles Ausführen von SubVIs
Hallo Jens,
danke für die Antwort!

Habe das mal geändert und ich kann nun endlich mehrere Fenster parallel geöffnet haben.

Jetzt ist allerdings das Problem aufgetaucht, dass ich zum Beispiel bei dem 2. Dialog den Status nicht mehr auslesen kann.
Kann es sein, das dieses aufgrund des Schließens der Referenz passiert?

Ein weiteres Problemchen besteht nun darin, dass das Frontpanel nicht mehr automatisch geschlossen wird..Blush


Angehängte Datei(en)
2009 .vi  MainVI.vi (Größe: 20,25 KB / Downloads: 205)
Alle Beiträge dieses Benutzers finden
Diese Nachricht in einer Antwort zitieren to top
Anzeige
05.04.2011, 22:55
Beitrag #12

jg Offline
CLA & CLED
LVF-Team

Beiträge: 15.864
Registriert seit: Jun 2005

20xx / 8.x
1999
EN

Franken...
Deutschland
RE: Paralleles Ausführen von SubVIs
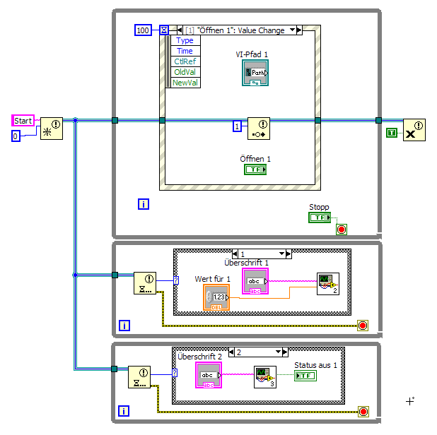
Für Dialog 1 lautet die Lösung so:
   
Das Schließen des Fensters machst du in diesem Fall selber machen, da du das VI per VI-Server aufgerufen hast.

Für Dialog 2 natürlich auch, aber hier musst du dir eine andere Lösung für die Rückgabe von Werten überlegen. Du könntest z.B. per Queue oder Notifier deinem Haupt-VI mitteilen, dass eine Änderung in einem SubVI beendet ist.

Was du hochgeladen hast, das ist noch Datenfluss, aber davon musst du dich trennen, wenn du mehrere Fenster gleichzeitig offen haben willst.

Alternativer Ansatz:
Jeder Dialog läuft in einer eigenen While-Schleife, alle Schleifen laufen parallel.
Über z.B. einen Notifier kannst du innerhalb des Main-VI die Ausführung eines SubVI starten.
Stark vereinfacht etwas in der Art:
   

Gruß, Jens

Wer die erhabene Weisheit der Mathematik tadelt, nährt sich von Verwirrung. (Leonardo da Vinci)

!! BITTE !! stellt mir keine Fragen über PM, dafür ist das Forum da - andere haben vielleicht auch Interesse an der Antwort!

Einführende Links zu LabVIEW, s. GerdWs Signatur.
Alle Beiträge dieses Benutzers finden
Diese Nachricht in einer Antwort zitieren to top
06.04.2011, 07:48
Beitrag #13

MatthiasHellberg Offline
LVF-Neueinsteiger


Beiträge: 7
Registriert seit: Jan 2011

2009
2010
de


Deutschland
Lightbulb RE: Paralleles Ausführen von SubVIs
Habe es mit dem alternativen Ansatz ausprobiert und es funktioniert genauso wie ich es mir vorgestellt hatte :-)
Werde es nach diesem Verfahren nun in meinem Projekt umsetzen!

Vielen Dank für die Hilfe, man lernt ja nie aus ;-)
Alle Beiträge dieses Benutzers finden
Diese Nachricht in einer Antwort zitieren to top
30
Antwort schreiben 


Möglicherweise verwandte Themen...
Themen Verfasser Antworten Views Letzter Beitrag
  Queued State Machine, paralleles lesen und schreiben. Atilla 6 9.873 25.02.2013 15:17
Letzter Beitrag: Atilla
  paralleles Abarbeiten des gleichen VI Tobox 6 6.949 08.07.2009 16:14
Letzter Beitrag: TSC
  Paralleles Sub-VI muckt rum Xaran 1 3.712 17.01.2009 09:44
Letzter Beitrag: rasta
  paralleles Abarbeiten zweier Schleifen mit Übergabe von Daten Benns 6 8.035 24.09.2008 12:54
Letzter Beitrag: Lucki

Gehe zu: