|
07.11.2006, 15:40
Beitrag #1
|
Pascal
LVF-Grünschnabel

Beiträge: 45
Registriert seit: May 2006
8.00
2006
kA
Deutschland
|
Probelme mit Dezimalstellen
Hallo,
ich schreibe mit einem OPC-Server Daten in einen Umrichter. Zur Kontrolle kann ich die Daten mit einem Externen Programm wieder auslesen. Wenn ich nun Werte schreibe, die in dem Umrichter mit einer bestimmten Anzahl Dezimalstellen angeben kann, werden meine Werte nicht richtig übertragen. Also wenn ich z.B. im LabVIEW 50,0 Hz vorgebe kommt nur 5,0 Hz an. Bei dem Strom, der mit 2 Nachkommastellen angegeben werden kann, kommt nur ein Hundertstel an. Also z.B. 0,09A anstatt 9,00A. Mein ersten Gedanke war, dass es Probleme mit „ , “ und „ . “ gibt. Habe aber meine Systemdarstellung auf Ami Style umgeändert, hat aber nichts gebracht.
Hat jemand eine Idee woran das liegen könnte?
Pascal
|
|
|
|
|
07.11.2006, 15:46
Beitrag #2
|
|
|
|
|
08.11.2006, 07:55
(Dieser Beitrag wurde zuletzt bearbeitet: 08.11.2006 07:58 von Pascal.)
Beitrag #3
|
Pascal
LVF-Grünschnabel

Beiträge: 45
Registriert seit: May 2006
8.00
2006
kA
Deutschland
|
Probelme mit Dezimalstellen
Hallo,
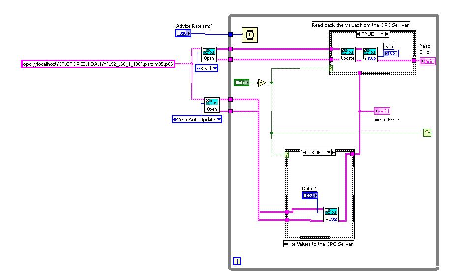
das VI sieht so aus. Hab einfach ein Beispiel ein wenig umgeschrieben. Was ich auch noch komisch finde, beim lesen der Daten ließt er zwar z.B. die 50 wieder, die vorgegeben wurden, aber im Umrichter steht eigentlich nur 5. Wenn ich ein VI schreibe in dem nur der Wert gelesen wird, dann ließt er den richtigen Wert. (Mit dem schreiben funktioniert das leider nicht  ). Ach so noch was anderes. Der Wert der geschrieben werden soll ist vom Typ 16 Bit bipolig. Da bin ich doch richtig mit dem I32?
Pascal
OPC_1_WErt_lesen_schreibe.vi (Größe: 29,72 KB / Downloads: 284)
hab mal noch nen Screenshot
|
|
|
|
|
08.11.2006, 08:44
Beitrag #4
|
|
|
|
|
|
08.11.2006, 10:40
Beitrag #5
|
Pascal
LVF-Grünschnabel

Beiträge: 45
Registriert seit: May 2006
8.00
2006
kA
Deutschland
|
Probelme mit Dezimalstellen
Hmm,
machmal wäre es nicht schlecht gewesen im Studium etwas aufzupassen  . Aber es funktioniert trotzdem nicht. Du hast es doch so gemeint, oder?
|
|
|
|
|
08.11.2006, 10:52
Beitrag #6
|
|
|
|
|
|
08.11.2006, 17:03
Beitrag #7
|
|
|
|
|
|
09.11.2006, 07:25
Beitrag #8
|
Pascal
LVF-Grünschnabel

Beiträge: 45
Registriert seit: May 2006
8.00
2006
kA
Deutschland
|
Probelme mit Dezimalstellen
Aha,
das habe ich mir schon fast gedacht. Dann gibt es sozusagen auch keine Möglichkeit das automatisch umzuformatieren, da die Werte eine unterschiedliche Anzahl von Kommastellen haben? Muss dann wohl bei jedem Wert schauen wieviele der hat und dann mit 10,100... multiplizieren.
Pascal
|
|
|
|
|
09.11.2006, 07:57
Beitrag #9
|
Pascal
LVF-Grünschnabel

Beiträge: 45
Registriert seit: May 2006
8.00
2006
kA
Deutschland
|
Probelme mit Dezimalstellen
Mir ist gerade noch was aufgefallen. Wenn ich z.b. 50,3 schreibe ( mit double schreiben), dann packt er es. Wenn ich 50,0 vorgebe, dann schreibt er nur 5. Ich habe schon "Abschließende Nullstelen unterdrücken" deaktiviert in Format und Genauigkeit und den Wert auf eine Kommastelle definiert. Kann ja eigentlich nur daran liegen, dass er das ",0" nicht überträgt. Hat jemand ne Lösung?
Pascal
|
|
|
|
| |