INFO: Dieses Forum nutzt Cookies...
Cookies sind für den Betrieb des Forums unverzichtbar. Mit der Nutzung des Forums erklärst Du dich damit einverstanden, dass wir Cookies verwenden.

Es wird in jedem Fall ein Cookie gesetzt um diesen Hinweis nicht mehr zu erhalten. Desweiteren setzen wir Google Adsense und Google Analytics ein.


Antwort schreiben 

Problem mit "Case"



Wenn dein Problem oder deine Frage geklärt worden ist, markiere den Beitrag als "Lösung",
indem du auf den "Lösung" Button rechts unter dem entsprechenden Beitrag klickst. Vielen Dank!

05.05.2009, 16:25
Beitrag #1

lv-neuling1 Offline
LVF-Neueinsteiger


Beiträge: 3
Registriert seit: May 2009

8.5.1
-
de

3344
Deutschland
Problem mit "Case"
Hi!

Ich muss für ein Projekt ein Programm schreiben bei dem ein Datenstrom durch eine Case-Structure soll, und dann je nach Case (True, False) einen anderen Weg nehmen soll. D.h. ich will sowas wie eine Verzweigung machen.

Datenstrom ->>>>>>> Case
-> Bei True: Über Weg A weiterleiten, Weg B macht nichts
-> Bei False: Über Weg B weiterleiten, Weg A macht nichts

Geht das überhaupt mit LabVIEW/mit der Case-structure?
Bei mir setzt er einfach beide Wege fort, egal ob True oder False, auch die Eigenschaft "Use Default if Unwired" hilft nicht weiter.

Ich danke schon mal im Vorraus für hilfe, sitze schon ein paar stunden über diesem problem.

lg
Alle Beiträge dieses Benutzers finden
Diese Nachricht in einer Antwort zitieren to top
Anzeige
05.05.2009, 16:28
Beitrag #2

Labview-Beginner Offline
LVF-Gelegenheitsschreiber
**


Beiträge: 114
Registriert seit: Oct 2007

6.1
2007
kA

67705
Deutschland
Problem mit "Case"
Hallo,

prinzipiell sollte es gehen wie du es willst.

Kannst du vielleicht mal dein Programm hochladen oder einfach ein Bild deines bisherigen Schaltbildes?

Cheers,
Lv-B
Alle Beiträge dieses Benutzers finden
Diese Nachricht in einer Antwort zitieren to top
05.05.2009, 16:34
Beitrag #3

TSC Offline
LVF-Team
LVF-Team

Beiträge: 1.882
Registriert seit: Sep 2008

LV 2018 SP1
2008
EN

52379
Deutschland
Problem mit "Case"
du musst ALLES was fallunterschieden sein soll, in der CaseStruktur unterbringen. Sprich bei dir würde es heißen, den kompletten Weg A in den TRUE-Case und den kompletten Weg B in den FALSE-Case.

Ansonsten schließe ich mich LabVIEW-Beginner an, eine Grafik oder sogar ein VI wären sicherlich hilfreich.

LG
Torsten

"Über Fragen, die ich nicht beantworten kann, zerbreche ich mir nicht den Kopf!" (Konrad Zuse)
Alle Beiträge dieses Benutzers finden
Diese Nachricht in einer Antwort zitieren to top
05.05.2009, 19:12
Beitrag #4

lv-neuling1 Offline
LVF-Neueinsteiger


Beiträge: 3
Registriert seit: May 2009

8.5.1
-
de

3344
Deutschland
Problem mit "Case"
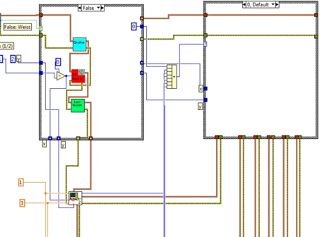
hab mal zwei bilder angehängt.

das eine zeigt die schlaufe bei true, das andere bei false
(ich entschuldige mich für eventuelle unübersichtlichkeit, das programm ist "schnell schnell" gemacht.)

die zwei "kabel" die durch alles gehen sind von einer lego-steuereinheit


Angehängte Datei(en) Thumbnail(s)
       
Alle Beiträge dieses Benutzers finden
Diese Nachricht in einer Antwort zitieren to top
05.05.2009, 21:49
Beitrag #5

TSC Offline
LVF-Team
LVF-Team

Beiträge: 1.882
Registriert seit: Sep 2008

LV 2018 SP1
2008
EN

52379
Deutschland
Problem mit "Case"
versuch mal die offenen anschlüsse in beiden fällen mit fehlerwerten zu belegen. sprich irgendwas, was keinen sinn macht. ich denke, dass dein programm funktioniert wie es soll. wenn du sehen magst was passiert kannst du im blockdiagramm auch die glühbirne einschalten. die sollte dann gelb lecuhten. dann siehst du schritt für schritt, welche daten von wo, wohin übergeben werden.

LG
Torsten

"Über Fragen, die ich nicht beantworten kann, zerbreche ich mir nicht den Kopf!" (Konrad Zuse)
Alle Beiträge dieses Benutzers finden
Diese Nachricht in einer Antwort zitieren to top
05.05.2009, 22:28
Beitrag #6

ImExPorty Offline
LVF-Freak
****


Beiträge: 572
Registriert seit: Jan 2008

8.6
2001
kA

65934
Deutschland
Problem mit "Case"
Hallo lv-neuling1,
' schrieb:... Case-Structure soll, und dann je nach Case (True, False) einen anderen Weg nehmen soll ..soll bedeuten andere Funktionalität mit gleichen Ausgangsdaten

Datenstrom ->>>>>>> Case
-> Bei True: Über Weg A weiterleiten, Weg B macht nichts B macht ja auch nicht's außer am Übergabepunkt Standardwerte zu produzieren
-> Bei False: Über Weg B weiterleiten, Weg A macht nichts A macht ja auch nicht's außer am Übergabepunkt Standardwerte zu produzieren

Bei mir setzt er einfach beide Wege fort, egal ob True oder False, auch die Eigenschaft "Use Default if Unwired" hilft nicht weiter.
Der Datenstrom wird also nicht umgeleitet (keine Relais. Funktion) sondern nur wechselseitig mit Standard- Werten befüllt.
meine Vermutung:
   

Lv85_img
Sonstige .vi  lv_neuling1_CaseProblem_lv85.vi (Größe: 11,16 KB / Downloads: 277)

1 Postingempfehlungen, 2 Motivation
Fragen und Anpassungswünsche per PM werden, gegen Rechnungsstellung gerne beantwortet und realisiert ....wenn's dann doch kostenlos sein soll... bitte hier im LVF unter Berücksichtigung der voranstehenden Links posten.
Webseite des Benutzers besuchen Alle Beiträge dieses Benutzers finden
Diese Nachricht in einer Antwort zitieren to top
Anzeige
06.05.2009, 12:37 (Dieser Beitrag wurde zuletzt bearbeitet: 06.05.2009 12:39 von lv-neuling1.)
Beitrag #7

lv-neuling1 Offline
LVF-Neueinsteiger


Beiträge: 3
Registriert seit: May 2009

8.5.1
-
de

3344
Deutschland
Problem mit "Case"
mein problem ist, dass ich nicht einfach bei verschiedenen fällen verschiedene werte weitergeben will. die werte bleiben eigentlich gleich. nur der weg ändert sich, d.h. statt über Weg A zu gehen und Funktionen b,c, und d auszuführen geht es über den Weg B und macht was dort steht.

hab mir das ganze nochmal überlegt, wahrscheinlich muss ich den kompletten weg A in den einen und den kompletten Weg B in einen anderen Case packen.

Habe nochmals ein bild hochgeladen, den ich im "glühbirnenmodus" gemacht hab. dort erkennt ihr welchen weg er machen und welchen er nicht nehmen soll, aber es doch tut...[attachment=46090:problem.jpg]


Angehängte Datei(en) Thumbnail(s)
   
Alle Beiträge dieses Benutzers finden
Diese Nachricht in einer Antwort zitieren to top
06.05.2009, 12:50
Beitrag #8

TSC Offline
LVF-Team
LVF-Team

Beiträge: 1.882
Registriert seit: Sep 2008

LV 2018 SP1
2008
EN

52379
Deutschland
Problem mit "Case"
' schrieb:..
hab mir das ganze nochmal überlegt, wahrscheinlich muss ich den kompletten weg A in den einen und den kompletten Weg B in einen anderen Case packen.
..

genau das habe ich ja bereiits gesagt und genau so funktioniert das ganze auch

"Über Fragen, die ich nicht beantworten kann, zerbreche ich mir nicht den Kopf!" (Konrad Zuse)
Alle Beiträge dieses Benutzers finden
Diese Nachricht in einer Antwort zitieren to top
Antwort schreiben 


Gehe zu: