INFO: Dieses Forum nutzt Cookies...
Cookies sind für den Betrieb des Forums unverzichtbar. Mit der Nutzung des Forums erklärst Du dich damit einverstanden, dass wir Cookies verwenden.

Es wird in jedem Fall ein Cookie gesetzt um diesen Hinweis nicht mehr zu erhalten. Desweiteren setzen wir Google Adsense und Google Analytics ein.


Antwort schreiben 

Dieses Thema hat akzeptierte Lösungen:

Rendevous Daq vereinfachen



Wenn dein Problem oder deine Frage geklärt worden ist, markiere den Beitrag als "Lösung",
indem du auf den "Lösung" Button rechts unter dem entsprechenden Beitrag klickst. Vielen Dank!

19.11.2013, 13:45 (Dieser Beitrag wurde zuletzt bearbeitet: 19.11.2013 13:47 von dbuckl.)
Beitrag #1

dbuckl Offline
LVF-Gelegenheitsschreiber
**


Beiträge: 190
Registriert seit: Sep 2013

10
2013
DE


Deutschland
Rendevous Daq vereinfachen
Hallo Leute,

ich erzeuge einen Sprung den ich an eine el.Last über DAQmx schicke, das funktioniert auch soweit.
Um die Sprungantwort zu erhalten habe ich über Rendevous gleichzeitig analog den Strom ausgelesen, das hat auch super funktioniert. Da beides gleichzeitig gestartet wurde habe ich den Sprung im gleichen moment gelesen wie geschrieben.

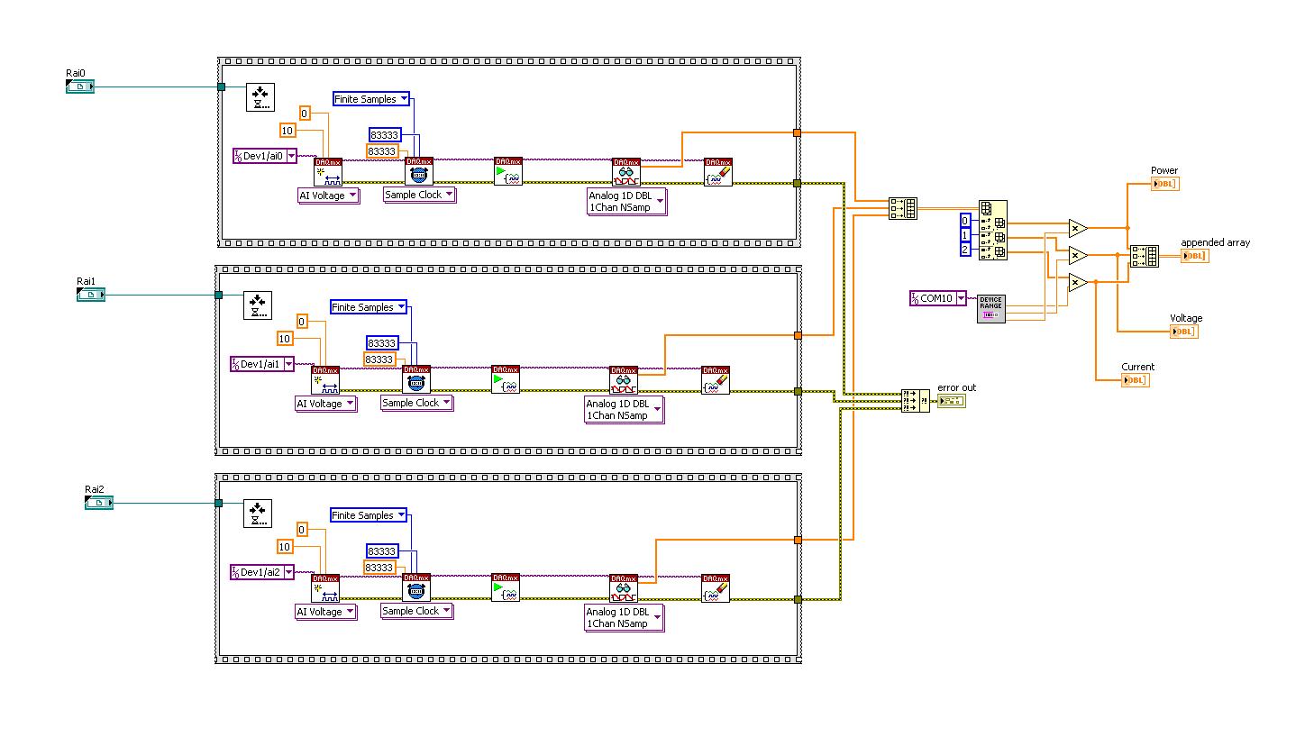
Nun wollte ich zusätzlich auch noch die Leistung und Spannung in den gleichen Graphen einlesen. Um die Übersicht nicht zu verlieren habe ich das Auslesen in ein SubVI gepackt (siehe Bild). Doch irgendwie ist das ganze nun zu langsam und es wird nur noch wechselweise eines der Signale ausgelesen bzw. ausglesen werden eigentlich alle aber ich habe nur von einem der drei die Antwort auf den Sprung, die anderen Signale zeigen nur eine DC Horizontale im Bereich 0. Das heißt warscheinlich das die Messung einfach zu spät kam und bei den anderen der Sprung schon vorbei war.

Mein VI sieht allerdings auch ziemlich umständlich aus und die Initialisierung braucht man warscheinlich auch nicht 3mal machen?
Allerdings weiß ich nicht wie ich mehrere Analogeingänge (ai x) ein Kanal einlesen kann. Manche Geräte können das ja, doch hier kann man es zumindest nicht direkt über den I/O. Einen Task mit allen drei erstellen hat auch nicht funktioniert, danach wurde mir gar nichts mehr im Ausgabe-Graph angezeigt. Wisst Ihr eine Lösung?

Gruß Domi


Angehängte Datei(en) Thumbnail(s)
   
Alle Beiträge dieses Benutzers finden
Diese Nachricht in einer Antwort zitieren to top
Anzeige
19.11.2013, 13:51 (Dieser Beitrag wurde zuletzt bearbeitet: 19.11.2013 13:52 von GerdW.)
Beitrag #2

GerdW Offline
______________
LVF-Team

Beiträge: 17.529
Registriert seit: May 2009

LV2019 (LV2021)
1995
DE_EN

10×××
Deutschland
RE: Rendevous Daq vereinfachen
Hallo domi,

du hast dir schon mal die DAQmx-Beispiel-VIs angeschaut?
Du hast dort gelernt, wie man mehrere Kanäle mit nur einem DAQmx-Task lesen kann?
Du hast schon mal mit der DAQmx-Kanal-Auswahl herumgespielt oder dir die Anleitung dazu durchgelesen?
Schon mal drei Kanäle wie "Dev1/ai0:2" verwendet?

Zitat:Einen Task mit allen drei erstellen hat auch nicht funktioniert, danach wurde mir gar nichts mehr im Ausgabe-Graph angezeigt
Hat dir schon mal jemand gesagt, dass "funktioniert nicht" keine gute Fehlerbeschreibung ist?
Welche Fehler wurden angezeigt? Was hast du beim Debugging mit Sonden und Highlighting herausgefunden?

Alle Beiträge dieses Benutzers finden
Diese Nachricht in einer Antwort zitieren to top
19.11.2013, 13:53
Beitrag #3

jg Offline
CLA & CLED
LVF-Team

Beiträge: 15.864
Registriert seit: Jun 2005

20xx / 8.x
1999
EN

Franken...
Deutschland
RE: Rendevous Daq vereinfachen
Offtopic2
Bitte immer DAQ-Hardware angeben

On-Topic:
Auf Grund deiner anderen Threads gehe ich davon aus, dass du weiterhin mit der USB-6215 arbeitest.
Das ist eine Multiplexer-Karte, auf der kannst du nicht mehrere AI-Tasks parallel laufen lassen. Die werden dann hintereinander gestartet.
Erfasse die drei AI mit einem Task, und es sollte funktionieren.

Gruß, Jens

Wer die erhabene Weisheit der Mathematik tadelt, nährt sich von Verwirrung. (Leonardo da Vinci)

!! BITTE !! stellt mir keine Fragen über PM, dafür ist das Forum da - andere haben vielleicht auch Interesse an der Antwort!

Einführende Links zu LabVIEW, s. GerdWs Signatur.
Alle Beiträge dieses Benutzers finden
Diese Nachricht in einer Antwort zitieren to top
19.11.2013, 14:07
Beitrag #4

dbuckl Offline
LVF-Gelegenheitsschreiber
**


Beiträge: 190
Registriert seit: Sep 2013

10
2013
DE


Deutschland
RE: Rendevous Daq vereinfachen
Argh ich muss mir mal eine Merkliste aufschreiben was ich alles angeben muss wenn ich hier ein Problem beschreibe Confused

Tut mir leid natürlich arbeite ich noch mit dem USB-6215. Doch das Higlighting hat bei mir nicht so funktioniert wie sonst, dabei kam im Gegensatz zu "Echzeit" überhaupt keine Sprungantwort, deshalb habe ich hier nicht weiter geforscht.

Ich werde es noch einmal mit einem im MAX erstellten Task probieren, wenn das für mit diesem Wandler funktionieren sollte, vielleicht waren nur ein paar Einstellungen im MAX nicht richtig Blink

Gruß Domi
Alle Beiträge dieses Benutzers finden
Diese Nachricht in einer Antwort zitieren to top
19.11.2013, 14:10
Beitrag #5

GerdW Offline
______________
LVF-Team

Beiträge: 17.529
Registriert seit: May 2009

LV2019 (LV2021)
1995
DE_EN

10×××
Deutschland
RE: Rendevous Daq vereinfachen
Hallo domi,

wozu MAX?

Du brauchst in deinem Bild oben nur:
- die zwei unteren Sequenzen löschen
- in der oberen die Kanalangabe zu "dev1/ai0:2" ändern
- statt "1Chan NSamp" nun "NChan NSamp" lesen...

Alle Beiträge dieses Benutzers finden
Diese Nachricht in einer Antwort zitieren to top
19.11.2013, 14:37 (Dieser Beitrag wurde zuletzt bearbeitet: 19.11.2013 14:38 von dbuckl.)
Beitrag #6

dbuckl Offline
LVF-Gelegenheitsschreiber
**


Beiträge: 190
Registriert seit: Sep 2013

10
2013
DE


Deutschland
RE: Rendevous Daq vereinfachen
(19.11.2013 14:10 )GerdW schrieb:  Hallo domi,

wozu MAX?

Du brauchst in deinem Bild oben nur:
- die zwei unteren Sequenzen löschen
- in der oberen die Kanalangabe zu "dev1/ai0:2" ändern
- statt "1Chan NSamp" nun "NChan NSamp" lesen...

Habe es jetzt so probiert (oben einfach direkt ins HauptVI) doch nun wird gar nichts mehr ausgelesen die drei Graphen bleiben leer.
Als Fehlermeldung erhalte ich nach dem DAQmx Read:

Error -200019 occurred at GEN_Lastsprung_V10.vi

Possible reason(s):

ADC conversion attempted before the prior conversion was complete.

Increase the period between ADC conversions. If you are using an external clock, check your signal for the presence of noise or glitches.

Task Name: _unnamedTask<84>


Ich verstehe leider nicht genau was mir das sagen soll, ich weiß auch gar nicht was eine ADC "Umsetzung"? heißen soll.
Oder fehlt da schon wieder etwas wie ein "Wait until Task is done"?


Angehängte Datei(en) Thumbnail(s)
   
Alle Beiträge dieses Benutzers finden
Diese Nachricht in einer Antwort zitieren to top
Anzeige
19.11.2013, 14:42 (Dieser Beitrag wurde zuletzt bearbeitet: 19.11.2013 14:43 von GerdW.)
Beitrag #7

GerdW Offline
______________
LVF-Team

Beiträge: 17.529
Registriert seit: May 2009

LV2019 (LV2021)
1995
DE_EN

10×××
Deutschland
RE: Rendevous Daq vereinfachen

Akzeptierte Lösung

Hallo domi,

weiter oben hast du noch mit einer Samplerate von 83333 gearbeitet, nun mit 240kHz. Warum? Habe ich irgendwo geschrieben, du sollst die Samplerate ändern?
- Schafft deine Hardware das überhaupt?
- Zum Fehler: Wie schon gesagt benutzt du eine Multiplexed-DAQ-Karte. Ein ADC kümmert sich um alle AI-Kanäle. Du willst nun öfter einen neuen Wert lesen, als der ADC überhaupt zu samplen schafft...

Alle Beiträge dieses Benutzers finden
Diese Nachricht in einer Antwort zitieren to top
19.11.2013, 14:49
Beitrag #8

dbuckl Offline
LVF-Gelegenheitsschreiber
**


Beiträge: 190
Registriert seit: Sep 2013

10
2013
DE


Deutschland
RE: Rendevous Daq vereinfachen
Die Karte schafft 250 kS/sec

Allerdings wenn ich dich richtig verstehe darf ich bei der rate auch nur ein drittel davon einstellen? Da er sonst nicht möglichst gleichzeitig ai0:2 auslesen kann?

Habs probiert es hat funktioniert Cool
Ihr seid die besten! Danke
Alle Beiträge dieses Benutzers finden
Diese Nachricht in einer Antwort zitieren to top
19.11.2013, 14:52 (Dieser Beitrag wurde zuletzt bearbeitet: 19.11.2013 14:52 von GerdW.)
Beitrag #9

GerdW Offline
______________
LVF-Team

Beiträge: 17.529
Registriert seit: May 2009

LV2019 (LV2021)
1995
DE_EN

10×××
Deutschland
RE: Rendevous Daq vereinfachen
Hallo domi,

Rtmfx
Da gibt es Specs, die sagen "250kS/s aggregate for multiple channels" und es gibt ein Manual mit einem großen Absatz zur SettlingTime, die man auch beachten sollte.

Nochmal Rtmfx !!!

Alle Beiträge dieses Benutzers finden
Diese Nachricht in einer Antwort zitieren to top
19.11.2013, 14:53
Beitrag #10

jg Offline
CLA & CLED
LVF-Team

Beiträge: 15.864
Registriert seit: Jun 2005

20xx / 8.x
1999
EN

Franken...
Deutschland
RE: Rendevous Daq vereinfachen
(19.11.2013 14:49 )dbuckl schrieb:  Die Karte schafft 250 kS/sec

Allerdings wenn ich dich richtig verstehe darf ich bei der rate auch nur ein drittel davon einstellen? Da er sonst nicht möglichst gleichzeitig ai0:2 auslesen kann?
Genau richtig. Diese Karte kann 250kS/sec "aggregate". Das ist die "Gesamtrate" für alle AI zusammen, da sie als Multiplexer-Karte nur 1 A/D-Wandler hat.
Das heißt also:
Bei 1x AI kannst du das Ding mit max. 250 Khz auslesen.
Bei 2x AI mit max. 125 KHz.
Bei 4x AI mit max. 62,5 kHz.

Gruß, Jens

Wer die erhabene Weisheit der Mathematik tadelt, nährt sich von Verwirrung. (Leonardo da Vinci)

!! BITTE !! stellt mir keine Fragen über PM, dafür ist das Forum da - andere haben vielleicht auch Interesse an der Antwort!

Einführende Links zu LabVIEW, s. GerdWs Signatur.
Alle Beiträge dieses Benutzers finden
Diese Nachricht in einer Antwort zitieren to top
30
Antwort schreiben 


Möglicherweise verwandte Themen...
Themen Verfasser Antworten Views Letzter Beitrag
  Implementierung von Rendevous über SubVi's ohne Anschlüsse am SubVi t.hipp 3 4.838 01.02.2018 09:57
Letzter Beitrag: jg

Gehe zu: