INFO: Dieses Forum nutzt Cookies...
Cookies sind für den Betrieb des Forums unverzichtbar. Mit der Nutzung des Forums erklärst Du dich damit einverstanden, dass wir Cookies verwenden.

Es wird in jedem Fall ein Cookie gesetzt um diesen Hinweis nicht mehr zu erhalten. Desweiteren setzen wir Google Adsense und Google Analytics ein.


Antwort schreiben 

Rotierender exzentrischer Kreis



Wenn dein Problem oder deine Frage geklärt worden ist, markiere den Beitrag als "Lösung",
indem du auf den "Lösung" Button rechts unter dem entsprechenden Beitrag klickst. Vielen Dank!

26.09.2007, 20:07
Beitrag #1

Thorsten1982 Offline
LVF-Grünschnabel
*


Beiträge: 24
Registriert seit: Nov 2006

7.00
2006
kA

78652
Deutschland
Rotierender exzentrischer Kreis
Hallo,

ich möchte einen kleinen Kreis (rot) auf einer Kreisbahn (tangierend an einem feststehenden, äußeren Kreis, hier weiß) rotieren lassen - soll eine Kreisbewegung eines Werkzeuges darstellen...
Ich bekomme es inzwischen hin, das ein Kreissegent (hier 2 grüne Pixel auf dem Graph) auf einer Kreisbahn rotieren.

Meine 2 Probleme:

1.Ich schaffe es nicht, ein Pixel rotieren zu lassen, sobald ich das Terminal der for-schleife auf 1 setze, sehe ich keinen rotierenden punkt mehr auf dem graphen

2. Ich schaffe es nur, diese 2 Punkte auf einer Kreisbahn rotieren zu lassen, jedoch müsste ein ganzer Kreis (der rote kreis - also ein Array) diese Kreisbahn darstellen.

Mathematisch gesehen: Ich beschreibe die Mittelpunktsbahn, auf welcher der kreis rotieren soll. (wäre mein rotierender einzelner punkt, welcher nicht mehr sichtbar ist). dieser punkt ist nun mittelpunkt des eigentlichen rotierenden kreises.
Es muss also der erste punkt der mittelpunktsbahn in einer inneren schleife erzeigt werden, z.B. bei 0°. in einer äiußeren schleife wird nun diesem punkt die kreiskoordinaten des rotierenden kreises zugewiesen (z.b. 200/pi punkte) in einem array. dann bewegt sich der punkt um 1° (bzw iterationsschritt weiter), usw.

Bin leider nicht so der LabVIEW held, in MATLAB code funktioniert die sache...

Hier noch ein paar screenshots

Hab schon paar sachen probiert...aber nicht hinbekommen

Danke

Gruß Thorsten


Angehängte Datei(en) Thumbnail(s)
       
Alle Beiträge dieses Benutzers finden
Diese Nachricht in einer Antwort zitieren to top
Anzeige
26.09.2007, 23:00
Beitrag #2

Lucki Offline
Tech.Exp.2.Klasse
LVF-Team

Beiträge: 7.699
Registriert seit: Mar 2006

LV 2016-18 prof.
1995
DE

01108
Deutschland
Rotierender exzentrischer Kreis
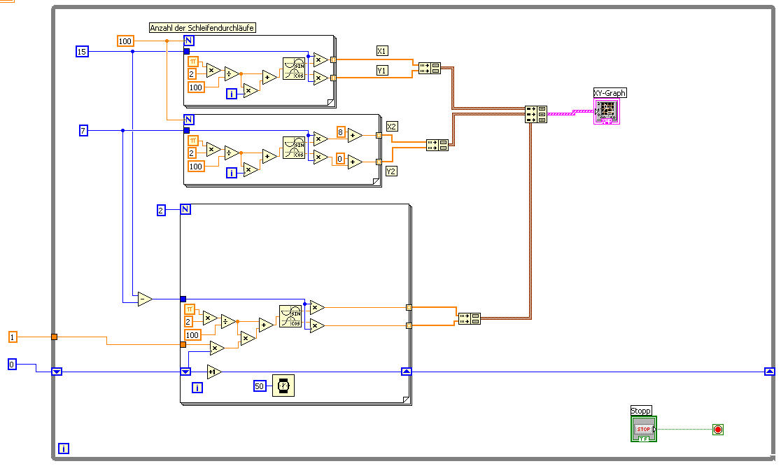
Hier Beispiel wie es geht, unter Verwendung von komplexen Zahlen. Hab es als 8.0 gespeichert. Falls Du es mit V7 nachbaust, kann es, sein daß der XY-Graph keine komplexen Zahlen verarbeitet. Du müsstest dann vor dem Graph-Anschluß eine Kleinigkeit ändern.
   


Angehängte Datei(en)
Sonstige .vi  Kreise.vi (Größe: 20,93 KB / Downloads: 278)
Alle Beiträge dieses Benutzers finden
Diese Nachricht in einer Antwort zitieren to top
27.09.2007, 20:17
Beitrag #3

Thorsten1982 Offline
LVF-Grünschnabel
*


Beiträge: 24
Registriert seit: Nov 2006

7.00
2006
kA

78652
Deutschland
Rotierender exzentrischer Kreis
Also ich hab LAbview 7.0...hab s gerade probiert, mein XY graph frisst die daten nicht

Welche modifikation muss ich vornehmen, dass es auch bei mir klappt!

mfg Thorsten
Alle Beiträge dieses Benutzers finden
Diese Nachricht in einer Antwort zitieren to top
28.09.2007, 06:56 (Dieser Beitrag wurde zuletzt bearbeitet: 28.09.2007 07:58 von Lucki.)
Beitrag #4

Lucki Offline
Tech.Exp.2.Klasse
LVF-Team

Beiträge: 7.699
Registriert seit: Mar 2006

LV 2016-18 prof.
1995
DE

01108
Deutschland
Rotierender exzentrischer Kreis
Zitat:Welche modifikation muss ich vornehmen, dass es auch bei mir klappt!
Ich schlottere vor Angst vor dieser durch das Ausrufezeichen implizierten Drohung und bemühe mich maximal es Dir recht zu machen:

   


Angehängte Datei(en)
Sonstige .vi  Kreise71.vi (Größe: 53,48 KB / Downloads: 229)
Alle Beiträge dieses Benutzers finden
Diese Nachricht in einer Antwort zitieren to top
28.09.2007, 16:11
Beitrag #5

Thorsten1982 Offline
LVF-Grünschnabel
*


Beiträge: 24
Registriert seit: Nov 2006

7.00
2006
kA

78652
Deutschland
Rotierender exzentrischer Kreis
Hi!

Ich muss meine schroffe art entschuldigen...nun klappt es auch bei mir - viele dank!!
Alle Beiträge dieses Benutzers finden
Diese Nachricht in einer Antwort zitieren to top
30
Antwort schreiben 


Gehe zu: