Hi,
es gibt bestimmt elegantere Lösungen, aber ...
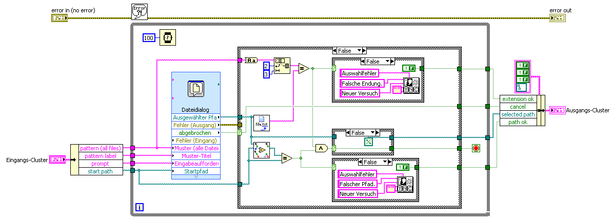
... ich würde den Nutzer einfach solange in einer While-Schleife festhalten, bis er eine Datei mit der gewünschten Endung in deinem Verzeichnis (und dessen Unterverzeichnissen, zumindest in meinem Beispiel) ausgewählt hat.
Und so stelle ich mir das vor:
(Voraussetzung... du willst nur eine Dateiendung zulassen, nicht mehrere)
Erzwungene_Datei_Auswahl.vi (Größe: 25,03 KB / Downloads: 254)
Den Nutzer darauf hinzuweisen, warum er die Dateien in anderen Ordnern nicht auswählen kann ect. überlasse ich dir (falls du das überhaupt willst

)
Gruß SeBa