|
02.12.2009, 10:46
Beitrag #2
|
SeBa
LVF-Guru
    
Beiträge: 2.025
Registriert seit: Oct 2008
09SP1 & 10 FDS
2008
DE
65xxx
Deutschland
|
Schleifen kleben
Lad doch bitte eine Beispieldatei hoch, damit wir was zum testen haben.
Soll man eigentlich in beiden Graphen den Bereich auswählen können oder nur in eimen von den Beiden?
Soll der Graph in dem man nicht den Bereich ausgewählt hat den Bereich des Anderen übernehmen?
Soll die Datei beide Signale enthalten mit dem selben Bereich oder soll das unabhängig voneinander geschehen und dann trotzdem in einer Datei landen oder in zwei verschiedenen Dateien?
Was bedeutet "Schleife kleben" ?
Ich kenne nur Schleife binden und das lernt man spätestens im Kindergarten.
Gruß SeBa
Dieser Beitrag soll weder nützlich, informativ noch lesbar sein.
Er erhebt lediglich den Anspruch dort wo er ungenau ist, wenigstens eindeutig ungenau zu sein.
In Fällen größerer Abweichungen ist es immer der Leser, der sich geirrt hat.
Rette einen Baum!
Diesen Beitrag nur ausdrucken, wenn unbedingt nötig!
|
|
|
|
|
02.12.2009, 10:53
Beitrag #3
|
|
|
|
|
|
02.12.2009, 11:05
Beitrag #4
|
|
|
|
|
|
02.12.2009, 11:09
Beitrag #5
|
t18935
LVF-Grünschnabel

Beiträge: 20
Registriert seit: Nov 2009
2009
-
de
65374
Deutschland
|
Schleifen kleben
Mit Endlosschleife ist nicht gemeint dass er es endlos in die Datei schreiben soll. In die Datei schreiben würde einmal reichen, aber die Signalausgabe per Ni usb 6251 soll endlos sein. eine Signalausgabe schaffe ich, nur schaffe ich es nicht den Bereich der ausgegeben werden soll mit zwei Cursorn festzulegen und dann auszugeben.
Also ich versuchs nochmal:
Die Daten sollen eingelesen werden, dann soll mit zwei Cursorn ein Bereich "abgesteckt" werden, das heisst, der Bereich zwischen Cursor eins und zwei soll einmalig in eine datei geschrieben werden und endlos ausgegeben werden.
Hoffe jetzt ist es klarer
|
|
|
|
|
02.12.2009, 11:23
Beitrag #6
|
|
|
|
|
|
02.12.2009, 12:12
Beitrag #7
|
SeBa
LVF-Guru
    
Beiträge: 2.025
Registriert seit: Oct 2008
09SP1 & 10 FDS
2008
DE
65xxx
Deutschland
|
Schleifen kleben
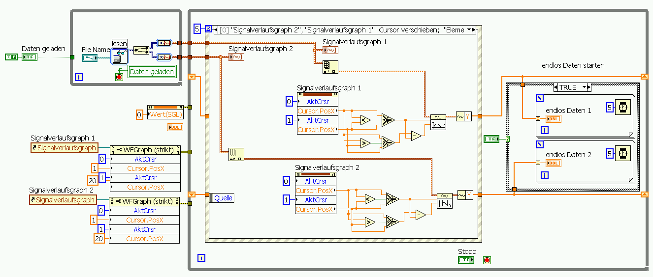
So hier kommt Versuch #1:
try_1.vi (Größe: 46,49 KB / Downloads: 253)
Cursor von Graph 1 ist "Master", das Flackern kann man z.b. mit einer Eventstruktur verhindern... dann kann ich aber nicht für deine Version speichern.
Min/Max von der Cursor.PosX ist deshalb nötig, da du nicht wissen kannst, welcher Cursor links und Welcher rechts im Diagramm ist.
Dann aus den beiden Signalen den Bereich herausschneiden. Statt in ein neues Diagramm kannst du das dann ja wieder speichern (Benutzerabfrage einbauen).
Statt dem Signal mit zwei Channels musst du das jeweils auf ein Signal mit nur einem Channel anwenden.
EDIT:
Ich seh grad, im ausgeschnittenen Graph wurde nur Channel00 angezeigt. Text/Bilder/VI angepasst.
Gruß SeBa
Dieser Beitrag soll weder nützlich, informativ noch lesbar sein.
Er erhebt lediglich den Anspruch dort wo er ungenau ist, wenigstens eindeutig ungenau zu sein.
In Fällen größerer Abweichungen ist es immer der Leser, der sich geirrt hat.
Rette einen Baum!
Diesen Beitrag nur ausdrucken, wenn unbedingt nötig!
|
|
|
|
|
02.12.2009, 14:34
Beitrag #8
|
t18935
LVF-Grünschnabel

Beiträge: 20
Registriert seit: Nov 2009
2009
-
de
65374
Deutschland
|
Schleifen kleben
Hallo SeBa
echt klasse. Ich bin seit heute mittag leider unterwegs, werde mich am Wochenende aber sofort hinsetzen. Echt genial. Ich habe nun LV 2009. Werde sogleich mein Profil ändern. BIn echt begeistert, wusste nicht wie ich die Aufgabe lösen soll....Melde mich dann am Wochenende wieder.(Eventuell reicht es mir auch schon morgen oder Freitag)
|
|
|
|
|
02.12.2009, 15:33
Beitrag #9
|
|
|
|
|
| |