INFO: Dieses Forum nutzt Cookies...
Cookies sind für den Betrieb des Forums unverzichtbar. Mit der Nutzung des Forums erklärst Du dich damit einverstanden, dass wir Cookies verwenden.

Es wird in jedem Fall ein Cookie gesetzt um diesen Hinweis nicht mehr zu erhalten. Desweiteren setzen wir Google Adsense und Google Analytics ein.


Antwort schreiben 

Schreibfehler



Wenn dein Problem oder deine Frage geklärt worden ist, markiere den Beitrag als "Lösung",
indem du auf den "Lösung" Button rechts unter dem entsprechenden Beitrag klickst. Vielen Dank!

12.01.2006, 11:00
Beitrag #1

sifiland Offline
LVF-Grünschnabel
*


Beiträge: 43
Registriert seit: Apr 2005

7.1
-
de

71063
Deutschland
Schreibfehler
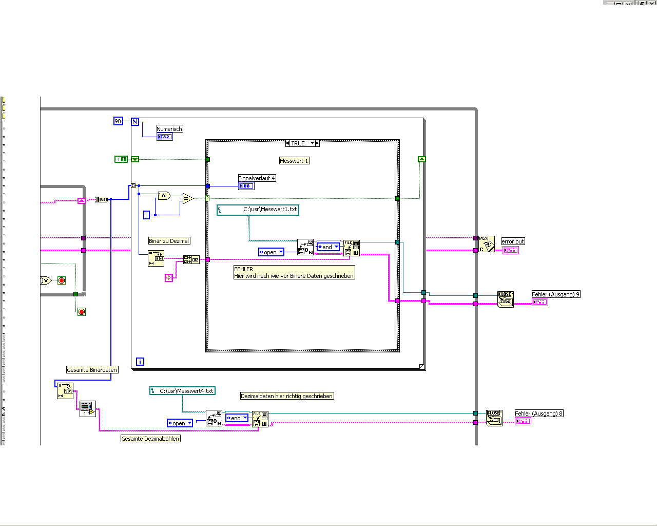
Hallo,
ich empfange binäre Daten aus RS232, setzte in dezimale Zahlen um und schreibe in eine Datei.
Es wird nach der Umsetzung immer noch binär geschrieben.
Ich habe den Fehler nicht, wenn ich die Daten mit einem Anzeige-Element beobachte.

Ein Bild angehängt


Angehängte Datei(en) Thumbnail(s)
   
Alle Beiträge dieses Benutzers finden
Diese Nachricht in einer Antwort zitieren to top
Anzeige
21.01.2006, 01:54
Beitrag #2

erbi Offline
LVF-Gelegenheitsschreiber
**


Beiträge: 101
Registriert seit: Dec 2005

8.2
2005
de

98646
Deutschland
Schreibfehler
Ich bin zwar kein Profi, aber ich glaube du hast das falsche VI genommen um die binären Zahlen in Dezimalzahlen umzuwandel. Das VI was du genommen hast wandelt binäre Zahlen 1zu1 in einen String um, also 101110 bleibt 101110.

Ich schätze mal du musst dir was einfallen lassen um die binären Zahlen erst in Dezimalzahlen umzuwandeln und dann in einen String.
Webseite des Benutzers besuchen Alle Beiträge dieses Benutzers finden
Diese Nachricht in einer Antwort zitieren to top
21.01.2006, 01:58
Beitrag #3

erbi Offline
LVF-Gelegenheitsschreiber
**


Beiträge: 101
Registriert seit: Dec 2005

8.2
2005
de

98646
Deutschland
Schreibfehler
Was sehen meine entzündeten Augen....

Du hast doch links unten ein selbstgeschriebenes VI, wandelt das zufällig die binären Zahlen in Dezimal um? Solltest das Selbe bei dem darüber nutzen.
Webseite des Benutzers besuchen Alle Beiträge dieses Benutzers finden
Diese Nachricht in einer Antwort zitieren to top
30
Antwort schreiben 


Gehe zu: