INFO: Dieses Forum nutzt Cookies...
Cookies sind für den Betrieb des Forums unverzichtbar. Mit der Nutzung des Forums erklärst Du dich damit einverstanden, dass wir Cookies verwenden.

Es wird in jedem Fall ein Cookie gesetzt um diesen Hinweis nicht mehr zu erhalten. Desweiteren setzen wir Google Adsense und Google Analytics ein.


Antwort schreiben 

Schwellenwerte



Wenn dein Problem oder deine Frage geklärt worden ist, markiere den Beitrag als "Lösung",
indem du auf den "Lösung" Button rechts unter dem entsprechenden Beitrag klickst. Vielen Dank!

10.06.2008, 15:07
Beitrag #1

Curunir Offline
LVF-Neueinsteiger


Beiträge: 7
Registriert seit: Jun 2008

7.1
2008
de

30419
Deutschland
Schwellenwerte
Guten Tag,
Ich bin neu hier und auch neu in LabVIEW.
Ich habe jedoch ein kleines Problem mit meiner SubVI und komme einfach nicht weiter.

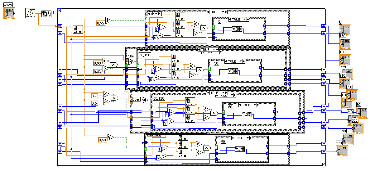
Also im groben geht es darum in einem Signal, welches aus ca 2500 Werten besteht und Sinusförmig (bzw. werden die Werte mit dem Kosinus umgewandelt) ist, bestimmte Schwellwerte zu finden und deren Positionen in einem seperatem Array zu speichern. Mein Problem ist nun das die Werte auch gefunden werden (zumindest soweit ich das beurteilen kann) aber sie werden nicht in mein Array am Ende geschrieben. Ich vermute ich habe einen Fehler in meinen Schieberegistern aber ich finde ihn nicht.

Ich werde mal ein Bild und das VI anhängen, falls das hilft.


Lv71_img

   

Sonstige .vi  kschwellwert.vi (Größe: 197,81 KB / Downloads: 365)


P.S. Ich hoffe ich habe alles richtig gemacht mit dem Anhängen und so, und ja ich weiss das ganze ding ist ein wenig unübersichtlich...

Man sieht sich immer zweimal,
Bis dann
Alle Beiträge dieses Benutzers finden
Diese Nachricht in einer Antwort zitieren to top
10.06.2008, 17:38
Beitrag #2

Etechniker01 Offline
LVF-Grünschnabel
*


Beiträge: 19
Registriert seit: May 2008

8.0 und 8.5
2008
de_en

10315
Deutschland
Schwellenwerte
Also deine VI Übersicht ist ja nicht toll.

Zu gross und unübersichtlich. Nicht persönlich nehmen.

Du solltes mal eine einfache Methode ausprobieren, wo du aus deiner Sin Kurve die Schwellwerte ermittels.

Wenn du sie in deinem Array von 2500 Werten hast ist das doch nur reine Mathematik und du definierst dir die Schwellwerte und durchsuchst das Array danach.

PS: Es kann auch sein, dass ich deine Frage nicht verstehe.

MfG Etechniker01
Alle Beiträge dieses Benutzers finden
Diese Nachricht in einer Antwort zitieren to top
11.06.2008, 07:13
Beitrag #3

Y-P Offline
☻ᴥᴥᴥ☻ᴥᴥᴥ☻
LVF-Team

Beiträge: 12.612
Registriert seit: Feb 2006

Developer Suite Core -> LabVIEW 2015 Prof.
2006
EN

71083
Deutschland
Schwellenwerte
Zwei Dinge:

1. Du solltest Schieberegister immer mit einem definierten Wert vorinitialisieren.
2. Du solltest die Schieberegister in Deinen "False"-Cases auch "durchverdrahten".

Gruß Markus

--------------------------------------------------------------------------
Bitte stellt mir keine Fragen über PM, dafür ist das Forum da - andere haben vielleicht auch Interesse an der Antwort !!
--------------------------------------------------------------------------
Alle Beiträge dieses Benutzers finden
Diese Nachricht in einer Antwort zitieren to top
11.06.2008, 10:48
Beitrag #4

Curunir Offline
LVF-Neueinsteiger


Beiträge: 7
Registriert seit: Jun 2008

7.1
2008
de

30419
Deutschland
Schwellenwerte
@ Etechniker01

Ich weiss das die Übersicht nicht so toll ist, hab ich ja in meinem Post schon gesagt.
Ich hab das ganze halt vorher in Scilab programmieren müssen und es fällt mir schwer nun umzudenken.
Aber für Kritik und Verbesserungsvorschläge bin ich immer zu haben Wink

Wenn ich das ganze nicht mit dem Kosinus sondern mit dem Sinus mache, besteht ja weiterhin das Problem,
dass ich das Programm ja dazu kriegen muss, mir die Positionen der Schwellwerte zu speichern (Was ja mein eigentliches Problem war).
Aber um Rechenkapazität einzusparen gucke ich mal ob ich das so umsetzen kann, danke für die Antwort.

@ Y-P

Genau das war das Problem, vielen Dank für die schnelle Hilfe, mal sehen wann ich mich das nächste mal melden muss.Wink

Gruß
Curunir

Man sieht sich immer zweimal,
Bis dann
Alle Beiträge dieses Benutzers finden
Diese Nachricht in einer Antwort zitieren to top
11.06.2008, 12:09
Beitrag #5

Xaran Offline
LVF-Gelegenheitsschreiber
**


Beiträge: 200
Registriert seit: Jun 2006

LabView 2009
2006
en

80***
Deutschland
Schwellenwerte
' schrieb:Ich weiss das die Übersicht nicht so toll ist, hab ich ja in meinem Post schon gesagt.
Ich hab das ganze halt vorher in Scilab programmieren müssen und es fällt mir schwer nun umzudenken.
Aber für Kritik und Verbesserungsvorschläge bin ich immer zu haben Wink

...

Es ist egal, in welcher Sprache man programmiert - überall sollte eine gewisse Ordnung herrschen, gerade dann, wenn man andere um Hilfe bittet. Und bei LabVIEW ist es meiner Meinung nach auch nicht sooo schwer, für ein Beispiel aufzupassen, dass die ganzen Verbindungen nicht wild übereinander liegen. Hat auch den interessanten Nebeneffekt, dass man selbst auch schneller Fehler finden kann, schon allein wenn mal wieder "aufgeräumt" wird Tippen
Alle Beiträge dieses Benutzers finden
Diese Nachricht in einer Antwort zitieren to top
11.06.2008, 20:45 (Dieser Beitrag wurde zuletzt bearbeitet: 11.06.2008 20:47 von jg.)
Beitrag #6

jg Offline
CLA & CLED
LVF-Team

Beiträge: 15.864
Registriert seit: Jun 2005

20xx / 8.x
1999
EN

Franken...
Deutschland
Schwellenwerte
Rechtsklick auf eine Verdrahtung -> "Clean up Wire" hilft beim Aufräumen schon mal ein ganzes Stück weiter.

Überkreuzungen von Drähten nach Möglichkeit vermeinden.

Einige Minuten Arbeit deinerseits (statt Entschuldigung, dass man Spaghetti-Code veröffentlicht) führt in der Regel zu schnelleren und gezielteren Antworten. (Und das trifft nicht nur auf dich zu)

MfG, Jens

Wer die erhabene Weisheit der Mathematik tadelt, nährt sich von Verwirrung. (Leonardo da Vinci)

!! BITTE !! stellt mir keine Fragen über PM, dafür ist das Forum da - andere haben vielleicht auch Interesse an der Antwort!

Einführende Links zu LabVIEW, s. GerdWs Signatur.
Alle Beiträge dieses Benutzers finden
Diese Nachricht in einer Antwort zitieren to top
Anzeige
12.06.2008, 09:47
Beitrag #7

Curunir Offline
LVF-Neueinsteiger


Beiträge: 7
Registriert seit: Jun 2008

7.1
2008
de

30419
Deutschland
Schwellenwerte
' schrieb:Rechtsklick auf eine Verdrahtung -> "Clean up Wire" hilft beim Aufräumen schon mal ein ganzes Stück weiter.

Überkreuzungen von Drähten nach Möglichkeit vermeinden.

Einige Minuten Arbeit deinerseits (statt Entschuldigung, dass man Spaghetti-Code veröffentlicht) führt in der Regel zu schnelleren und gezielteren Antworten. (Und das trifft nicht nur auf dich zu)

MfG, Jens

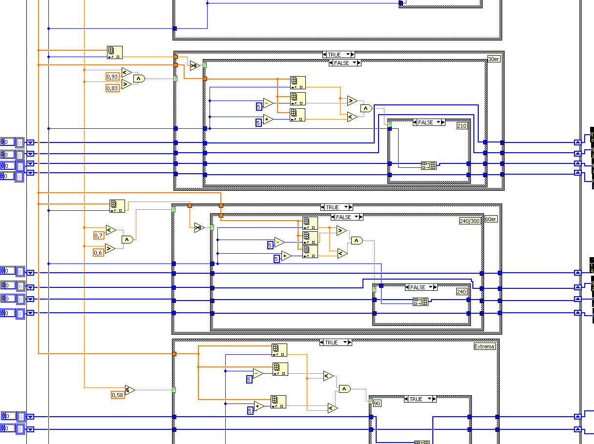
Das mit der Verdrahtung bereinigen hat nichts gebracht, da das Programm so kompakt war.
Es musste aber ja auch etwas kompakter sein damit ich alles auf einen Screenshot kriege.
Was nicht heißt das es vorher viel besser war. Rolleyes
Ich habe nun aber trotzdem "einige" (mehr) Zeit und Arbeit investiert und das ganze etwas ordentlicher Strukturiert.
Ich hänge das neue Bild mal an auch wenn sich das Problem ja mittlerweile geklärt hatte. Wink-2

Bis dann
Curunir

   

Man sieht sich immer zweimal,
Bis dann
Alle Beiträge dieses Benutzers finden
Diese Nachricht in einer Antwort zitieren to top
12.06.2008, 10:25
Beitrag #8

Xaran Offline
LVF-Gelegenheitsschreiber
**


Beiträge: 200
Registriert seit: Jun 2006

LabView 2009
2006
en

80***
Deutschland
Schwellenwerte
Moin!

Na das schaut doch schon gleich viel hübscher aus!Top1

Wenn alle Schieberegister gleich initialisiert werden sollen, brauchst Du nicht bei allen die Konstante anbinden, sonder kannst auch alle mit derselben Konstante verbinden, manchmal (oft?) ist das praktischer.
Alle Beiträge dieses Benutzers finden
Diese Nachricht in einer Antwort zitieren to top
12.06.2008, 10:38
Beitrag #9

Curunir Offline
LVF-Neueinsteiger


Beiträge: 7
Registriert seit: Jun 2008

7.1
2008
de

30419
Deutschland
Schwellenwerte
' schrieb:...
Wenn alle Schieberegister gleich initialisiert werden sollen, brauchst Du nicht bei allen die Konstante anbinden, sonder kannst auch alle mit derselben Konstante verbinden, manchmal (oft?) ist das praktischer.

Danke für den Tip werde ich gleich mal ausprobieren Tippen

Man sieht sich immer zweimal,
Bis dann
Alle Beiträge dieses Benutzers finden
Diese Nachricht in einer Antwort zitieren to top
Antwort schreiben 


Gehe zu: