INFO: Dieses Forum nutzt Cookies...
Cookies sind für den Betrieb des Forums unverzichtbar. Mit der Nutzung des Forums erklärst Du dich damit einverstanden, dass wir Cookies verwenden.

Es wird in jedem Fall ein Cookie gesetzt um diesen Hinweis nicht mehr zu erhalten. Desweiteren setzen wir Google Adsense und Google Analytics ein.


Antwort schreiben 

Simatic in LabVIEW anbinden



Wenn dein Problem oder deine Frage geklärt worden ist, markiere den Beitrag als "Lösung",
indem du auf den "Lösung" Button rechts unter dem entsprechenden Beitrag klickst. Vielen Dank!

03.08.2022, 09:58
Beitrag #1

Schrankwand Offline
LVF-Neueinsteiger


Beiträge: 8
Registriert seit: Jul 2022

22
2019
DE


Deutschland
Simatic in LabVIEW anbinden
Hallo,



Ich habe in der Uni die Aufgabe bekommen einen für einen S120(Siemens Umrichter) eine Bedieneroberfläche zu erstellen.

Ziele ist es verschiedene Motoren zu Prüfen.

Das Bsp. Programm von Siemens für die Ansteuerung über LabVIEW habe ich mir auch schon angeschaut. SINAMICS G/S: PROFINET Anbindung an LabVIEW - ID: 99684399 - Industry Support Siemens
https://support.industry.siemens.com/dl/...4_0_de.pdf

Nun zu meinen Fragen:

-ich habe vermehrt in Foren etwas von OPC gelesen jedoch nicht verstanden was es genau macht und ob ich es brauche.

-Im Beispiel Projekte wird für die Steuerung Telegramm 1 & 111 verwendet. Diese Logik ist allerdings über eine Bibliothek Funktion gelöst über die ich keine Dokumentation finden kann. Kann mir also jemand erklären was diese Black box machen ?





Für jede Antwort bin ich sehr dankbar

Mfg. Chris Dallmer-Zerbe
Alle Beiträge dieses Benutzers finden
Diese Nachricht in einer Antwort zitieren to top
Anzeige
03.08.2022, 10:49
Beitrag #2

GerdW Offline
______________
LVF-Team

Beiträge: 17.540
Registriert seit: May 2009

LV2019 (LV2021)
1995
DE_EN

10×××
Deutschland
RE: Simatic in LabVIEW anbinden
Hallo Chris,

Zitat:Ich habe in der Uni die Aufgabe bekommen einen für einen S120(Siemens Umrichter) eine Bedieneroberfläche zu erstellen.
Bietet der S120 nur Profinet als Kommunikationsschnittstelle oder hast du da evtl. noch andere zur Verfügung?

Irgendwas "standardmäßiges" wie RS485 oder CAN(open)? Big Grin

Alle Beiträge dieses Benutzers finden
Diese Nachricht in einer Antwort zitieren to top
04.08.2022, 10:52
Beitrag #3

Schrankwand Offline
LVF-Neueinsteiger


Beiträge: 8
Registriert seit: Jul 2022

22
2019
DE


Deutschland
RE: Simatic in LabVIEW anbinden
Hallo,
der Umrichter verfügt auch über eine RS 232 Schnittstelle und hat einen Ethernet Port.

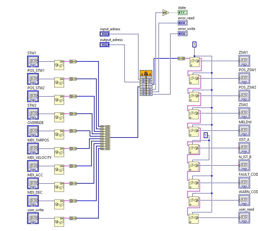
In dem Projekt von Siemens ist in einem Sub Vi ein Bibliotheken Block, aus der DLL Bibliothek und ich finde dazu leider keine Doku.
Müsste es nicht möglich sein den Block aus als C-Code aus zugeben ?
Wenn ich das Probiere dann ist das text.c immer leer.
Hat also einer eine Idee wie diesen Block nachvoll ziehen kann ?

Im Anhang habe ich mal besagte Labview Datei hinzugefügt.


Angehängte Datei(en) Thumbnail(s)
   

0.0 .zip  99684399_PNIO_LIB_v4_0.zip (Größe: 1,41 MB / Downloads: 318)
Alle Beiträge dieses Benutzers finden
Diese Nachricht in einer Antwort zitieren to top
04.08.2022, 12:16
Beitrag #4

GerdW Offline
______________
LVF-Team

Beiträge: 17.540
Registriert seit: May 2009

LV2019 (LV2021)
1995
DE_EN

10×××
Deutschland
RE: Simatic in LabVIEW anbinden
Hallo Chris,

Zitat:Müsste es nicht möglich sein den Block aus als C-Code aus zugeben ?
Wenn ich das Probiere dann ist das text.c immer leer.
Wie sollte LabVIEW aus einer kompilierten (!) DLL-Funktion wieder irgendwelchen C-Code machen?

Zitat:der Umrichter verfügt auch über eine RS 232 Schnittstelle und hat einen Ethernet Port.
RS232 ist meist sehr einfach (mit VISA) zu bedienen.
Ist das ein "echter" Ethernet-Port oder vielleicht irgendwas wie EthernetIP o.ä.?

Alle Beiträge dieses Benutzers finden
Diese Nachricht in einer Antwort zitieren to top
04.08.2022, 12:17
Beitrag #5

th13 Offline
LVF-Gelegenheitsschreiber
**


Beiträge: 183
Registriert seit: Oct 2013

2020 SP1
2013
EN


Deutschland
RE: Simatic in LabVIEW anbinden
Auch eine DLL ist compiliert und enthält keinen C-Code. Wenn du die Funktion "Create C File" beim Rechtsklick auf einen Library-Function-Node meinst, damit wird nur ein Aufruf der ausgewählten DLL-Funktion erzeugt, aus dem Funktionsnamen und den Parametern, die unter "Configure..." definiert sind.

OPC ist eine von vielen Schnittstellen, die Geräte zur Verfügung stellen um mit ihnen reden zu können. In dem von dir verlinkten PDF wird das aber nicht erwähnt, also entweder fragst du in den Foren, wo du den Hinweis darauf gefunden hast oder bei Siemens, ob dein Gerät das unterstützt.
Alle Beiträge dieses Benutzers finden
Diese Nachricht in einer Antwort zitieren to top
05.08.2022, 10:28
Beitrag #6

Schrankwand Offline
LVF-Neueinsteiger


Beiträge: 8
Registriert seit: Jul 2022

22
2019
DE


Deutschland
RE: Simatic in LabVIEW anbinden
Hallo,

danke für die schnellen antworten.
Ich bekomme leider keine Email-Benachrichtigung obwohl ich das Thema hier Abonniert habe. Weiß jemand woran das liegt ?

Dann hatte ich wohl einen Denkfehler bei der Bibliotheke.

Zitat:RS232 ist meist sehr einfach (mit VISA) zu bedienen.
Ist das ein "echter" Ethernet-Port oder vielleicht irgendwas wie EthernetIP o.ä.?
Soweit mir ersichtlich ist es ein echter Ethernet-Port.
VISA scheint scheint mir zwar wie OPC machbar nur habe ich bei beidem das Probleme das ich nicht weiß wie ich den Umrichter(Siemens S120) dann anspreche.
Kannst du erklären was VISA so einfach macht ?

Weiterhin wäre es schön nachvollziehen zu können was der DLL BLock macht.
Alle Beiträge dieses Benutzers finden
Diese Nachricht in einer Antwort zitieren to top
Anzeige
05.08.2022, 10:43 (Dieser Beitrag wurde zuletzt bearbeitet: 05.08.2022 10:45 von GerdW.)
Beitrag #7

GerdW Offline
______________
LVF-Team

Beiträge: 17.540
Registriert seit: May 2009

LV2019 (LV2021)
1995
DE_EN

10×××
Deutschland
RE: Simatic in LabVIEW anbinden
Hallo Chris,

Zitat:Ich bekomme leider keine Email-Benachrichtigung obwohl ich das Thema hier Abonniert habe. Weiß jemand woran das liegt ?
Probleme mit der Forensoftware…

Zitat:VISA scheint scheint mir zwar wie OPC machbar nur habe ich bei beidem das Probleme das ich nicht weiß wie ich den Umrichter(Siemens S120) dann anspreche. Kannst du erklären was VISA so einfach macht ?
Meist wird über die serielle Schnittstelle Modbus geredet - und dafür gibt es fertige Bibliotheken im VIPM!
Der Rest an nötigen Infos steht dann im Manual…

Zitat:Weiterhin wäre es schön nachvollziehen zu können was der DLL BLock macht.
Da kann dir nur der Ersteller der DLL helfen - mit einer entsprechend ausführlichen Doku.
Frag doch mal Siemens… Hmm

Alle Beiträge dieses Benutzers finden
Diese Nachricht in einer Antwort zitieren to top
05.08.2022, 13:39 (Dieser Beitrag wurde zuletzt bearbeitet: 05.08.2022 14:44 von ewiebe.)
Beitrag #8

ewiebe Offline
LV Fortgeschrittener
**


Beiträge: 62
Registriert seit: Mar 2011

LV bis 2021
2005
DE

32xxx
Deutschland
RE: Simatic in LabVIEW anbinden
Hallo Chris,

das PDF, das du am Anfang eingefügt hast, ist ja eine gute Schritt-für-Schritt Beschreibung.
Ich würde der einfach folgen.

Am Ende des Dokumentes ist der Link auf die Siemens Seite:
https://support.industry.siemens.com/cs/...0&lc=de-WW

Dort gibt es unter "Downloads" einige Dateien/Bibliotheken, die du dafür brauchst.
Die runterladen und installieren / kopieren.

Dann müsste sich der Antrieb über die LabView Bedienoberfläche bedienen lassen.

Auch bräuchtest du eine zweite Netzwerkkarte, extra für Profinet, um damit ein Profinet Netzwerk aufzubauen (mit Verbindung zum Siemens SIMATICS G/S und Peripherie).
Wahrscheinlich sowas hier:
https://new.siemens.com/de/de/produkte/a...c-ipc.html
https://www.hilscher.com/de/produkte/pro...-50-repns/

Klappt es?

Gruß
Eugen
Alle Beiträge dieses Benutzers finden
Diese Nachricht in einer Antwort zitieren to top
05.08.2022, 23:59
Beitrag #9

joerg.hampel Offline
hampel-soft.com
*


Beiträge: 15
Registriert seit: Mar 2015

16, 18, 19, 20
2007
EN

97082
Deutschland
RE: Simatic in LabVIEW anbinden
Hallo,

ich finde das ist eine echte Herausforderung für ein Uni-Projekt. Wenn Du keine weitere Unterstützung von Deinem Prof oder Institut bekommst, wird das schwierig. Wir haben den von Dir genannten Treiber vor Längerem in der Produktion der Umrichter implementiert, gemeinsam mit den Experten vor Ort, und das hat recht gut funktioniert. Man benötigt allerdings eine Run-Time-Lizenz für den Treiber.

Die Profinet-Kommunikation grundsätzlich zum Laufen zu bekommen, sollte anhand des verlinkten Dokuments noch möglich sein. Das klappt mit einer herkömmlichen PC-Netzwerkkarte - das ist der Vorteil dieser Lösung. Allerdings setzt das Dokument sowohl Wissen auf der LabVIEW-Seite, aber vor allem auch auf der Siemens-Seite für die Konfiguration/Projektierung des Antriebs in TIA voraus.

Wie Du dann die Motoren (genauer: die Frequenzumrichter, mit welchen Du die Motoren ansteuerst, also die Antriebe) parametrieren und ansteuern musst, hängt sowohl von der Hardware als auch von den gewünschten Betriebsmodi ab. Dazu dienen eben Profinet-Telegramme, die dann zyklisch oder azyklisch übertragen werden. Es gibt 100e oder sogar 1000e verschiedene Telegramme. Hier brauchst Du dann ein Handbuch und Geduld oder jemanden, der sich gut auskennt.

OPC würde die Sache nicht einfacher machen, soweit ich das verstehe. Die SINAMICS können nicht direkt OPC sprechen - OPC wäre also nur eine Alternative zum o.g. Treiber, um auf Profinet zuzugreifen. Aber dann benötigst Du eine Profinet-Karte im PC. NI bietet übrigens seit dem 1.1.2022 keine Profinet-Hardware mehr an.

Übrigens noch zur Klärung: SINAMICS und SIMATIC sind zwei verschiedene Dinge. SINAMICS bezeichnet eine Produktreihe an Frequenzumrichtern, während SIMATIC eine ganz andere Produktfamilie (hauptsächlich Steuerungen wie zB SPS) beschreibt.

Joerg Hampel | CLA, CPI & LabVIEW Champion | hampel-soft.com
Webseite des Benutzers besuchen Alle Beiträge dieses Benutzers finden
Diese Nachricht in einer Antwort zitieren to top
Antwort schreiben 


Möglicherweise verwandte Themen...
Themen Verfasser Antworten Views Letzter Beitrag
  EtherCAT und paar Klemmen in Labview anbinden lola2014 0 5.955 04.07.2014 09:36
Letzter Beitrag: lola2014

Gehe zu: