INFO: Dieses Forum nutzt Cookies...
Cookies sind für den Betrieb des Forums unverzichtbar. Mit der Nutzung des Forums erklärst Du dich damit einverstanden, dass wir Cookies verwenden.

Es wird in jedem Fall ein Cookie gesetzt um diesen Hinweis nicht mehr zu erhalten. Desweiteren setzen wir Google Adsense und Google Analytics ein.


Antwort schreiben 

Steuerung HBM QuantumX MX878 zu langsam



Wenn dein Problem oder deine Frage geklärt worden ist, markiere den Beitrag als "Lösung",
indem du auf den "Lösung" Button rechts unter dem entsprechenden Beitrag klickst. Vielen Dank!

01.10.2014, 20:16
Beitrag #11

GerdW Offline
______________
LVF-Team

Beiträge: 17.540
Registriert seit: May 2009

LV2019 (LV2021)
1995
DE_EN

10×××
Deutschland
RE: Steuerung HBM QuantumX MX878 zu langsam
Hallo Kurt,

Zitat:Mein Gedanke dahinter war, dass es auf lange Sicht vielleicht schneller ist, den Wert in die Datei zu schreiben, als den Riesen-Array in der Schleife zu halten.
Der Gedanke ist durchaus richtig, aber das bedeutet nicht, dass der FileAccess in der Messschleife stattfinden muss!

Vielleicht liest du einfach bei NoWay mit, der hatte heute ein sehr ähnliches Problem!
Grundgedanke: Dateizugriffe in paralleler Schleife, Datentransport per Queue…

Alle Beiträge dieses Benutzers finden
Diese Nachricht in einer Antwort zitieren to top
Anzeige
01.10.2014, 20:25
Beitrag #12

Kurt.Döner Offline
LVF-Grünschnabel
*


Beiträge: 14
Registriert seit: Sep 2014

LabVIEW 2013 SP 1
2014
DE



RE: Steuerung HBM QuantumX MX878 zu langsam
(01.10.2014 20:16 )GerdW schrieb:  Hallo Kurt,

Zitat:Mein Gedanke dahinter war, dass es auf lange Sicht vielleicht schneller ist, den Wert in die Datei zu schreiben, als den Riesen-Array in der Schleife zu halten.
Der Gedanke ist durchaus richtig, aber das bedeutet nicht, dass der FileAccess in der Messschleife stattfinden muss!

Vielleicht liest du einfach bei NoWay mit, der hatte heute ein sehr ähnliches Problem!
Grundgedanke: Dateizugriffe in paralleler Schleife, Datentransport per Queue…

Super, ist wirklich identisch das Problem.

Aber im Endeffekt ja nicht das Kernproblem.
Ich bin gespannt, ob jemand eine Lösung hat. HBM selber hat sie ja noch nicht, vielleicht kommt denen jemand zuvor :-P

Bis dahin bessere ich mal meine LabVIEW-Grundkenntnisse auf, damit ich irgendwann vielleicht auch mal ein VI posten kann, durch welches nicht gleich alle abgeschreckt sind ;-)

Anniemacht_2 @Mod: Bitte meinen Anhang aus dem ersten Post löschen! Ich hatte nicht auf dem Schirm, dass dort mein Name im Klartext zu lesen ist. Das VI ist ja im späteren Verlauf des Threads noch mal zu sehen...

Viele Grüße
Matthias

LV2013 SP1 Studentenversion
Alle Beiträge dieses Benutzers finden
Diese Nachricht in einer Antwort zitieren to top
01.10.2014, 20:28 (Dieser Beitrag wurde zuletzt bearbeitet: 01.10.2014 20:31 von jg.)
Beitrag #13

jg Offline
CLA & CLED
LVF-Team

Beiträge: 15.864
Registriert seit: Jun 2005

20xx / 8.x
1999
EN

Franken...
Deutschland
RE: Steuerung HBM QuantumX MX878 zu langsam
Wenn es um das Erfassen und Speichern vieler Datenpunkte geht, da bietet sich TDMS als Speicherformat an. Und für die Auswertung gibt es ebenfalls bessere Programme als Excel, angefangen von DIAdem bis zu Origin.

Und nochmal, das Speichern gehört in einen parallelen Prozess (aka extra Schleife, Stichwort Producer-Consumer).

Ich habe schon Prüfstände für mehrere Wochen Messdauer programmiert (ein akt. Bsp: Datenerfassung läuft hier mit 20 Hz, davon werden aber nicht alle gespeichert), und da laufen Erfassung, Visualisierung und Speicherung natürlich parallel!!!

Gruß, Jens
(01.10.2014 20:25 )Kurt.Döner schrieb:  Anniemacht_2 @Mod: Bitte meinen Anhang aus dem ersten Post löschen! Ich hatte nicht auf dem Schirm, dass dort mein Name im Klartext zu lesen ist. Das VI ist ja im späteren Verlauf des Threads noch mal zu sehen...
Und das gleich mehrfach. Nicht nur im FP, auch in Pfad-Konstanten...

Wer die erhabene Weisheit der Mathematik tadelt, nährt sich von Verwirrung. (Leonardo da Vinci)

!! BITTE !! stellt mir keine Fragen über PM, dafür ist das Forum da - andere haben vielleicht auch Interesse an der Antwort!

Einführende Links zu LabVIEW, s. GerdWs Signatur.
Alle Beiträge dieses Benutzers finden
Diese Nachricht in einer Antwort zitieren to top
01.10.2014, 20:35
Beitrag #14

GerdW Offline
______________
LVF-Team

Beiträge: 17.540
Registriert seit: May 2009

LV2019 (LV2021)
1995
DE_EN

10×××
Deutschland
RE: Steuerung HBM QuantumX MX878 zu langsam
Hallo Kurt,

da sind wirklich üble RaceConditions in deinen VIs! Lösche so viele lokale Variablen wie nur irgend möglich!

Dein subVI "Kolben zurück" könnte z.B. so aussehen:
   

- Drähte statt lokaler Variablen
- FeedbackNodes (Rückkopplungsknoten) statt lokaler Variablen!
THINK DATAFLOW!

Alle Beiträge dieses Benutzers finden
Diese Nachricht in einer Antwort zitieren to top
01.10.2014, 20:35
Beitrag #15

Kurt.Döner Offline
LVF-Grünschnabel
*


Beiträge: 14
Registriert seit: Sep 2014

LabVIEW 2013 SP 1
2014
DE



RE: Steuerung HBM QuantumX MX878 zu langsam
(01.10.2014 20:28 )jg schrieb:  Wenn es um das Erfassen und Speichern vieler Datenpunkte geht, da bietet sich TDMS als Speicherformat an. Und für die Auswertung gibt es ebenfalls bessere Programme als Excel, angefangen von DIAdem bis zu Origin.

Und nochmal, das Speichern gehört in einen parallelen Prozess (aka extra Schleife, Stichwort Producer-Consumer).

Ich habe schon Prüfstände für mehrere Wochen Messdauer programmiert (ein akt. Bsp: Datenerfassung läuft hier mit 20 Hz, davon werden aber nicht alle gespeichert), und da laufen Erfassung, Visualisierung und Speicherung natürlich parallel!!!

Jau, ich versuche das hinzukriegen!

(01.10.2014 20:28 )jg schrieb:  
(01.10.2014 20:25 )Kurt.Döner schrieb:  Anniemacht_2 @Mod: Bitte meinen Anhang aus dem ersten Post löschen! Ich hatte nicht auf dem Schirm, dass dort mein Name im Klartext zu lesen ist. Das VI ist ja im späteren Verlauf des Threads noch mal zu sehen...
Und das gleich mehrfach. Nicht nur im FP, auch in Pfad-Konstanten...

Sehr richtig....... Wall

Viele Grüße
Matthias

LV2013 SP1 Studentenversion
Alle Beiträge dieses Benutzers finden
Diese Nachricht in einer Antwort zitieren to top
01.10.2014, 20:39
Beitrag #16

jg Offline
CLA & CLED
LVF-Team

Beiträge: 15.864
Registriert seit: Jun 2005

20xx / 8.x
1999
EN

Franken...
Deutschland
RE: Steuerung HBM QuantumX MX878 zu langsam
Mit welcher Schnittstelle kommunizierst du mit deinem HBM Quantum? 100 Hz bei Einzelwert-Abfrage und Setzen per Ethernet ist IMHO für einen Windows-Rechner schon recht gut.

Gruß, Jens

Wer die erhabene Weisheit der Mathematik tadelt, nährt sich von Verwirrung. (Leonardo da Vinci)

!! BITTE !! stellt mir keine Fragen über PM, dafür ist das Forum da - andere haben vielleicht auch Interesse an der Antwort!

Einführende Links zu LabVIEW, s. GerdWs Signatur.
Alle Beiträge dieses Benutzers finden
Diese Nachricht in einer Antwort zitieren to top
Anzeige
01.10.2014, 20:44
Beitrag #17

Kurt.Döner Offline
LVF-Grünschnabel
*


Beiträge: 14
Registriert seit: Sep 2014

LabVIEW 2013 SP 1
2014
DE



RE: Steuerung HBM QuantumX MX878 zu langsam
(01.10.2014 20:35 )GerdW schrieb:  Hallo Kurt,

da sind wirklich üble RaceConditions in deinen VIs! Lösche so viele lokale Variablen wie nur irgend möglich!

Dein subVI "Kolben zurück" könnte z.B. so aussehen:


- Drähte statt lokaler Variablen
- FeedbackNodes (Rückkopplungsknoten) statt lokaler Variablen!
THINK DATAFLOW!

Da habe ich echt lange nicht mehr reingeschaut... das ist wirklich übel.... Da ist ja sogar ein Bedienelement drin, was nix tut...
Vielen Dank für die Veranschaulichung!

Viele Grüße
Matthias

LV2013 SP1 Studentenversion
Alle Beiträge dieses Benutzers finden
Diese Nachricht in einer Antwort zitieren to top
01.10.2014, 20:49 (Dieser Beitrag wurde zuletzt bearbeitet: 01.10.2014 20:49 von GerdW.)
Beitrag #18

GerdW Offline
______________
LVF-Team

Beiträge: 17.540
Registriert seit: May 2009

LV2019 (LV2021)
1995
DE_EN

10×××
Deutschland
RE: Steuerung HBM QuantumX MX878 zu langsam
Hallo Kurt,

Zitat:Da ist ja sogar ein Bedienelement drin, was nix tut...
- Es war eines drin, welches nicht verdrahtet war. Dafür wurde lieber eine lokale Variable davon gelesen…
- Noch übler ist allerdings, wenn man einerseits Werte von Eingängen gleich in die Ausgänge verdrahtet und dann parallel versucht, eben diese Ausgänge nochmal per lokaler Variable zu setzen! PFUI!

Alle Beiträge dieses Benutzers finden
Diese Nachricht in einer Antwort zitieren to top
01.10.2014, 20:59 (Dieser Beitrag wurde zuletzt bearbeitet: 01.10.2014 21:02 von Kurt.Döner.)
Beitrag #19

Kurt.Döner Offline
LVF-Grünschnabel
*


Beiträge: 14
Registriert seit: Sep 2014

LabVIEW 2013 SP 1
2014
DE



RE: Steuerung HBM QuantumX MX878 zu langsam
(01.10.2014 20:39 )jg schrieb:  Mit welcher Schnittstelle kommunizierst du mit deinem HBM Quantum? 100 Hz bei Einzelwert-Abfrage und Setzen per Ethernet ist IMHO für einen Windows-Rechner schon recht gut.

Gruß, Jens

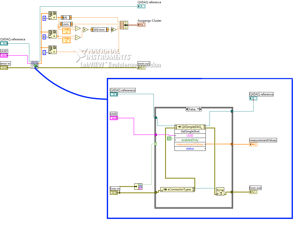
Ich bin mir gerade nicht sicher, was genau du meinst...
Vielleicht beantwortet das Bild im Anhang meine Frage... (?)

*Nachtrag: Aus dem Cluster wird noch ein Array....! :-)


Angehängte Datei(en) Thumbnail(s)
   

Viele Grüße
Matthias

LV2013 SP1 Studentenversion
Alle Beiträge dieses Benutzers finden
Diese Nachricht in einer Antwort zitieren to top
01.10.2014, 21:08 (Dieser Beitrag wurde zuletzt bearbeitet: 01.10.2014 21:10 von jg.)
Beitrag #20

jg Offline
CLA & CLED
LVF-Team

Beiträge: 15.864
Registriert seit: Jun 2005

20xx / 8.x
1999
EN

Franken...
Deutschland
RE: Steuerung HBM QuantumX MX878 zu langsam
Zitat aus der Beschreibung vom MX878 auf der HBM Homepage:
Zitat:Als Kommunikationsschnittstelle können Sie den Ethernet- oder FireWire-Anschluss nutzen.
Der .NET API von HBM bleibt am Ende auch nichts anderes übrig, als die Daten über deine Netzwerkschnittstelle (oder doch Firewire) zu schicken. 100 Hz (also alle 10 ms 1x alle Ist-Werte abholen) ist nicht schlecht.

Gruß, Jens

EDIT: Wozu ist der Konstruktor "Connector-Types" gut? Wird ohne weiter Verwendung wieder geschlossen. Verdacht

Wer die erhabene Weisheit der Mathematik tadelt, nährt sich von Verwirrung. (Leonardo da Vinci)

!! BITTE !! stellt mir keine Fragen über PM, dafür ist das Forum da - andere haben vielleicht auch Interesse an der Antwort!

Einführende Links zu LabVIEW, s. GerdWs Signatur.
Alle Beiträge dieses Benutzers finden
Diese Nachricht in einer Antwort zitieren to top
Antwort schreiben 


Gehe zu: